Fórum témák
» Több friss téma |
Fórum » Hangsugárzó építés, javítás - miértek, hogyanok
Témaindító: csonthulye, idő: Dec 10, 2005
Témakörök:
Nem jó hangszóró, ha még nincs, akkor inkább ne szerezz.
Mi volt a típusszáma a sony kód szerint? Akkor talán megtalálom a méréseit.
Sziasztok! ezzel valakinek valami tapasztalata van?
Már megvettem őket de szélezésen vannak egyenlőre. Fane
Ezek közel 90.000 Ft/db áron beszerezhető darabok. Ez már nem hobbi kategória.
Mit jelent a "szélezés", amin vannak ezek a hangszórók?
Rossz esetben azt, hogy most rontják el.
De amúgy ez csak hangosítás, azt nagyon nem lehet elhibázni.
Én ezt mértem 5L zártban.
Azt jelenti hogy sajnálatos módon a posta leejtette őket,és sajnos az egyiknek megsérült a szövetpereme,azaz peremeztetni kell.Szerintem ez még a hobby kategória ugyanis épített ládában lesznek.
Jól van, ügyes. az enyém jobb. Meg biztos van ezeknek gyártási eltérése is. De még az enyémmel sem érdemes szenvedni. Nemhogy a tiéddel. A hozzászólás módosítva: Nov 24, 2015
Nem olyan vészes az, ez itt bele lett nyomorítva egy 5L-es dobozba, ezer forintért belefér.
No, ez meg tudott jelenni-a hangszóró hozzáírásom nem!
Erre kértem volna a választ..
Az is megjelent, de törölték ahogy ezt is fogják és lehet, hogy már veled együt. Komolyan nem értem, hogy mit művelsz és mi a célod.
1. Használd a Válasz gombot, mert nem tudni kinek válaszolsz. Ezt erre találták ki!
2. A fórum nem apróhirdetés! Nincs, keresek elfekvőben lévő hangszórót beírásnak helye! 3. Van egy fórumszabályzatunk, amit jó lenne ha elolvasnál, és betartanád a közeljövőben.
Szerintem is érdemes megnézni az ár-érték arányt mindig. Nekem is van pár darab.
Nem hiszem, amíg van, a műanyag Sony 909 sokkal jobb. Ez hallgathatatlan sztem. A mérés is hagy kívánnivalókat,
de a lényeg látszik.
Mi a kívánnivaló a mérésben? Komolyan érdekel.
Üdvözlet!
Az alábbi középhangszórót nem ismeri véletlenül valaki? "Fiókürítést" tartok, és kerülnek elő olyan dolgok, amik meglétére már nem is emlékszem, ergo arra sem, hogy miből lettek bontva. A hozzászólás módosítva: Dec 1, 2015
Sziasztok. Ide írányítottak hogy érdeklödjek. Segítséget szeretnék kérni hogy milyen ládát és milyen kialakításban csináljak a mélyhangszoromnak, van egy jesen gemini 160W os 20cm hangszoróm.
Mi az a Jesen? Milyen céllal építenéd és hová? Hány út lesz?
Kocsiba. Mélynyomó a cél. 40-200hz szeretnék. Egy út. Jah es bocsánat nem jesen hanem jensen gemini
A hozzászólás módosítva: Dec 1, 2015
Csinálj neki egy kb 25-30L es bass reflex ládát,2 reflexcsővel.
Méretben esetleg meg kaphatnám ? 18mm bútor lapból terveznem amúgy. Reflekszcso helyett nem jobb egy tölcsér kialakítású nyílás?
Köszönöm. Nézegettem a méreteket, meg probaltam szamolgatni is. Kérdésem lenne ha en csinalok egy bass reflex ládát ugy hogy 50hossz 25 magas 30cm mely. 10cm széles 20cm magas nyilassal ami befelé tolcserszeruen szűkül kb 4 cm nyilasig akkor az jo lenne nekem a Jensen hez?
Ez olyan dolog amire egyértelmű választ nem lehet adni,még méregetéssel sem,de megközelítőleg jó lehet!
Sziasztok!
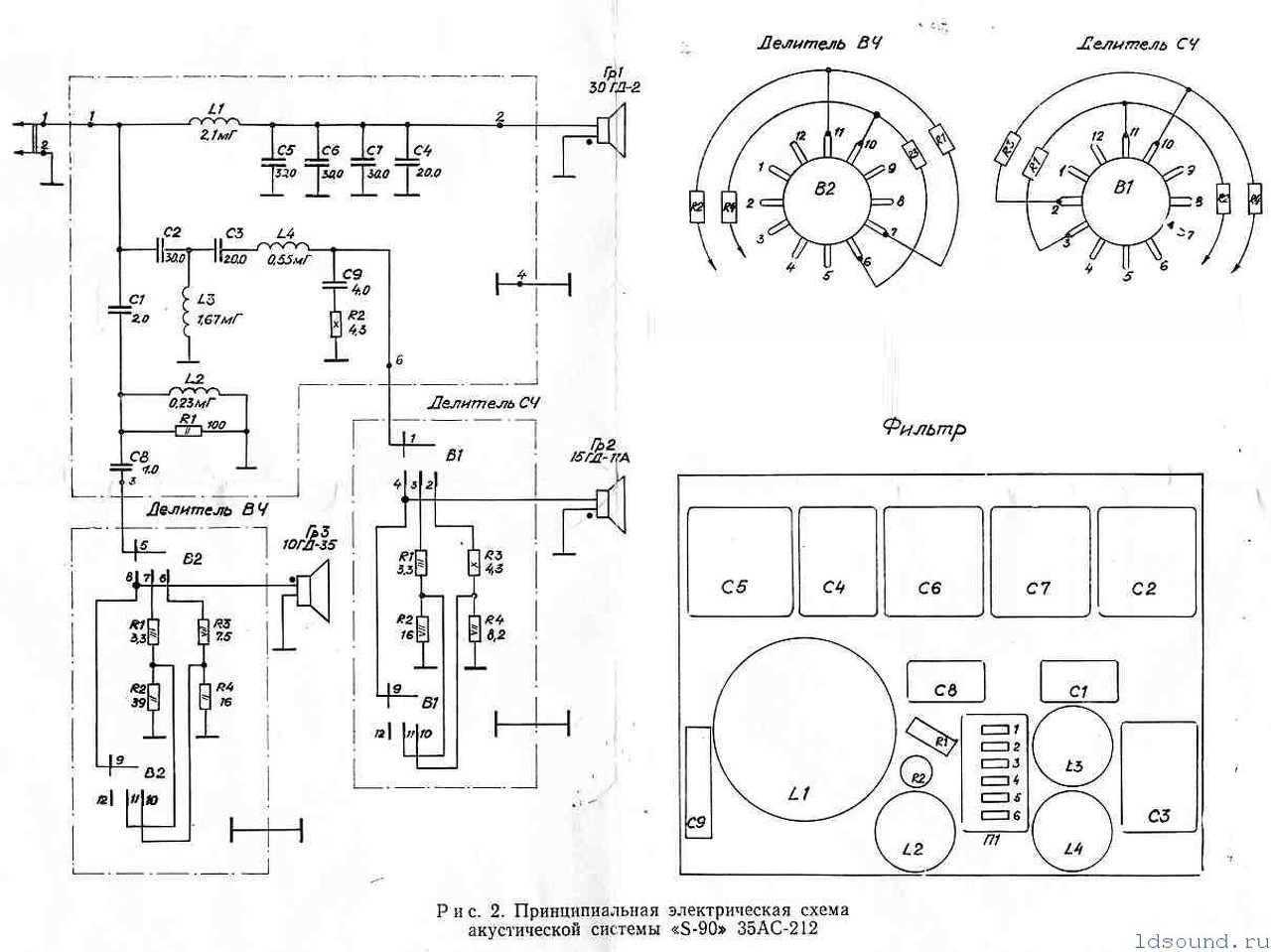
Van egy pár Radiotecnika s 90 -es hangfalam* magasok nincsenek pontosabban Videoton magasok vannak benne. Amennyire én tudom ebbe a tipusba gyárilag 25 ohmos magas hangszoró van, nem egyszerű beszerezni és nem is kínlódnék vele. A meglevő 8 ohmos videotont próbálnám hozzá "pászítani". Van e valakinek valamilyen megoldási ötlete vagy tapasztalata e téren?Mellékelek egy kapcsolási rajzot. *Nem fal rendszerű a hangsugárzód, hanem első baszreflexportos. A hozzászólás módosítva: Dec 11, 2015
Sziasztok!
Ilyen középsugárzót kapott már valaki fülvégre? Mik voltak a tapasztalatai? Árához képest jónak mondható? 1.500 - 4.000 Hz között kellene helytállnia. Bővebben: Link A hozzászólás módosítva: Dec 12, 2015
|
Bejelentkezés
Hirdetés |











