Fórum témák
» Több friss téma |
Fórum » PC táp átalakítás
Akkor a gyorsdiódákat is cserélni kell.
AT tápegységet alakítottam át, aminél nem az alaplap kapcsol, hanem van egy nagy hálózati kapcsoló a tápból kivezetve.
ATX-nél a zöldet össze kell zárni egy feketével és akkor indul.
Üdv!
Erősítőhöz kellene nekem +-36V-os táp. ATX tápból indulnék. 18V-os tápokat már csináltam, de 36V-ra az a megoldás már nem elég. Az eredeti trafót áttekerni, átkötözgetni nem akarom. Egy ötletem támadt: a táp nyákról kivezettem a trafó szekunder oldali két 12V-os kimenetét és hozzá tekertek egy új külső trafót a +-36V-hoz. A primer 8 menet, a szekunder 2x12 menet lett. Azért lett 1,5-ös áttétel, mert úgy gondoltam, a 24V-ból így lesz majd 36V. Nos az eredmény lehangoló. A kimeneten 60V feletti feszültség jelenik meg, ami terhelve még 400 ohmos(8 wattnyi) terheléssel is még mindig 56V. 64W terheléssel, ami még nem is sok, a kimenő feszültség viszont már csak 20V! A KA7500-hoz osztóval visszacsatolva talán még visszaszabályozható lenne. Az induló feszültség túl magas értéke, illetve az hogy túl nagy terheléssel és annak megfelelő "fűtéssel" lehetne csak a 36V-os induló kimenetet beállítani, na az már nem nem tetszik! Van valakinek tapasztalata ehhez hasonló megoldással, esetleg vélemény?
Ezt a megoldást felejtsd el. Ha pont 2x36V kell és a trafót sem akarod megbontani, akkor egyetlen megoldás kínálkozik. Az eredetileg 5V-os tekercseken lesz teljes kitöltéssel 12V-od. Ez 3-3 párhuzamosan kötött drótból van tekerve (kapcsitápos topikba nemrég feltettem a trafó rajzát, adatait). Ezeket a párhuzamosan kötött tekercseket a trafó lábainál, illetve a közös (földponti) sodratnál szét kell bontani, és sorba kell őket kötni. Így lesz 2x36V-od (kb. +/-1V). A szekunderről mindenféle visszacsatolást, feszültségfigyelést, stb. ki kell kötni hogy a vezérlés teljes kitöltéssel menjen, a negatív diódákat erősebbre cserélni, és megfelelő feszültségű low ESR kondikat tenni a végére. Ennyi.
Kösz! Adnál egy linket a topikhoz? Megnézném...
Üdv!
SZeretnék átalakítani egy PC tápot ez alapján a cikk alapján: http://www.hobbielektronika.hu/cikkek/at-s_pc_tap_atalakitasa_szimm...k.html Nekem elég ha meg van a feszültség szabályozás. Még nagyon kezdő felismerni dolgokat ezért kérem a segítségeteket! Valaki lerajzolná egy kapcsolásirajzon vagy valamin hogy mit kell kivegyek, mit hova kell kötnöm és kicserélni. Csináltam képeket bejelöltem a nyákon hogy hol milyen alkatrész van. Ha valami kell még akkor megcsinálom azt is. Előre is köszönöm! Ui.:A vezetékeket ki fogom forrasztani csak még nem volt rá időm és arra se hogy alaposan megtisztítsam.
Az alapján nem tudod átalakítani mert az AT-s, ami neked van az meg ATX-es. És ne is az alapján alakítsd át, találsz normális rajzot itt a topikban, nemrég mellékeltem újra. De szerintem lett olyan rajz is csatolva ahol ott a teljes, amin pirossal át vannak húzva a kiszedendő alkatrészek és a módosítások. Persze nem fog egyezni egy az egyben azzal a mi neked van, de a lényeg ugyanaz, meg tudod annak alapján csinálni.
Senkinek sincs kapcsolási rajzból és nyáktervből az agya, hogy alkatrészre pontosan megmondja neked hogy melyiket vedd ki az adott nyákból, meg mit hova köss. Arra való a rajz. Egyébként én mindet úgy csináltam hogy kivettem egy tápot a kupacból, megnéztem hogy működik-e. Ha igen, akkor csak átalakítani kell, javítani nem. Ha nem, akkor javítani is kell. Első lépésben az összes alkatrészt kiszedtem a szekunder oldalról, utána visszaraktam azt a néhányat amire szükség van, meg bekötöttem a söntöt, azt a pár ellenállást meg a 2 potit. Ezzel kész volt az átalakítás, utána ha kellett kicseréltem a tönkrement primer kapcsolóeszközt és ennyi.
Rendben, köszönöm!
Majd próbálkozom!
Üdv!
Ez alapján a kép alapján akartam módosítani a tápot, de nem találok összekötést az 1 es láb és az 5v között? Csak a GND vel van összekötve a GND és a +5v között pedig egy elkó. Vagy a -5 volt és az 1 es láb között van összekötés? Előre is köszönöm!
Van köztük ellenállás. Az is előfordulhat hogy a másik hibajel erősítőre van visszacsatolva (1-2 láb illetve 15-16 láb), meg kell nézni. Ezen rajz alapján el tudsz igazodni rajta.
Köszi!
Megnéztem hát itt van egy út de csak egy elkón keresztül az meg szerintem nem jó! Azért itt egy kép hogy lásd. A hibajel erősítő ezen a kapcsoláson nincs rajta ezért ez holnap ellenőrzöm! Ha a hibajel erősítővel van kapcsolat akkor ott szüntessem meg a kapcsolatot? Módosítás: Lemaradt a kép! A hozzászólás módosítva: Dec 1, 2015
Amit berajzoltál az a segédtáp. A visszacsatolás (oda is van írva feedback) az az R25 a 12V-ról és az R26 az 5V-os kimenetről. A hibajelerősítők benne vannak az IC-ben, az 1-2-es láb és a 15-16-os láb a bemenetük (nézd meg az IC adatlapját).
Az állítható feszültség kialakítását azzal kell kezdeni hogy a felesleges alkatrészeket kidobálod a szekunder oldalról, ellenkező esetben le fog tiltani a táp. A rajz bal közepén ott van az overvoltage circuit rész ami figyeli az összes feszültséget, és ha bármelyik megemelkedik letiltja a vezérlést. Azt úgy ahogy van le kell kötni a 4-es lábról. Utána jön csak a többi, hogy R25-öt vagy 26-ot potira cserélni, az elkókat nagyobbra mert csak 16V-osak, stb, stb. Tettem fel átalakított rajzot, csak vissza kell lapozni 1-2 oldalt.
Üdv! Megcsinálnám így, mar meg is vannak hozzá az alkatrészek. Ha sikerült, majd írok.
Annyit szeretnék tudni, hogy ha a NYÁK-on elvágom a KA7500 1-es lába előtt a sávot, és megcsinálom ezt a potis megoldást, akkor működik is? Ennyi az egész? Így fog működni valamennyire a túláram védelem? Anno volt egy ellenállás-terhelt 5V-os pc tápegységem, abból ha 12V 7-8A-t vettem ki, letiltott. Ezen is működni fog átalakítás után ez a funkció?
Hi!
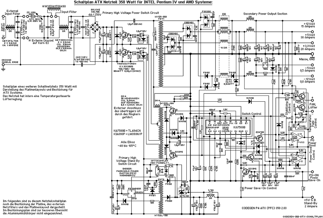
Átalakítottam egy ATX-es tápot. Az eredeti kapcsolás az 1. rajzon. Az átalakítás utáni állapot a 2. rajzon. Szabályozható lett a 12V-os kimenet, de 24V-on két sorosan kapcsolt 21W-os izzó kb. 0,5Hz-cel villog. A segédtáp KA7500 12. lábán a táp 3,6-6V között "táncol". Mintha a vezérlés ki-be kapcsolna. Ha a segédtápot kikötöm, és kívülről adok neki 12V-ot, akkor teljesen rendben működik a táp. A segédtápnak nem kellene függetlennek lennie? Vagy a nagy tisztogatásban kipucoltam valami fontosat?
Bocs, egy "a" betű kimaradt!
Helyesen: "A segédtáp a KA7500 12. lábán 3,6-6V között "táncol".....
Nálam úgy volt, hogy az 1-es lábnál volt egy ellenállás a +5V felé és egy a test felé. Kivettem mind a kettőt. A test felöli helyére ment a 4,7k, az 1k-nak csak az ic felőli oldalra ment az egyik lába, másik felfelé állt. Ide ment a poti közepe és az egyik vége, a másik a +12V-ra.
Zárlatvédelem nem tudom hogy van-e benne, de egy párszor sikerült egy pillanatra összezárnom, akkor elkezdett hangosan sziszegni, amég nem áramtalanítottam. Nekem 15V-on 9A-t sikerült kipréselnem, és nem is nagyon melegedett. Szerintem többet is sikerülhet, mert nem volt teljes kitöltésen Bővebben: Link,de nem volt több autó izzóm műterhelűs gyanánt. A ventilátorhoz egy 7805-t raktam, mert elég 5V ahhoz, hogy ne melegedjen túl és így sokkal halkabbBővebben: Link
Értem. Ha jól gondolom, akkor ha nem akarok a panelon ellenállásokat keresgetni, akkor az elvágós módszer is jó.
Egyébként amit linkeltél, hogy egy fix ellenállás a földre, és egy fix+poti a 12V felé, az határtól-határig állítja a tápot, azaz 3-16V, vagy figyelni kell, hogy meddig szabad tekerni a potin?
Ha a potid pontosan 22k, akkor igen. Trimmerbe találtam 22k-sat, azzal 2,9-15V-ig lehetett állítani. Normál potiba csak 25k-sat tudtam venni, amivel 16,5V-ig ment a feszültség, de nem durrant a 16V-os pufferkondi.
Koszonom, nos most eppen meregettem a nyakot es a tl494 en az 5 voltal a 7 es 9es es a 10 es lab csatlakozik. A hibajel erositorol pedig a 12 es lab, mindegyik ellenalason keresztul! Akkor most melyiket kell kiszedni?
1-es lábat nézd
Ha a két rajz alapján nem tudod megcsinálni akkor kérj meg rá valakit a közeledben. Nem lehet az egész áramkör működését leírni hogy megértsd mert ahhoz oldalakat kellene írni. De ha végigolvasnád a topikot szerintem részletekben le van írva az egész.
Az első rajz az eredeti, a másik a módosított. A bal alsó sarokban van a segédtáp mindkettőnél, az lényegtelen hogy hogy néz ki, csak lássa el tápfesszel az IC-t (12-es láb). Feszültségszabályozásod úgy lesz, hogy az IC 1-es lábán van egy feszültségosztó, ami 2db ellenállás, egyik a földre megy, a másik a kimenetre. Átalakításkor a kimeneten lévő ellenállás helyére poti kerül, így állítható lesz a feszültség. Az IC 14-es lába a referencia, ott 5V van, ehhez képest szabályoz (a kimeneten lévő feszültséget hasonlítja össze a leosztott referencia feszültséggel ami a 2-es lábon van. Utóbbi ugye fix, az 1-es lábon pedig az éppen aktuális, kimenetről leosztott feszültség van. Ha ez magasabb akkor leáll a vezérlés, ha alacsonyabb akkor elindul, azaz szabályoz. Az árammal ugyanez az helyzet, a másik hibaerősítő 16-os lábára fix feszültséget juttatunk az árambeállító potival, amit összehasonlít az áramfigyelő söntön (0,05/4W) eső feszültséggel ami a 15-ös lábon van. Ha utóbbi magasabb leáll a vezérlés, ha alacsonyabb elindul (szabályoz). A 4-es lábnak földpotenciálon kell lenni, tehát vagy közvetlenül vagy egy kis értékű ellenállással a földre kell kötni (kivéve ha akarsz soft startot de felesleges). Kimeneti fojtóként a 4-ből azt a tekercset kell használni ami eredetileg a 12V-os ágon volt, tehát L1 előtt (kb. 3 centi átmérőjű gyűrűn vannak).
Köszönöm!
Alaposan átnézem a kapcsolást és olvasgatom majd a topikot, majd próbálkozom!
Üdv!
Ma alakítgattam a KA7500-as AT tápot, ahogyan írtátok is. Az 1-es lábáról volt egy ellenállás a föld felé, egy az 5V felé, és egy a 12V felé. Én a láb körül elvágtam a vezetősávot. Az 5V-os ágra csatlakozott még egy 5 lábú kis alkatrész, meg pár átkötés, és gondoltam lehet fontos hogy az eredeti ellenállásokon keresztül földhöz jussanak, ezért nem csak simán kiszedtem a gyári 3 ellenállást. Szóval úgy oldottam meg, hogy a 1-es láb körül körbevágtam a sávot,hogy a láb ne érintkezzen az ellenállásokkal, majd ráforrasztottam a lábra egy vezetéket. Erre a vezetékre a föld felé egy 4,7K a 12V kimeneti ág felé meg 1k+22k poti, ahogy a rajzon volt. Bekapcsoltam, és a poti középállásánál 12,2V-ot adott ki. Sajnos elég rossz huzallábas poti volt, és az a lényeg, hogy levált a poti lába a +12V kimenetről. A feszültség visszaesett 1,9V-ra, és elkezdett égtelenül zúgni a tápegység. Kikapcsoltam, visszaforrasztottam, beindítottam, és talán működött is addig amíg leolvastam a multit, de amint elkezdtem tekerni a potmétert, megint újrakezdte. Hiába ellenőriztem le a forrasztásokat, azóta így maradt. Valamit rosszul csináltam, vagy tönkre mehetett a táp? Igazából rég kaptam, és az se biztos hogy eleve működőképes volt, nem teszteltem. Másik kérdés, hogy érdemes szerintetek egy jobb minőségű, márkás ATX tápot venni direkt átalakításra? Jó volna egy nagy áramú 12V-os egység a műhelybe, mondjuk 8-10A-re. A hozzászólás módosítva: Jan 24, 2016
Idézet: „de amint elkezdtem tekerni a potmétert, megint újrakezdte.” Ez azért van, mert rossz a poti, és nem mindig érintkezik (az erősítőknél ilyenkor serceg). Venni kell újat. Szerintem nem érdemes venni, mert egyrészt nekem a 200W-os AT tápból kijött a 10A, másrészt nem biztos, hogy tl494 vagy KA7500-as IC lesz benne
Üdv! A potinak jónak kell lennie. Egy másik berendezésből szedtem ki, és tökéletesen működött.
Én attól tartok, hogy amikor levált a visszacsatolás, akkor romolhatott el valami. Vagy azok az alkatrészek, amik még az 5V-os ágban vannak, és továbbra is földelve vannak a gyári ellenállásokon keresztül, esetleg megbolondultak. Próbáltkozok megvariálni, de elég furcsa hibajelenség A tekerésnél nem konkrétan arra gondoltam, hogy pont tekerés hatására, csak hogy mire elkezdtem volna tekergetni, épp hozzáértem, már el is szállt.
Ha levált a visszacsatolás, akkor a kimeneten a fesz. megnőtt, és lehet hogy elszálltak a diódák és az elkók.
Nálam attól is megbolondult, ha hozzáértem a poti egyik lábához, mert összeszedte a zavarokat.
jaaaa, én is hozzáértem fém csavarhúzóval
Most ez is baj?Akkor az a lényeg hogy kukás Majd szerzek egy másikat és azzal próbálkozok.Köszi a segítséget
Az enyémnek nem lett tőle baja, de hangosan elkezdett ciripelni.
Nem biztos, hogy kuka. Ha a potit beállítod középállásbaés után adsz rá áramot, elindul a táp, ? Van rajta valami terhelés? Ja és a túlfeszültségtől a venti is elfüstölhetett.
Venti nincs rajta.
Terhelés se, csak a multiméter. Az enyém is hangosan ciripelt, aztán egy idő után mikor elvettem a csavarhúzót, nem hagyta abba a ciripelést. Azóta ilyen. Majd kipróbálom este fix ellenállásokkal, de ha úgyse jó, inkább nem kezdem el szétszedni, lehet alapból se működött |
Bejelentkezés
Hirdetés |














Most ez is baj?
Majd szerzek egy másikat és azzal próbálkozok.




