Fórum témák
» Több friss téma |
Kipróbálhatod 100 - 200 kOhm/2W -os ellenállásokkal is. Éppen ebben a topikban javasoltam már az NTC használatát, de ez nem biztos, hogy nálad eredményre vezetne éppen az irányváltások miatt mert pár másodperc alatt nem hűlnek ki. Bár lehet, hogy a kondenzátorokkal sorbakötve egy-egy megoldás lehet. Mindenképpen jó lenne kideríteni, melyik fázisban fagy le a PIC, mert úgy sokkal könnyebb lenne tanácsot adni. Persze az is lehet, hogy a módosítások után megszűnik a probléma.
Ezt a topikot visszaolvasván,az itt javasoltakból is alkalmazok párat ( külön táp;optos leválasztás;táp trafónál fojtó+vdr;100nF kondi mindenhova;stb ). 100-200Kohmot azt ráteszem majd. Amúgy a kifagyást,lehet a próbapanelos összerakás is okozhatja,nem? A sok kesze-kusza kábel...
Most egy fullos összerakást szeretnék megpróbálni,hogy úgy mit mutat majd. Mert pl. a 12 V-ot eddig labortápról kapta és az 5 voltot is egy külön tápról,közös földel. Amúgy mit gondolsz a programról? Jó úgy ahogy megírtam? Egyszerűbb,jobb javaslat?
A programról nem tudok nyilatkozni, nem ismerem ezt a nyelvet. Lehetséges, hogy a próbapaneles összeszerelés okozza a problémát. Ha ott viszonylag jól működik, csináld meg hozzá a NYÁK-ok és ismét tesztelgesd. Volt már olyan kapcsolásom, ami csak a harmadik panelen működött tökéletesen. Ezt hívják fejlesztésnek és tanulásnak.
Szia
Nekem is volt fagyás problémám amit a watchdog bekapocsolásával sikerült kiküszöbölni, volt egy LCD kijelzöm és azon lehetett látni hogy megvadul a pic. Azota hogy bekapcsoltam a watchdogot, megszünt mid a kijelző hiba mind a kifagyás. Kb 4 másodpercre sikerült kitolnom a watchdog-ot és így tudtam a belső időzitőt is használni.
Szia!
Köszönöm az ötletet,de sajnos csak akkor tudom alkalmazni,ha ezt a funkciót a parsic-ban is be lehet kapcsolni valahogy. Sajnos annyira nem vagyok benne a programozásban,így én csak a parsic-al tudok programozni.
Hát akkor kérj itt segítséget mert én pedig csak folwcode-ban írogatom a programjaimat és a watchdog-otis csaka forumosok segítségével sikerült bekapcsolnom.
Énse vagyok egy nagy programozó de miotatudomhogy vana watchdog, azota mindig beteszem a programomba és akkor nem tudok hibázni.
Sziasztok!
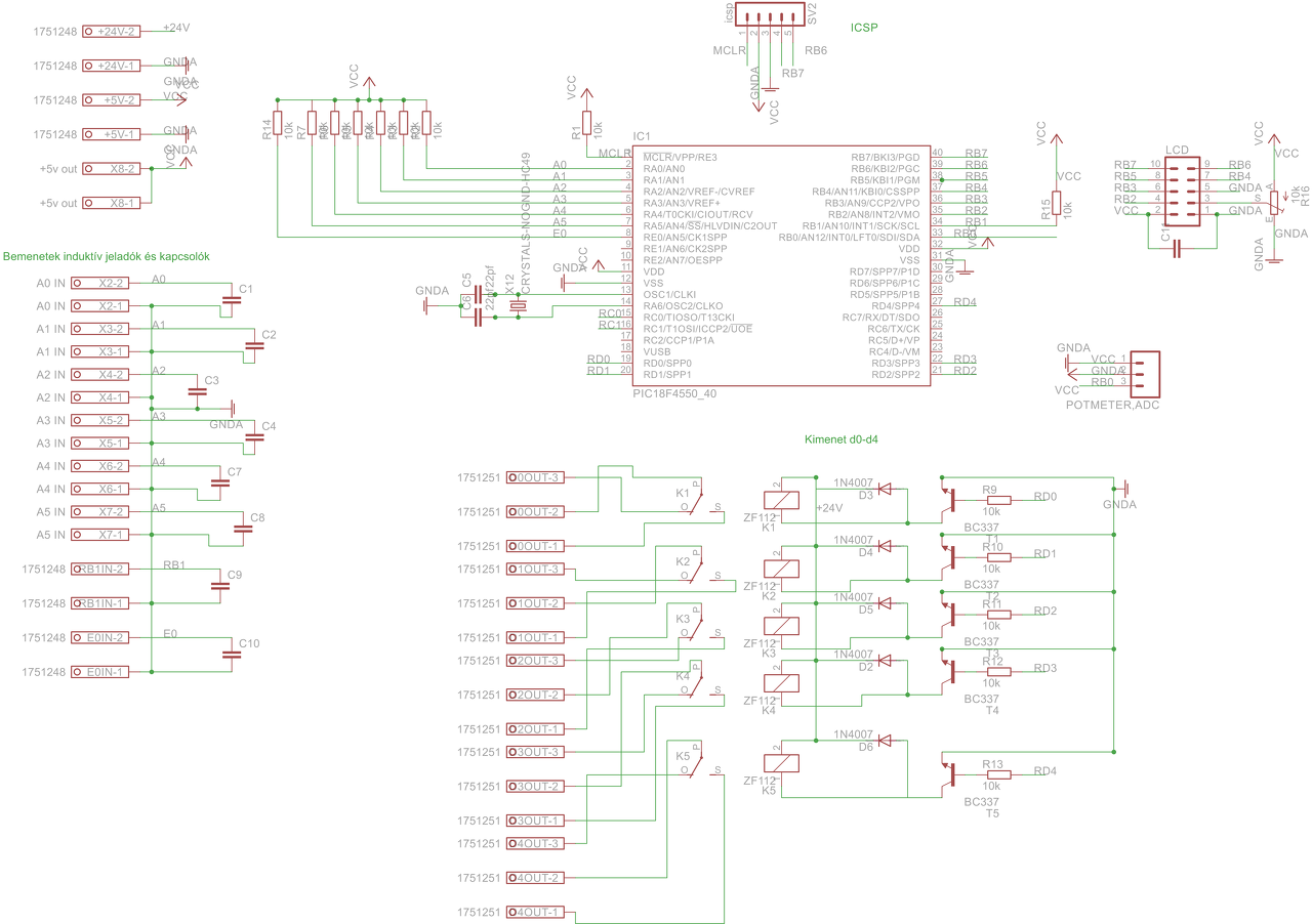
Segítségeteket kérném a következőben. Építettem egy levegős fúrógép vezérlést. A bemenetekre induktív érzékelők adják a jelet, a kimenetek 24 v-os reléket kapcsolgatnak. A tápot egy ipari 5/24 v os kapcsolóüzemű táp biztosítja, de a jelenség, hogy műhelykörülmények között újraindulgat, főle a mágneskapcsolók működésére reagálva, de ritkán magától is resetel, illetve van hogy meghűlyül az lcd is, de akkor csak a kijelző, a pic fut tovább. Felteszem a kapcsolási rajzot, hátha van ötletetek!
Ne csodálkozz, több alapvető tervezési szabályt nem tartottál be:
- nincsenek a kontroller közvetlen közelében tápszűrő kondenzátorok. Mindkét oldalra a Vdd és a Vss lábakhoz 100nF kerámia kondenzátort kell kötni, - az LCD táp és föld lába közé is 100nF kerámia kondenzátort kell kötni, - a kontroller alatt a Vdd és a Vss lábakat vastag vezetékkel össze kell kötni (nem megengedett, hogy a tokon belül az azonos potenciálú táplábak között áram folyjon), - a MCLR lábnál levő diódát vedd ki, tegyél a helyére átkötést, - a táp és a föld vezetékeket vastag (legalább 1 mm) vezetősávval kellett volna bekötni, - a relék tekecsének áramát ne vezesd át a panelon, a föld vezetéket közvetlenül a tápegység föld pontjához kellene bekötni. A hozzászólás módosítva: Júl 8, 2015
Hp41C hozzászólását még azzal egészíteném ki, hogy a csillagpontos földelési topológia teljesen hiányzik a paneltervről. A GND vezetősávokat nem lehet csak úgy találomra vezetgetni, fefűzögetni. A dióda viszont szükséges az ICP miatt, azzal szerintem nincs baj.
Idézet: „A dióda viszont szükséges az ICP miatt, azzal szerintem nincs baj.” Van. Nem írom le újra, itt meg kell nézni a dióda szót tartalmazó hozzászólásokat: Link
Én még nem találkoztam ezzel a problémával, de hiszek. OK.
Nagyon köszönöm, nem si gondoltam volna, hogy ilyen gyors segítséget kapok tőlletek. A pic táplábain ott vannak a 100nf kondik, csak nem szoktam betervezni, mert közvetlen a lábakra forrasztom be a panel hátulján. Az lcd lábaira természetesen ráteszem.
A pic táplábaid egyszerűen kössem össze vastag vezetékezéssel a nyákon? Az Mclr-ről leveszem a diódát, az lehet hogy az okozza a galibát csak olyan nagy a vite-e téren, hogy kell-e vagy sem. Egy sima 10k-val fel +5-re és kész. Nem lessz gond a programozással? Készítek egy új tervet és felrakom nemsokálra, kíváncsi vagyok a véleményetekre gyártás előtt! Még egyszer köszönöm!
Módosítottam pár dolgot, gyártás előtt kíváncsi lennék ti milyennek látjátok? Mit és hogy csináljak másképp a stabil működés érdekében?
Mondjuk azt nem értem, minek bele 10-20A relé, ha a csatlakozóra kivezetés 0,5A-t sem tud. Semmibe sem kerülne mindenütt normális vezetősávokat használni.
A relére a válasz egész egyszerűen, hogy ez volt kéznél és én nem látom hátrányát, mindemellett lehet, hogy ez csak a tudatlanságom. Tehát ha van bármilyen hátránya a reléknek, egyszerűen kicserélem őket. Okoznak ezek problémát az adott áramkörben? A vezetősávokkal mi a probléma?
Sajnos az új áramkör is ugyanazokat a jelenségeket mutatta, de miután egyszerűen átkötöttem minden mágneskapcsoló + , - ágát egy 1n4007-el, teljesen megszűnt minden hibajelenség! Ezt csak azért írom le, hátha valakinek van hasonló gondja...
Kedves fórum társak!
Ismét a segítsségeteket szeretném kérni! Készítettem kettő darab automata gépet, PIC vezérléssel. Az egyik csak be lett üzemelve, a másikat viszont napokon át teszteltem. Teljesen hibátlanul működött. Tegnap délután, már a munkaidő végére elkészítettek a géphez egy szerszámot, amit még ki kellett próbálni. Az addig hibátlanul működő gép teljesen megzavarodott. Eleinte csak kihagyott fázisokat, majd összeomlott a kijelző képe, végül teljesen lefagyott. Újraindítás után egy darabig ment, majd újra jöttek a hibák. Végül még a programot is újra kellett tölteni a PIC-ben. Eddig még okés is lenne a történet, hiszen bármi meghibásodhat, csakhogy a másig gép is pontosan ugyanezeket a tüneteket produkálta. Ezért nem tudtam másra gondolni, mint hogy a hálózati feszültség a terhelés hiányában megváltozott. Rámértem egy digitmultival, aminek köztudottan lomha a mintavételezése, és a hálózat 229V és 242V között ugrált. Szerintetek okozhatta-e ez a hibát, és ha igen, hogyan lehet ellene védekezni? A PIC tápegysége egy 230/5V-os elvileg stabilizált, kapcsolóüzemű táp. Lehetséges, hogy ezektől a kilengésektől nem működik megfelelően? Müszerrel nem tudtam az 5V-os részén ingadozást mérni. Kérlek, segítssetek!
Alapvetően át van kapcsolva bemenetnek, és bár nincs használatban, 1Kohm-al fel van húzva tápfeszre.
Idézet: Lehet, hogy a szerzám kelt olyan zavarokat (pl. elektromágnes), ami a hibát kiváltja. Egy fénykép esetleg kapcsolási rajz segítene kideríteni a hiba okát. Így, hogy semmit nem tudunk, csak tippelgetni lehet, azt is csak a levegőbe... „elkészítettek a géphez egy szerszámot, amit még ki kellett próbálni. Az addig hibátlanul működő gép teljesen megzavarodott.”
A szerszám, egy egyszerű profilozó gőrgő. A hiba megjelenése után édes mindeggy volt, hogy terhelten, vagy üresben ment a gép.
Ami a kapcsolási rajzon nem szerepel: Minden relén van visszacsatoló dióda, és RE3 fel van húzva tápfeszre. A hozzászólás módosítva: Dec 5, 2015
Sajnos a panelen és a kapcsolási rajzon sem látszanak a tápfeszültésg hidegítő kondenzártorok. Továbbá az sem látszik, hogyan van bekötve a PIC lét - két Vdd és Vss lába. Jó lenne egy fénykép a forrasztási oldalról is.
A hozzászólás módosítva: Dec 5, 2015
Ennél jobb ábrát jelenleg nem tudok feltölteni, de talán így is látszik a lényeg. A 100n-os kondi a PIC alatt van közvetlenül a táplábakon.
Közvetlen a táp bekötési pontján is van 100nano. A dióda utáni rész, az ellenállás, valamint az a téglaalap nincsen beültetve, csak egy átkötés van. Eredetileg egy DC/DC konverter került volna oda, mert 24V-os tápra terveztem. De végül 5V-os tápot kapott. A dióda után is van 100nano.
Szia!
Próbáld meg a gép földelését és az 5V negatívját egy 2.2nF 1000V-os kondival összekötni.
Ezt ugyan 100nF-al próbáltam, de az nem vált be. Viszont ennek kapcsán az jutott eszembe, hogy az egyik frekvenciaváltót analóg jellel vezérlem, közvetlenül a PIC-ről egy 220 ohmos ellenálláson keresztűl. Ezért a frekvenciaváltó 0V-os kimenete, és az 5V-os táp negatívja össze van kötve. Sajnos nem találtam olyan megoldást a galvanikus leválasztásra, ami a 0-5V-os kimenetet rendesen továbbította volna.
A tápfeszültségre érdemes rakni egy LC szűrőt, annak a kimenetére pedig egy 10 - 22 µF-os kondenzátort. Az egész panelt egy fémdobozba (lehetőleg vas), ami nem érintkezik a gép földelésével és a kapcsolóüzemű tápegység sincs benne. A bemeneteken nem sok zavarszűrés van. Pl a "Frekiváltók" bemenet elég szép zavarforrás lehet, lévén a frekvenciaváltók termelik azt rendesen. Az odavezető kábeleket is érdemes árnyékolni, különben egy nagy antennaként tudnak viselkedni. Ez érvényes lehet a "Pedál" és a "Leszorító" bemenetre is.
A hozzászólás módosítva: Dec 5, 2015
Közvetlenül a tok két oldalán levő Vdd és Vss párokhoz tegyél egy-egy 100nF kerámia kondenzátort. Az SMD1206 vagy 0805 elfér a két léb forrszeménél. Ezenkívül kellene még egy 10 .. 47µF tantál is a Vdd és a Vss közé. Nézd végig a Vss ill. Vdd hozzávezetést! Nem vékonyodik el valahol?
A PIC mennyire szereti, ha a lábaira forrasztok? Ugyanis a panel másik oldalához nem lehet hozzáférni. előtte van a kijelző. A táplábakhoz vezető legvékonyabb fóliacsík 0,8mm.
A hozzászólás módosítva: Dec 5, 2015
A foglalatot az alkatrész oldalról is be kell forrasztani egy nem furatfémezett panelen...
A panelt nem én készítettem. Úgy gyártattam. "Hivatalosan" furatgalvanizált.
|
Bejelentkezés
Hirdetés |

















