Fórum témák

» Több friss téma
Fórum » PC táp átalakítás
 
Témaindító: kand, idő: Nov 13, 2005
Lapozás: OK   170 / 200
(#) gerleimarci válasza siletto hozzászólására (») Dec 5, 2015 /
 
Legalább egy autó izzót rakj terhelésnek.
(#) siletto válasza gerleimarci hozzászólására (») Dec 5, 2015 /
 
De a feszültségnek se kellene megjelennie terhelés nélkül legalább rajta?
(#) gerleimarci válasza siletto hozzászólására (») Dec 5, 2015 /
 
Van olyan táp, ami nem indul el terhelés nélkül. Én eddig a dell tápoknál láttam ilyet.
(#) siletto válasza gerleimarci hozzászólására (») Dec 6, 2015 /
 
Sikerült valamennyire a művelet Visszatettem a gyári ellenállást mindenhová, működött rendesen autóizzóval.
Azután a gyári 1-es láb-föld ellenállást kivettem, helyettesítettem 4,7K-val, az 5V ellenállását kivettem, a 12V ellenállása helyére meg két vezetékre az ellenállás és poti.
Így végül is megy minden vágdosás nélkül. Nem volt 22k potim, csak 10k, ezzel 3-8.5V-ig lehet állítani a feszültséget.
Valami miatt ha ugyanezt a 55W-os autóizzót teszem az átalakított tápra 8.5V-ra, akkor lekapcsol, viszont 1Ohmos ellenállással tökéletesen működik.
(#) gerleimarci válasza siletto hozzászólására (») Dec 6, 2015 /
 
Azért mert a hideg izzónak kicsi az ellenállása, és ezért induláskor rövidzárként viselkedik. Nekem is csak úgy hajlanó elindulni, ha letekerem 3V-ra, bekapcsolom (éppen parázslik az izzó), és utána tekerem fentebb.
(#) todyor hozzászólása Dec 11, 2015 /
 
Hali!
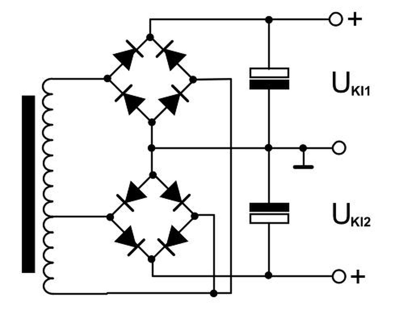
Ha a kimenetet így csinálom meg(rajz), működik ez az elképzelés (kétféle kimenő feszültségre, közös földdel)? A visszacsatolás (szabályzás) a nagyobb feszültségű kimenetre lenne kötve.
A hozzászólás módosítva: Dec 11, 2015
(#) todyor válasza todyor hozzászólására (») Dec 16, 2015 /
 
Bocs, ez így egy marhaság!
A hozzászólás módosítva: Dec 16, 2015
(#) Mircsof hozzászólása Dec 16, 2015 /
 
Sziasztok!
Szükségem lenne egy ki segítségre. Csatolok egy videót, gondolom érthető, hogy a sípolás recsegés a probléma.
Ott tartok az átalakítással (az itt található cikk alapján), hogy a 4. Láb felhúzó tagjait kivettem, így az GND t kapott, itt egy dióda volt csak szerencsére.
Ezután jött a 4. láb, itt volt egy átkötés vezetett az 5V-ra ezt átkötöttem 12-re feszültség leesett, ekkor kapott 22K potit az 1-es láb és a GND közé ezzel állítható lett a feszültség.
Amiben nem vagyok biztos, hogy a 12V helyesen lett-e bekötve. Mivel volt egy átkötés az 5V ra ez igaz, viszont a 12V-hoz alapból ment egy ellenállás az IC első lábától.
Akkor most az én átkötésem felesleges, és az okozza a bajt, vagy azt az eredeti ellenállás is ki kéne kötni?
Minden segítséget szívesen fogadok.
(#) Latya válasza Mircsof hozzászólására (») Dec 16, 2015 /
 
Elég érthetetlen amit írtál.

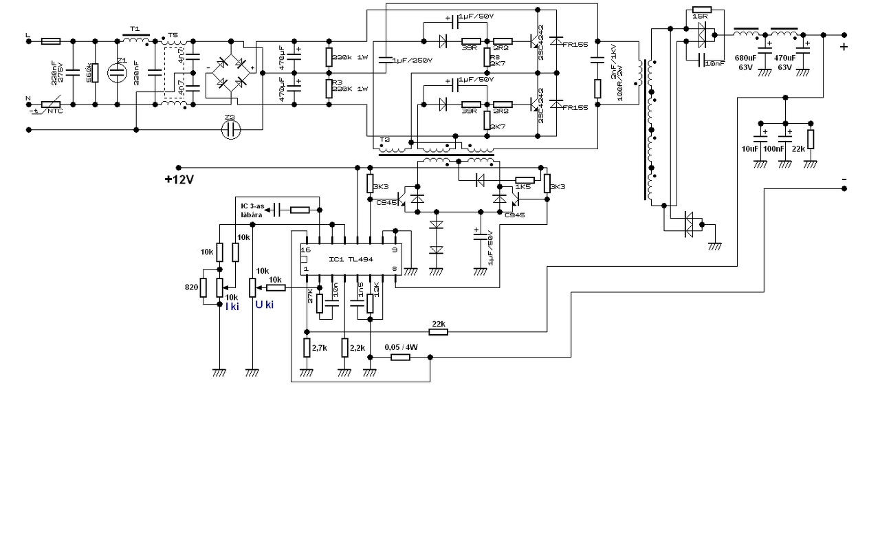
1. Nem tudjuk milyen IC van benn. Gondolom (TL494 vagy kompatibilis)
2. Az "Ezután jött..." részben ugye 1-es lábat akartál írni?!
3. Fix állítható feszt kötöttél az 1.-es lábra? Miért?
2. Hol marad a 2-es láb? (1-est nem szokás szabályozni, mert az a kimenetre megy és attól nem lesz lineáris a szabályzás)
(#) todyor válasza Mircsof hozzászólására (») Dec 16, 2015 /
 
4.lábra semmi más, csak az eredeti ellenállás, ami a testre köti. Védelem így kiiktatva. Vigyázat, túlterhelés, rövidzár esetén ekkor már elpusztul a táp!
1.es láb testre az eredeti ellenállással(vagy ellenállásokkal, amik párhuzamosítva vannak). Az 5V-ra menő ellenállást kivenni. A poti egyik lába az 1.es lábra, a közepe és a másik láb összekötve a +12V kimenetre.
Az egy stab IC ott? Funkciója mi?
(#) Mircsof válasza Latya hozzászólására (») Dec 16, 2015 /
 
1. Igen TL494 van benne
2. 4. láb egy ellenálláson keresztül GND-re lett kötve, de az ott levő 2,2µF kondenzátort meghagytam.
3.
Idézet:
„Az 1-es láb feszültség osztójának az alsó tagjaival párhuzamosan rakunk egy 22K trimmert (a trimmert ellenállásként használjuk, tehát elég csak az egyik szélső és középső lábát bekötni, vagy valamelyik szélsőt összekötni a középsővel).”

Ez volt a cikkben, szóval én eszerint jártam el.
Kettes lábat nem bántottam, mivel már itt valami nem volt jó, így nem haladtam tovább.
(#) todyor válasza Mircsof hozzászólására (») Dec 16, 2015 /
 
A 2.lábat nem kell bántani, arra a referencia feszültség van beállítva. Ehhez "viszonyít"-ja a kimeneti feszültséget, és így szabályoz. A kondit jó volt bennhagyni, mert az meg a lágy indításhoz kell.

Még valami:
Érdemes ezt többször elolvasni, és amennyire lehet, megérteni. Akkor világosabb lesz a működése, és az átalakítás is tudatos lesz.
A hozzászólás módosítva: Dec 16, 2015
(#) Mircsof válasza todyor hozzászólására (») Dec 16, 2015 1 /
 
Hát igen. De ehhez sokkal több angol tudás kéne, mint ami jelenleg van :S Ha érteném a teljes működését akkor valószínű nem kellene a segítség.
De mivel még az adatlapon talált képletet sem sikerült levezetni, hogy megtudjam, hogy az 5-6. lábon levő 1n, és 18k értékekkel mekkora frekin megy, addig inkább hallgatok és próbálom értelmezni a segítő szándékú válaszaitokat
Egyébként valamit sikerült elérnem, kivettem a 12V hoz tartozó eredeti ellenállást, meg egy másik értékét is az itt javasolt átalakításban szereplő értékhez igazítottam. Így most már 2V a minimum 6V helyett, de még mindég nyekereg.
Körülnézek a kettes láb környékén, lehet ott van valahol a hiba.
A hozzászólás módosítva: Dec 16, 2015
(#) todyor válasza Mircsof hozzászólására (») Dec 16, 2015 /
 
A 2.lábra 2,5V referencia feszültséget szoktak beállítani. Úgy, hogy a 14.lábra kötnek egy ellenállás osztót a test felé. Ha mindkét ellenállás pl. 4,7k, akkor a középső kivezetésükön 2,5V lesz, amit a 2.lábra kötnek. A 2. és 3. láb közötti ellenállás-kondi párost bent kell hagyni, mert a stabilitáshoz kell. A kimeneti feszültséget egyébként 0V-ra nem igazán szokták levinni.
(#) Poli válasza Mircsof hozzászólására (») Dec 16, 2015 /
 
Szia! Ugyan elég régen foglalkoztam vele, de egy két tippet lehet, hogy tudok adni.
Mérj egy feszültséget a Vref(14)-es lábon, ha 5V akkor jó, de ha csak 2,5V akkor borul minden ami a leírásokban van (a TL494-nek létezik egy Vref=2,5V amivel nálunk csak kevesen találkoztak)
(#) Mircsof válasza Poli hozzászólására (») Dec 16, 2015 /
 
13-14-15 mivel mind össze van kötve 4,97V mérhető rajtuk.
(#) Poli válasza Mircsof hozzászólására (») Dec 16, 2015 /
 
Eddig jó.
(#) Poli válasza Mircsof hozzászólására (») Dec 16, 2015 /
 
Most néztem a videót, az a barnás színű izé az antenna Ha azzal a dróttal van bekötve a poti akkor tényleg az. Minél rövidebb és árnyékolt kábellel kell bekötni. A zizegés általában csak dobozolás után tűnik el teljesen.
(#) Poli válasza Poli hozzászólására (») Dec 16, 2015 /
 
A táp ebben a megbontott formájában nagyon érzékeny a különféle zavarásokra.
(#) todyor válasza Mircsof hozzászólására (») Dec 16, 2015 /
 
Tehát a tiéd 5V-os referenciát használ. A 15.láb 5V-on, a 16. pedig testre. Ez így jó. A 15-16.lábak a 2. hibaerősítő bemenetei. ezt az ilyen tápok nem használják, ezért vannak ilyen módon "hatástalanítva". A rajzon, amit belinkeltél, az egy labortáp-os átalakítás, és ott már használják áramkorlátozásra. Ugyanúgy, mint a fesz. szabályozásnál. Söntön(0,05 ohm-os) ellenálláson eső feszültséget hasonlítják a beállított referencia feszültséggel.
(#) Mircsof válasza todyor hozzászólására (») Dec 16, 2015 /
 
Igen így van 16. testen van. A gond a fránya nyekergés mikor a kimeneten csökken a feszültség. 11-20V között nem nyekereg, csak alatta, jelenleg 2,6V a minimum és 20V a max érték, ahova állítani lehet. Az áram szabályozása nem is annyira lényeges egyenlőre. Csak szeretném megérni kicsit, hogy miért is csikorog a trafó, és hogy el lehet-e hallgattatni?
(#) Mircsof válasza Poli hozzászólására (») Dec 16, 2015 /
 
Mindjárt eltüntetem azt a vezetéket hátha akkor változik valamit a hangja.
(#) Poli válasza Mircsof hozzászólására (») Dec 16, 2015 /
 
Egyébként, ha ezt az átalakítást akarod megvalósítani, akkor gyomláld ki nyugodtan a panelt, a plusz alkatrészek zavaróak is tudnak lenni. Egy pár hsz-el a tied előtt Ge Lee is erre a kapcsolásra adott tanácsot, érdemes lenne azt is átnyálazni.
(#) todyor hozzászólása Dec 16, 2015 /
 
Még annyit, hogy a PC tápok főként a nagy áramú kimenetekre (5V, +3,3V-ra) vannak kihegyezve. Ezekhez állítják be az ellenállás osztásokkal a referenciafeszültséget, és a teljesítménytranzisztorok működéséhez az optimális kitöltést.
Kicsi kimenő feszültségre leszabályozva már többnyire csak erőlködik a vezérlés, és a minimálisra szabályozott PWM-mel már a bizonytalan ki-be kapcsolgatás is hallható lesz a trafón. Másrészt a potival történő szabályozásnál a hosszú vezeték külső zavarokat vehet fel árnyékolás nélkül, és ezt az érzékeny hibaerősítő énekkel hálálja meg. Érdemes kis értékű zavarszűrő kondival hidegíteni az 1-es lábat. Pl. 100n-val testre kötni a láb közelében.
Ha széles határok között szabályozható tápot szeretnél, kipróbált, működő labortápoknál szereplő értékű alkatrészekkel ültesd körbe a 494-et.
A hozzászólás módosítva: Dec 16, 2015
(#) sector99 válasza todyor hozzászólására (») Dec 17, 2015 /
 
Például erre gondolsz ?
(#) todyor válasza sector99 hozzászólására (») Dec 17, 2015 /
 
Igen, ez is jó például, de az is amit belinkeltél, mert szerintem az is ebből van. És van még néhány "után építés" ennek alapján. Egyszerű, csak egy kicsit végig kell gondolni, és máris érthető. Ha nem akarja az ember az áramkorlátot vezérelhetővé tenni, lehet fixen is megcsinálni. Vagy az egészet fix feszültségre, fix áramkorlátra, és mehet is az erősítő róla. Persze ha nem elég a kimenő feszültség így, akkor a trafóhoz is hozzá kell nyúlni.

Azért még valami.
Ahhoz, hogy ilyen letisztult helyzetbe hozzuk a tápunkat, igen nagy tisztogatásba kell kezdenünk, és ennek áldozatul eshet a segédtápunk is. Pedig az kell a 494 működéséhez. Tehát alaposan átnézve, ha van kapcs.rajz, annak alapján pucoljuk ki a feleslegesnek vélt alkatrészeket. Ha pedig nem vagyunk biztosak valamelyikben, inkább csak az egyik lábát forrasszuk ki, hogy vissza rakhassuk a helyére, amennyiben nélküle nem működik a táp.
A hozzászólás módosítva: Dec 17, 2015
(#) Mircsof válasza todyor hozzászólására (») Dec 17, 2015 /
 
Jó ez a táp átalakítás, csak alacsony feszültségnél nyekereg most már, ami nagyon zavar.
Lehet igazad van és jobb lenne külön vezérlést építeni, vagy olyan labortápot keresni, ahol sok alkatrészt, köztük a 494 et is fel tudom használni.
Szerintem elnapolom ezt, és keresek valami kevésbé "összetákolt" elképzelést.
Köszönök mindent.
(#) sector99 válasza todyor hozzászólására (») Dec 17, 2015 /
 
Köszi a részletes magyarázatot. De ha már itt tartunk erről mi a véleményed ?
(#) todyor válasza sector99 hozzászólására (») Dec 17, 2015 /
 
Ge Lee véleményével egyetértek. Persze valamilyen kijelzés hasznos, ha van a tápon. Az viszont megoldható jóval egyszerűbben is. Két kicsi kínai 3 digites kijelző, meg ez-az és kész.
(#) sector99 válasza todyor hozzászólására (») Dec 17, 2015 /
 
Köszi !
Következő: »»   170 / 200
Bejelentkezés

Belépés

Hirdetés
XDT.hu
Az oldalon sütiket használunk a helyes működéshez. Bővebb információt az adatvédelmi szabályzatban olvashatsz. Megértettem