Fórum témák
» Több friss téma |
Van arra magyarázat, hogy nemrég 1,25V-ot mértél a kimeneten, holott ilyen a két 0V-os pont között nem jöhetne létre?
Az erősítő amúgy teljesen rendben lévőnek néz ki, adj rá jelet más forrásból!
Így jó. A szubszűrőt kell átnéznem. A SUB- lekötöttem a javaslatodra. Ezt nem lehet közösíteni úgy esetleg ahogy sztereót monóra?
Nem lehet és értelme sem volna mert a SUB+ és a SUB- maradéktalanul kioltanák egymást.
Szia!
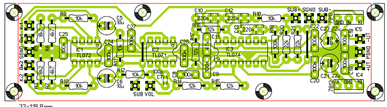
Megnéztem a szűrőt is. Próbánál amikor adom rá a hangerőt elkezd torzítani a hangszóró. Egy Videoton HA31-422 8 Ohm-s mélynyomó a vége. A felhasznált IC-k NE 5532, LF 356, TL 064. Ha a NE 5532 kimenetéről hajtom nincs vele gond. Másik szubszűrőt tegyek bele? Mellékelem a nyákot + beültetést. Köszönöm a segítséget.
A TL071 3-as láb csak úgy lóg a levegőben?
Szia!
Ez volt a forrás (ha jól látom testen kéne lennie): A hozzászólás módosítva: Dec 29, 2015
Bizony ám!
A hozzászólás módosítva: Dec 29, 2015
Ollé! Ez okozhatja a hibajelenséget? Ha jól emlékszem Alkotó kolléga tervezete ez e nyák. Az én hibám, hogy nem néztem át tüzetesebben. Már javítom is.
Köszi A hozzászólás módosítva: Dec 29, 2015
Folytasd a NYÁK ellenőrzését, én nem vittem végig.
Sziasztok!
Mostanában - mivel pihenő van - kicsit jobban hajtom az erősítőm. És érdekes módon mikor elérne egy bizonyos basszust az éppen aktuális zene, a védelmem tápja mintha eltünne. 2xTDA7294-es erölködő, BSS féle védelemmel. A tápfesz +-36V, oldalanként a puffer 14100uF, tehát összesen 28200uF. (6x4700). A védelem a végfokok tápjáról táplálkozik. Lehet hogy kevés a puffer? A hozzászólás módosítva: Dec 29, 2015
Sziasztok! Lassan elkezdeném éleszteni a végfokot, hogyan csináljam? Kössek be mindent, (a sub potit is belerakjam, vagy hagyjam ki belőle?) kössek rá valami lehetőleg kevésbé jó hangfalat, aztán hajrá?
Szia! A szub poti helyét zárd rövidre! Az élesztés általános leírását keresd meg, az ide is jó lesz.
Üdv!
Tda 7294 alkalmas 2.1 hangrendszer készítésére? Esetleg valakinek van kapcsolása hozzá?
Rendben köszönöm! Holnap felszerelem a bordázatot, illetve holnap fogom éleszteni. Olvastam, hogy esetleg jól jöhet egy dimmer, hogy kezdetben kisebb feszültségről menjen a szerkezet, illetve, azt is, hogy az elején célszerű a biztosíték helyére 10R 1W-os ellenállást betenni, illetve a kimenetre, valami leharcolt hangfalat tenni, hogyha gond van akkor ne a rosszat repítse el. A dimmeres dolgot nem nagyon tudom megoldani, anélkül is el lehet kezdeni az élesztést?
Ebből veheted a vonatkozó részeket.
Szuper, köszönöm szépen!
Sziasztok!
Köszönöm a segítséget. A TL 064-s repült, helyette találtam egy 074-t => csere és úgy tűnik jó lesz.
Sziasztok! Összeraktam a végfokot, a front 1 panel rendben is működik, viszont a front 2 meg sem szólal. Az Ic lábait ha a multiméterrel megkocogtatom akkor azt hallani a hangfalba is. Merre keressem a hibát?
A végfok nem szól, vagy az előfokból nem jut rá jel?
A végfok 1uf-os kondija a bemenete, annak a lábát ha kézzel megérinted, akkor zúgnia kellene a végfoknak. Célszerű lehet megmérni a végfok IC tápfeszültsége rendben megérkezik-e, illetve a kimeneten van-e egyenfeszültség.
Keress hiányzó átkötést!
szerintem az előfokról nem jut rá a jel, áthidalásból nincs hiányzó az 1µF-os kondihoz hozzáérve zúg a hangfal. Egyébként azt vettem észre, hogy elég zajos a végfok, de az xlr csatlakozótól, meg a potikhoz szalagkábel viszi a jelet. azokat cseréljem le és akkor megszűnik? Vagy a Pgnd-vel AK28 lábát kössem össze a csatlakozó testével?
M: A nem működő végfok potijának lábát megfogva búg. MM: tápfeszültség a 13-as és 7-es lábakon -24.3V A hozzászólás módosítva: Dec 31, 2015
A jó csatornánál is azt tapasztalod, hogy a végfok 1µF kondiját megérintve zúg? A műveleti erősítő alacsony kimeneti impedanciája miatt elég érzéketlennek kéne lennie.
Ha találsz ilyen jellegű eltérést, azért nem ártana kicsipogtatni az NE5532 7-es illetve 1-es lábától a kondihoz futó vezetést. Javaslom fotózd le a panelt a bekötésekkel! Ebből az erősítőből már kettőt is építettem Bővebben: Link, Bővebben: Link, a szalagkábeles jelvezetés egy szemernyi búgást sem szed össze.
Sziasztok! Megcsináltam ezt az erositot , az elejen meg mukodott is, de egyszer csak kifustolt. Nem csinaltam vele semmit, csak bekapcsoltam. Es most az lenne gondom hogy nem megy, a kondenzatorokat ujracsereltem es az erositot is, es amikor elesztettem villanykortevel, es akkor meggyul ha rakotom a hangszorot, piezonal nem gyul meg, de nem szol. Mar mindent megneztem, de nem latok hiat. A nyakon eszre vettem fekete sikot, a kepen pirossal jeloltem. Nemtudom mi lehet a baja?????? V8laszotokat elore is koszonom.
Szia! Fényképezd le az alkatrész és a forrasztási oldalt!
A jó csatornánál az 1µF-os kondit megérintve nem zúg jobban, de nem is hallgat el. Hallani, hogy fogdosom, de nem változik a zúgás mértéke.
A méretek miatt külső tárhelyre tettem fel képeket, remélem működik. képek |
Bejelentkezés
Hirdetés |















