Fórum témák
» Több friss téma |
Fórum » Csöves erősítő készítése
Ne feledd betartani a fórum viselkedési szabályait, és a topik megmaradásának feltételeit. [link]
A téma átmenetileg fagyasztva lett, hozzászólni nem tudsz!
Szép lesz. csak azokat a trimereket màr nem tenném ide ha netàn menet közben kontaktos lessz az többe fog kerülni mint most négy uj trimer!
A segítségeteket kérném. Csöves riaa korrektort szeretnék építeni. Tudom a google jó barát, viszont nagyon sok a találat. Tisztelettel kérdezném az tapasztalt kollégákat, hogy mi az ami nem horror ár az elkészítés szempontjából. A csövek amik rendelkezésre állnak: 6N7C, 6N8C, 6N9C, E88CC, ECC81, 82, 83, 85, EF86. Kinek milyen kapcsolás jött be, milyen trükkök vannak?
A hozzászólás módosítva: Dec 27, 2015
Ezvolt fiókba. Hozzá sem lehet férni. Fura a terv. Nemfér el semelyik felülről csavarható, kék helitrimmer. Kapcsolásban azvan. Sehogy nempasszol az oda. Sok ott az áram, a furatok közt kicsi a hely.
DJcaveman: ecc88-ból hány darabod van? CIROKL: Elfér, csak fura, mert 2W kellene oda. A háromlábú kék heli meg fél watt sincs. A hozzászólás módosítva: Dec 27, 2015
Màr hogyne férne el .ebből a panelből màr többet is kreàltam és biztan àllitom hogy elfer ott barmi.
Vegcsovek katodjaban levo trimer beallitas idejet sem fogja elviselni!
Üdvözletem!
Egy elég komplikált problémával állnék elétek. van egy gmi-90-es Impulzusmodulátor tetródám és szeretnék egy hangfrekvenciás erősítőt készíteni belőle. nem a teljesítménye érdekel és nem a szép hangzása hanem valami szokatlan, egyedi készítése és megértése, valamint a kihívás. nézelődtem a neten de nemigazán találtam semmilyen erre vonatkozó cikket/segítséget. Persze lehet hogy rosszul kerestem de szeretném a segítségeteket kérni ebben További szép napot és köszönöm!
Ez a cső is csak olyan mint a többi, ha lehet talán még rosszabb. A kihívás nem is maga az erősítő, (analóg üzemben szinte biztosan gyengén fog muzsikálni) hanem a tápegysége. Mivel nagyfeszültségű cső, alacsony tápfesszel csoda lenne, ha egyáltalán megszólalna, nem is beszélve az erősítéséről. Csak a fűtése 180 W, ezt nem tudod megspórolni, az anód, és segédrács feszültségnek használhatsz ugyan kisebb feszültséget, 33, ill. 1,75 kV helyett 5 - 10, ill. 1 kV ot, de annak is 40 ugyan nem de 5 - 10 A -t le kell tudnia adni.
Ha kész a tápod, felveheted a kimeneti karakterisztikáját, és akkor már tervezheted az erősítőt is. Nem véletlenül nem találsz semmi kapcsolást vele, nem igazán éri meg az a kivehető párszáz W analóg üzemben.
Elnézést az off'-ért...
Először azt döntsd el,hogy aktív,vagy passzív rendszerűt szeretnél,ui.eltérő hangi karaktert valósít meg a kétféle topológia.Érdekes párosítás pl.az SRPP-Anzai,és valamelyik A.R.C.kapcsolás szembeállítása.Én is nagyon nehezen döntöttem a kettő között... Vannak aztán olyan trükkös kapcsolások is,hogy aktív-passzív,na ebbe bele sem merek gondolni... A hozzászólás módosítva: Dec 28, 2015
Ez egy aránylag alacsony kölségű RIAA (ca:35-40E HUF)
RIAA Megépitettem annó, egész kellmesen szól. Spórolni nem szabad a minőségi alkatrészeken.
Szia.
Több száz rajzot átnézve, diagramokat nézegetve igazából még mindig nem jutottam dűlőre. Van egy Philips AG 9015-ös gyári állapotú erősítőm, aminek a phono fokozata (EF86) hangban eléggé tetszik (viszont számomra eléggé mélyhiányos). Mivel szeretem a csöves technikát nem csak hallgatni, hanem építeni is, így a már meglévő GU50PP végfokomhoz szeretnék egy jó minőségű korrektort, építeni. Tisztában vagyok a dolog nehézségeivel, és találtam is 6n8c, 6n9c vel kapcsolásokat... A nap folyamán linkelek is néhányat, hogy segíteni tudjatok. Előre is köszönöm a türelmeteket.
Amennyiben csak a látvány és az elfogadható fogyasztás a cél. (a zenét és hangzást kihagytam szándékosan) Akkor a szép nagy cső foglalata köré épits egy fetes végfokot és a csővet alulról világitsd meg egy izzóval. Egy a stilusodnak megfelelő takaró doboz és kész az egyedi erősitő. Látvány szempontjából bárkinek eladható, ezt a fórumot kivéve
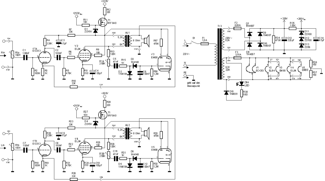
Még mielőtt elkallódna, feltöltök egy kipróbált rajzot és egy paneltervet egy EL84-es erősítőhöz. Nem nagy kunszt, csak a szokásos rajz, meg egy viszonylag jól kinéző panel. Régebben megépítettük egy ismerősömmel.
Anódtáphoz ez a félvezetős áteresztőstabilizátor felesleges pazarlás, ráadásul ront a hangon. Több értelme lenne a varázsszem bemenete elé FET-et vagy fetes bemenetű opampot tenni, hiszen az impulzusszerűen beterhelő csúcsegyenirányítósdi biztos nem használ a hangminőségnek. Legjobb azonban az egészet elhagyni
Rendes cuccnál nincs szükség ilyen látványosságra, tökéletesen leköt, ahogy szól. Ha mégse, akkor zenét kell cserélni )
Sziasztok! Még mindig senki se segített... van egy kapcsolásom, és ahhoz szeretnék egy csöves előerősítőt, tudnátok ajánlani konkrét kapcsolásokat, vagy le tudnátok írni a menetét hogy tervezzek egy sajátot, itt gondolok a használandó képletekre a csöveknek mely tulajdonságát kell figyelembe venni, stb? Előre is köszönöm a segítséget!
rendelkezésre álló csövek: 6n3p 6n1p e88cc ecc83 ecc85
Oda ECC82 kellene, vagy jóval magasabb tápfesz.
E88CC is tökéletesen üzemel kisebb tápfeszültségről.
http://pssc.egloos.com/5663837
Itt mindent megtalálsz amit szeretnél.
Próbaként építsed meg a kapcsolást cső nélkül. Csak scource követőként, FET-el. Elvileg elegendő, ha kicsi a hangerő, még lehet toldani. Csővel, vagy bármivel.
Csak nem mindegy, hogyan. E88CC/PCC88. A csövön ajánlatos 40 Volt a minimum, tehát a táp min 60, max 150V szerintem.
.. és még a zaja is sokkal kisebb:o)
Kis probléma van vele: a borzasztóan magas, rosszabb összetételű torzítás. Tudom miről beszélek, amíg nem volt jó illesztőtrafóm, csöves elő-előerősítőt(nem dadogok! ) fabrikáltam mozgótekercses hangszedőhöz. Csatornánként 1x E88CC párhuzamosan kötve. 50V-ról zajosabban ugyan, de határozottan jobban szólt, mint 30V-ról. Millivolt alatti bemenőjelről beszélünk!Kinek mi a "tökéletes"... BÚÉK A hozzászólás módosítva: Jan 1, 2016
A legpontosabban sorozatgyártható logaritmikus potifajta a "conductive plastic". Ezek bár folyamatosnak tűnnek, valójában másfél-2 dB-ként "lépcsőznek", és a szerelési pontatlanság miatt a jobb és bal csatorna osztása nem tökéletesen ugyanott ugrik... szerintem a gyakorlatban senki sem veszi észre
Méghogy az SRPP-fokozat csilingelne?? Na,erről se hallottam még sehol eddig...
Tényleg ennyire alacsony impedanciájú a fülesed? Akkor a következő, viszonylag korrekt együtemű lehetőségeid vannak:
- Spéci alacsonyfeszültségű cső (ritka, és marha drága..) - Min. 150V-os táp, a csöves feszültségfokozathoz - l48 linkjéről a Pmillett-féle hibrid, még a FET is kb. ugyanaz. A te csöveid nem használhatók hozzá, nincs a karakterisztikájuknak kis feszültségen lineáris szakasza (általános célú csöveknél az efféle különleges tulajdonságokat nem tárgyalja a katalógus). A tápfesz csökkentése nem lenne jó ötlet. A fűtőszál, mint munkaellenállás elegáns tervezői fogás, de inkább mondj le róla, és használj filléres 6j6-ot.
Szia!
A zajával én is gondban vagyok! RIAA korrektorban használok 4db ilyen csövet, katódköri áramgenerátorként LM317-et. Jelenleg azzal nyugtatom magamat, hogy lesz ez jobb, ha majd az LM-eket kiváltom valami mással, mert amíg nekem volt hibrid fejhallgató-erősítőm, annak a "teljesítmény" fokozatának is LM317 állította be a munkaponti áramát, és ugyanígy zajos volt.
Sziasztok!
Tud valaki valamit az EAG TU080 trafókról.? Bármilyen infót, doksit szÍvesen veszek. köszi A hozzászólás módosítva: Jan 4, 2016
Ebben böngéssz, hátha benne van!Bővebben: Link
Sziasztok!
Félig meddig idekapcsolódik a téma. Sikerült szert tennem egy Beag ae 110 a-s Erősítőre alkalmi áron. Nem volt eddig csöves erősítőm és hát olvasom, hogy azért érzékeny jószág. Azt olvastam, hogy bekapcsolni csak az után, hogy a bemenet csatlakoztatva van (persze letekerve), és a hangszóró is csatlakoztatva van, főleg az utóbbi nélkül tilos bekapcsolni. Egyelőre csak szeretném kipróbálni az erősítőt (működik-e). Látom, hogy ezen erősítők kimenete 5ohm-os vagy 15 ohm-os impedanciájú hangfalakhoz készült. Nekem ha jól tudom csak 4 ohm-os illetve egy 8 ohm-os impedanciájú hangfalam van. A 4 ohm-ossal ki lehet próbálni? Mivel laptopom hangkártyakimenetéről próbálnám ki, ezért az is érdekelne, hogy van valami program ami az azon kimenő jel amplitúdóját tudja korlátozni (véletlenül se szeretném túlvezérelni) Ha hülyeség lenne bármi amit kérdeztem azért előre is elnézést kérek!
Bármilyen 4-8-16 ohmos hangdoboz alkalmas a kipróbálásra. Csövet meg nehéz túlvezérelni. Hajrá!
Egy kérdés: Minek kellet stabilizálni a fűtést?
Az enyémbe differenciálerősítő van meghajtásként, DC csatolt, és sima közepelt AC fűtése van mind a végcsöveknek, mind a meghajtásnak. Semmi zaj nem hallatszik. A FET-es stab, gondolom a 250V a segédrácsnak? Elméletileg annak semmit se szabad melegednie. Nekem is csak az alaplemezhez van rögzítve. (Lényegében az alaplemez melegíti fel a FET-et, mert a csövek viszont megfűtik az alaplemezt!) |
Bejelentkezés
Hirdetés |




Rendes cuccnál nincs szükség ilyen látványosságra, tökéletesen leköt, ahogy szól. Ha mégse, akkor zenét kell cserélni
) 






