Fórum témák

» Több friss téma
Fórum » Villanymotor bekötése
 
Témaindító: kozmaj, idő: Jún 28, 2006
Lapozás: OK   208 / 349
(#) buslaci86 hozzászólása Dec 26, 2015 /
 
1.5 kw
(#) buslaci86 hozzászólása Dec 26, 2015 /
 
Mellékeltem egy képet igy hátha tudtok segíteni

Névtelen.png
    
(#) buslaci86 hozzászólása Dec 26, 2015 /
 
előre is köszönöm
(#) granpa válasza buslaci86 hozzászólására (») Dec 26, 2015 /
 
Indító kondit az üzemivel párhuzamosan kell kötni, felpörgés után nyomógomb elenged, vagy relé megszakít. (kb. kétszerese az üzeminek)
A hozzászólás módosítva: Dec 26, 2015
(#) buslaci86 hozzászólása Jan 3, 2016 /
 
Üdv mindenkinek.
Szerintetek hány KW-os lehet?
előre is köszönöm.
(#) VIM válasza buslaci86 hozzászólására (») Jan 3, 2016 /
 
Szia! Ami az adattáblán fel van tüntetve az szerintem mértékadó lehet, mert a T80 adat az a tengelymagasságot jelöli és ehhez az 1350f/p az 550W-nak felel meg (.55(kW).
(#) buslaci86 válasza VIM hozzászólására (») Jan 3, 2016 /
 
Köszönöm
(#) Kalo hozzászólása Jan 13, 2016 /
 
Sziasztok,
3kw (gyárilag) 240V 1400ford motorba gyárilag 60 micros üzemi és xy indító volt. A motor darálón, generátorról üzemel.
Tegnep kicseréltem az üzemit 80 microsra, mert kb 2hónap után látványosan fogyott az ereje, és darálás közben meg megakadt. (Az indító kondival nem volt gondom.)
Kérdésem az lenne, hogy mekkora üzemi kondenzátor lenne ideális a fentiek tükrében, és hogy az üzemi kondinak napi használatban tényleg csak ilyen rövid az élettartama?

Üdv
Kalo
A hozzászólás módosítva: Jan 13, 2016
(#) palcsika26 válasza Kalo hozzászólására (») Jan 14, 2016 /
 
Egy kondinak ennél jóval többet kellene bírni. Ha hatvanas volt rajta, minek tettél rá nyolcvanast? Ha mégtovább gyengül 100-as lessz a következő?
Lehet ott baj a tekerccsel , mechanikus, csapágy probléma. A darálóban a kések kopottak lehetnek.A motor melegszik, vagy nem?
Megkapja rendesen a feszültséget? Rendben van az a generátor? Ekkora motorhoz már kell energia.
A hozzászólás módosítva: Jan 14, 2016
(#) luczó norbert hozzászólása Jan 14, 2016 /
 
sziasztok.Hidraulika prést gyártottam.a meghajtást egy 380/220V 3Kw motor fogja végezni.Ideiglenesen már bekötötttem 300mikrós inditó és 60 mikrós üzemi kondival nyomógombbal.Segitséget kérnék ez ügyben:készül a vezérlő szekrény: kapcsolási rajz kellene mágneskapcsolós ki-be nyomógombos,vészleállitós kapcsolásra.segédfázist nyomógombbal végzem.van néhány fajta mágneskapcsolóm 220-as behúzótekerccsel.milyen vészleállitót vegyek?tehát egy komplett rajz nagy segitség lenne.Köszönöm mindenkinek!!
(#) erbe válasza luczó norbert hozzászólására (») Jan 14, 2016 /
 
Mihez kell a vészleállító? A prést hidraulikus vezérlőszeleppel működteted? Akkor hidraulikus levezető szelep kell, ami vész esetén leereszti a nyomást.
(#) ha9pi.feri válasza luczó norbert hozzászólására (») Jan 15, 2016 /
 
Szia! A vész leállításhoz a KI gombnak ilyet kell tenni: Bővebben: Link. A kapcsolás pedig (a BE gombok együtt működnek, amíg nyomod be van kapcsolva a "segéd fázis"):
A hozzászólás módosítva: Jan 15, 2016

Motor.png
    
(#) luczó norbert hozzászólása Jan 15, 2016 /
 
3 állású szeleppel működtetetem.a vészleállitó a mágneskapcsoló vezérlését szakitaná.
(#) ötfelezős válasza ha9pi.feri hozzászólására (») Jan 15, 2016 /
 
Én nem ajánlanám ezt KI gomb helyett. Rendes vészgombot ugyanis mindig kézimunkával még alapállásba kell helyezni működtetés után.
(#) luczó norbert válasza ötfelezős hozzászólására (») Jan 15, 2016 /
 
szerintem nem KI gomb helyett gondolta.Lessz zöld és piros nyomógomb egy fekete nyomógomb segédfátisnak.Avészleállitó csak biztonsági funkció lenne.
(#) luczó norbert válasza ha9pi.feri hozzászólására (») Jan 16, 2016 /
 
idáig értem.átrajzoltam papiron lekövettem az áram útját.Annyit még ha megtennél berajzolnád a VészStop gombot is a rajzon?Köszönöm!
(#) habazutty válasza Kalo hozzászólására (») Jan 17, 2016 /
 
Szia!
Ne tegyél rá nagyobbat! Sajna lehet ilyen rövid élettartama egy kondinak.
Amiket lehet vásárolni, új állapotban tudják a ráírt értéket, de 2-3 hónap alatt többel is volt dolgom (nem extrém körülmények, viszont 0-24 folyamatos üzem) ami igen meggyengült pl.:12,5 microF helyett 8,7 microF, 60 helyett 39.
Érdekes, hogy a gyárilag a készülékekbe rakott kondik néha 4-5 évet is elmennek, csak méregetem őket de simán bírják. A cseredarabok meg igen silányak.

Mindez csak az én tapasztalatom.
Meg kellen mérni a gyengének titulált kondit, hogy csökkent-e a kapacitása. Ha nem, akkor máshol keresni a hibát.
A hozzászólás módosítva: Jan 17, 2016
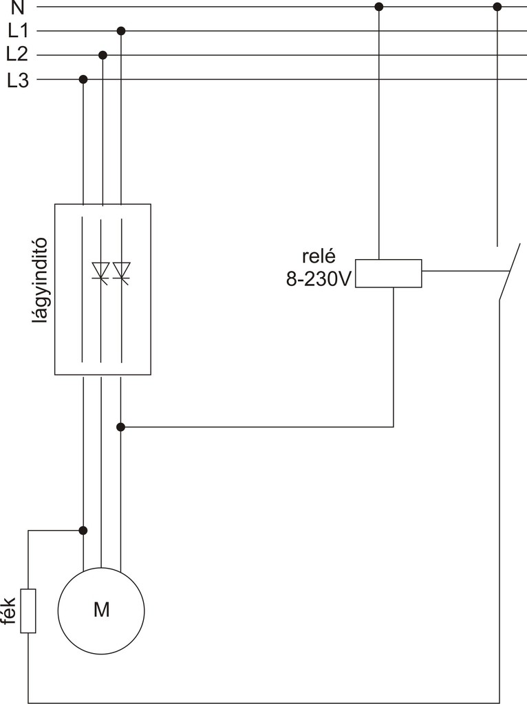
(#) sunside hozzászólása Jan 24, 2016 /
 
Sziasztok,

3 fázisú hálózat hiányában nem tudom kipróbálni a képen látható elgondolásomat.
(nem teljes, szabályos rajz, csak a lényeget tartalmazza)
Ha a lágyinditó lassú fel-lefutásra van állítva akkor az indulás pillanatától a lefutás végéig behúzva lesz a fékmágnes? (oldja a féket)

lágy.jpg
    
(#) maszek0005 válasza sunside hozzászólására (») Jan 24, 2016 /
 
Nem tudom minek kell relé hozzá? Az elgondolás egy picit sántít. A fék tekercsét, közvetlenül a motor kapcsaira szokták kötni. Ha a lágyindítód két fázisban dolgozik, akkor a harmadik, nem szabályzott tekercsre kötik a féket, a motor kapocsházában. Így a fékmágnes biztosan nyít, amíg a motorod üzemel. A lágyindító elé szoktak mágneskapcsolót tenni.
A hozzászólás módosítva: Jan 24, 2016
(#) sunside válasza maszek0005 hozzászólására (») Jan 24, 2016 /
 
Ez mind igaz, úgy szokták. Viszont a vezéreletlen fázis csak keresztül megy a lágyinditón, vagyis addig lenne oldott a fék amig el nem veszem a 3 fázist. Az elgondolásom lényege, hogy figyelje a folyamat végét és csak akkor fékezzen és utána vegye el a 3 fázist.
(#) sunside válasza sunside hozzászólására (») Jan 24, 2016 /
 
Kiegészítés: a lágyinditón van egy relékimenet ami akkor kacsol ha a felfutás befejeződött. Lefutás végére viszont nem ad semmi jelet. (ha jól tudom)
(#) maszek0005 válasza sunside hozzászólására (») Jan 24, 2016 /
 
A lágyindítót vezérelni is kell. A vezérlőjelet az A1, A2 pontokra szokták küldeni. Ha ez megszűnik, akkor fog fékezni és a 2 fázist lekapcsolni. De van olyan lágyindító is amelynek az indítása, leállítása csak egy záróérintkezővel van megoldva.
A hozzászólás módosítva: Jan 24, 2016
(#) maszek0005 válasza maszek0005 hozzászólására (») Jan 24, 2016 /
 
Másik megoldás lehet még a nemszabályozott és az egyik szabályozott fázis közé kötni egy 400V- os mágneskapcsolót. A segédérintkezője vezérli a féket, míg a főérintkezők a motorra kapcsolják rá a feszültséget.
(#) sunside válasza maszek0005 hozzászólására (») Jan 24, 2016 /
 
Erröl a konkrét tipusról van szó: ds4-340-11k-mxr.
Ennél honnan tudható, hogy mikor ért véget a lassítás?

4. oldal
A hozzászólás módosítva: Jan 24, 2016
(#) maszek0005 válasza sunside hozzászólására (») Jan 24, 2016 /
 
Konkrétan nem ismerem ezt a típust, de annyit tudok az MXR típusról, hogy forgásirányváltást is tud. Emiatt van rajta ha jól láttam a képet, 13-,14- számmal egy segédérintkező. Elméletileg ő bont el amikor véget ér a lassítás.
(#) sunside válasza maszek0005 hozzászólására (») Jan 24, 2016 /
 
Ezt lenne jó megtudni, mert a leírás szerint csak a felfutás végén ad kontaktot és nem tudom, kitart-e a lefutás végéig?
Ez esetben tényleg felesleges lenne a másik relé.
A hozzászólás módosítva: Jan 24, 2016
(#) sunside válasza sunside hozzászólására (») Jan 24, 2016 /
 
Vagyis ez megint nem jó, a felfutás végéig nem lenne oldva a fék. ( de sok bajom van, tudom )
(#) maszek0005 válasza sunside hozzászólására (») Jan 24, 2016 /
 
Hát szerintem akkor a 17,07órai hsz alapján maradna a 400V- os behúzótekercses mágneskapcsoló, a lágyindító után kötve. A behúzótekercs akkor kapna feszültséget, amikor a felfutás elkezdődik, a lefutás után pedig egyszerűen kiesik. Szerintem ennél egyszerűbb megoldás nincs.
A hozzászólás módosítva: Jan 24, 2016
(#) sunside válasza maszek0005 hozzászólására (») Jan 24, 2016 /
 
Látom, muszáj lesz *bekéredzkedni* valakihez akinek van 3F hálózata, mert ez csak próba után fog igazán kiderülni.
Mindenesetre kössz, hogy velem együtt agyaltál a problémán.
(#) maszek0005 válasza sunside hozzászólására (») Jan 24, 2016 /
 
Ez természetes, mert szeretem a kihívásokat. De azért remélem a tapasztalatokat megosztod itt a fórumon.
Következő: »»   208 / 349
Bejelentkezés

Belépés

Hirdetés
XDT.hu
Az oldalon sütiket használunk a helyes működéshez. Bővebb információt az adatvédelmi szabályzatban olvashatsz. Megértettem