Fórum témák
» Több friss téma |
Szívesen. Azt kifelejtettem, hogy váltófeszültség beállításnál 50Hz szabályos színuszjel legyen a frekvencia, nem tudom mennyi a felső frekvenciahatár, de biztosan nem sok. Hanggenerátor szinuszjele lenne jobb, annak szabályos a jelalakja. De trafó szekunder kimenet is megteszi jobb híján.
Sziasztok...
Valaki megtudja mondani, hogyan van megoldva a multiméterek kapacitásmérője ? Látok a műszeremben egy lm324-et, meg úgy néztem egy 555-ös van a körben. Egy rajz jó lenne.
Hali!
Konkrét műszerről kellene rajz vagy csak általánosságban?
Csak általánosságban. Építenék egy kapacitásmérőt.
PL.:ilyesmi?
ICL 7106-tal gondoltam. Tehát a multiméter kapacitás-feszültség átalakítója kellene.
Lehet, hogy ezt a rajzot is fel lehet használni. A hozzászólás módosítva: Jan 17, 2016
T. GANZUNIV 3 tulajdonos kollégák!
Javítás utáni összerakásnál " elveszitettem a fonalat" a panelek oldalsó átkötéseinél. ![]() Ha lefotóznád a 4 oldalról, hogy láthatóak legyenek az átkötések, megköszönném! G.
Sziasztok!
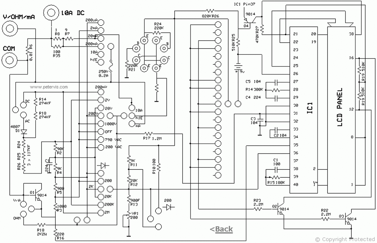
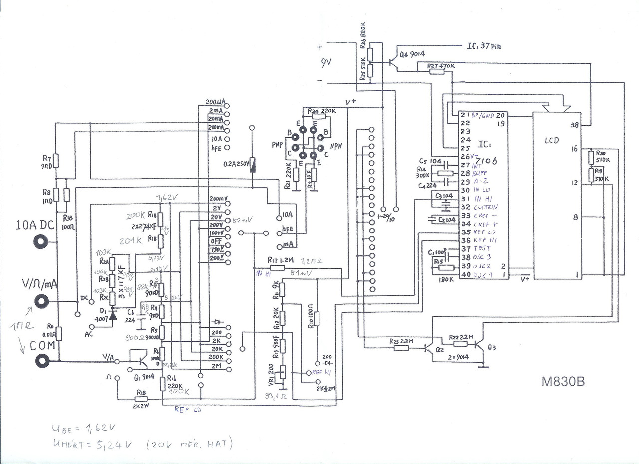
Egy m830b-multi javításához kérnék segítséget. A hiba: feszültség és ellenállás mérés nem működik, nagyobb ill. kisebb a mért érték a valóságosnál. Minél nagyobb a méréshatár annál nagyobb a műszer tévedése. DC fesz mérésnél 200mV méréshatárban még jól működik a szerkezet, ekkor direktben kapja a mérendő feszt. Amúgy azt jelzi ki, ami az IN HI lábra érkezik, de ez sajnos nem a mérendő fesz tized, század stb. része. De ezek szerint a 7106 jól működik. Mivel ell. mérésben is ezt produkálja, gondolom a bemeneti osztó nál lehet valami probléma. Ezenkívül a referenciafeszütség is rendben van, 100mV, VR1-el szépen állítható (ell. és fesz. mérésnél). A bemeneti osztó ellenállásai végig kimértem, volt ami nem a kapcsolási rajzban megadott érték, de úgy tudom az arányuk a fontos. A panelen nincs nyoma utólagos beavatkozásnak, forrasztgatásnak.
Jobb ötlet híján, cseréld ki a Q1 tranyót.
Q1 feszültség és ampermérés esetén rövidre van zárva a forgókapcsoló által. Funkciója csak ellenállásmérésnél van.
Kimértem pár dolgot. A mért feszültséget stabilan írja ki, nem ugrál és mérendő feszültség nélkül stabilan 0-át jelez ki. Tehát szerintem a 7106 rendben van, de sajna mégis hülyeséget mér...
Valakinek vmi. ötlete?
Az előéletéről tudni lehet valamit,kapott valami nemkívánatos "pofont"?
Nagyok azok az eltérések,az lészen a hiba,szerintem.
Hozzám már ebben az állapotban került. Biztosítékot és elemet kellett cserélni, de az árammérés működik rendesen. A panelen nincs nyoma utólagos forrasztgatásnak, nincs sérült vagy megpörkölődött alkatrész sem.
Ellenőrizd le a D1 1N4007 diódát,ha jó akkor dobj össze egy alapkapcsolást pl: 20V mérésre,ha azzal jó akkor biztos,hogy a panelon lévő alkatrészek okozzák a hibát.Esetleg lehet rossz érintkezés a kapcsolótárcsánál,szakadt átvezetés valahol.
Hello! A méréseid alapján, három ellenállás közül lesz megnyúlva valamelyik.
R4=9k, vagy R5=900Ohm, vagy az alatta lévő 100ohm. Ha dióda/vezeték mérésben kapta a pofont, akkor a 900ohm, ha 200ohm mérésénél, akkor a 100ohm az esélyes. De kimérhető, mert valamelyik ellenállása 16,6kohm lesz.
Szia!
Az ellenállásokat megmértem, ezek szerepelnek is a második képen. R3, R4 és R5 stimmel a rajzzal. Alatta R6 van, sajnos ez nem kiolvasható a rajzról. Én itt 22k-t mértem, akkor ezek szerint ez lehet a probléma. Holnap cserélem és jelzem mi az eredmény. A 383-as kapcsolásában már jól látható is a 100ohm, R6-nak. De találtam más fajta 830-ast is, ebben visztont R6 1kohm. Ra és Rb értékei sem stimmelnek ezeket is cserélni kellene?
Az el van írva! Ha felette 900ohm van, alatta csak 100ohm lehet..
Kivettem az R6-os ellenállást. (Mire kijött már 26kohm lett.) Betettem helyette egy 100ohm-ost, bár a kibontott színkód szerint 200ohm 0.5% volt (valamikor). Aztán vr1-el hozzáigazítottam a mérést egy másik multi-hoz. Úgy tűnt helyreállt a műszer lelki világa (már össze is raktam), de aztán rá kellett jönnöm, hogy az 1000V-os méréshatár még mindig nem jó.
Akkor mégsem jó az a 100ohm?
Az, hogy "nem jó", nem információ. Esetleg nem 100ohm, hanem tényleg 200. Ott 100ohm-nak kel lenni. Mert ha a felette lévő ellenállásokat mindig hozzáadod az alsó értékhez, 100ohm-1k-10k-100k stb értéket kel kapni.
- De a hiba elég egyszerűen eldönthető egy másik műszerrel. Egyenirányítod a 230V-ot megszűröd és a bemenetre adod. Az osztóban mérhetőek az értékek. Ha jó, mindenhol az alatta lévő 10-szeresét kel mérni. ect..
Jogos - ez nem hibaleírás - máris pótolom: A bemenetre adott 38VDC-t 200V-os méréshatárban 38V-nak méri, 1000V-os méréshatárban: 12V-nak. A bemenetre adott 175VAC-t 200V-os méréshatárban 175V-nak méri, 1000V-os ban 35V-nak.
Ahogy közelítesz a méréshátár felé, úgy nő a hiba, ha az utolsó ellenállás a rossz. De ezek szerint kisebb mint kellene.
Kicseréltem R6-ot 2x100ohm-ra. Így 40VDC-t 80V-nak mér a legnagyobb méréshatárban. Az osztó feszültségek a következőképpen alakulnak:
U R2-3:3,9V U R3-4:400mV U R4-5:44mV U R5-6:8mV U R6 felénél:3,9mV Ezek szerint a 100 ohm volna a nyerő.
Visszakerült a 100 ohm és jól mér a legnagyobb méréshatárban is. Csak sejtem mi viccelt meg az előbb de a lényeg hogy jó.
Köszönöm a segítséget!
Te magadat viccelted meg. Többször leírtam, hogy 100ohm kell, de csak erőlteted a másik ellenállásokat. De ha szereted a tiszteletköröket, én nem ellenzem. Tőlem futhatsz még pár kört nyugodtan..
Egyből a 100ohm-ot tettem be ahogyan mondtad. Először csak megemlítettem a 200ohm-ot. Mikor már beállítottam és összeraktam, vettem észre hogy nem jó a legnagyobb méréshatár, akkor került bele a +100 ohm. Na de mindegy most már, a lényeg hogy műxik és lehet örülni neki.
Sziasztok!
Addot egy Mastech MY-64 multiméter. 3éve használom nagyon megbízható kiss darab.A problémám az lenne , hogy a sokk kapcsolgatás miatt tönkrement a bekapcsoló gombja. A kapcsolási rajzát megtaláltam ott "SW"-vel van jelolve ez a mikrokapcsoló , a jelölés a panelon is egyezik.Az lenne a kérdésem , hogy szerintettek egy ilyen : http://www.hestore.hu/prod_10022018.html kapcsolóval birom helyetesíteni a gyári nyomókapcsolót? A hozzászólás módosítva: Feb 2, 2016
Hello! Ha mechanikailag bele tudod barkácsolni, akkor igen.
Ha jól gondolom , akkor a gyári nyomógombja ilyen lehet.Én inkább erre cserélném vissza még ha ugyan az is.Nem furkálnám szét a műszert .
A hozzászólás módosítva: Feb 2, 2016
Akkor szerintetek is a gyári nyomókapcsoló egy 2 utas váltó kapcsolónak felel meg vagy tévedek?
Megnéztem , a dobozt nem kell átalakítani , az eredeti furatok megfelelnek - a raszter távolságok egyeznek.
Pontosan.
Sajnos ilyet nem tudok beszerezni. :/ |
Bejelentkezés
Hirdetés |
















