Fórum témák
» Több friss téma |
Fórum » Kapcsolási rajzot keresek
Témaindító: Kallai Csaba, idő: Márc 11, 2006
Témakörök:
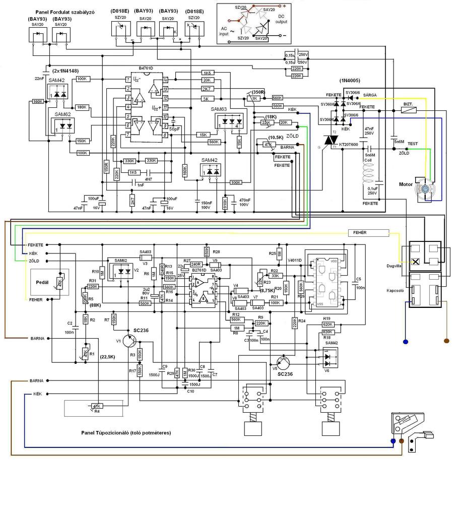
Attila 86 utólagos engedelmével , csak neked , vagy bárki másnak , ha ilyen gondja támad .Ez egy vasaláshoz kijavított változat .Ennek már mennie kell vasalással is .
Köszönöm szépen!
Dehogy akarom áttervezni! (lusta vagyok )Csak az IC lábainál voltak gondok (legalább is nekem)
Használd egészséggel , és jó építést hozzá.
Szia
itt lesz ha nem jó akkor elvan rontva
Üdv mindenkinek.
Ganz gyártmányú Insulationtest Typ:xs-1 szigetelés vizsgáló kapcsolási rajzát (gépkönyvét) keresném. (fadobozos, 1000-2500-5000 Vdc)
Üdvözletem!
Azért nyitom ezt a topicot, hogy ha van valakinek valami kapcsolása amit megosztana azt itt megteheti. Mivel sokszor lenne kedvem építeni valamit, de nem találtam olyan helyet ahol össze van gyüjtve sok kapcsolás.Akár ebben a topicban kérdezhetnének a full kezdők a kapcsolási rejzokkal kapcsolatban. (Mivel sokszor látom, hogy ez mi, az mi, ez hogyan van)
Hello!
Szerintem az egész oldal erről szól,csak mindennek van külön témája.
Segitséget szeretnék kérni a képen levő konektór halmazról , ha lenne valakinél kapcs rajz nagyon megköszönném , nem akarom szétdúrni . előre is köszönöm a segitséget SURGE APREST E20
Mit szeretnél csinálni vele., miért kell a rajz?
Komoly szürőt selytek benne és védelmet . Csak a tisztánlátás miatt és az ismeretért. Mopst is használom , a pc környezetben.
A hozzászólás módosítva: Feb 13, 2016
Néhány varisztort, szikraközt és tekercset találnál benne: Bővebben: Link.
Sziasztok! IMERGAS fali kazán DIMS 09-IM01 vezérlő panel termosztát bemenetére hálózati feszültség került egy szerencsétlen kötés miatt. Ha tudnátok kapcs. rajzot hozzá ki lehetne deríteni mely alkatrészek mentek tönkre és jó esetben javítható lenne?!
Köszönöm
Sziasztok!
Építettem egy EURO SCART elosztót, de sajnos nem akar működni! Csak simán párhuzamosan össze kötöttem 3 darab SCART anya csatlakozót, a tévébe a kép oldalra futkározik gyorsan, pedig minden láb helyesen van be kötve! (gondolom van ennek valami fortéja?). Néztem az interneten rajz után kajtatva, de sajnos nem leltem hogy hogyan is kell ezeket össze kötni!?. Ha valakinek van egy ilyen rajza azt szívesen meg köszönném! Tehát egy SCART ANYA bemenet, és kettő darab csatlakozó (ANYA) kijövetel. A hozzászólás módosítva: Feb 14, 2016
Úgy értelmezem, hogy a TV-n lévő SCART bemenetként lenne használva három készülék számára.
Ebben az esetben nem lehet simán párhuzamosítani a 75 ohmos kimeneteket, mert elrontja az illesztést, ami a szinkronjelek sérülését okozza. Ha jól van bekötve akkor egy készülék csatlakoztatásakor így is működnie kell (csak a második bedugásánál romlana el a kép). Video bemenet választó IC kell (vagy DIP tokos reed relé), amit szerencsés esetben az éppen aktív jelforrás által kiadott 12V-os kapcsolójellel automatikusan lehet vezérelni. Persze, ha egyszerre két forrásod is aktív, akkor vagy Neked kell választani egy kapcsolóval, vagy ki kell kapcsolni a nem használt berendezéseket. A hozzászólás módosítva: Feb 14, 2016
Szia!
Úgy lenne használva hogy egy scart bemenet volna, ami egy beltéri egységről (mindig tv) kapná a jelet, és elosztaná két tévének ezt a jelet! Valahogy ezt kellene meg oldani! Nem tudom abban az elosztóbán milyen elektronika lehet? (Lásd kép fentebb)
Üdvözlet!
Keresem sankyo src2020 rádióerősítő kapcsolási rajzát. Köszönöm!
Idézet: „egy scart bemenet volna, ami egy beltéri egységről (mindig tv) kapná a jelet, és elosztaná két tévének ezt a jelet!” Helyesebben: egy KIMENET van, amit két bemenetre akarsz vinni... Ha elég a jel, akkor 2 ellenállás megoldja az illesztést. A hozzászólás módosítva: Feb 14, 2016
Bocsi hogy ideokoskodok , én is használok 1 beltériről 3 tv-t , Vettem egy HAMA skart elosztót , 1 bemenet 3 kimenet , semmit nem zavarják egymást a tv-k, szép a kép ha egyszerre is mennek is , hang is jó. Ez az én tapasztalatom .
Szia!
Köszönöm az eligazítást, és a rajzot! ![]() És a többi lábat csak simán párhuzamosan kössem össze egymással?. Azért van még egy pár láb ami be kellene kötni ahogy a képen is látszik.
Azt mondtad a képpel van gond... A hangot természetesen kösd be, az nem igényel különösebb törődést: a forrás kimenetet kösd a két bemenetre, meg a hozzá tartozó GND-ket kösd be.
A többi nem érdekes, egyébként is gyártófüggő: pl a régi ITT TV-vel összekötve ITT videót tudta kezelni az adatvonalon keresztül ua. távirányító.
Sziasztok!
Jamo E4sub.1 erősítő kapcsolásirajzát keresném, de sehol nemtalálom. Hátha nektek megvan, -nagyobb sikerrel jártok. Köszi előre is. Zoli.
Sziasztok!
Ezt a kérdést a "Hol kapható" topikból hoztam át, mert alapjában venni szeretnék, nem csinálni. Szívesen elbíbelődnék vele, de momentán nincs rá időm. Viszont ha sehol sem kapok (most úgy néz ki) akkor mégis csak gyártani kell. Frekvenciaváltóra (?) lenne szükségem, aminek 230VAC 50Hz 1Ph (hálózati feszültség) a tápfeszültsége, és 110V (115V) 60Hz 1Ph a kimeneti feszültsége. A szükséges teljesítmény mindössze 20VA. A kimeneti feszültségnek színusznak kell lenni. Amit eddig találtam, kis teljesítményű (200W) frekvenciaváltókat, szerintem nem jó, mert: - a kimenet 3Ph, és félő, hogy az aszimmetrikus terhelés miatt letiltana - (talán) nem 110V a kimenet, de lehet, hogy annyi - a jelalak csak kvázi színusz: 1-10kHz vivőfrekvenciával modulált négyszög. Egy tengeren túli készüléket kellene megtáplálni. Előre is köszönöm.
Hello! Én elsőként megpróbálnám 110V/50Hzel megtáplálni, hátha nem sértődik meg..
Sziasztok.
Keresem a CB-4029 Frekvenciamérő kapcsolási rajzát. Google most nem a barátom sajnos.
Szia!
Köszönöm a segítségedet!, be kötöm akkor úgy ahogy mondtad!
Én azt nem tudom, ilyent nem olvastam. De ha 50Hz-en csak búg valami, 60Hz-en is azt fogja csinálni. Feltéve, hogy nem egy 60Hz-es rezgővillás frekvenciamérőről van szó.
Sziasztok! Nem konkrét kapcsolási rajzot keresek, hanem egy valamilyen dc-dc converterét, ami min.3.2-max4.2V ból csinál mondjuk 7V ot, és legalább 100W teljesítményre lenne szükség. Ebben kérném a segítségeteket, hogy mutassatok valami példákat. Tudom van dc-dc topik, viszont ott nem talaltam semmilyen ekkora nagy teljesítményüt.
Hello! Szerintem nem fogsz találni, mert elég értelmetlen projekt. Ilyent csak a mazochisták csinálnának. Belegondoltál, abban hogy a 3,2V-ról ez kb. 40A-enne.
|
Bejelentkezés
Hirdetés |




)














