Fórum témák
» Több friss téma |
Dehogyis nem. Csak az már majdnem húsz éve volt. Bővebben: Link
A hozzászólás módosítva: Márc 1, 2016
Akkor én ezzel semmit sem csinálhatok ugye?
Át lehet hangolni, vagy beszerezhetsz hozzá egy konvertert. Itt nézelődj.
Én ezt már nem értem. Azt mondta a gazdája kb egy éve még mukodott rendesen. Vagy nem emlékszik jól, vagy már ténleg nemtudom.
Vagy nem hasznalta az URH savot, esetleg athangolt keszulek, de rossz az FM..
Nemtudom mennyire látni valamit, eléggé rosszak a fényviszonyok.
A hozzászólás módosítva: Márc 1, 2016
Kis femdozba kene belenezni.
Vedd le az arnyekolasat.
Az eredeti az MR421 CCIR, a 423 export változat OIRT sávos.
Az emlékek csalnak, jó pár éve nincs OIRT sávban műsor sugárzás. Áthangolás topikba írtam választ. A hozzászólás módosítva: Márc 1, 2016
Levegyem a fém dobozt, vagy egyből próbáljam átalakitani?
pucuka altal javasolt kondikat nezd meg, abbol kiderul, kell-e hangolni.
Sajnos le kell vegyed a fémdobozt, teljesen, másképp nem férsz hozzá.
Levettem a fém dobozt. Nálam máshol találhatóak meg a kondik.
Dél alföld az talált.
Kunfehértó lenne a helyszín.Műszer csak multiméter van. Egy jó rádión a 105,5 frekvencián bejön a classfm.
És még egy témábavágó kérés/kérdés! Nem csak fecameca-nak.
Van egy Videoton RA6363 rádiós erösítőm ami néha gondol egyet és vagy átugrik egy másik adóra vagy szép lassan elállítódik a frekvencia és utánállítani kell sűrűn. Mi okozhatja ezt?
Szia
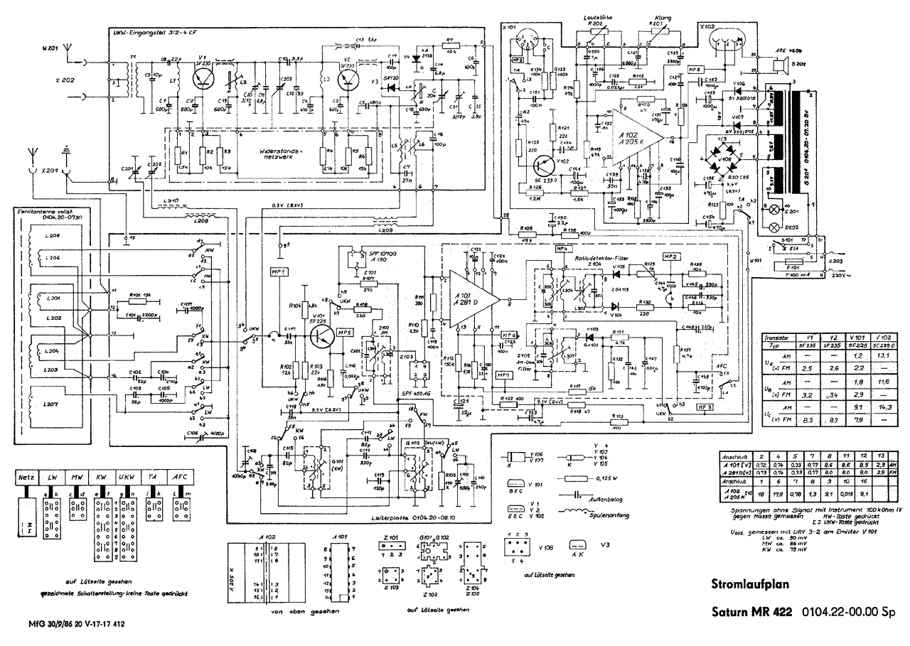
Nekem is van egy ilyesmi rádióm Saturn MR 422 ezen van URH is, de sajnos nem működik valaki már belepiszkált dolgokat, de az erősítő az jól működik csak a rádiórésznél van problémám. A képeket nézve ugyanolyan a belseje. Nálam a nagy panel aljára egy narancssárga tranzisztort tett be valaki és a sávváltónál az árnyékolás alatt lévő panelnél 1 kondit szétégetett, meg egy fehér ? IC ? el van törve (amiben elvileg csak ellenállások vannak). Nagyon szeretném ha meg lehetne csinálni működőképesre. Nincs semmi bejövő jelem a H, K, R és az URH-n sem. Valaki hátha tud segíteni nekem ez ügyben. (Holnap készítek róla képet is milyen állapotban van.)
Nem azt vetted le, FM tuner a kisebb dobozka, azt nyisd ki.
Szóval a C111 és C115 kondi értékeit írjam le? Nekem azok nem az FM panelon vannak. Bejeloltem a képen.
szerk: C111 - 330J, C115 - 82J A hozzászólás módosítva: Márc 2, 2016
Sziasztok
Kaptam a gyűjteményembe egy 1974-es gyártmányú Grundig rádióerősítőt. A volt tulaj szerint az egyik oldal halkan szólt. Eltette a szekrény aljába, most, 2 év után került elő. A hibás oldal egyáltalán nem szól, és az összes poti recseg.Mivel használva nem volt, gondoltam a potik elkoszolódtak. Megtisztítottam, de semmi változás, mindegyik recseg. Merre induljak tovább?
Szia!
Egy másik erősítő segítségével keresd meg a jelútban azt a pontot, ahol eltűnik a jel.
Szia.
A kapcsolókat fújd be olajos kontakt spray -vel (WD40 nem jó erre a célra), vagy szívj fel egy műanyag injekciós fecskendőbe denszeszt, vagy izopropil-alkoholt, keverj hozzá egy kis műszerolajat és azzal fújj be a kapcsolóknak, aztán járasd meg mindet. A potiba is mehet az olajos alkohol.
Keresem.
A hozzászólás módosítva: Márc 2, 2016
Köszi, de ez az alap, ezen már túl vagyok...
Csak nem találom :/ Nekem eggyáltalán nem olyan kondik vannak.
Nalad nagyobb ertekek vannak? Akkor a rajz szerinti ertekekre kellene csokkentened.
Lehetseges, hogy a rajz CCIR savnak megfeleloen van meretezve. |
Bejelentkezés
Hirdetés |









Kunfehértó lenne a helyszín.





