Fórum témák
» Több friss téma |
- Ez a felület kizárólag, az elektronikában kezdők kérdéseinek van fenntartva és nem elfelejtve, hogy hobbielektronika a fórumunk!
- Ami tehát azt jelenti, hogy a nagymama bevásárlását nem itt beszéljük meg, ill. ez nem üzenőfal! - Kerülendő az olyan kérdés, amit egy másik meglévő (több mint 17000 van), témában kellene kitárgyalni! - És végül büntetés terhe mellett kerülendő az MSN és egyéb szleng, a magyar helyesírás mellőzése, beleértve a mondateleji nagybetűket is!
Linkeld be, hogy mit építesz. Általánosságban, ha külön nincs jelölve a 0,25W-os elegendő szokott lenni.
0,25W jó lesz hozzá. Esetleg 0,6W-os is: Bővebben: Link
A terv 0,6W-os ellenállásokhoz készült.
Itt látszanak az alkatrészek. A hozzászólás módosítva: Márc 14, 2016
Ja értem köszönöm ,esetleg a 0.5 nemlenne elég?,mivel én ahol megtudnám megvenni olyan nincsen :/
Sziasztok !
IO Link ipari szerkentyűkhöz való hozzácsatlakozáshoz létezik vajon szoftver library, ilyesmiről hol lehetne találni valami infót ? Erre gondolok, hogy ehhez a rendszerhez kapcsolódni valahogy. Van pár IC hozzá, amik illeszkednek, csak a szoftver rész a kérdéses, meg lehet e azt írni vagy nagyon nehéz lenne ? IO-Link Tehát hogy nem a dokumentáció alapján leprogramozni az egészet, hanem van e valami használható lib ARDUINO vagy bármilyen platformra ?
Szerintetek ez a kapcsolás működőképes?
Sziasztok!
Nem igazán találtam megfelelő topicot ezért itt teszem fel a kérdést, újat nem szerettem volna nyitni. Kaptam egy ismerőstől hibás ESR tesztert, elmondása alapján kiválóan működött aztán se kép se hang ki, akarta dobni ezért inkább elkértem. Egy ilyenről lenne szó: Bővebben: Link A kijelzőn semmi nem jelenik meg, csak a háttérvilágító led világít. Az alkatrészeket végig mértem azok jónak tűnnek. A mikrokontrollerre gyanakodom vagy a kijelzőre. Hogyan tudnám ezt kideríteni? Segítséget előre is köszönöm. Szerkesztés: kép a hátoldaláról: Bővebben: Link A hozzászólás módosítva: Márc 15, 2016
A kijelző szalagkábele lehet törött. Az enyémmel is az a baj.
Sziasztok.
Olyan kerdesem lenne ,hogy letezik valami stab IC ami 35-100V feszultsegrol 5V stabilizalna? Mint pl a 7805..
Üdv!
Áteresztőtranyós nem nagyon, mert nagyon sok hőt kellene elfűtenie. Ekkora feszültségre DC-DC átalakító kell, 100V körülire meg talán már jobb lehet a Flyback rendszerű DC-DC.
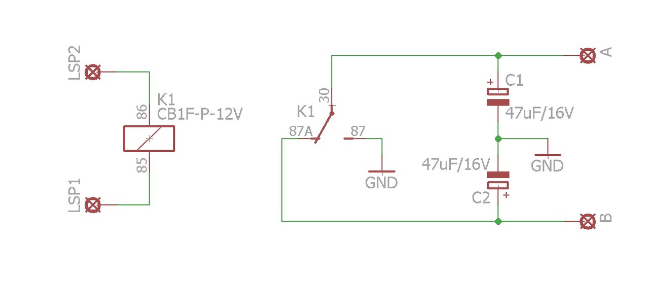
Sziasztok!
Ha van egy váltórelé, akkor az ívoltó kondenzátorok jól vannak így bekötve? Alap esetben a B pont felől áramlik az A pont felé kb. 4-5A. Ha éppen nem folyik áram, akkor is +12V-on van ez az ág. ha a relé működik, akkor testet ad az A pontra. nem szeretném, ha elpukkannának az elkok, így inkább megkérdezem ![]() Köszönöm szépen a válaszokat!
Üdv!
PWM-es DC 12V-os ventilátorvezérléshez milyen típusú biztosítékot érdemes használni 1-2A magasságban? IRLI530NPBF típusú logikai FET-eket kell "megvédeni". Bővebben: Link A hozzászólás módosítva: Márc 15, 2016
Szép napot, Mindenkinek! Infra LED működését vevő nélkül hogyan tudom ellenőrizni? Digitális fényképezőgép megfelelő erre a célra? Köszönöm a válaszokat. Üdv.: Joe
Meg, vagy mobil telefon fényképezője.
Jobban megnézve a fóliakábel meg az lcd csatlakozását, a kábel el van válva egy helyen az lcd-től, mintha meg is lenne repedve az üveg egy kicsit. Utána néztem egy ilyen panel kb 1300ft lenne külföldről, lehet megér egy próbát.
Köszönöm a választ! Sajnos mobiltelefonom nincsen. Egyébként mit kellene látnom, gondolom, hogy a kijelzőn, nem a keresőben.
Nagyjából ezt: Bővebben: Link
A hozzászólás módosítva: Márc 15, 2016
A keresőt ráirányítod a ledre, és ha az "világít", akkor jó. Nézheted digitális fényképezővel is. Először próbálj ki pl. egy TC tévit, akkor meglátod hogy működik.
Szép estét!
Segítséget kérek: hány amperes solar töltésvezérlőt vegyek ha a solarpanel mutatói: Pmax:48W, Vac:20,6V, Isc:3,17A, Pmax:34,9W, IPmax:2,34A ? Lakókocsiban szeretnék biztonságosan tölteni vele egy 12V, 100A-es akkumulátort.
Köszönöm a tanácsokat. Még egy kérdés: mi az a TC tévit?
5 - 10 A -es töltésvezérlőt javasolnék, lehetőleg olyat, ami rendelkezik mélykisütés védelemmel is.
Azonban az az az egyszem panel kevés lesz a 100 Ah -s akku töltéséhez. Jó lenne legalább a töltőáramot 5 A fölé tornázni, mert így soha nem fogja feltölteni. (ha 10 A -el töltenéd, akkor is több mint 10 óra kellene a teljes feltöltéshez, és közben biztos van még fogyasztás is) Ez 2 panelt jelentene a mostaniból. Előbb utóbb úgyis rájössz majd, hogy szükséges. Például A hozzászólás módosítva: Márc 15, 2016
Kösszi a javaslatod!
Igazából a panel csak tartaléknak van, mert jellemzően 230V-ról töltődik.
Jó, de így tartaléknak sem ér sokat. 5 - 6 A még csak csak. (saját tapasztalat)
A hozzászólás módosítva: Márc 15, 2016
Nem tudom, csak gondolom, hogy TV távirányítót akart írni.
Tehát mielőtt a saját ledjeidet nézegeted, próbáld ki, mit mutat egy gyári távirányító.
Nem nagyon. Ívoltásra jobb egy dióda, jelen esetben kettő, lehetőleg Schottky. Az a baj, hogy bekapcsoláskor a relé rövidre zárja a kondenzátorokat, így leginkább akkor fognak szikrát vetni az érintkezők, gondolom ennek elkerülése a cél.
Igen, az lenne a cél, hogy ne vessenek szikrát az érintkezők. Azért gondoltam kondenzátorra, mert láttam ilyen kapcsolást például, miközben keresgéltem. Valamint abból is gondoltam, hogy kondi kell, mert tudtommal a megszakítós gyújtásoknál is kondi van bekötve a szikrázások csökkentésére.
Viszont, ha dióda kell, akkor azt hogy kellene bekötni jelen esetben?
Úgy, hogy a katódok (vonallal jelölt oldalak) nézzenek a 12 V felé, az anódok pedig a nulla (negatív) felé.
Szóval záróirányban, mint a relé tekercsével párhuzamban egy tranzisztoros vezérlésnél.
Köszönöm a segítséget! Már csak kíváncsiságból, ez hogy akadályozza meg az ívhúzást? |
Bejelentkezés
Hirdetés |









