Fórum témák
» Több friss téma |
Mielőtt kérdezel, a következő két dolgot ellenőrizd!
I. A helyes tápfeszültségek megléte.
II. A kimeneten van-e egyenfeszültség.
Élesztés.
Vonalerősítőt is tehetsz a kábel elé meghajtásnak.
A régi Kádár-könyvben is van egy kapcsolás rá, gyakorlatilag az ESP fejhallgató erősítőjével megegyezik. De vannak IC -k is, kifejezetten erre a célra.
Kösz, ilyen az erösitöm, csak természetesen nincs igy átalakitva, csak egyszerü bemenettel rendelkezik.
Na mindegy, mielött ezeket ujra kibányászom a dobozokbol elöbb csinálok egy közös meghajtot, valamint ujra megtriplázom a tápvezetéket ( ennyi drot van ma a földben).. Csak utánna jönnek a szimmetrikus dolgok. Még azon is gondolkodom, hogy az erösitöket a központi dobozba rakom, és csqk a hangszorok maradnak a dobozban. Tartalék van elég, meg talán a kesöbbi karbantartás is egyszerübb lesz.
Sziasztok tudna nekem valaki mutatni egy 6v-os előfokot 100k ohm-os potival? Ha lehet akkor tranzisztoros kéne de ha nincs erre a feszültségre akkor jó az ic-s is.
Szia.
Milyen célra kell, mik a követelmények? (Erősítés, jelszintek, stb...)
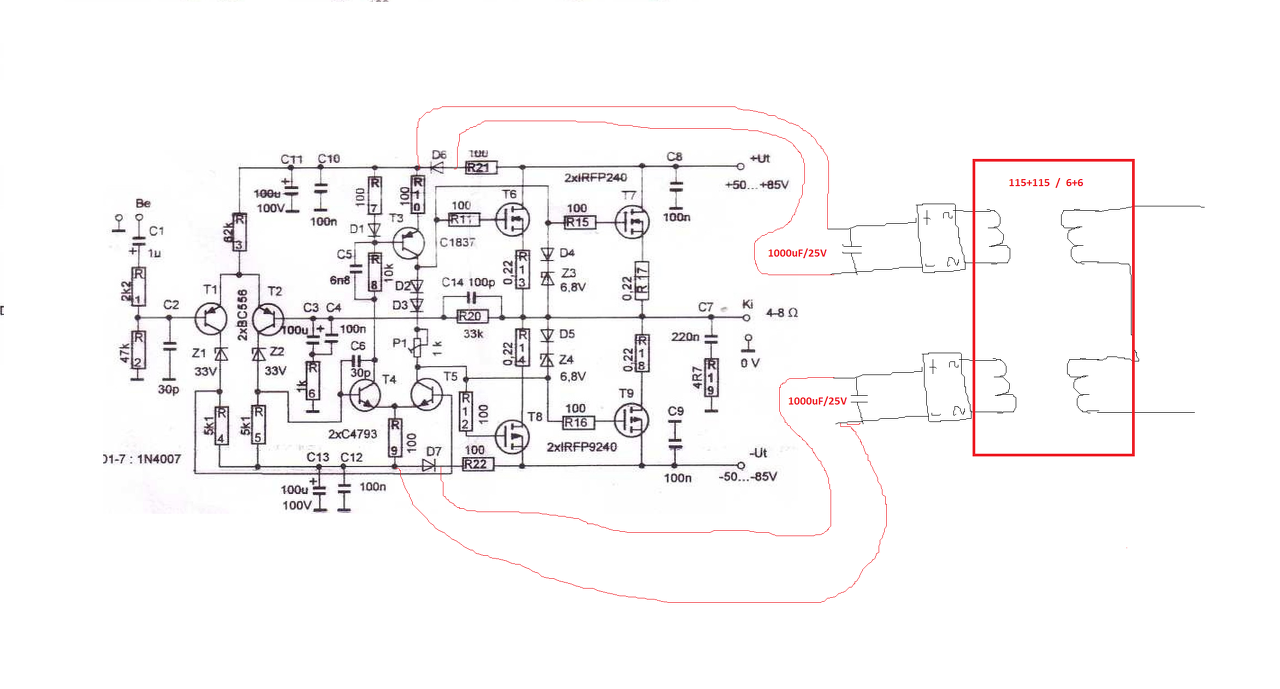
Sziasztok. Adot ez a kapcsolás. +-62v om lesz.várhatóan hány watt lesz levehető úgye a 400w -os azátrajzolata.3-3 fettel. ????
Hello. Segítséget kérnék. Eredetileg egy TDA 2004 el hajtott erősítőről van szó. Valami ok folytán a mély hangok mintha túl vezéreltek lennének de ha a potméteren vissza veszek akkor szinte nincsenek is mély hangok. Ki cseréltem a 2004 es ic-t egy 2005 re de ugyan ez a helyzet. Megpróbáltam hátha nincs meg a megfelelő V/Amper páros de minden esetben ezt műveli. Megpróbáltam több típusú hangszóróval is de ugyan ez az eredmény sajnos. Ha a bemenetre tennék egy 0.1 mikros porcelán kondenzátort az megoldhatná a gondot? Ha igen mivel sztereó így mind 2 oldalra tennem kell 1-1- darabot. Még egy hasznos információ nem rendelkezik előerősítővel, így közvetlen kapja a jelet akár Tabletről illetve laptopról. Minden információt szívesen fogadok.
A bemeneten a csatoló kondi mindenképp hasznos a DC leválasztás miatt, én 220nF -od tennék inkább. A kicsatoló kondi mekkora? Próbáltad már cserélni?
Szia! Kondenzátorok rendben vannak?
Köszönöm a tippet és megnézem a kicsatoló kondikat.
Mindjárt megnézem hogy jók e. Köszönöm a választ!
De igen bocs, felcseréltem.
![]() És a T3-4-5-nek a T6-7-8-9-el termikus kapcsolatban kell lennie. (Egy bordán.) Már nem engedte a korábbit módosítani. A hozzászólás módosítva: Márc 20, 2016
1 db 2.2mikro farad os kondenzátor hibádzik eddig ezt kicserélem és meglátjuk mi lesz az eredmény. Ment a mancs
Nem lesz annyi 62V-ból pláne fetes erősítővel, inkább 150w/250W.
A tda 2005 adatlapja szerint a 9-es láb a +vs magyarán az egyenirányítás és szűrés után a pufferkondiról kapnia kell a bemeneti feszt ami jelen esetben 13v de csak 4v mérhető rajta.
Ez hogy jött ki neked? Ez elég kevés lenne. Pont azért mert fet-es nem olyan nagy a maradékfeszültsége. Ha a 124 voltból csak 113V a kivezérelhető már 199W 8R-on.
Nem kötözködni akarok, csak kérdezem hogy mit nem vettem volna észre a rajzon..
Azért annál több,nekem +-63 v ról jár,és lejön a 8 ohmra a 190-200 w környéke 4 ohmra meg a duplája 350-380 w kb.De istenemre most már lemérem hitelesen is,csak elvitték az oszcimat.
Az elég kevés. De nem azt írtad hogy már próbáltad másik táppal?
Próbál ki, vagy ha arról lejön esetleg nézd meg a fóliát nem-e szakadt, vagy az egyenirányítót.
Ez általános tapasztalat, mivel esik a feszültség, a feteknek meg van egy olyan hátránya, hogy nagyobb fesszel kell nyitni mint a tranzisztort ezért nem lehet kivezérelni tápig. A 8ohm 200W-hoz +-70V üresjárati feszültség kell, ha jól van méretezve a táp. 63V ürejárati feszről tipikus a 35 maximum 36V RMS színusszal. Hacsak nem stabilizált tápról járatod kizárt, hogy akkora teljesítménye legyen a tiédnek mint amit írtál!
A hozzászólás módosítva: Márc 20, 2016
Szia. Vég fok elé kéne tda7294-el van szerelve a vég fok.
Én nem írtam hogy az enyémnek mekkora a teljesítménye, de most akkor írom +-84V os a tápom és ~410W nál kezd 8R nál 1khz sin. al clip-elni. Azt nem mondta hogy a +-62 üresjárati fesz. de gondolom hogy ekkora végfoknak azért nem 100VA trafót használ, akkor meg sokat már nem fog esni. Úgy számoltam hogy van neki +-62V stabil DC-je Számoltam 6V maradékfeszültséggel, ami annyit tesz hogy 2*62=124V abból kb 113 ami ki is vezérlehető csúcstól csúcsig,a ami alapján 8R-os terhelésre kijön 199W.
Nekem ez a tapasztalatom hogy a matek értékének közelében ki is szokott jönni még.
Így van. a bipoláris tranyók BE feszültsége ekkora áramoknál 0.7-1,5 V körül van, a mosfetek GS feszültsége ugyanebben a pozícióban 4-11 V (fet tipustól függően). Viszont ha ki akarjuk csavarni az utolsó wattot is a végfokból, érdemes a nagyjelű fokozat tápfeszét megemelni pár volttal. A D6,D7 utáni részről van szó. Akár a főtrafóra is lehet tekerni pár menetet, de egy kis beöntött 5VA körüli kis trafó is megteszi. Azt is csinálják, hogy a szekunder váltóból kétszerezővel majd egyszerű zéneres áramkörrel állítják elő ezt a feszt. Gyakorlatilag 10-15 V/20mA-es segédtáp kell mind a két tápfeszhez plusszba. Ez után nyerünk vele akár extra 8-10 V-ot a kimeneten. Tapasztalati érték alapján kb 15-18 %-ot szokott esni a tápfesz egy 150-300 VA -s toroidon, ha a névleges kimenő teljesítmény egyenlő a toroid névleges teljesítményével. Pld. ha a toroidod 300 VA-es, és terheletlenül előállít 2X 62 V-ot, akkor abból zenével terhelve kb 2x52 V lesz. segédfesszel max 49 V, segédfesz nélkül 43-45 V lehet a szinusz csúcsértéke. Tehát 300 W, módosítás nélkül 230-250 W lesz a kimenőd 4 ohm esetén. Ezek az értékek természetesen változhatnak, ha nagyobb a trafó terhelhetősége, esetleg bőven kap puffert, de még a zene stílusa is befolyásolja a kivehető teljesítményt.
Tehát nagyjából azt írtad a jelenlegi felállásban ez a fetes kapcsolás kb 65% ig vezérelhető ki ha megvan a normális táp.Egyebekben a maradékfeszt a fetekből egy segédáramkörrel nyerhetjük ki úgy hogy a meghajtás feszültségét stabiltápról állítjuk elő?
Csak a pár volt különbséget kell hozzáadni. Nem is kell stabil, elég szűrt 10-15V. Legkönnyebb rátekerni a toroidra.
A hozzászólás módosítva: Márc 20, 2016
Vagy másik topológiával, pl. VF2. Abban is fetek vannak, és 2-3V-nál több nem marad benne teljes kivezérléskor sem. Az már csak hab a tortán hogy annak még a hangja is elfogadható, azéval szemben ami az előző hsz-ban van csatolva, mert azé borzalmas.
Ez szubjektív,én nem találom borzalmasnak,ugyanazt a kapcsolást megépítettem én is egy bd 139 nyugalmi együtt futásos szabályzással.És nekem a hangja megfelelő.A VF 2 vel már szemezek egy ideje lehetséges hogy belefogok,csak ott is kellene egy olyan átrajzolat ami képes 8ohm on a kb 400w ra,mert alatta már nem igen használok erősítőt csak szobában.
d6 d 7 anód katódjára egy +- os szűrt táp és ennyi? A főtrafóval nem fognak össze brummolni?
Olyan éppen van, régebben feltettem a rajzát is, fotóval együtt. Nálam 430W jön ki belőle zenével 8 ohmra, áramkorlát is van benne (GF400 fantázianéven megtalálod a topikjában).
Igen VF2 nem jutott eszembe a neve azóta sem, Én is azt építettem meg annó végül, e helyett. Tényleg nem értem miért tűnnének el benne 10 voltok, tapasztalat hogy kijön belőle szépen minden.
|
Bejelentkezés
Hirdetés |














