Fórum témák
» Több friss téma |
Ha szkóp-képet teszel fel, legyen látható a kezelőszervek beállítása, vagy add meg a beállításokat!
A feszültség majdnem egyforma viszont egyik ellenállás 16.50kOhm a másik 17.09kOhm ez még határértéken belül van?
Az rendben van, jelenleg egy pont van az ernyőn középen mint írtad. A pontot a pozíció gombbal
jobbra is balra is ki kell tudni vinni a képernyőről. Ezt csinálná a fűrészgenerátor is ha jó lenne a trigger generátor. Függőlegesen a pont vonallá alakítható ha az Y bemenetre az osztónak megfelelő nagyságú jelet adsz.
Szerbusz.
Hogy tudnám leellenőrizni amit feltételezel?
Mérheted a V503 katódján a -390 V-ot, vagy legjobb lenne egy oszcilloszkópos mérés a TR605
kollektorán. Itt szép szinusz jelet kell mérjél 25-30 Vpp amplitúdóval. Ha van egy frekvenciamérőd csatlakozz 20-30 kohm körüli ellenálláson keresztül a kollektorra, 50 KHz körüli frekvenciát kell mérjél ha rendben működik az oszcillátor.
A pont megjelenik az ernyő közepén a pozició gombokkal tudom jobbra balra illetve fel le vinni a pontot akár képernyőről is el tudom tüntetni.
Első kép: Tiime/Div : 100 mVolts/DIV:20 Második kép: úgyan ezek a paraméterek csak akkor hozzáértem a mérőfejhez
Nincs vízszintes eltérítés, a fűrészgenerátor folyamatos működésű /AUTO/ megoldás az alagútdióda
vezérli. Az Y csatornába adott jel nélkül is vízszintes vonalat vagy kisebb eltérítési sebességnél balról jobbra mozgó pontot kell lássál.A tunneldióda szinkronozó jelét az Y csatornából vagy hálózatból vagy külső forrásból kapja a választó nyomógomb kapcsolókon keresztül. A szinkronozó jelek biztosítják az álló jelalakot a képernyőn. Ha nincs vízszintes vonal hibás a tunneldióda vagy áramköre.
Ma is megmértem a tunneldiódát 8.6-8.9 Ohm-ot mutat elvileg jó mivel tegnap írtad 0-30 Ohm között kell lenni. Szakadás vizsgálatba multival mérve egyfolytába sípol. Akkor elvileg a tunneldióda áramköre lehet a hibás? Ha igen mire lehet gyanakodni elko kondi vagy ellenállás?
A tunnel dióda jóságát egyértelműen a küldött képen lévő mérőkapcsolással lehet eldönteni.
Lehetne még működő készülékben kipróbálni, ill. szerezni egy kifogástalan példányt. A multiméterek többféle mérőfeszültséget használhatnak ohm méréskor. Az én analóg multiméterem 1,5V elemet használ ohm mérésre és 1 Kohm méréshatára a legkisebb, ennek mérési adatait adtam meg. A hozzászólás módosítva: Márc 11, 2016
Ezt nem gondoltam volna, hogy ebben a kis 1Mhz-es masinában tunneldiódás trigger van. Általában kb. 50Mhz felett szokott lenni.
Frappáns megoldás, a legegyszerűbb fűrészvezérlés és a trigger uis megoldva, sokkal kevesebb
alkatrész szükséges az X csatornához.
Sajnos nincs másik oszcilloszkópom illetve ma két elektronika boltban voltam egyikben se árulnak tunnel diódát. Így marad a méricskélés meg a probálkozás más nem jó lesz szobadísznek.
Boltban nem igen találsz, még a nagy elektronikai kereskedések kínálatában sem szerepel.
A külföldi aukciós oldalakon megtalálod onnan megrendelheted, próbálj meg itt nálunk az apróban feladni egy keres hirdetést talán van valakinek.
Sajnos tunnel diódát már nem gyártanak, és nem is létezik helyettesítő alkatrész vagy áramkör. Annyit tehetsz, hogy ha más munkaponti áramút tudsz szerezni, akkor lehet, hogy a kapcsolást át lehet alakítani.
ebay-en azért lehet kapni, főleg orosz eredetűeket.
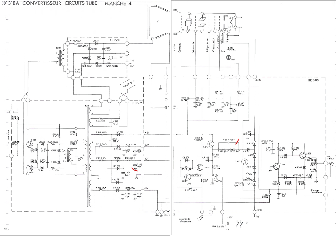
Keresem az OX318 tip. szkóp csövének adatlapját. Előre megköszönöm a segítséget.
D=10cm (négyszögletes) L=20cm belső raszteres 1,2 :fűtés1,2 3:Wehnelt 4:katód 5:fókusz 6:gyorsító 7,8:hor. 1,2 9:asztigm. 11,12:vert.1,2 13:kontraszt 14:geometria
Tudsz mindent, mi a típus száma ?
Ezt szeretném én is tudni, mármint a CRT tip.számát, a bekötést erről a rajzról vettem.
Mivel telepes üzeme is van a szkópnak, úgy gondolom, hogy a 100mA fűtés rendben van, de a fényerőt kevésnek találom pl. a Hameg 203-ához képest, pedig az csak 1kV-os ez meg 3.5kV-os. A katód–G1 rövidzárra sem ugrik fel az általam elvárt értékre a fényerő ill. a katódon lévő kb.30VDC változás sem fogja át a 0- max. fényerő tartományt. Szóval könnyebb lenne a javítás a cső adatainak birtokában. Mennyi szokott lenni a fűtés hideg/meleg ellenállás viszony? Esetemben ez 12ohm/75ohm. Gyártottak a franciák (pl. a Thomson ) szkóp csövet?
Mivel telepes üzeme is van, a 100 mA fűtés éppen elég, amugy tipikusan 300 mA környékén szokott lenni. Lehet a kis fényerő oka ha egyébként a feszültségek rendben vannak a legyengült
/ emisszió vesztett / cső. A fűtőfeszültség kismértékű emelésére ha javul a helyzet akkor ez lehet a gyenge fényerő oka. Gyártottak katódsugár csövet pl. THOMSON-CSF TH8203 0-250 MHz sávszélességű oszcilloszkóp csöve 24 kV gyorsítófeszültséggel, gyönyörű és igen drága darab. Az OX318-ról csatolok egy gépkönyvet, abból megnézheted a cső feszültségeit.
A Mulllard ’74-es „Pocketbook”-ban próbáltam hasonló CRT-t keresni. Ők (is) gyártottak ugyanolyan csövet 300mA-es és 95mA-es fűtéssel. Egyébként jó kis cső, 63V –ról mennek az eltérítések, pl. a vízszintes érzékenység kb. 10V/cm. Igazából a g1 lezáró fesz. értéke kéne, de majd kiméregetem.
Beégett szkóp csöveket láttam, legyengült emisszióst nem. Lemernéd robbantani, mint a tv-k csövét?
Pontosan ugyanezt végigjártam én is egy ilyen N-313-as szkóppal még a kilencvenes évek végén. Az eredeti baja az volt neki, hogy leégették a hálótrafóját, mert a biztije olyan hülyén van megoldva, hogy az egyben a feszválasztója is. Átkapcsolták 110V-ra, leégett. Rosszul tekerték újra, ettől működött ugyan, de nagyon halvány, homályos lett. A gazdája pedig totál széttekergette, az alagútdiódát is kidobta, mondván, hogy zárlatos. Miután teljesen szétgányolta, nekem adta. Na, innen szép nyerni. Én is hónapokig hajtottam ilyen diódát, míg a Rádiótechnika egyik hirdetésében szerepelt, hogy amatőr műhely felszámolásból eladóak cuccok. Ott sikerült ilyen diódát venni. Visszatéve a helyére, trafó újratekerve, minden potit visszaállítani, de végül összejött. Elképesztően sok munkaórát öltem bele, ma már nem csinálnám újra. Ha jól emlékszem, nekem is hasonló értéket mutatott az alagútdióda, szóval, lehet, hogy jó a tiéd. Első körben szerezz rajzot hozzá, nézd át a feszültségeket és csak ezután cserélj bármit is. A gyári rajza nagyon jó, az alapján szépen lehet javítani. A rádiótechnika egyik számában leközölték a rajzot is.
Sok sikert hozzá!
Nem tudom mekkora benne a vákuum, de a képen szépen le van műtve az elektródarendszer.
Ez egy quadropol lencse rendszerű cső ami az eltérítő lemezek után lett beépítve, így elérték az 1,2 V/cm !! érzékenységet.
Köszönöm a biztatást! Szerencsére van hozzá eredeti könyv amibe benne van a kapcsolási rajz illetve az alkatrészek pontos típusa értéke. Eddig csak az elkokat cseréltem benne. Azóta csak méricskélek illetve az alkatrészek helyettesítéséről érdeklödök informálodok. Igaz időhiány miatt lassabban megy a dolog de majd lesz belöle valami. Üdv!
Megjavítottam a szkópot. A tunnel dióda melletti KD521B dióda volt a rossz, ezt helyettesítettem 1N4148-as diódával és elindult viszont 1S illetve 100ms határoknál csak egy pont fut folyamatosan az ernyőn a többi méréshatárnál tökéletesen megy. Illetve van még egy hiba hogy nem tudom megállítani a képet max csak lassabb lesz mi lehet a gond akkor?
Az 1s és 100ms méréshatároknál természetes, hogy csak egy pontot látsz végigfutni, hiszen ilyenkor egy osztást 1s alatt tesz meg a pont (a többi méréshatárnál is csak egy pontot látnál, ha elég gyors lenne a szemed
) Az állókép hibáját még valamilyen szinkronozási probléma okozhatja. Idézet: „Nekem van 1” Ennyi év után, biztosan nosztalgikus hangulatba kerül a kolléga
Szervusztok!
Neki kéne állnom az Advance Instruments OS 25A nevű szkóp javításának. Anno kaptam hozzá valamennyi infót, hogy mit kell cserélni benne (nem komoly hibák, megvannak az alkatrészek), de az régen volt. Tudna valaki segíteni gépkönyvvel, kapcsolási rajzzal? Én hiába kerestem (ebben gyenge vagyok), csak a 250-es kétsugarasét találtam, ami jóval újabb, így nem nagyon 'analóg' ezzel. Köszönöm: Kálmán
Szervusz !
Itt megtalálod a gépkönyvét, sok sikert a javításhoz.
Nagyon köszönöm! Nem tudom, miért nem találtam meg, pedig a 'pofaképe' nekem is bejött. Akitől hoztam, elmondta mik a hibás alkatrészek (beszereztem). Tranzisztor nem volt a listán, de ez milyen (azon kívül, hogy NPN
)? Kerestem egyből, de 0. Van a javításhoz másik szkóp |
Bejelentkezés
Hirdetés |











)
)? Kerestem egyből, de 0. 




