Fórum témák

» Több friss téma
Fórum » Rádió építés a kezdetektől a világvevőig
Lapozás: OK   101 / 278
(#) tbalint3 válasza gerenk hozzászólására (») Ápr 28, 2016 /
 
Köszi, így már sikerült, azt hiszem meg is van ami nekem kell: Bővebben: Link
(#) gerenk válasza tbalint3 hozzászólására (») Ápr 28, 2016 /
 
Szívesen, a tuner hangolófeszültsége legyen stabilizált és jól szűrt, használhatsz DC-DC
konvertert is és akkor meg tudod oldani a tuner tápjáról is a hangolást.
(#) tbalint3 válasza gerenk hozzászólására (») Ápr 28, 2016 / 1
 
DC konvertert tervezek építeni, hogy egyszerűbben lehessen kivitelezni a tápegységet.
Ezt néztem, ez elvileg jó lesz, igaz? Bővebben: Link Innen van: Bővebben: Link, de a KF reszt nem így készítem, hanem SL1430-as IC majd SAW szűrő utána SA612 38,9MHz re hangolva ami lekeveri 10,7MHz-re a KF-et azután CA3089-es IC-vel demodulálok (50kHz sávszélességű 10,7MHz-es kerámiaszűrőt használok, hogy NBFM adásokat tudjak venni) + a végén egy LM386 a hangszóró meghajtásához.
Később tervezek egy komolyabb KF-et építeni amivel váltogatni tudok széles FM, keskeny FM és AM moduláció között, így tényleg univerzális vevőt lehetne építeni. Pl. ilyet: Bővebben: Link
Egyelőre mikrokontroller nélkül, kapcsolóval lehetne váltogatni a modulációs módok közt.

Mondjuk ez a kapcsolás is tetszik: Bővebben: Link erről az oldalról: Bővebben: Link. Ezzel komplett tévét lehetne építeni.
(#) gerenk válasza tbalint3 hozzászólására (») Ápr 28, 2016 /
 
Ne hagyd ki a projektből 950-1750 (2250) MHz-es sávot sem, 1090 MHz-en vannak a
ADSB adások, csak egy jó analóg SAT tuner kell hozzá.
(#) tbalint3 válasza gerenk hozzászólására (») Máj 4, 2016 /
 
Ez az ADS-B jól hangzik, de sajnos megfelelő tuner hiányában most nem tudom kipróbálni, majd talán később. Van viszont egy RTL-SDR USB-s vevőm, elvileg azzal is lehetne ezt fogni, csak kéne hozzá megfelelő antenna, pl ilyen: Bővebben: Link (mondjuk szép ára van postával együtt).

A következő lépés amit most tervezek ha elkészültem ezzel az analóg vevővel, akkor megpróbálok szerezni egy UV916-os tunert és PLL szintézerrel fogom hangolni a tunert.
Innen jött az ötlet: Bővebben: Link. Ezt viszonylag egyszerűen össze lehetne hozni, csak a felprogramozott PIC kell hozzá meg az MAX232-es IC. A KF rész egyelőre maradhat ugyanaz mint a jelenlegi vevőmnél.
Mondjuk eddig még soha nem dolgoztam mikrokontrollerrel (még PIC programozóm sincs), de egyszer el kell kezdeni.
Az igazi mondjuk az lenne ha találnék a tunerhez olyan kapcsolást amivel számítógép nélkül, nyomógombbal lehetne beállítani a frekvenciát és egy kis 2x16 karakteres LCD kijelzőre írná ki a vett frekvenciát.
(#) Kera_Will válasza tbalint3 hozzászólására (») Máj 4, 2016 /
 
Idézet:
„Ez az ADS-B jól hangzik”

Idézet:
„egy RTL-SDR USB-s vevőm, elvileg azzal is lehetne ezt fogni, csak kéne hozzá megfelelő antenna”

Antennának akár egy függőleges méretezett dipól is megteszi.Azzal kb.:150 - 200 km feletti távolságig elláthatsz attól függően milyen környezetben telepíted az antennát. 1090 MHz kb.: 2*8 cm méretű drót darab az egész köztük kb fél centi távolsággal
Pontosabban fél hullámú nyitott dipól esetén a 2 szál hossza 300 /1090 / 4 ~ 6,8cm köztük lévő távolság kb fél cm. Ha még ezzel se szeretnél foglalkozni akkor csak a levezető koax elején lévő kb.: utolsó 7cm darabon a külső szigetelést leveszed az árnyékolást vissza hajtod a külső szigetelő részre így is lesz egy nyitott dipólod.Persze érdemes a koax rövidülési tényezőjét is megnézni azzal számolni a tényleges hosszt amit vissza hajtasz.
A koax meleg erét és az árnyékolást beázás ellen védeni kell.
Lásd ezt : nyitott dipol koaxból(az alsó cső lesz valójában a koax árnyékolása
Ezt kell egy felhelyezni minél magasabbra a tetőre.
Mivel a dongle inkább 75 ohmos bemenetű akkor ezt 75ohmos kábelből egyszerűbb elkészíteni. (vételre mindegy 50/60/75 koaxot használsz)
A hozzászólás módosítva: Máj 4, 2016
(#) tbalint3 válasza Kera_Will hozzászólására (») Máj 4, 2016 / 1
 
Ez jónak és egyszerűnek tűnik, köszönöm. Hétvégén kipróbálom.

Más: Közben haladtam a tuneres vevőmmel. Mellékelek néhány képet. A KF rész panelját nem én marattam, kit formájában vettem, viszont az összeépítést és fúrást én készítettem.
A tuner melleti potméter egyébként az AGC beállítója és majd átköltözik onnan a bedobozoláskor.

Ami még hiányzik: 28V-os inverter MC34063 IC-vel, 10 fordulatú potméter és a yaxley kapcsoló.
(#) gerenk válasza tbalint3 hozzászólására (») Máj 5, 2016 /
 
Ajánlom figyelmedbe ezt a PLL projektet
(#) gerenk válasza tbalint3 hozzászólására (») Máj 5, 2016 /
 
A másik projekt egyszerű ADS-B decoder
Van ilyen analog SAT tuner ha érdekel.
A hozzászólás módosítva: Máj 5, 2016
(#) tbalint3 válasza gerenk hozzászólására (») Máj 7, 2016 /
 
Sikerült összeraknom mindent, működik is a vevő, rendesen át is tudom fogni a 45-860MHz-es sávot (analóg kábeltv adók hangjával ellenőrizve), viszont egy kis problémám azért csak adódott.
A 30 voltos inverter amit használok, hogy előállítsam a tunernek a hangolófeszültséget sajnos hihetetlen nagy zajt, zavart visz a rendszerbe. Erre úgy jöttem rá, hogy kiiktattam a rendszerből és csak a 7812-es stabilizátorra kötöttem rá a potmétert, így gyönyörűen működik nulla zajjal, viszont ez esetben a 12V-os hangolófeszültség miatt nem tudom rendesen kihangolni a tunert.
Erre tudna nekem valaki ötleteket adni, hogyan tudnám megszüntetni a zajt?
Illetve azt is megfigyeltem, hogy az MC34063 IC 1-es és 8-as lába közötti 170uH értékű tekercs hangot ad ki magából "halkan zizeg" olyan coil whine hoz hasonló a dolog és a potméter állításával változik a hang frekvenciája is.

Mellékelem az inverter kapcsolási rajzát és képeket is a vevőről.

Készítettem egy videót is (itt 137,1 MHz-re műholdra volt hangolva), de szerintem így is hallatszik valamennyire a műhold kattogása alatt az a sípoló zaj amit az inverter visz be vevőbe. Bővebben: Link

Egyébként már akkor is zajos lesz a vétel ha csak ugyanarra tápra kötöm az inverter mint a tunert, de még a 30V-os kimenetet rá sem kötöttem a potméterre.
(#) kristikoma válasza tbalint3 hozzászólására (») Máj 7, 2016 /
 
Idézet:
„hogyan tudnám megszüntetni a zajt?”


Hagyományos trafós tápegység, vagy akkupakkal. Kapcsolóüzemű táp+rádióvevő párosítás továbbra se jó ötlet.
(#) pucuka válasza tbalint3 hozzászólására (») Máj 7, 2016 /
 
Lehetne kapcsolóüzemű táppal is, de akkor mindent külön árnyékolva, szűrve. Ennél jobb megoldás, ha amiből előállítod a 12 V -ot, abból feszültség többszörözőt készítesz, úgy sincs túl nagy terhelése.
(#) dokidoki válasza tbalint3 hozzászólására (») Máj 8, 2016 /
 
Én elsőként nem kis fenntartással először alkalmaztam egy projektben a mellékletben szereplő konvertert. Hibátlanul teszi a dolgát ha sikerül bele békebeli ua723-t tenni. Az újabbakkal már nem működik jól, mert azok referenciája silány. Amit az egész kapcsolásból érdemes ellopni - adaptálni más kapcsolásokba, az a ki és bemeneti szűrés.

dc-dc.pdf
    
(#) ha1drp válasza tbalint3 hozzászólására (») Máj 8, 2016 /
 
Sajnos a rajzodon nem tudtam elolvasni az alkatrészértékeket, mintha a 170uH kevés lenne a kis áramokhoz. Az MC34063-hor rengeteg méretező program található az interneten: Link
Azonban saját tapasztalatom szerint rádiókba az MC34063 mindig sok zajt termel, hiába kötöttem több LC tagot a kimenetre, illetve árnyékoltam. Megoldás olyan kapcsolóáramkör, melynek frekvenciája 500kHz illetve feletti, pl. a TI-nél van jó pár ilyen.
(#) tbalint3 hozzászólása Máj 8, 2016 /
 
Köszönöm mindenkinek a javaslatait.
Most módosítottam kicsit az áramkörön, az invertert teljesen lecseréltem, először próbára 3db sorba kötött 9V-os elemmel próbáltam, tökéletes, zajmentes csak ez így nem gazdaságos.
Úgyhogy másodszor, most megépítettem ezt az invertert: Bővebben: Link 74HC14-es IC-vel, annyi módosítással, hogy a kimeneten lévő zener dióda nálam TAA550 típusú 30V-os, nem 33-as.
Ezzel is nagyon szépen zajmentesen működik mint az elemekkel. Úgy tűnik ez a probléma megoldva.
A dokidoki által mellékelt kapcsolást viszont mindenképpen ki fogom próbálni, mert van kéznél 723-as IC-m.

Más:
A másik viszont amit észrevettem (és ez független az invertertől), hogy a KF résznél, ha a tunerből kijövő 38,9MHz-es kimenet és a föld közé teszek egy 100nF-os kerámia kondenzátor akkor érezhetően javul a vevő érzékenysége, a gyengébb adások sokkal jobban hallhatók a hangerő emelése nélkül is és az egész vevő érzékenyebb lesz. Ezt vajon mi okozhatja?
Mellékelem a KF rész kapcsolását is.

kf rész.jpg
    
(#) Kera_Will válasza tbalint3 hozzászólására (») Máj 8, 2016 /
 
Ha nem akkuról járatod a vevődet akkor trafó szekunder oldali 12-15 voltját Villard féle feszültség duplázóval(sokszorozóval) is felemelheted, abba csak kondi és dióda kell .
Persze a stabil kimenethez kell egy zener 3x voltos.Ekkor az inverterek se kellenek bele elmarad azokból is a ciripelés.Na jó akkor a "medve brumm"oghat benne, igaz azt elkóval könnyen szűrhető.
Ha 100nF a kimeneten földre és hangosabb lesz ... nem-e impedancia illesztetlenség van a tuner kimenete és a KF bemenete között?
Meg kellene nézni tuner KF kimenetén lévő aktív elem adatlapját, hátha írnak valami kimeneti impedanciát.Erre kellene beállítani a KF paneled IC1 bemenetét is.Lehet induktívan kellene becsatolnod némi áttétel különbséggel emiatt.
(#) tbalint3 válasza Kera_Will hozzászólására (») Máj 8, 2016 /
 
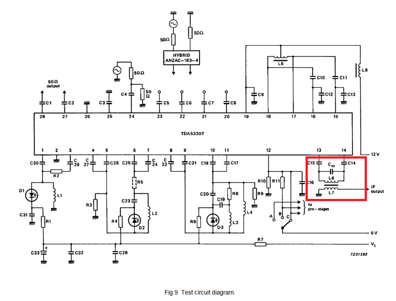
A tunerben TDA5330T IC van.
Az SL1430-as IF erősítő IC adatlapjának ajánlásban (2. oldal typical applications) a tuner KF kimeneténél van még egy sávszűrő (2 kondenzátor + 1 tekercs), de az értékek nincsenek feltüntetve.
Lehet, hogy a 100nF- os kondenzátor hiánya volt eredetileg is egy probléma?
Mert nekem most az IC bementén csak egy 10NF-os kondenzátor van.
Esetleg ha egy SAW szűrőt teszek a tuner és a SL1430-as IC közé a segítene vagy felesleges?
A hozzászólás módosítva: Máj 8, 2016
(#) Kera_Will válasza tbalint3 hozzászólására (») Máj 8, 2016 /
 
Minden filternek mint 4 polusnak van ki/bemeneti impedanciája.
Ha nem erre illeszted őket akkor teljesen más átviteli karakterisztikát adnak.
TV-s SAW filtert nem raknék bele bele azok a csonka oldalsávos AM-ű TV spectrunot próbálják utánozni (6-8MHz sávszél mellet). LC körökkel játszanék. Tuner kimenetre egy 39MHz párhuzamos rezgőkör és a kicsatoló tekercse kisebb/nagyobb menetszámú legyen mint a primer. Impedanciák függvényében.
Aha SL1430 input impedancia 300 ohm // 4,7 pF ! (linkelt pdf elso(133) oldal táblázat utolsó sora).a Tuner ic : TDA5330 adatlapja alapján első oldalon 100 ohm írnak. beljebb pedig van egy szép nyqist diagram is az kf outputra itt pedig S22 szerepel amit ki is nagyítanak a 11oldal 8 ábráján. Akkor legalább 1:3 impedancia arányú illesztést kell megoldani ha valami más nem látszik ki a görbékből.
No igen a kf elvi rajzon lévő C-LC-C PI tag a tipikus Collins szűrőre utaló elrendezés.
Ehhez hasonlóval szokták az adó végfokokat is illeszteni az antennákhoz ... ott a 100-as szögtől a drótkerítésig miden le lehet hangolni .
A hozzászólás módosítva: Máj 8, 2016
(#) petermusica válasza tbalint3 hozzászólására (») Máj 8, 2016 /
 
Talaltam en is egy tv roncsot,benne volt mind ez meghozza modulokban,tuner kep kf es hang kf modul ami TBA 120-al mengyen,csak a KF szurot es demodulator tekercset kellett kicserelni,megvannak a hangolo potik is es a csatorna sav valto mechanika is,ez a legegyszerubb megoldas ilyen FM vevo epitesere.A 38,9 mhz-es KF nallam tekercsekkel van de megy igy is egesz jol.A 30 voltos tuner hangolo feszultseget en egy kis trafoval oldottam meg,egy 24 voltos (2x12),utana egy feszultseg duplazo es egy kis stabilizator egy 33V-os zenner diodaval
A hozzászólás módosítva: Máj 8, 2016
(#) pucuka válasza tbalint3 hozzászólására (») Máj 8, 2016 /
 
A TV tunerből eredetileg nem földfüggetlenül jött ki a jel? Akkor lehet, hogy ha asszimetrikussá teszed, megnő a jelszint.
(#) petermusica hozzászólása Máj 8, 2016 /
 
Most itt egy masik probalkozas egy drotnikuli telefon roncsbol ,egy nagyon szelektiv Fm vevot probalok epiteni ,az elso KF fokozat 10,7 mhz,a az le van keverve 455 mhz-re es azutan jon a demodulacio,a tuner egy hagyomanyos FM radiobol szarmazik a CCIR savra,ha mukodik megprobalom a TV tunerrel es a 38/10,7 mhz-es fokozattal osszekotni,igy lesz egy 3X-os frekcvenciavaltasos FM vevo
A hozzászólás módosítva: Máj 8, 2016
(#) pucuka válasza petermusica hozzászólására (») Máj 8, 2016 /
 
Nem lesz jó, mert a 455 -ös szűrő sávszélessége kevés lesz. Az eredeti helyén 20 kHz volt, és neked az FM vételhez min 180 kHz sávszélesség kellene. Ilyen 455 KHz -es szűrőt én még nem láttam.
(#) Kera_Will válasza pucuka hozzászólására (») Máj 9, 2016 /
 
Sajnos a tunermodul alsó fizikai kivezetéseit nem ismerjük , de az adatlapon valóban szimmetrikus be/kimenetű az áramkör.Akkor előfordulhat , hogy aszimetrizáló áramköri rendszert kellene használni a csatolásban ha ezt a tuneren belül nem tették meg.
Vagy szimmetrikus bemenetű KF erősítővel fogadni. NE612 is lehet szimmetrikus bemenetű.
A hozzászólás módosítva: Máj 9, 2016
(#) tbalint3 válasza Kera_Will hozzászólására (») Máj 9, 2016 /
 
pucuka + Kera_Will:
A TV tunernek aszimmetrikus KF kimenete van (csak 1 KF kivezetés jön ki belőle).
Ez a pontos típusa és a lábkiosztása is megegyezik: Bővebben: Link

A KF áramkörnél pedig az SL1430-as bemenete szintén aszimmetrikus (5-ös lábán megy be a tunerből jövő jel), majd az IC kimenete (2-es és 3-as láb) viszont már szimmetrikus és az megy a KF trafón keresztül a SA612-es IC-vel felépített keverőbe.
(#) pucuka válasza tbalint3 hozzászólására (») Máj 9, 2016 /
 
Csak volt egy ötlet, hogy miért lett érzékenyebb a 100 nF -os konditól.
(#) Kera_Will válasza tbalint3 hozzászólására (») Máj 10, 2016 /
 
Akkor marad az a feltevés , hogy az impedencia illesztés nem jó (TUNER kimeneti és a KF erősítő bemenete között).Tuner kimeneti rezgőköre, trafója megnézendő avagy ténylegesen milyen módon van a fémházból való "RF jel kijárás" megoldva(belenézni a házba esetlegesen feltérképezni a TUNER KF kimenetét).
A hozzászólás módosítva: Máj 10, 2016
(#) pucuka válasza Kera_Will hozzászólására (») Máj 10, 2016 /
 
Csak azt nem tudom, mit kell ezen ennyit rágódni. Aki beépítette a tunert, annak a kezében van, csak bele kell nézni, és egyértelműen látható is. Pláne, ha szólnak is, hogy meg kéne nézni.
(#) tbalint3 válasza pucuka hozzászólására (») Máj 10, 2016 /
 
Levettem a tuner mindkét oldalán az árnyékoló fémlemezt, onnan is tudtam, hogy milyen IC-n alapszik (TDA5330). A tunerben van egy KF trafó közvetlenül a kimenet előtt ami így van bekötve: primerre van az IC szimmetrikus kimenete kötve, a szekunder egyik lába maga a KF kimenet a másik pedig a földre (GND) van kötve, pont mint az IC ajánlott bekötési rajzánál az adatlapjában.

Illetve végül kiderült, hogy miért volt érzékenyebb a vevő ha a 100nF-es kondenzátort hozzákötöttem a KF kimenethez: Igazatok volt, valóban a tuner és a KF panel nem volt összehangolva:
A KF részben a SL1430-as IC utáni a tekercs nem volt rendesen behangolva továbbá még a CA3089-es IC-nél levő 10,7MHz-es második KF trafó sem volt rendesen beállítva, most hogy viszont hogy az összes KF trafó megfelelő, rendesen működik a vevő és nem befolyásolja az érzékenységet.

A tekercsek behangolását úgy végeztem, hogy a 70cm-es amatőrsávban egy adásra ráálltam, majd addig állítottam a tekercseken amíg a legerősebben nem tudtam fogni az adást.
A hozzászólás módosítva: Máj 10, 2016
(#) Kera_Will válasza tbalint3 hozzászólására (») Máj 11, 2016 /
 
Jaaa , hogy a leglényegesebb műveletet el sem végezted ! Csak most utólag, akkor nem is csodálkozunk az elért eredményeiden.
A hozzászólás módosítva: Máj 11, 2016
(#) tbalint3 hozzászólása Máj 16, 2016 /
 
Sikerült "megépíteni" a koaxkábel antennámat 1090MHz-re, és működik is. Kb. a pest megye fölötti gépeket látja is a dekódoló program (ADS-B Sharp + adsbScope). Telneten pedig látom a nyers adatokat is amit vevő fog. Itt ellenőriztem a vevőt: Bővebben: Link és egész jól működik ahhoz képest hogy csak egy egyszerű koax antenna van rajta. Sőt még a műholdazáshoz használt 137MHz-re hangolt keresztdipóllal is tudom fogni valamennyire.

A másik amit még találtam az interneten : AIS: Bővebben: Link elvileg ez majdnem ugyan az csak vízi járművek részére. Ezzel próbálkozott már valaki?
A hozzászólás módosítva: Máj 16, 2016
Következő: »»   101 / 278
Bejelentkezés

Belépés

Hirdetés
XDT.hu
Az oldalon sütiket használunk a helyes működéshez. Bővebb információt az adatvédelmi szabályzatban olvashatsz. Megértettem