Fórum témák
» Több friss téma |
Fórum » Autó-generátor nem tölt rendesen
A fantomtápos antennának épp az a lényege, hogy a jelkábelen megy a táp is. Nem kell neki külön vezeték. Kereshetnél képet és belinkelhetnéd ide... És mivel a két szabvány más csatlakozót használ, ezért gondolom, hogy az volt, vagy most az...
A hozzászólás módosítva: Jún 6, 2016
Ilyen volt Bővebben: Link
Mármint gyárilag ilyen dugó volt rajta A hozzászólás módosítva: Jún 6, 2016
Ja és nemtudom számit e valamit de a gyári fejegység van most az autóban. Igaz próbáltam 3 másikkal is és ugyanaz volt sajnos.
Milyen antenna volt és van most benne?
Hello. Ha minden igaz a gyári antenna volt benne aminek a szárát sem lehetett kicsavarni. Márkát sajnos nem tudok. A mostani bottari ha jol irom.
Szia!
Idézet: Még mindig nem írod, hogy mióta van ez a recsegés vagy már ekkor is meg volt? Talán az RF ajzat közép kivezetése törött a készüléken belül a panelnál és ez okozza a recsegést amikor éppen "kontaktust vált". Ha most nem kell használnod átalakítót akkor a csatlakoztatott antenna kábelt megmozgatva az aljzatban lehet-e hallani a recsegést? „A gyári antennám eltört és a kábelen a dugóhoz is átalakítót kellett használnom ami mindig kikotyogósodott ezért gondoltam hogy cserélem azt is.”
Szia. Régebben is elöfordult hogy bezavart valami de inkább csak kietlen tájakon. A gyári antennám eltört akkor kezdödött ez. A vicc az egészben hogy törötten is jobb volt a vétel vagy csak az idö szépitette meg. 4 különbözö fejegységgel is kiprobáltam és mindnél produkálta. Van hogy tolatásnál van hogy fékezésnél de leállitott motornál is jelentkezik. Holnap még azt szeretném megkeresni hogy a rádio honnan kapja a testet nem e valami véletlen folytán ponn akkor korrodált be vagy lazult meg. Arra esetleg ötlet hogy hol keressem? Vagy kövessem a kábelt? Egyáltalán lehet ez a gondom? Már nem tudom mire gondoljak.
A hozzászólás módosítva: Jún 6, 2016
Már lassan egy hete antennát szereltek itt, pedig ez a generátoros topic.
Elnézést kérek máris ”átköltözök”
. Mentségemre legyen szolva mikor elkezdtem kérdezösködni még azt hittem onnan indul a problémám. Mégegyszer elnézést.
Sziasztok! BMW E39 520i. Miután hamar kinyúvadt két digitális monoblock, gyanakodni kezdtem a feszültségekre. A műszerfalon tudok feszültséget monitorozni, stabilan tartja akár alapjáraton is a kerek 14v-ot. Csakhogy fordulat leeséskor olyan 1200 környékén úgymond elejti 13 körülre terhelés nélkül, fényszóróval 12,8, nagy basszussal meg már ki sem mertem próbálni. Aztán alapjáraton szépen pillanatok alatt vissza is áll a 14 és tartja. Na ezt vajon mi okozhatja? Valószínűleg ezek a pillanatnyi feszültségesések nyírhatták ki az erősítőimet. Amúgy a generátor Bosch 90-es, akksi fél éves Bosch 90-es...
A "nyuvadásnak" más oka lesz. Ennyi erővel minden indítás vagy kikapcsolás után erősítőt cserélhetnél.
Nem gondolom, mert indításnál nem üzemel az erősítő, ergo a tápja is ki van kapcsolva, nem fogyaszt. Én arra gondoltam, hogy üzem közben pont akkor eshetett le a fesz amikor az erősítőnek szüksége lett volna az amperekre egy komolyabb mélynél. Amúgy érdekes módon mindkettőben a táp fetek durrogtak el. Ezért gondolok feszültség hibákra.
Igen azok szoktak eldurranni benne, de nem hiszem, hogy ilyen kis fesz esés miatt lenne. Tegyél közvetlen elé, vagy 100.000µF kondit, s meglátod.
Üdv!
Tipp: letört antenna, lecsökkent jelszint, jel-zaj viszony megnőtt, a kábel felől bejövő zavarok jobban hallhatóak a jó előerősítő miatt. Bontóból egy komplett gyári erősítős antenna, pálcával nem segít? A fantom táp ne a távtáplálás megnevezést takarja? (Mindenesetre tényleg nem ez a téma helye, és bocs, de itt találtam meg.)
Üdv!
Van egy Daewoo Racer-em, a gyújtás ráadásakor a töltés visszajelző világít, és amikor elindul a motor akkor kialszik. Viszont az lenne a probléma vele, hogy a feszültség elkezd csökkenni, és az izzó megint világít, és nincs is töltésem. Szerintetek mi lehet a probléma? Olyan mintha a nagyáramú gerjesztés nem menne. Akku jó, vezetékek jók. Két vezeték megy rá, mind kettőnél testhez képest akku feszültséget mértem, gyújtás ráadásakor. Köszi! A hozzászólás módosítva: Júl 28, 2016
Mérj feszültséget a generátor háza és az akku - között járó motornál. Ha sikerül akkor a generátor testelésével van gond. Ha nem, akkor a feszültség szabályozó, vagy a szénkefék rosszak.
Köszi! Nincs közte potenciál különbség. A generátor kb 1,5 éves.
Ha csak az előgerjesztést használom, akkor mekkora áramot tudok kivenni a generátorból?
Sziasztok,
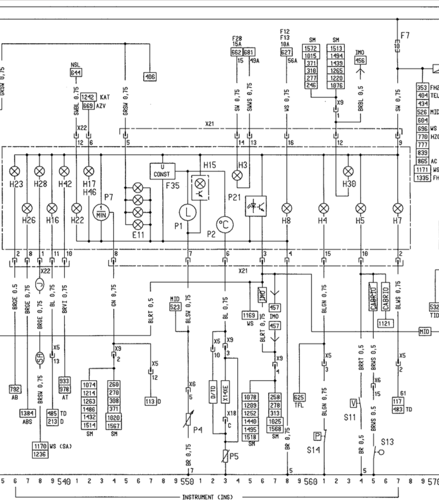
Segítséget szeretnék kérni egy F Astra generátorával kapcsolatban. Az utóbbi hetekben párszor történt olyan, hogy nem aludt teljesen el a töltésellenőrző lámpa, hunyorgott, néha felvillant, aztán következő nap meg mintha semmi baja nem lenne. A múlt hét végén elvittük egy félig-meddig ismerős autószerelőhöz (már rettenetesen bánom, de nem nagyon volt vele időm foglalkozni), aki pár mérés után kijelentette, hogy nincs töltés, a generátor rossz, ki kell cserélni. Kedden betette az "új" generátort, és továbbra sem volt töltés, egy egész álló nap bogarászott vele, aztán tegnap este visszaadta az autót, hogy vigyem el autóvillamosságishoz, mert ő nem tudja, mi van vele. Ma a fiam körbe-karikába végigmérte az egész generátort és környékét, a vezetékeket a motortérből a műszerfalig, stb. Ráadásul van itthon másik F Astra, aminél ellenőrizni is tudta, hogy ott mit lát. Szóval az tűnt fel neki, hogy a mellékelt rajzrészleteken a 117-es pozícióból induló, a műszerfalban az 567-es pozícióban lévő töltésellenőrző lámpához menő kék-fehér vezeték álló generátornál mintha a levegőben lógna. Álló generátornál ennek a vezetéknek kellene testet szolgáltatni a töltésellenőrző lámpához, ami így nem is világít. Most így meg kell kérdőjelezni azt, hogy egyáltalán ez a generátor jó-e. Tud valaki segíteni, hogy jó felé gondolkozunk-e, vagy hogy mit nézzünk/mérjünk még meg? Minden segítséget előre is köszönök!
Üdv!
A generátor próbája egyszerű. Vezesd fel a D+ t elérhető helyre. testet kapnia nem szabad. HA egy próbalámpával 4-5 W izzón keresztül adsz testet, gyújtásra az égő világít. A motor elindítása után az égő elalszik, nincs szükség rá tovább, a fordulattól függően a töltőfesz az akkun változik. Akksi probléma is lehet, én így jártam.
Köszi a választ, de nem teljesen világos.
Idézet: - nem pozitívra gondolsz? A D+ (kék-fehér) vezeték a töltésellenőrző lámpán keresztül a (gyújtáskapcsolt) pozitívra megy eredetileg.„egy próbalámpával 4-5 W izzón keresztül adsz testet” Egyébként ezt próbáltuk: a D+ és az akksi + sarka közé tettünk egy izzót, ami nem világít se álló, se járó helyzetben. Akksifeszültségen nem látjuk, hogy változna gázadásra. Az akku egyébként pár hónapos, és szerintem semmi baja. Egyik nap felhoztuk és automata töltőre tettem. 12.3V-ról indult az akku, kb. 12 óra után kapcsolt ki az automata, 14.6V körüli kapocsfeszültségnél, közben végig 4-5A körül mutatott az árammérője.
Bocs nem kell gyújtás se hozzá.Ha az ellenőrző lámpa testet kap világítania kell. ha forogni kezd a generátor elalszik, innen mindegy van e test öngerjesztés miatt van töltés amíg forog. Ha gyújtásra az ellenőrző lámpa vagy a próbalámpa aD+ és a test közt nem világít, az fesszabályzó hiba. (A D+ testet nem kaphat, mert a fesszabályzó tönkremegy.)
Hagyományos rendszerű generátornál a töltésjelző lámpa egyik lába gyújtás +12v-ra van kötve. A másik lába a generátor D+ csatlakozójára van kötve, erre a pontra kapcsolódnak a gerjesztődiódák és a fesszabályzó is. Ha nem jár a motor, ez a csatlakozó a fesszabályzón, a keféken és a forgórészen keresztül testen van, emiatt világít a lámpa.Ha a lámpa nem világít, amikor a gyújtást bekapcsolod, az a következők miatt lehet:
- a lámpa nem kap +12 v-ot a gyújtáskapcsolótól, - a lámpa kiégett - a kefék kopottak, és nem adnak testet a lámpának a forgórészen keresztül - a kefetartók koszosak, a kefe(kefék) megakad(nak) és nem éri el acsúszógyűrűt (ket) - a forgórész szakadt - feszültségszabályozó rossz. Amikor a motor beindul, a lámpán keresztül a fesszabályzó +12v-ot kap, és előgerjeszti a forgórészt. Az állórészben ekkor már indukálódik akkora feszültség, hogy a gerjesztődiódák tudnak a generátor teljes gerjesztéséhez elegendő feszültséget adni. Ekkor a D+ csatlakozón pozitív feszültség jelenik meg (az, hogy mekkora, a fesszabályzótól és a bekapcsolt fogyasztók teljesítményfelvételétől függ). Ekkor a lámpa a D+ -ról is pozitív feszültséget kap, és a gyújtástól is, ezért nem világít.
Sziasztok, szilva fia vagyok.
Gyújtáskapcsolt 12V van, akku földdel nézve. A lámpák is jók voltak, amikkel próbáltam, tehát ez sem lehet gond. Az akku pozitív sarka és a D+ közé közvetlenül is próbáltam berakni egy izzót, de az sem világított. A dolog érdekessége, hogy a műszerfalban az izzó helyén, ha nincs bent izzó, megjelenik az akkufeszültség, de áramot mérve izzóval kb 0,2mA tud folyni. Az nem lehet esetleg, hogy a szerelő felcserélte a D+-t a B+-szal? Kép alapján nem egyértelmű nekem sem. A generátorra a képen jobb oldalt szereplő csatlakozásra van kötve a gerjesztés, az alsó csatlakozóra pedig az akku pozitívja, és a generátor képe alapján a generátor házára így is van ráírva. Ugyanakkor a képen látható csatlakozókiosztást én úgy értelmezem, hogy pont fordítva van. KÉP Köszönünk minden segítséget!
Szia,
Bekötés: szerintem, ami magán a generátoron található jelölés a mérvadó, de ha tudod, akkor hasonlítsd össze a másik Astrátokkal, hogy ott, hogy van a bekötés. Szerintem az "új" generátorotok nem jó. Alapállapotban a D+ adja a töltésellenörző lámpának a testet, a lámpa másik sarka +12V-ot kap. Világítania kell, ha ez nem teljesül, akkor hibásak lehetnek az előzőleg felsorolt dolgok.
Felcserélni nagyon nem lehet, hiszen a B+ az 8-as csavar, a D+ pedig 6-os. Így a 6-os kábelvéget nehezen tudná rátenni a 8-as csavarra.
Ha a D+ és az akku pozitív sarka közé kötött izzó nem világít, akkor a generátor rossz. Lehet kopott a kefe, vagy hibás a szabályzó.
Akkor nem én vagyok a hülye ezek szerint. Tényleg a generátor volt rossz, autóvillamossági szaki is rámért és rögtön rávágta. Persze a "szerelő", aki belerakta még így is húzta a száját rá, hogy szerinte ennek semmi baja és biztos az autóban rossz valami...
Üdv!
Természetesen kihagytam az autót mint hibaforrást. A "teszt" a D+ és test/ + 12V közt egy próbalámpával szólt. (Nekem Olasz autóm van, és a gyújtáskapcsolón keresztül független kapcsolón keresztül jön az eellenőrzőlámpára, és onnan testre. Gondolom itt a generátor ellenőrzésének hatékony ellenőrzése volt a cél egyszerű eszközuel (próbalámpa). ). Én is ezzel a problémával szenvedtem egy hónapja, (ráadásul külföldön),de az autóm fajzát letöltöttem előtte. Az a lényeg segítettük. ![]() Még egy. A kommutátor gyűrű kopottságát érdemes ellenőrizni a fesszabályzó cseréjekor későbbiek végett. A hozzászólás módosítva: Júl 30, 2016
Üdv! A mellékelt képhez kérném a segítségeteket, hogy a bekarikázott részt hova kell kötni. Ezek a gerjesztő diódák. Az előzőek eltűntek, gondolom kiolvadtak. A szabályzóban nem találok olyan csatlakozót ahova menne. Ja, egy daewoo nexia generátor ez
. Elvileg az lenne a D+ . Köszi! A hozzászólás módosítva: Júl 30, 2016
|
Bejelentkezés
Hirdetés |





. Mentségemre legyen szolva mikor elkezdtem kérdezösködni még azt hittem onnan indul a problémám. Mégegyszer elnézést.



. Elvileg az lenne a D+ . 
