Fórum témák
» Több friss téma |
- Ez a felület kizárólag, az elektronikában kezdők kérdéseinek van fenntartva és nem elfelejtve, hogy hobbielektronika a fórumunk!
- Ami tehát azt jelenti, hogy a nagymama bevásárlását nem itt beszéljük meg, ill. ez nem üzenőfal! - Kerülendő az olyan kérdés, amit egy másik meglévő (több mint 17000 van), témában kellene kitárgyalni! - És végül büntetés terhe mellett kerülendő az MSN és egyéb szleng, a magyar helyesírás mellőzése, beleértve a mondateleji nagybetűket is!
Szia! Az STA515-ös kinyögi a 20W-ot, hídban a 40-et. A szatellitekről pedig a DSP levágja a mélyet, ezért elég kisebb méretű hangszóró. Mozizáshoz elég hangos, nem?
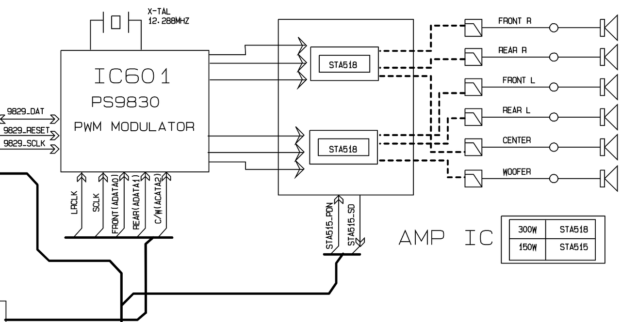
Ezen a rajzon mondjuk nem tudom, hogy most akkor STA515, és STA518 is van, vagy miért van oda írva, és hogy miért van az STA518-hoz 300W írva, ha az adatlapján 100W, és a 2x4 csatornából hogy jön ki 6.
De ha mindezt érteném, akkor is 40W a táp. Nem az a kérdés, hogy nekem ez elég-e. (Amúgy se nagyon tudok DPL2-őt adni rá.) Az a kérdés, hogy a valós adatok mik, és hogy jönnek ki? Hogy ha nézek más készülékeket, vagy csinálnék erősítőt, vagy valami, akkor tudjam, hogy igazából hány wattos erősítő, és hány wattos hangszóró az, amire ezek vannak írva.
Köszi az eddigieket. ajtók negatívot kapcsolnak, riasztáskor pozitív megy a szirénára.
Valószínű avr lesz benne.
Lepattintod tetejét (vagy alját) és megméred a tápfeszültséget, amit látatlanban 26V-ra tippelek, abból kiszámíthatók a valós adatok.
Ami a tápot illeti, a 40W valami fogyasztási átlag lehet, nem határérték. Az erősítő méretezéshez válasszunk valami célirányosabb témát!
De én arról is tudni akarom, amit nem tudok megmérni. Mert az a lényeg, hogy össze tudjam hasonlítani.
Plusz hogy számolnám ki, ha nem tudom, hogy van-e benne STA515, és miért van az STA 518-ra 300W írva, és ha nem tudom, hogy a 2*4 csatornából hogy lesz 6? A 40W a hátán van a tápfeszültség mellett: 200-240V ~ 50/60Hz 40W.
A teljesítménynek nem ismérve az IC típusa, csak a tápfesz és a hangszóróimpedancia. Utóbbi ismert, az előbbit pedig különösebb fáradság nélkül megmérheted. A számításban szívesen nyújtok segítséget.
Üdv!
A 2x4 csatornából úgy lesz 6, hogy ennek az egységnek a bemenete digitális. Valójában 5db vezetéken jön be a hang adat (több csatornás I2S busz): - RLCLK: Jobb és bal csatorna kiválasztó órajele (Word Clock). - SCLK: Fő órajel (Bit Clock). - FRONT ADATA0: Első hangszórók adatvonala (Jobb + bal csatorna). - REAR ADATA1: Hátsó hangszórók adatvonala (Jobb + bal csatorna). - C/W ADATA2: Center + Sub adatvonala. A maradékon csak a processzortól kapja az utasításokat és a reset-et.
hali!
Az IC rajz szabvánnyal kapcsolatban szeretnék kérdezni, a lent lévő kapcsolási rajzon az ic kivezetésein vannak a kivezetés számai és a másik képen az ic adatlapja. Szóval a kérdésem hogy a kapcsolási rajz elhelyezkedését vagy a számokat kell nézni ? ( szerintem az utóbbi de erősítsetek vagy cáfoljatok meg)
Az IC kimenetei a legritkább esetben vannak sorrendbe rakva a valós tokban, tehát a kapcsolási rajzon lévő számok a lábszámozást jelölik. A belső számok az IC kimenetei, többnyire az adatlap szerint elnevezve.
Ha megnézed a kapcoslási rajzot, láthatod, hogy négy oldalon is vannak kivezetések, ez a valóságban nincs így. A kapcsolási rajzon csoportosítva vannak funkciók szerint, különben nagyon megnehezítené a rajz megértését ha a valós, fizikai elrendezést vennék alapul. A hozzászólás módosítva: Júl 13, 2016
kösszi
![]() Már ép szerkezetem a nyák tervet, de közben találtam még 1 dolgot amiben bizonytalan vagyok (kép lent, gyorst megcsináltam légkötéssel hogy látható legyen) a terv működne akkor is ha Ic lábait ( a 15;14;13 és a 4;5;6) úgy felcserélném ha hogy ne keresztezzék egymást a vezetősávsakk. De hiába ,,össze vissza villogó" valami rendszer lesz a villogásban esetleg ezt zavarná be ? ( ez előző kapcsolási rajz ) Egyébként az egyenirányító elkészült ( Ami az előző kérdésem volt, és te válaszoltál rá )
Felcserélheted a kimeneteket, ez nem fogja befolyásolni a működés alapját, de így össze-vissza fognak világítani a LED-ek. Már ha ez a cél.
akkor rendben mert alapból (a fel nem cserélt) kapcsolásnak az a neve, hogy össze-vissza villogó . Köszi
Ez nem teljesen igaz, mert binárisan számol, amiben azért van logika.
Sziasztok!
A kapcsolóüzemű tápegységek működnek egyenáramról is? Mert hogy a bemenő áram először egy egyenirányítóba kerül, és szűrés után lesz belőle kb.: 325-V. És ha megtáplálok 325-V DC. vel mondjuk egy asztali PC-t, vagy bármilyen olyan eszközt amiben kapcsoló üzemű tápot találtuk, akkor azok elvileg működni fognak. Vagy vagy ha nem javítsatok ki
Működni fog. Sőt, 325V sem kell hozzá, mert a legtöbb táp 100V~ -tól is működik (hogy csatlakozó-, vagy házcserével jó legyen a 110V-os hálózatokra is). Emiatt valószínűleg már 140-150V egyenfeszültségről is működik.
Üdv!
Meg tudnátok mondani a terven látható két ugyan olyan alkatrész nevét. Ha jól tudom akkor az valamilyen hőérzékelő, mivel ez egy venti. szabályzó. Előre is köszönöm!
Na, ne viccelj.
Középen két tip127 tranzisztor jobb szélen 2,2k potméterek talán, de oda van írva.
Melyikre gondolsz, a karikásra, vagy a négyzetesre? De a rajz hibás, mert forgókondenzátor jel van potméterhez rendelve....
A hozzászólás módosítva: Júl 14, 2016
Az aminek a közepében van két párhuzamos vonal és átlósan egy nyíl!
Igen, az egy forgókondenzátor! Tedd fel az egész rajzot.
Már megoldódott, azok trimmer potméterek!
Azért köszi a segítséget! A hozzászólás módosítva: Júl 14, 2016
Sziasztok !
2 kérdésem lenne: 1. Egy belépésjelzőhöz hasonló, 2 részből álló kütyüre lenne szükségem, ami állna egy PIR érzékelőből, ami mozgásra jelet küld a hangadó egységnek, utóbbi viszont nem riasztana, meg nem bim-bammolna, csak pittyenne egyet (olyasmit, mint amikor az autóriasztót beélesítik, csak halkabban), aztán további mozgás esetén is várna még 10-20másodpercet csöndben, mielött újra jelezne. Ilyen kütyüt nem találok sehol készen. Az ajtónyitás érzékelő nem jó, mert fontos lenne, hogy a hangot adó egység távol legyen az érzékelőtől. Hogyan lehet ezt összehozni, mit kell hozzá venni, szétberhelni ? 2. Létezik olyan sufni, szerviz vagy akármi, ahol ilyen elektro dolgokat meg lehet építtetni, ha én nem boldogulnék vele ?
PIR érzékelő-> időzítő (relé, 555(ök)...)->vezeték nélküli csengő?
Idézet: „Az ajtónyitás érzékelő nem jó, mert fontos lenne, hogy a hangot adó egység távol legyen az érzékelőtől.” Attól, hogy másutt szól, még nem kell mozgásérzékelő. Idézet: „PIR érzékelő-> időzítő (relé, 555(ök)...)->vezeték nélküli csengő?” Ennek mintájára: Reed relés nyitásérzékelő -> Vezeték nélküli csengő? A hozzászólás módosítva: Júl 15, 2016
Szia! A riasztóknak van ilyen funkciója (legalábbis a DSC-knek). Ott a keyboard, vagyis a kezelő piezója adja a hangot - ez a drágább változat. Az olcsóbb verziók ilyenek.. Milyen messze lenne a hangadó rész az érzékelőtől? Egyébként ez klasszikus vagyonvédelmi megoldás, ilyen üzletekben nagyobb sikerrel jársz.
Köszönöm az eddigi válaszokat !
Attól tartok, hogy az időzítő ic forrasztgatáshoz suta vagyok. Kihagytam, hogy szabad térbe kellene, ahová bármilyen irányból betévedhet valaki, ezért gondolkodtam PIR-ben. 20-40 méterre lenne a hangadó az érzékelőtől. Én nézegettem több oldalon ilyen belépésjelzőket, de nem találtam olyat, ami diszkréten csak pittyenne egy határozottat. Ja, egyébként a lakásriasztók tudnak ilyet produkálni, mielött élesbe vinnyogni kezdenének.
Sziasztok!
Lenne egy kérdésem hozzátok. Adott egy, vagy több LED "izzó". Megoldható-e ezen lámpák fényerő-szabályozása? Köszönöm szépen! Idézet: „Ja, egyébként a lakásriasztók tudnak ilyet produkálni, mielött élesbe vinnyogni kezdenének.” Az a "door bell" (ajtócsengő) funkció, amit kaméleon2 mester is emlegetett... Vinnyogás nélkül
Szia!
A LED nem izzó és nem lámpa, mint a neve is mutatja: fényt kibocsájtó dióda, tehát félvezető eszköz. A fényerő szabályozása az átfolyó áram változtatásával megoldható. |
Bejelentkezés
Hirdetés |









) 






