Fórum témák
» Több friss téma |
Fórum » Kapcsolási rajzot keresek
Témaindító: Kallai Csaba, idő: Márc 11, 2006
Témakörök:
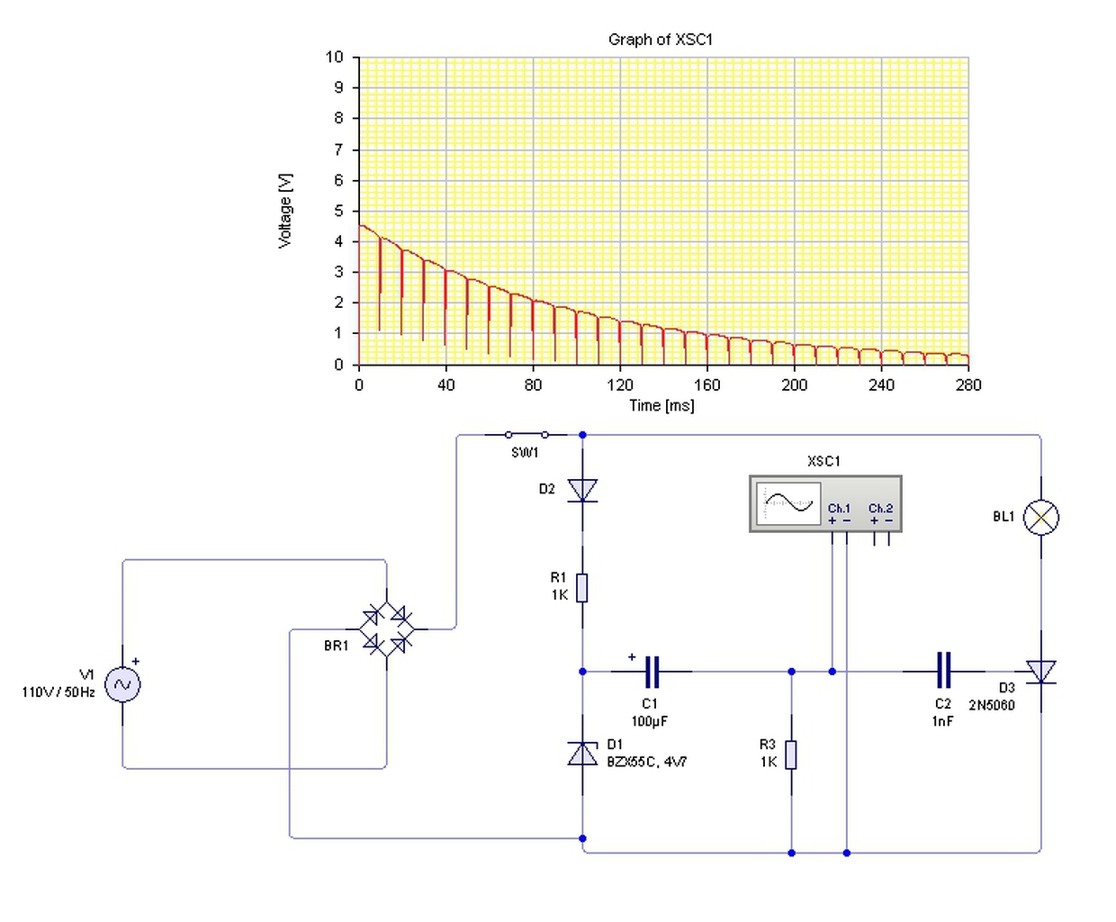
Szia.Igen, nagyon hasonló volt, amennyire vissza emlékszem, de az RC tag helyett is dióda volt, és a GATE nél lévő RC tag ment a "piros négyzetbe" sorba a Gate-tel. (mint egy diac) Ami a gond, hogy ez folyamatosan terhel, és a 100 mA, az 1 kohm-n az 10 W. És ott sokkal kisebb teljesítményű ellenállás volt. A tulaj szerint, a panel nem melegedett, (nem is látszott rajta) és kivéve a panelt, az áram relé meghúzva maradt. Ha izzólámpát, vagy "sima" ellenállást tett "paralel" akkor sem húzott meg az áram relé. Mindegy, jó lett volna ha valaki ismeri a panelt. Ezért tettem fel a kérdést. Köszi.
Nem állandóan terhel...
A bekapcsoláskor az elkó - míg fel nem töltődik - gyújtja a tirisztort. Utána már nem folyik áram, nincs gyújtás, a tirisztor - pulzáló egyen miatt - kiolt.
Jogos. Akkor lehet hogy a Gate-n lévő piros négyzet diac volt? Tudom sok az ellentmondás. A tulajjal rövidre zárattam a triak/tirisztort és nem húzott be az áram relé.
Akkor mérni kell...
Mennyi az áramfelvétele az elektromágnesnek, mekkora árammal lehet meghúzatni az áramrelét? Ezek ismeretében meghatározni azt az ellenállást, amit a bekapcsoláskor párhuzamosan kell egy pillanatra kötni. Ha a félvezető rövidzárásával sem sikerült meghúzatni a relét, akkor lehet, hogy a terhelő ellenállás szakadt, vagy megnyúlt - esetleg a relé lett érzéketlenebb...
Én azt is tettem, akkor. Minden hibátlan volt csak a Gate-re menő piros négyzet alakú valamit nem tudtam kimérni. Szerintem ne pazaroljunk rá több időt. Kösz.
A piros négyzet az kondi lesz, azért nem mérsz. Diac azért nem, mert itt nem kell gyújtásszöget állítani, csak egy pillanatra bekapcsolni a plusz terhelést.
Olyan volt mint a régi orosz kondenzátor, de kapacitása nem volt. (mértem).És nem elég egy pillanatra, (mert az első null átmenetkor kikapcsol), a relének meg biztos hogy hosszabb idő kell hogy észlelje.
Nem az első nullaátmenetkor kapcsol ki, hanem az elkó feltöltődése UTÁNI első nullaátmenetnél...
Sziasztok! Keresem a KSB Cervomatic me átfolyáskapcsoló rajzát. Igazából a tápegység hálózati részénél található soros ellenállás értéke is elég lenne. A nyák felirata: ITALTECHNICA 141098. Köszönöm.
Én igazán, így tudnám elképzelni.
Sziasztok!
A következőhöz kellene kapcsolási rajz. Adott 10 db LED, egyszer a páros, aztán a páratlan LED világítson felváltva. Ennyit kell tudnia. A tápfeszültség maximum 6V lehet. A felhasznált LED piros, 1,8V nyitófeszültségű, 20mA. Találtam egyet 9V-ra, de ha valaki tud jobbat pl 555-el, azt megköszönöm.
https://www.mysensors.org/build/motion
Tisztelt Mindenki! Ennek a kis mozgásérzékelőnek -HC-SR501 IR- egy nagyon egyszerű rajzát kérném valakitől, egy20W-tos kis ledet vezérelnék vele! Tulajdonképpen, a három kis tűtől kéne a rajz(zöld-piros-fekete) Előre is köszönöm!
Ha lehúzod a fresnell-lencsét, akkor nincs odaírva a bekötés? Csak így fejből: amelyik tüske mellett van egy SMD dióda, az a (+) táp (ez megy egy 3.3V-os tápICre), utána kimenet, maradék a GND. A kimeneten 3.3V-os jelet kapsz, ami soknál soros 1K-s ellenálláson keresztül jut ki, tehát ilyen kapcsolójellel számíts (ide mehet egyből egy NPN tranzisztor bázisa (emmiter GND-n) és akkor ha jelez, a kollektora lezáródik testre. A LED vezérléséhez nézd meg a LED meghajtása topic-ot, én nem merek ötleteket adni, mert kaptam a képemre már
Mekkora tápfeszed van?
Az a baj, kedves wbt, hogy én teljes analfabéta vagyok ebben a csodálatos világban! Azt sem értettem amit leírtál! Gondoltam, veszek egy ilyen kis kütyüt és lessz vele egy kapcsolási rajz is! NEM VOLT!!! Most itt állok, és a Yutubon láttam, hogyan működik, és szeretném aktiválni a mozgásérzékelőt!
Lefordítom: ha azt a fehér kupakot leveszed, akkor milyen feliratokat látsz a nyákon?
GND-OUT-VCC(VagyUCC)
D-SUN DSN-FIR800 ezek vannak ráírva! Köszönöm, hogy fáradozol értem! Jó érzés!!! A hozzászólás módosítva: Aug 3, 2016
Üdvözlök mindenkit.
Egy Bosch mosogstógép kapcsolási rajzát keresesem, de nem találom a neten. Ha valaki ki tudna segíteni, megköszöném. type:s6n21b
Üdvözlet mindenkinek!
Keresem a RYOBI BC-1447T 14,4 Voltos kézi damilos fűkasza akkutöltőjének rajzát vagy a benne lévő 3 lábú tranyó típusát. Sajna szétégett nem látni a feliratot rajta.Köszönöm.
Vissza kellene rajzolni, hogy lássuk, mi van körülötte.
Ha tranzisztor, akkor szinte mindegy mit teszel oda, csak azt kell eldönteni, hogy PNP, vagy NPN. De előfordulhat az is, hogy tirisztor volt.
Hi all.
Mivel jobb ötletem nem volt, először a "sütő javítás" szekcióban próbálkoztam. (azt találtam meg először) Ma vettem észre, hogy létezik ez a topic is, szal akkor most itt. Hozzám került egy Zanussi ID-4016 -os beépíthető villanytűzhely, amiben megadta magát a Diehl 13168-015 Typ 311-172 időzítő elektronika. Amit tegnapelőtt meglestem, egy ellenállás szépen elfüstölte magát. Tehát az érdekelne, hogy van-e valakinek rajza, vagy alkatrészlistája a kicsikéről? Ha kell tolok fel képet is.. Előre is köszi a segítséget.
Gyári rajz biztosan nincs - nem divat manapság - esetleg ha valaki visszarajzolta.
Mivel a készülék fogyasztása minimális, a meghibásodás általában a tápegységben történik (és nem máshol). Ilyet még nem láttam, de hasonló kis készülékek táplálása háromféle módon szokásos: - kis méretű 0,33..2VA közötti hálózati trafó (ezek primer szakadásra hajlamosak), - soros ellenállás -- X2 minőségű 0,1...1µF kondenzátor -- zener (kondi kapacitásszegény, vagy zárlatos utóbbi esetben a soros ellenállás biztosítóként leég), - kis teljesítményű leválasztó kapcsolóüzemű táp - kockacukor méretű trafóval, - nem leválasztó feszültségcsökkentő szabályzó (buck regulator) Gyártási időtől függően a második esetre tippelnék, az utolsó két megoldást kitárgyaljuk, ha ezt a részét legalább visszarajzolod és/vagy jó felbontású éles képeket készítesz több nézetből.
Hello!
A helyzet, hogy a táp, és a 2*5 Led választása nem a legszerencsésebb. Mert maximum 3 Led-et lehetne sorba kötni, de akkor az áram korlátozására és meghajtásra 0,6V jut csak. Az nagyon kevés, és a tápfeszültségnek is igen stabilnak kellene lenni. Az 555-nek a plusztáp oldalán, kb. 1V maradék feszültsége van, tehát 6V táp mellett, maximum 5V a kimenti feszültsége. Így az sem illeszkedne a a három Led-hez. Tehát célszerűbb 2+2+1 Led-re bontani az 5 Led-et. Valamint meghajtáshoz tranzisztort alkalmazni és CMOS kaput az ütemadónál. Valahogy így..
sziasztok,
Van valakinek rajza BLM TM-1300 inverteres hegesztőhöz? köszönöm. A hozzászólás módosítva: Aug 10, 2016
Sziasztok!
ISO-TECH IPS-2010 kapcsolóüzemű labortáp kapcsolási rajzát keresem. Előre is köszönöm! Üdv!
Szükségem lenne a témában szereplő aktív hangfal "R" oldali kábel bekötésére Ez hangszóró és vezérlés is . Egy talán 10 eres kábel bekötési rajza-Megvan valakinek?
A válaszokat előre is köszönöm!
Sziasztok!
Van egy Hegesztőinverterem, leégett, kapocsolási rajzot keresek hozzá. A típusa: GYSMI165 kösz.
Szia. Parancsolj.
Üdv:
Ehez a kis motorhoz kéne kapcs rajz. Egyszerüen csak ugy akarnám hogy ,2 kis kapcsolóval tudjam állitani a jobra,balra a forgását. Ic vel lehetne akár pic-el is. 5voltos. 4 érintkező van rajt. Köszi. |
Bejelentkezés
Hirdetés |






Mekkora tápfeszed van? 









