Fórum témák
» Több friss téma |
Fórum » Ki mit épített?
Ez a téma ha úgy tetszik a mi "kiállítótermünk", nem pedig a ki mit csinált volna másképpen, mások helyett, és legfőképpen nem javítós téma.
Minden készüléknek van saját témája, ott kell kitárgyalni a részleteket!
FONTOS! A kapcsolási rajzok keresésére is van saját téma, ott keressetek rajzokat!
Szia!
Nagyon örülök a munkádnak, jól átgondolt koncepció, praktikus kivitelezés! ![]() Amikor 4 éve megcsináltam és belinkeltem a lötyögtető videóját nem hittem volna, hogy ennyien a saját igényeik szerint fejlesztik és építik meg a sajátjukat. Láttam egészen egyszerűt és íme egy igazán profit is. A hozzászólás módosítva: Júl 30, 2016
Elismerésre méltó munkát tettél le az asztalra
A kijelződ neve legyen mától: Avantgard VU-meter
Köszönöm, de nélkületek nem ment volna.
Megtisztelő ez az elnevezés. Viszont a hangja nagyon meg győző.
Szép munka! A Hardstyle miatt meg plusz a jó pont is jár.
István
Köszönöm Nektek az elismerést!
Már nem annyira hobbi szinten megy a történet, hetente 3-5NYÁK is készül(van mikor kell 10-15-is egy héten, de van mikor csak 1-2), vegyesen. Nekem nagyon megérte, a visszatérülésről meg ... hát nem nagyon érdekel, mert bődületes nagy segítség. Már ledugóztam a végeket és készül a terv is a "fejlesztéshez". Ha már kész, akkor felteszem azt is, meg közkincsé persze. A hozzászólás módosítva: Júl 30, 2016
A videón (35-40 sec között feltűnően látszik), nincs a hang intenzitása összhangban a kijelzéssel. A kijelző jelentősen késik. Ha ez valóban így van, akkor nagyobb gond mint az eltérő növekedési irány.
A lényeg a boldogság! Ha ez megvan, semmi más nem számít.
Nem kell az arabokig elmenni, az ősi székely-magyar rovásírás is jobbról balra ír és olvas.
Az szerintem nem a készülék, hanem a videó hibája, el van csúszva a kép/hang.
Nálam nem ritka, mikor valamilyen ok miatt, szándékosan fejjel lefelé tervezem a panelt. Az ok sokféle lehet, de gyakori a könnyebb rögzíthetőség, a kényelmesebb csatlakozás, esetleg így jobban illeszkedik egyéb panelekhez, stb.
Ezt egyáltalán nem látom hibának, vagy akár csak kerülendőnek sem. Ha egy kicsit zavar, fordítsd fejre nyugodtan.
Szia, az elcsuszás a videó hibája.
Köszönöm az elismerést, a te véleményed sokat számít nekem, a te munkáid rendkívül követendő számomra.
LME49810 Audio Amplifier
Szia .szép múnka . (De ha lehet egy tanácsom onozd bele azt a 2 biztosítékot. Mert ha a foglalatba kontaktos lesz idővel ... Jön a csatt. ..) sajnos volt már rá nem egy példa!
Üdv. Köszönöm a tanácsot, ez a típusú erősítőnél fordul elő ?
Több tipusnál. Gond volt már . Hogy oxidálodás miat egyik ágba apro kontakt miat borult a szimetria és csattant . Komolyabb gyártók. Bele forraszák az ajzatba
Nem forrasztják bele komolyabb gyártók sem, esetleg eleve forrasztható biztosítékot használnak (legfőképpen azért, mert olcsóbb). Nevezett foglalatnak egyébként van kupakja: Bővebben: Link. Sőt, ha a kategóriában szétnézel, láthatsz egy csomó foglalatot "oldható kötéssel".
Persze lehet ezen votázninde nem folynék bele. Az biztos több év űzemeltetés után előfordulnak oxidból adodó problémák. És én mindig előre látó szeretek lenni. Személy szerint nem is használok +- ágon biztositékot. Mert eddig ha volt, ha nem csattant minden ! De kis esélyt ad ! Hogy megmarad azbegyik oldal . Ezt mindenki itélje meg maga . Hogy neki hogy a leg jobb. De pl:tda ic-s egyenesen örűltség tenni. A tda a leg érzékenyebb a szimetrikus tápra.
azért a biztosíték, ha mást nem is, legalább a tápegységet megvédi a tartós túlterheléstől. Igaz, éppen erre való a biztosíték.
Tulterhelés esetén azonnal lővi a primer ág biztositékát. Persze ha az nem túlméretezett! :/
Ki ne találjuk már, hogy forrasszuk bele a biztosítékot a foglalatba.
Mellesleg ezért nem szokás értelmes helyeken a DC-re rakni a biztosítékot, hanem az AC-re...
Igen. Dc ről beszélek én is oda nem. Nagyon kéne De mégis tesznek...
Ez egy izraeli darab, itt jobbról balra villog
használhatnál varázsszemet is.
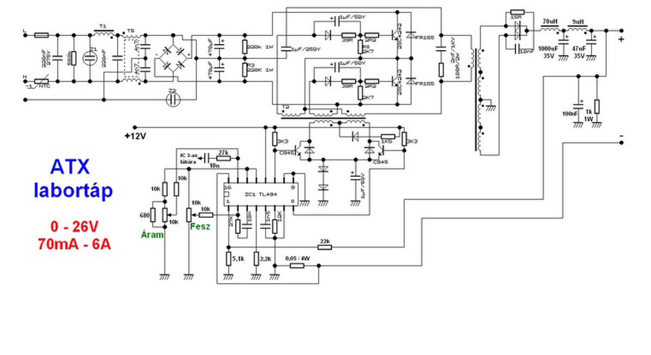
Az alábbi kapcsolás azért készült, mert viszonylag sok időbe tellett nekem a különböző AT-s tápok visszafejtése, a labortápnak való átalakításhoz. Ennél csak a meghajtó trafó három lábát kell megkeresni, leválasztani az eredeti kapcsolásról, és persze a szekunder oldalt a szokásos módon átalakítani. Saját 12v-ot készít AC-ből, ha esetleg még segédtáp sem lenne eredetileg, erről megy a ventilátor is (a képen a bekötetlen lukak).
A vezérlésen pici áramok folynak. A sárgának kell majd vastagabbnak lenni egyedül, a GND a teljesítmény-ellenállásra lesz majd kötve dobozoláskor.
Sziasztok!
Mivel elég sok a rossz zene és a reklám manapság a kereskedelmi rádiókban, USB-s rádiót pedig nincs kedvem venni. A gyárinak tökéletes a rádió része és kevesebb mint 1000Ft-ból megvan az átalakítás Bluetooth-osra. Így bármilyen bluetooth-os telefon, tablet, vagy zenelejátszó eszköz jó hozzá.
A 12V stabilizátor előtti AC valami kis trafóról jön?
Ügyes ötlet. Ha jól látom kitermelted a kazettás részt, beépítettél egy kapcsolót, gondolom ezzel váltod, hogy rádió vagy az usb.
Viszont azt a kis panelt nem bírom kinézni, van egy 5vstab ic és még mi van mellette? Üdv
Igen a kazettás részt kiemeltem, a kapcsoló a rádió és a BT között vált
Valóban az egyik egy 7805, a másik egy LM317, amivel 3,6V-ot állítok elő a bluetooth-nak. Ez azért vált szükségessé nekem, mert a tesztek alatt sikerült egyszer fordított tápot adnom a BT-nak, így kinyírtam a 3,6V-os stabilizátorát. |
Bejelentkezés
Hirdetés |








Mellesleg ezért nem szokás értelmes helyeken a DC-re rakni a biztosítékot, hanem az AC-re... 










