Fórum témák
» Több friss téma |
Fórum » PC táp átalakítás
Szia ! Nem mértem, de szerintem ~60KHz.
Általában fél híd (pus-pull) frekvenciát 20kHz-37kHz között választják.
pl. DTK táp a képen 27,7kHz (az oszcillátor frekvencia ennek a duplája) Számítása: az alábbi képlettel: A hozzászólás módosítva: Júl 21, 2016
Sziasztok! Köszönöm a válaszaitokat, igazából valamiért először nekem is a 60khz rémlett.
@vteo: Igazából azért kérdeztem rá, mert szeretnék egy "invertert" készíteni, Ei 33 as magot használva gyári pc táp trafóval, ami 12 voltbol állít elő kb +-55V ot. Nem szeretnék más magokkal kinlódni és arra gondoltam hogy egy avrvel állítok elő megfelelő frekvenciájú pwm jelet két(négy) darab N ch fetnek amik kapcsolgatják a trafo 5V os secunderjeit(ami most a primer), szerinted mennyire jó ötlet ez?
Szia
Az inverter témának vannak jó szakértői (Ge Lee ) és másik fórumban foglalkoznak vele. Véleményem szerint működik az elgondolás ( de sok buktatója lehet, fet meghajtás, szabályzás, ...)
Szia!
Valami ilyesmire gondolsz? Ha erősítőhöz lesz, akkor nem kell PWM, sőt, az még több zavart termel. A freki csak a PWM miatt ilyen alacsony, a mag bírja a 60kHz-et is.
Igen pontosan ilyesmire gondolok, csak gondoltam egyszerűbb egy mcu-val előállítani a jelet, ami vezérli a feteket. Igen amúgy erősítőhöz lenne.
Kinek mi az egyszerűbb. Ha más dolog miatt is kell oda az mcu és vannak szabad kinenetei, akkor azt használnám. Ha nem kell más vezérléséhez, akkor 494-et tennék.
Szerintem is inkább a 494-el csináld meg mert "egyszerű" a feladat. 2 tápot is megnéztem. 1.5nF - 12 K. Áram határolást - limitert tervezz hozzá.
Az F=1.1/R*C-ből 61.1 KHz jön ki. Az avr-el nagyobb kihívás, ha nincs benne lehetőség, hogy könnyen meg tudd csinálni a dtc-t + a szabályzó algoritmus.
Üdv!
Szerintetek megoldható egy egyedi nyáklap mellett, és persze más kapcsolással 2 ATX tápból bontott trafó párhuzamosítása ? 20V-on kéne 50A,és próbálom megtalálni a legegyszerűbb utat. Akad itthon pár 570W-os tápegységem (2x12V 18A).
Köszonönöm szèpen, vègűlezt keszitem el egy az egyben a dupla trafos verziot. Annyi atalakitassal, hogy a kimenetre erosebb diodakat rakok amik to220as tokban vannak.
A hozzászólás módosítva: Júl 23, 2016
Sziasztok!
Az alábbi átalakítást csináltam meg, a segéd +12v-ot egy step up konverterrel a kimeneti feszből. Egy rossz érintkezés miatt, leállt a step up konverter, a meghajtó tranyók, graetz, bizti, thermisztor elszállt. Kicserélgettem őket, most működik szépen. Nem egészen értem miért száll el, ha nem kap a 494 12v-ot, és még a ventilátornak a 12vra valami ötlet lenne valakinek, mert lefelé jó de 12 volt fölött megy táppal 24v-ig. Előre is kösz! A hozzászólás módosítva: Júl 27, 2016
Használhatatlanul homályos a kép! Nagyobb képméret és felbontás kéne.
Azért szállt el minden, mert vezérlés nélkül nem lehet biztosítani a kapcsolótranzisztorok lezárását. Így rövidzár tudott fellépni és vitt mindent.
A képet egy kicsit javítottam
Azért próbálom megérteni, hogy valami védelmet fabrikáljak hozzá. Csak én úgy gondolom, ha a kitöltési tényező nulla, akkor simán leáll, ha a 494 nem kap tápfeszt akkor a kitöltési tényező nulla, nem? És még egy kérdés, ha fesz osztóval a 4-es lábra visszavezetem, hogy a kimeneti 25v felett, ide legyen 2,8v akkor az jó megoldás lehet? A hozzászólás módosítva: Júl 27, 2016
Azt írtad, a meghajtótranzisztorok szálltak el. Azok, amik a 494-re vannak kötve?
A 494-es 12V-os tápja az külön van?
Szia!
Használj segédtápot a 494-nek, ne step up konvertert!
A primer oldali nagy tranzisztorok szálltak el. Alapból nincs benn segédtáp.
gerleimarci: Jobb lenne a segédtáp, akkor 3,3v alá is tudna menni, csak nincs akkorka trafóm ami bele férne. Egy másik segédtáposból ki tudnék bányászni, csak nem tudom az meg elbírná-e még a ventilátort is?
Ez a táp önrezgő módon indul el, a 494-es szabályozza le és vezérli. Enélkül megszaladhat. Tehát a 494-es tápjára nagyon gondosan figyelni kell.
Keress egy olcsó és kicsi dugasztápot, szedd le a burkolatát(úgy kissebb) és rakd bele.
Köszönöm mindkettőtöknek, erre az önrezgésre nem gondoltam...
Valami külön tápot nézek a 494-nek.
Sziasztok!
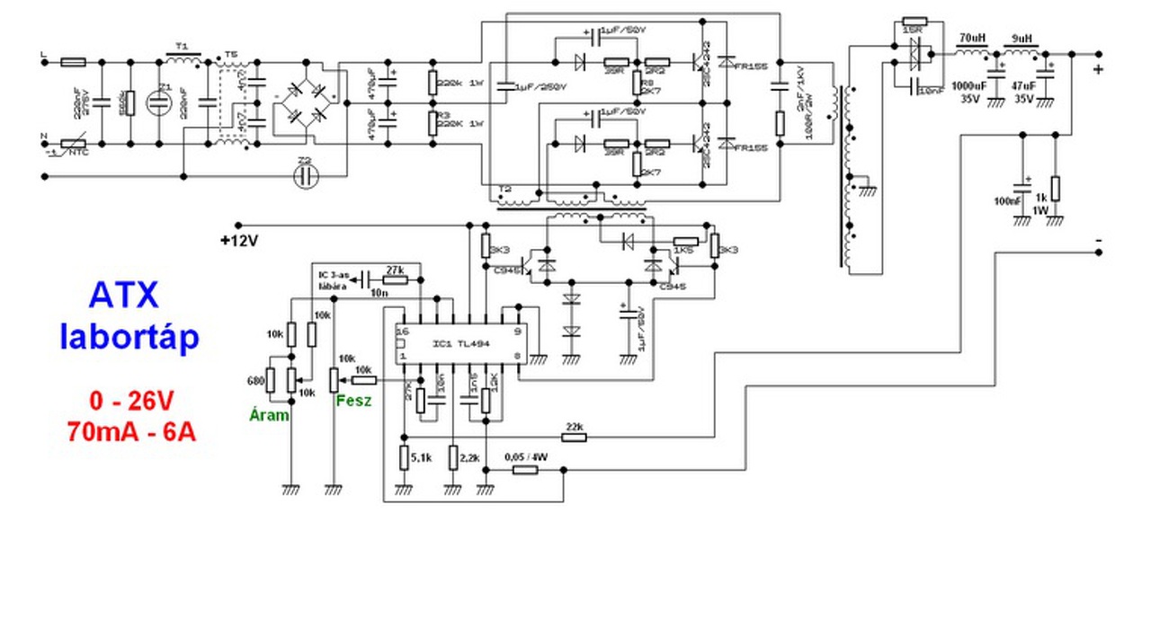
Átalakítottam egy 10+ éves 250 wattos atx tápegységet. Feszültség szabályozás áramkorlát minden szép és jó, de a kimeneti feszültségtől függően sípol benne a trafó. Ezzel lehet valamit kezdeni ? Én ronthattam el valamit vagy nem egyedi eset ? 494 RC tagja maradt a gyári, egyenirányítás graetz-ra cserélődött ( kettős gyorsdiódákból kirakva, trafó 12V os leágazásaira, gyári GND most lebeg, de persze az elektronika ehhez lett igazítva ). Graetz utáni LC tag marad a gyári érték, innen megy a visszacsatolás a 494 re, ezt követi még egy 22uH 2200uf LC tag, és az egész le van zárva 470Ohm -al. Szabályozási tartomány 0-33V 0-5A, 20V ig elég hangosan sípol.
Van amelyik táp nem bírja a szekunder oldali graetzet. Ilyenkor ugyan akkor kimenő áramnál 2X akkora áram jut a kapcsolótranzisztorokra. Ha rám hallgatsz, visszaalakítod dupladiódásra, vagy nagy eséllyel elpukkannak a tranyók.
Épp most próbálok feléleszteni egy halottnak nyilvánított 570Wattos noname tápegységet kísérleti alanynak.
Vezetékek eltávolítása után a következő látvány fogadott ( lásd kép ). A kondit rövidre zárta a másik lába.. lehet csak ennyi lett volna az összes problémája..
Próbálom élesztgetni a fent említett tápegységet, de problémákba ütköztem :/
Rajzon látható a jelenlegi állapot. Pirossal bekarikázott 4148 dióda zárlatos volt, ezt cseréltem. Hibajelenség: Első indításnál lassú felfutással, terhelés nélkül, de beállt a kimeneti feszültség 32,5V-ra ( Kb. ez a fixen beállított érték, 5-10 másodperc lehetett mire elérte... ). Kimenetre 470 Ohm-ot téve terhelésnek a feszültség 2,5V-ot esett, 220Ohm al már 10V alá esett, és vissza sem akart állni 32,5V-ra. Leáramtalanítottam, hagytam kisülni a kondikat, végignéztem mindent, GND, fesz visszacsatolás ref feszültségek, 494 RC tagok jók ( ezek maradtak a tápegység gyárijai ), 25-30mA körül vesz fel a vezérlő rész 12V on. Több halott diódát és tranzisztort nem találtam ( legalábbis zárlatba egyik sem ment ). Következő indításnál a kimeneti feszültség 470ohm terheléssel nem ment 10,5V fölé, és ez szépen lemászott 5V ig.. Kimenet a 10V ot kb 10 másodperc alatt érte el. 494-et cseréltem újra, felhasznált ellenállások értékileg jók. Gyorsdióda MBR20100 2db párhuzamosan. A készenléti táp minden elemét eltávolítottam. Mi lehet a hiba ?
Üdv Mindenkinek!
Átalakítottam egy pc tápegységet ezek szerint. Problémám az,hogy átalakítás után sem az 5, sem a 3.3voltos ágon nincs meg a feszültség fele sem.Továbbá a 12v(szabályzott kimenet) 14,5 volt körül automatikusan leszabályoz és ameddig le nem esik nullára,addig bekapcsolni sem lehet.A linkelt oldalon lévő videón és a leírásban is az szerepel,hogy 15-16-ig mennie kellene.Az átalakítás előtt a trafó sípolt benne,de átalakítás után ez is megszűnt, ami nekem nem baj csak észlelt eredményként írom le.A fő gondom az 5 és 3,3 volt hiánya plusz a 12v(szabályzott kimenet) ágának végteljesítménye.Mivel a témában kezdő vagyok, ezért láma módban kérem a választ.
A 4-es lábról kivetted a diódát?
Nem vettem ki.Ki kell venni?
Csak az egyes lábát vettem ki 7500-nak és azt rákötöttem a potis áramkörre, ahogyan a rajzon van. A diódát csak simán ki kell forrasztani és kész?Vagy kell helyette valami oda? Egyébként észleltem még azt is,hogy a hűtőventi kimeneten is ugyanaz a fesz van, mint a szabályzott ágon és a 3,3 és az 5 voltos ágon a szabályzott (12V) függvényében emelkedik, illetve csökken a feszültség, kb. 0,8 és 2,8 között. A hozzászólás módosítva: Aug 5, 2016
Idézet: „Senkinek sincs még egy tippje sem ? Pc táp azzal a hibával került a selejtbe, hogy terhelésre lekapcsolt ( meg ebben volt az érdekes két kondi is )”
Az a túlfeszültségvédő. Ki kell venni, vagy legalább az egyik lábát kiemelni.
A venti egy az egyben a (eredetileg 12V-os) kimenetre van kötve.
Okés,bár ezt eddig senki nem mondta és a leírásban sem szerepel.És ettől megjavul a 3,3 és az 5 voltos ág is?Mert akkor kiügyködöm.
A 12V-os ágon kívül az összeset szüntesd meg. Ezt legegyszerűbben az egyenirányító diódák kivételével tudod megoldani.
|
Bejelentkezés
Hirdetés |

















