Fórum témák

» Több friss téma
Fórum » Commodore 64 perifériák
 
Témaindító: hadnagyakos, idő: Jún 10, 2008
Témakörök:
Lapozás: OK   10 / 15
(#) befottesuveg válasza gerry hozzászólására (») Ápr 10, 2016 /
 
Köszönöm szépen.
(#) szikorapéter hozzászólása Máj 16, 2016 /
 
Üdv. Olyan kérdésem volna hogy találok több rom -ba égetendő file-t a neten,és hogy esetleg ezeket át lehetne-e alakítani hang file-ra hogy mondjuk egy egyszerű mp3 lejátszó segítségével betölthető legyen a program?
(#) gerry válasza szikorapéter hozzászólására (») Máj 16, 2016 /
 
milyen rom-ba égethető file-ra gondolsz? Epromba? CRT fájlokat? BIN?
(#) szikorapéter válasza gerry hozzászólására (») Máj 16, 2016 /
 
Most találtam olyan file-okat (mivel sajnos a rom-ba égetendővel semmire sem jutottam) ami tap file kiterjesztésű,most azt sikerült már wav-ra,onnét pedig mp3-ra konvertálni. Viszont még mindig nem tudom hogy most már a kész audio file-t hogyan juttasam el a gépnek úgy hogy "értse" is.
(#) befottesuveg válasza szikorapéter hozzászólására (») Máj 16, 2016 /
 
Nem nagyon tiszta nekem sem a kérdés, márminthogy mit is szeretnél pontosan, de ezen az oldalon elég sok C= játéknak fentvan a zenéje:
Link

A kérdésnek azt a részét nem értem, hogy ha PC-ről akarnád átvinni a C=-re a zenefájlt, akkor azt úgy mégis hogy gondolod? Bele akarod rakni a játékba a netről leszedett zenét? Vagy lemezről vagy kazettáról le akarod tudni játszani azt egy C=-s zeneszerkesztő programban?
(#) szikorapéter válasza befottesuveg hozzászólására (») Máj 16, 2016 /
 
Lényegében ,nem tudom mivel kazettára másolni jelenleg a hang file-t ezért úgy gondoltam hogy a wav-ra átkonvertált file-t mobilról lejátszom és valahogy azt adom a gépnek,csak a kazetta olvasót kéne valahogy módosítanom.
(#) rascal válasza szikorapéter hozzászólására (») Máj 17, 2016 /
 
Ez nem lenne jó: Bővebben: Link? Az alsó videóba belenéztem, az elég szemléletes.
(#) szikorapéter válasza rascal hozzászólására (») Máj 17, 2016 /
 
A jelenlegi kazetta meghajtóval gondoltam megoldani,azt nem lehetne módosítani?
(#) Zsora válasza szikorapéter hozzászólására (») Máj 17, 2016 /
 
(#) rascal válasza szikorapéter hozzászólására (») Máj 17, 2016 /
 
Ha ezt beleépíted a magnódba, akkor az annak a módosításának számít. A linkelt képet csak most kerestem a neten. Linkelt kép. Ez az eredeti c64 magnó kapcsolása? Ha igen, akkor fent az IC2-1 és IC2-2 között a karikával jelölt helyen szerintem be lehet kötni külső hangkimenetet. Persze csatoló kondi kell, egy kapcsolóval sem ártana, hogy addig a IC2-1-et leválaszthasd és azért azt a bemenetet jól le kell védeni arra az esetre, ha valami nagyobb jelet kapna, vagy olyankor amikor be sincs kapcsolva, mert tönkre mehet az elektronika. Ezért lenne jobb inkább a külön lévőt megépíteni, mert akkor a magnó saját elektronikáját nem veszélyezteted.
(#) szikorapéter válasza Zsora hozzászólására (») Máj 17, 2016 /
 
Igen ilyesmire gondoltam.
(#) szikorapéter válasza rascal hozzászólására (») Máj 17, 2016 /
 
Akkor az utolsó műveleti erősítő elé mehet a hang kondenzátoron keresztül?
(#) rascal válasza szikorapéter hozzászólására (») Máj 17, 2016 /
 
Legalább még egy ellenállás is kell, de még így is csak óvatosan a hangerővel. Zsora által linkelt videóban is ott van egy ha jól értettem 100KOhm-os ellenállás is. A külön kapcsolásban is van soros ellenállás az első műveleti erősítő előtt. Ha telóról nyomod amikor magában van (se töltő, se PC), akkor ez elég lehet, de ha már egyből a PC-t kötnéd rá, akkor a helyedben körbebástyáznám védődiódákkal a tápok felé és még egy kis relét is tennék, hogy ha a C64-től nem kap tápot, akkor jelet se kaphasson.
(#) szikorapéter válasza rascal hozzászólására (») Máj 17, 2016 /
 
Csakis telefon,az is fél hangerőn. Szerintem annyi is elég lesz a megfelelő meghajtáshoz,de most rakom össze ez mindjárt kiderül.
(#) szikorapéter válasza szikorapéter hozzászólására (») Máj 17, 2016 /
 
Végül összeraktam,de valami nem stimmel. A telefonon csak max hangerő esetén történt a dolgokban változás: érzékelte a programot,viszont a szokásos "csíkos" töltőkijelző nem jelent meg egyik esetben sem.
(#) kala1982a válasza szikorapéter hozzászólására (») Máj 17, 2016 /
 
Csíkozás csak turbós (tömörített?) játék esetében jelenik meg, nem?
(#) szikorapéter válasza kala1982a hozzászólására (») Máj 17, 2016 /
 
2 Programot próbáltam meg betölteni,az egyiknek a címét is felismerte,viszont miután végigment a hangfile sem történt meg a futtatás.
(#) Zsora válasza szikorapéter hozzászólására (») Máj 17, 2016 /
 
Mikor a C64 felismeri a program fejlécét, megállítja a motort és kiírja hogy mit talált. Tehát itt a hanglejátszásnak is le kellene állnia, különben értékes adatok vesznek el. Némi várakozás (vagy továbbléptetés) után elindítja megint a motort és elkezdi beolvasni magát a programállományt.
Ja... és csíkozás csak a gyorstöltő (Turbo) programoknál van, és arra szolgál hogy láthatóvá/hallhatóvá tegyék az adatok elhelyezkedését (és minőségét) a szalagon.
A hozzászólás módosítva: Máj 17, 2016
(#) szikorapéter válasza Zsora hozzászólására (») Máj 17, 2016 /
 
Akkor arra az időre amíg megállítja a motort,addig nekem is le kell állítanom a hangfile-t?
(#) Zsora válasza szikorapéter hozzászólására (») Máj 17, 2016 /
 
Akár. Vagy egyből továbbküldeni, amilyen gyorsan tudod, ugyanis egy kevés szünet eleve van a fejléc és az adatblokk között.
(#) szikorapéter válasza Zsora hozzászólására (») Máj 17, 2016 /
 
Rendben,akkor megpróbálom úgy,köszönöm a segítséget.
(#) szikorapéter hozzászólása Aug 6, 2016 /
 
Üdv. Valaki esetleg ismeri a commodore 64-es eprom író kapcsolását?
(#) gerry válasza szikorapéter hozzászólására (») Aug 6, 2016 /
 
Üdv! Melyiket és mire vagy kíváncsi?
(#) szikorapéter válasza gerry hozzászólására (») Aug 6, 2016 /
 
A promenade model c1-es kapcsolása és programja érdekelne. Keresnék egy egyszerűbb eprom írót ,amivel a gépekhez tudok új epromokat égetni.
(#) gerry válasza szikorapéter hozzászólására (») Aug 6, 2016 /
 
Nem kispályás! Ha meglesz a kapcsirajz az engem is érdekelhet. PC-s nem jobb? Én ezt használom. Egy darab 9V-os elemmel még 21V-os epromokat is égettem vele, mert csak 12,5V-os epromokat tud alapban.
(#) szikorapéter válasza gerry hozzászólására (») Aug 6, 2016 /
 
Melyik szoftverrel használható?
(#) gerry válasza szikorapéter hozzászólására (») Aug 6, 2016 /
 
Batronix 5.23-as programmal. Ha kell elküldöm a programot. Ide nem lehet feltölteni a méretkorlátozás miatt.
A hozzászólás módosítva: Aug 6, 2016
(#) szikorapéter válasza gerry hozzászólására (») Aug 6, 2016 /
 
Akkor privátban a többit.
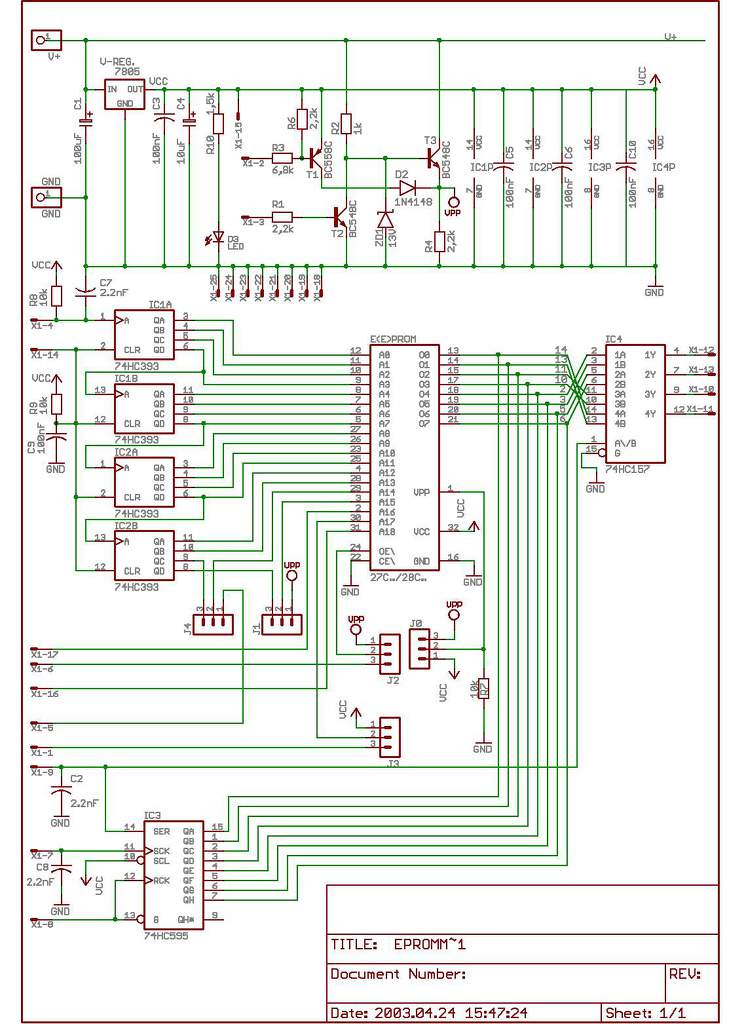
(#) Sanyesz5 hozzászólása Aug 11, 2016 /
 
Sziasztok!

Csatolok pár mellékletet, ezt a verziót építette már meg valaki, működőképes lehet?
(#) gerry válasza Sanyesz5 hozzászólására (») Aug 11, 2016 /
 
Szia! Persze, hogy működik, hiszen valaki már megépítette, mint ahogy a képen is látszik! Én is kipróbáltam ezt a verziót és működik. Csak drágállottam a beforrasztható magnó csatlakozót(1000Ft), így maradt a külső tápos.
Következő: »»   10 / 15
Bejelentkezés

Belépés

Hirdetés
XDT.hu
Az oldalon sütiket használunk a helyes működéshez. Bővebb információt az adatvédelmi szabályzatban olvashatsz. Megértettem