Fórum témák
» Több friss téma |
Fórum » Központi zár
Először nem inkább a gyárit kellett volna megpróbálni helyre hozni?
Elemcsere pl, vagy mondjuk hibadiagnosztika egy autóvillamossági szerelőnél... A hozzászólás módosítva: Júl 12, 2016
Elég távolról indultatok neki, általában az ember nem vesz agysebész műtős készletet nulla sebészi tudásra, hogy aztán a neten kérjen hozzá segítséget. Nagy falatnak tűnik így, keressetek egy műhelyt szakemberrel!
köszönjük a segítséget agysebész úr , meg oldottuk műhely nélkül házilag
ezeken már rég túl vagyunk , köszi , csak itt a szakik akkora urak hogy nem foglalkoznak ilyen kis dolgokkal
Egészségetekre, örülök, hogy sikerült. A kérdésedből (valamint az eddig elkövetett hozzászólásaidból) nem az tűnt ki, hogy erre van sansz. Kaptál tanácsot, ami biztosan működik. A továbbiakat én csak szerencsének, vagy külső segítségnek tudom be. Én úgy láttam, hogy olyasmi segítségre vágytál, hogy valaki lebetűzi a Renault Meganeotok (van belőle pár fajta) gyári vezetékeire hogyan lehet rákötni egy Delight (rajzok nélkül, keresse ki aki akar segíteni) kp zár vezérlőt, talán... A kérdésnek tartalmaznia kell minden információt, hogy segítse a válaszadót, ne kelljen sem jóstehetségnek lennie, sem várnia napokig, hogy a sokadik visszajelzésre kiderüljön, hogy mivel is áll szemben. Nagyon elterjedőben van ez a hozzáállás, az általad is elkövetett sértett felháborodással egyetemben.
minden esetre köszönöm a felvilágosítást te zseni(_), hogy te ezt így látatlanba meg fejtetted(!)
Először is a mondatok nagybetűvel kezdődnek! Másodszor a vessző előtt nincs szóköz. Harmadszor a mondat végére szokás írásjelet rakni. Negyedszer ez nem FB visszalehet venni az arcból! Üdv: Moderátor A hozzászólás módosítva: Júl 14, 2016
Sziasztok!
Egy kis segítségre lenne szükségem. Van egy 2003-as C Corsa 3 ajtós, amibe utólagos központi zárat raktam be. (mlogic mm-212c) típusú 4 ajtós autóba való. Gondolom ez nem lényeg. A magnó állandó 12V van kötve. Be zár, ki nyit rendesen ahogy kell. Majd egyszer csak jelen esetben reggel megyek az autóhoz és látom, hogy nyitva van. Ez többször előfordult már ezért folyamatosan nézem az autót, hogy nyitva van-e. Most 1 napot bírt, de van, hogy csak pár órát. Mitől lehet az, hogy mindenféle gomb nyomkodás nélkül kinyit. Gondolom, ha a zár mikró kapcsolójával van a probléma, akkor az azonnal visszanyitná a motort. Előre is köszi a választ. Akkumulátor probléma miatt előfordulhat ilyen hiba?
Lehet az pl. hogy nem jól állítottad be a rudazatot és a mikrokapcsoló a határon (valamelyik végálláson) épp csak átbillen. Éjszaka lehűl a levegő, és már csinálhat is ilyet. Vagy elmegy mellette egy teherautó.
Hol kapcsol (a végigmozgatható út melyik részében) a mikrokapcsoló? Nem a végén zár? Lassan mozgasd, finoman!
Na ezt nem néztem, de úgy állítottam be, hogy teljesen lenyomtam a motort lenyomtam a ruazatot is és úgy rögzítettem. Haza megyek és meglesem, hogy hol kapcsol.
Köszönöm az infót.
Nem biztos, hogy a motor útjának hossza azonos a rudazatéval.
Érzésre a végén zár. Hogy kellene beállítani a rudazatot, hogy az jó is legyen?
Egyszerűen nem sikerül beállítani.
A motor útjának ne a végén legyen a mechanikus végállás, hamarabb zárjon/nyisson, maradjon a motor útjából még egy kicsi. A régebbi kp zár motoroknál a közepén volt a mikrokapcsoló váltása, az újaknál már nem biztos.
Próbáld ki, hogy lezárod, és finoman elkezded mozdítani a nyitás felé...milyen hamar nyit? Nincs bizonytalanság? Azt is megpróbálhatod, hogy egy időre lehúzod a vezérlő szálakat, csak a motor szálak maradnak. Ha így nem nyit ki sosem magától, akkor onnan jön a jel és állítani kell. Ha ilyenkor is kinyit, akkor a vezérlő bolondozik. Vagy a gyerek nyomkodja este kitolásból. A hozzászólás módosítva: Szept 15, 2016
Teljesen szétszedtem. Kb a motor útjának 3/4 -nél zár. Viszont a két rudazat nem párhuzamos és legalább 2 cm távolságra van egymástól ezért a motor rudazata meg van hajlítva, hogy odaérjen az ajtó rudazatához viszont így nem egyenesen mozog hanem húzza magához a zárat a kárpit nem engedi az oldalra húzást így nem tudja végállásig lehúzni, hanem kb csak addig ahol pont kapcsolna így igaz lehet az, hogyha elmegy mellette egy teherautó esetleg egy sport kipufogós autó és a rezgés által ki is nyithat vagy akár egy hűvösebb éjszaka is. Közelebb nem tudom rakni a motort ezért megpróbálok még annyi hajlítani a rudazaton, hogy egyenes úton járjon mind a két rudazat így talán le tudja húzni teljes végállásig.
Arra mindig törekedni kell, hogy párhuzamos legyen a 2 pálca, minél közelebb legyenek egymáshoz, és ne akadjon, szoruljon. Csinálj pár képet, hátha többet látunk belőle!
Arra keresek ötletet, hogy távirányító nyitás gombját egyszer lenyomva csak a vezetőoldal felöli ajtó nyiljon ki, és ha mégegyszer megnyomom akkor a többi is nyisson. Adott mind az 5 ajtóban a centrálzár. Távirányító 5 gombos, Mistral X fajtából, tehát támogatja a csomagtér felpattintást is, az be is lett kötve elektromágnessel, dolgozik.
A távirányító vevője is be lett programozva, hogy engedélyezze nyitógomb többszöri megnyomását 20 másodpercig első megnyomástól számítva, így annyiszor ad 0,5 másodperces negatív jelet, ahányszor a 20 másodperc alatt le lett nyomva, és annyiszor villan 3at a vészvillogó. 2006-os Seatom már tudja a dupla nyitás funkciót a gyári 2 gombos távirányítóval a fent leírt módon, másik autómba is szeretném ezt. Többféle módszert próbáltam a kivitelezésére, mégegy centrálzár vezérlőt is beraktam a gyári mellé. A két első ajtóban van egy 2 állású 3 vezetékes mikrokapcsoló, amivel zárni/nyitni lehet az ajtókat, ezeknek kulcsal való záráskor van szerepük. Próbáltam egy bipoláris (öntartó) relét beiktatni a kapcsolásba, ami első távirányítós gombnyomásra behúzna, második gombnyomásra kinyitna. Az még lényeges, hogy a beltérben levő ajtó zárást/nyitást szolgáló 3 állású nyomógombnak úgy kellene működni, hogy érintésre továbbra is minden ajtót nyisson vagy zárjon. Mégegy lényeges dolog, hogy kíméljük a zármotorokat, így a második megnyomásra a távirányítón már csak a 4 ajtót nyissa ki, a vezetőoldalival ne próbálkozzon. (Itt kellene figyelembe venni a két első ajtóban levő mikrokapcsolók állását). Létezik kapcsolási rajz a fent ismertetett megoldásra váró fejlesztésre, vagy találgassak továbbra is, és több bipoláris relével oldjam meg? Minden ötletet szívesen elfogadok. Csatolom a gyári központi zár sémáját.
Ezek az alap kp zár vezérlők nem erre épülnek fel, ezt külső relével nem fogod tudni megoldani. Ami ezt tudja, az alapból ilyen. Egy kérdés egy topicba is elég.
XVIII. Csak egy helyen kérdezz! A fórumon egy kérdést egyszerre csak egy helyre tegyünk fel. Amennyiben több helyre is beírjuk ugyan azt a hozzászólást, a moderátorok kérdés nélkül törölhetik hozzászólásainkat és ki is tilthatnak türelmetlenség és tiszteletlenség miatt.
Értem, elnézést, hogy két helyre tettem fel ugyanazt a kérdést.
Ezek szerint felejtős az egyszerre egy ajtó nyitás. Köszönöm az információt.
Szerintem megoldható, ha a vezető felőli ajtózár motorjához külön is hozzáférsz. Egy időzítő és egy kis logikai kapcsolás kell hozzá.. Bár biztos agyalós lesz a megtervezése...
A hozzászólás módosítva: Szept 18, 2016
És mi lesz pl. a vezető felőli vezérléssel? Persze mindent meg lehet oldani, csak kell hozzá egy uC. Akkor inkább vegyen egy olyat, ami ezt alapból tudja rögtön.
Írtam... Ha a motort külön is eléri. A kulcsal nyitás megmaradhat, hisz a távvezen keresztüli nyitás módja volt a kérdés. És akár vehetne is másikat, de már vett egyet. Ezen kívül a másiknál is le kell választani alapból a vezető felöli motort és a kapcsolót is hogy ne nyisson a többi. Ergo ugyanott tart vele. uC nélkül is meg lehet oldani, bár uC-vel kevesebb analóg alkatrész kell hozzá, viszont kevésbé elérhető sokak számára. (Építés, programozás, javítás, módosítás)
A hozzászólás módosítva: Szept 18, 2016
Ha olyat vesz, ami ezt tudja, akkor nem kell csináljon semmi átalakítást, mert az így van tervezve.
Elbeszélünk egymás mellett.. Ha van meglévő (gyári) centrálja és amellé akar valamit még berakni, márpedig ez a helyzet, akkor mindenképp át kell alakítani, hisz a 4 ajtó párhuzamos vezérlésű a rajza szerint és a pozició kapcsoló is bezavar. Ezen kívül a kulcsra nyitással meg kéne maradnia az eredeti "mindent kinyit" felállásnak.
A hozzászólás módosítva: Szept 18, 2016
Nekem úgy tűnik, hogy nem gyári, hanem utólagos. Akkor pedig egyáltalán nem biztos, hogy van mikrokapcsoló a kulccsal való működtetésnél külön. Csak mozdítja az is a rudazattal a kp zár motort és abban kapcsol a mikrokapcsoló, így nem különválasztható. Mindent meg lehet csinálni, csak kérdés, hogy meg tudná-e és megéri-e vesződni vele. De szerintem ez már egy külön vezérlő lenne és inkább uC. Maga az eredeti kp zár vezérlő 2 darlington tranzisztor, ha távirányítós, akkor még 2 tranzisztor és egy Tx-Rx panel. Ehhez még rakni kétszer ennyi alkatrészt, hogy legyen olyan (ha sikerül), mint amit lehet kapni?
A hozzászólás módosítva: Szept 19, 2016
Most, hogy így rákeresek, nem találok, de valamikor láttam ilyet valahol...
egyébként csak azért ágálok ellene, mert nekem az jött le, hogy vett valamit, ami nem tud egy szolgáltatást, de bele akarja rakni. Ez sokszor könnyen megoldható, de szerintem most nem.
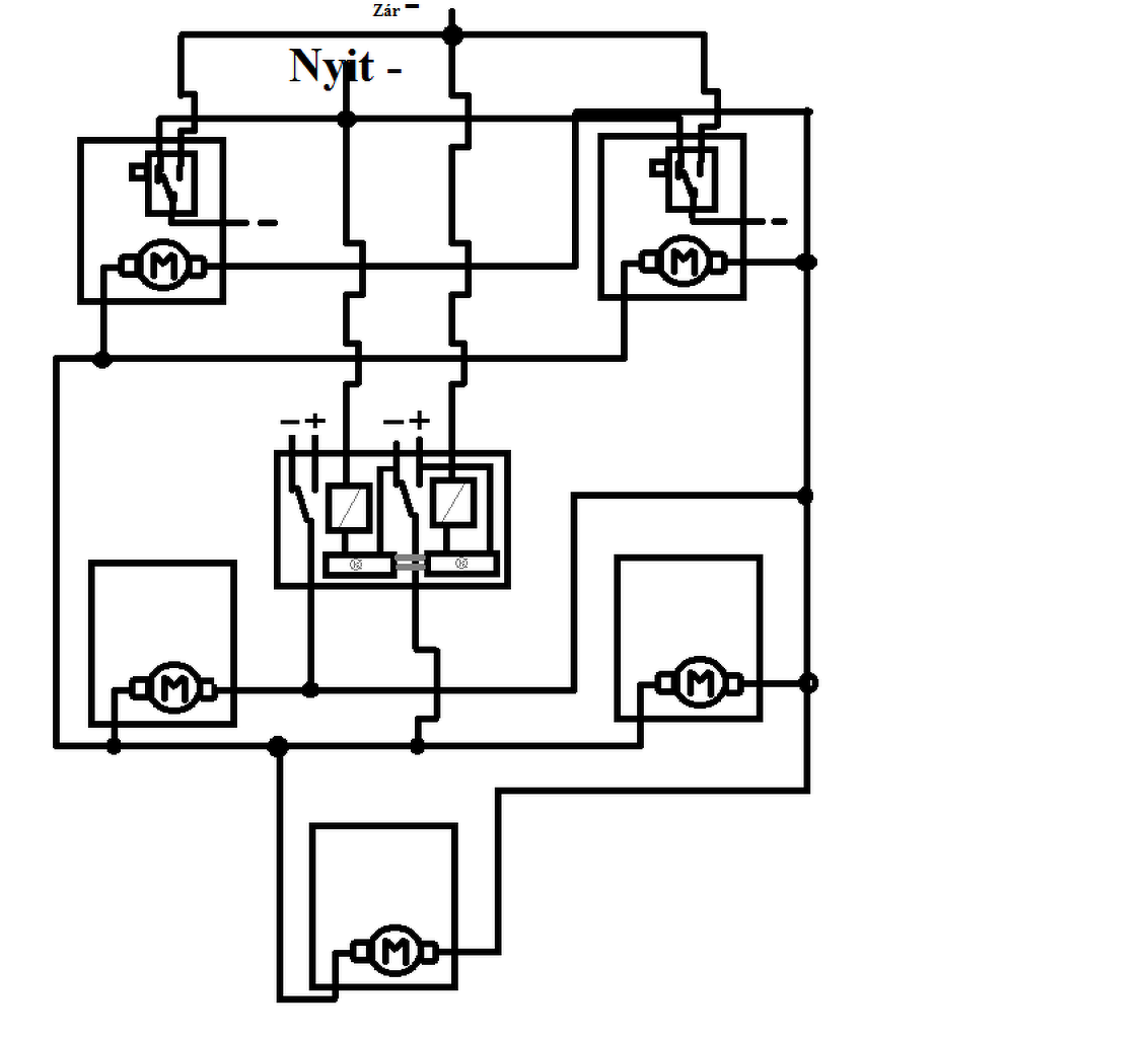
A kapcsolási rajz a gyári centrá záré egy '95-ös Fiat Tempa sedané.
Az 5 gombos távirányítós vezérlő utólagos.
A képen látható gyári, viszonylag egyszerű fajta párhuzamos kapcsolású 0,5s időintervallumú relés kapcsolóelektronika van. Ezt szeretném kiegészíteni a szóban forgó leválasztott bal első ajtó nyitással. Csak távirányítón kell, hogy egy gombnyomásra egy ajtó nyisson, dupla gombnyomásra pedig a maradék 4 ajtó. Az 5 gombos utólagos távirányítós vezérlőegység programozható, 0,5s-os negatív nyitási kimenetet programoztam, és maximum 3 alkalommal engedi a nyitó gombot megnyomni.
Záráskor az összes ajtó záródjon ez fontos. Mivel a bal első ajtóról kulcsal úgysem nyitom/zárom az ajtót, így ott is mindegy, hogy ezután kulcsal való nyitáskor csak azt nyitáná, vagy a többit is. Korábban láttam valamelyik oldalon én is kétkörös centárézár vezérlőt ami univerzális volt, de már nem találni. Idézet: „A kapcsolási rajz a gyári centrá záré egy '95-ös Fiat Tempa sedané.” Az a rajz elég érdekes. Honnan van, te rajzoltad, vagy kiollóztad valahonnan? Vagy ez a már az általad tervezett módosítás miatt lenne ilyen? Ha sima kp zár van, akkor először is le kell választani a bal első motor kivételével mindet a vezérlőről kompletten, magát a 2 motor szálat és a mikrokapcsoló 3 szálát is, ha van még 5 vezetékes a rendszerben, ez utóbbit nem is kell visszakötni. Aztán kell 2db egy morzés relé, amiknek a COM érintkezőjét a leválasztott motorok 2 szálára kötöd (ezek maradnak párhuzamosan). A NO megy a +12V-ra, a NC a testre. Így alapból nem csinálnak semmit. Ezeket a reléket kell vezérelni egy kapcsolással. Ha záró impulzus jön, akkor lezár mint a vezető felőli (a záró relé húz be, mint az anyavezérlőben, ugyanazzal a polaritással kapcsolja a motorokra a feszültséget, mint a bal elsőben), ha nyitó, akkor csak a második impulzusra kell dolgoznia (ilyenkor fordított polaritást kapcsol a másik relé), erre kell egy kettőig számolni tudó számláló, pl. CD4017 vagy CD4013. Ez utóbbi majd a záró impulzus reseteli. A hozzászólás módosítva: Szept 20, 2016
Köszönöm az ötletet, megpróbálkozom vele. A kapcsolási rajz a gyári skiccelt másolata, mert a gyáriban voltak más mikrokapcsolók is integrálva magába a zárban, és itt csak a működési sémáját szerettem volna személtetni. Ahogy összevetettem a kapcsolási rajzot, azért is írtam egy egyszerűnek mondható dupla időrelés kapcsolóáramkör működteti ezt, amiről küldtem képet is. A zárra megy egy 4 vezetékes csatlakozó, és egy kétvezetékes. A 4 vezetékes az M1 M2 zár - nyit - ezt leválasztom, beiktatok két relét oda. CD4017 vagy más számláló IC-m nincs, viszont van egy bipoláris relém, ami tudtommal első jelre behúz és bent tart, második jelre kinyít, harmadikra behúz és bent tart és így tovább... E relé fogja végezni a számláló helyett a feladatot.
A rajzot benéztem, annyira átláthatatlan nekem, hogy úgy láttam, a bal felső motor nincs párhuzamosan a többivel...
A motoroknak muszáj impulzust kapniuk, tehát azzal kell vezérelni őket, csak az elsőt tiltani kell. Nem lehet folyamatos jel a motoron, mert leég. Először egy próbakapcsolást kellene csinálni asztalon, motorok helyett LED-ek, vezérlő impulzus pedig 2 mikrokapcsoló. Valahogy az sem tiszta még, hogy hogyan is lett bekötve... Adott egy sima kp zár (gyári) és a két negatív vezérlést igénylő szál kapja az impulzust a távirányítós vezérlőtől? A hozzászólás módosítva: Szept 20, 2016
|
Bejelentkezés
Hirdetés |






egyébként csak azért ágálok ellene, mert nekem az jött le, hogy vett valamit, ami nem tud egy szolgáltatást, de bele akarja rakni. Ez sokszor könnyen megoldható, de szerintem most nem. 





