Fórum témák
» Több friss téma |
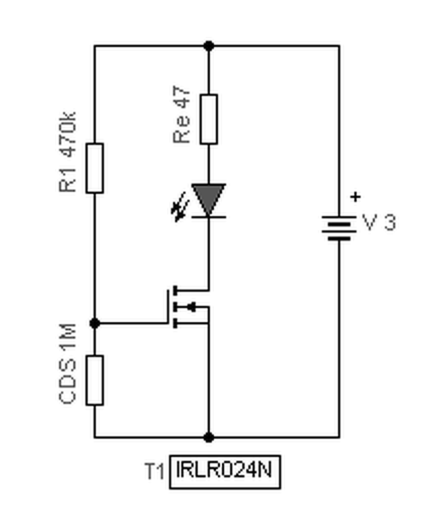
Helló!
Egy álkamerát szeretnék ki-be kapcsoltatni (pár plusz led be iktatásával). Meg pár infra led hogy ha esetleg valaki telefonnal meg nézné higy mennyire valódi .3 voltról megy a kamera.
Ehhez a mókához elég egy logikai Fet Pld. IRLR024N egy ellenállás a Gate-ről a tápra, és a fotoellenállás a Gate-Source közé.
Na ez most egy kicsit magas nekem hirtelen. De utána nézek.....
Elsőként a tényleges fogyasztást kell tisztázni. Ha az nem sok és a fogyasztók nem igénylik a "hirtelen bekapcsolást" akkor a Fet GS küszöbfeszültsége is megteszi. Nem hirtelen fog bekapcsolódni, hanem lassan, ahogy sötétedik. De meg kell fontolni, hogy a 3V használata célszerű-e a fogyasztókhoz.
Sziasztok
Egy kis segítségre lenne szükségem. Ebben a kapcsolásban az izzót lehet helyettesíteni egy relével? Köszi
Üdv!
Proli mester. Ezt hogy kell érteni? Idézet: „Az R2-őt két felé lehet osztani. És az osztáspontot lehet a Tr lábra kötni.” Ha z osztáspontot a triggerre kötöm akkor kisötölöm azt a felét nem? Vagy a trigger és a treshold közé értetted? Túl nagy a hiszterézisem.
Hello! Úgy, hogy a 2-6 láb közötti rövidzár helyett kell az "R1" ellenállást beiktatni. De ügyelni kell arra, hogy R1 legyen mindig kisebb, mint R2 értéke. Mert azonosság esetén is a hiszterézis nulla lesz, vagy már nem is fog működni.
Sziasztok!
Abban kérnék segítséget, miszerint egy egyedi alkonykapcsolóra lenne szükségem. Főbb paraméterek: - 12 voltról üzemeljen (autóba kell) - bizonyos fényerő alatt kapcsoljon egy 12v-os kimenetet (csak relé kapcsolásához kell) - potival finomhangolható legyen a kapcsolási pont - mivel állandó feszültség alatt lenne, így ne legyen különösebb nagy áramfelvétele - ami extra lehetne, hogy ha eléri (főleg a kikapcsolási küszöböt), akkor ne azonnal kapcsoljon ki, hanem pl. egy 10-20sec delay után (ha közbe mégis változnának a fényviszonyok, akkor ne kapcsolgasson oda-vissza). Tippeket, ötleteket várok. Ha valaki legyártaná, az is tökéletes lenne. A hozzászólás módosítva: Máj 6, 2017
Bencebratyo-nak.. Én lerajzoltam, de a megvalósítás a Te feladatod. Amúgy minek relé, ha 12V-ot fog kapcsolni. Gondolom nem a fényszórók lesznek azok. Ennek a kimenete 2A-ig nyugodtan terhelhető. De ha mindenképpen relé, akkor azt is rákötheted, de az is fogyasztani fog, mikor működik.
Hello! Nem kellet volna külön topikot nyitni. Így egyből a helyére ide raktam az áramkört.
Köszi!
Nem a fényszórókat tervezem vele kapcsolni, de valóban, a relét pont azért írtam, mert akár automata fényszórókapcsoló is lehetne abban az esetben.
Szia!
Azt szeretném kérdezni, hogy a BPW34-es foto dióda a beültetési rajzon jól van berajzolva? Mert a kapcsolási rajzon viszont pont fordítva áll, ha jól látom. Csak azért kérdem, mert most raknám össze, és nem tudom melyik rajzot vegyem alapul. Köszönöm.
A hozzászólásodban van a link, ott letöltheted az adatlapot is. A jelölt láb a katód.
A hozzászólás módosítva: Nov 1, 2017
Hello! Valóban elrontottam..
A kapcsolási rajzon van helyes irányban a fotódióda. Vagy is az anódjának kell a GND-re csatlakoznia. Mert itt nem "fotódiódaként szolgál, hanem fényelemként. És a GND-hez képest negatív polaritású áramot szolgáltat az OPA részére. Így a katód megy az OPA bemenetére, amit a dióda lábán egy kis "kinövés" jelez..
Igen,tudom melyik lába a katód. A kérdésem arra irányult,hogy a kapcsolási-vagy a beültetési rajzon van fordítva berajzolva.
Képes voltam kimenni és megmérni ellenőrzésképpen
![]() Jelentem a LED ugyanazzal a polaritással működik fényelemként, mint ahogyan világít is. Azaz az anódon keletkezik pozitív feszültség, a megvilágítás hatására.
Oké, de ha a BPW világítani kezd, akkor ott már füst is lesz.
Szia!
Össze raktam, tökéletes. Köszönöm. Bár a nyák nem a legszebb, de úgy is nekem lesz és a neki szánt dobozban úgysem látszik majd A hozzászólás módosítva: Nov 4, 2017
Hello! Örülök, hogy működik. Mert én nem készítem el ezeket az áramköröket csak megtervezem. Így fizikailag, nem is derülhet ki ha valamit elbaltázok. Közben megnéztem hol hibáztam.
A BPW-nek rajzoltam sémaképet a nyáktervezőben, és közben fordítva neveztem el a lábakat. Így ez a panelen már fel sem tűnt, mert ott már ezt nem szoktam nézegetni, csak bekötözgetni. A nyáktervező meg már nem ismerheti fel, ha hibáztam. Egyébként ennek a BPW-nek elég béna a katód jelölése. Valami mást is kitalálhattak volna a kis bütyök helyett a lábon. Amúgy meg a dióda egy nagyon jó kis eszköz, kedvelem.
Ez alapján azonosítottam be Bővebben: Link .Az anódot egy kis csík jelzi az egyik oldalán. Akkor a másik láb csak a katód lehet
. Igazából egy világítós házszám táblát akarok össze rakni plexiből, pár db ledet hajt csak meg. Viszont ha egy 5m-es led szalagot szeretnék rákötni, ami olyan 70-80W, akkor elég csak a fet-et cserélnem? Ha igen, akkor melyik lenne erre alkalmas? Sorompó kar megvilágításához gondoltam, hogy csak éjszaka világítson.
6,6A áramhoz már célszerűbb egy IRF4905-öt választani, és kis hűtőbordával ellátni, ami közel 1W hőt képes már elvezetni. Vagy pld. a nyák alá egy ALU lemezt tenni, és a tranyót alulról beforrasztva felcsavarozni rá.
Köszönöm. Akkor elég csak fet-et cserélnem,semmi más átalakítás nem szükséges? Bár ez még csak terv egyenlőre, később derül ki,hogy lesz-e igény rá.
Hali!
Van egy ilyen alkonykapcsolóm. Az érzékelő led/dióda tönkre ment. Hogy keressem? Mi ennek a pontos típusa? A hozzászólás módosítva: Márc 6, 2018
Hali!
Ez oké, ezt rendeltem, de nem működik vele. |
Bejelentkezés
Hirdetés |





.3 voltról megy a kamera. 




A kapcsolási rajzon van helyes irányban a fotódióda. Vagy is az anódjának kell a GND-re csatlakoznia. Mert itt nem "fotódiódaként szolgál, hanem fényelemként. És a GND-hez képest negatív polaritású áramot szolgáltat az OPA részére. Így a katód megy az OPA bemenetére, amit a dióda lábán egy kis "kinövés" jelez.. 


. Igazából egy világítós házszám táblát akarok össze rakni plexiből, pár db ledet hajt csak meg. Viszont ha egy 5m-es led szalagot szeretnék rákötni, ami olyan 70-80W, akkor elég csak a fet-et cserélnem? Ha igen, akkor melyik lenne erre alkalmas? Sorompó kar megvilágításához gondoltam, hogy csak éjszaka világítson. 




