Fórum témák
» Több friss téma |
Fórum » Csöves erősítő készítése
Ne feledd betartani a fórum viselkedési szabályait, és a topik megmaradásának feltételeit. [link]
A téma átmenetileg fagyasztva lett, hozzászólni nem tudsz!
Te jobban emlékszel , mint akinek kell .....
Itt az EL84 PP nyákja , könnyebben , gyorsabban lehet tervezni vele mint papíron.
Tömörítve van , telepítsd a gépedre .
layout40 hun exe ......
Ezt a nyáktervezőt megkaphatom én is ?
Köszi!
Nézem, de csak a freemail kezdőlapjának linkjét küldted ..
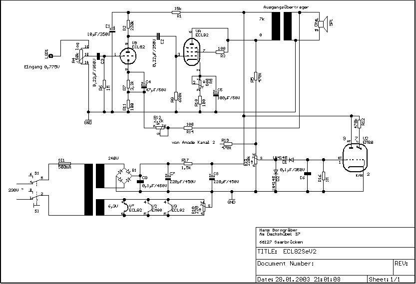
Az alábbi tápszűrés pcl86 stereo se-hez elég lesz szerintetek?
Graetz után 220µF utána soros 1k 47µF ide jőn a segédrács, utána soros 3,9k 47µF ide meg a trióda anódellenállása. Szerintem jó lesz de várom a véleményeket. Videoton fadobozos tv kapcsi tápból bontottam két kondit egyik 220µF 350v a másik 47+47µF 350v
Az azért nem baj, ha nincs beépítve a maci.
szevasztok! kérdésem az volna, hogy nektek elfekvőben esetleg lenne -e ECC 83, ECC 81/85, ECF 80, El34 valamelyik csőtipusból. nagyon kéne.....vagy esetleg egy helyet tudnátok mondani, hogy hol kereshetnék utánna?
http://www.csobarlang.hu/
http://www.elektroncso.hu/lista.php Talán minden megtalálható ezeken a címeken. De lehet , hogy nekem is van valamelyik .
Esetleg megpróbálhatod az Elektroncső börzén, megkérdeztem 29-én lesz legközelebb! Szerencse kell hozzá, hogy találj valamit ami érdekel, de garantáltan a legolcsóbb. Ismered vagy kell bővebb infó?
hát, még nagyon kezdő vagyok e téren. tehát, ha tudod egy pict bővebben írd le. köszi. Másik kérdésem: hogy valakinek van tapasztalata El 34-es végerősítővel? a következő, hogy aki már épített e. csöves erősítőt, mindenképpen magunknak kell megtekercselni minda hálózati, minda kimenő trafót? sajnos a trafók nem az erőségeim
ha valaki pár szót tudna mondani nagyon megksöszönném.
Szerintem sokunknak van tapasztalata EL34-essel. Kifejezetten hangfrekis célokra fejlesztett cső, elég jó hangú. Nem is nehéz beállítani, mehet pentódának, ultralíneárnak, és triódának is.
Soha, semmi nem muszáj. EL34-hez biztos kapsz készen is kimenőt, de tekercseltethetsz is.
Szóval, elvileg két hetente gyakorlatilag inkább havonta rendeznek a Puskás Tivadar Távközlési Technikumban egy (javarészt) elektroncső börzét (tel:0612802500). Az egész felér egy időutazással, ha csak nézelődni mész ki mint sokszor én is, akkor is megéri. Más. Én egy saját építésű GU50 PSE büszke tulajdonosa vagyok amihez a trafókat nem én tekertem hanem csináltattam, de ettől még magaménak érzem a dolgot. Biztosan gizda vagyok amiért odafizettem öt darab vaskockáért (1db táp, 2db kimenő, 2db folytó - trafó) 60 ezer forintot, de ezek legalább tutira jól működnek és két hét alatt el is készültek. EL34 ügyben nincs tapasztalatom, de úgy tudom főleg zenekari (elsősorban gitár) erölködőket szeretnek építeni velük.
Nem biztos, hogy baj volna, ha végigjárnád a szamárlétrát. Ha nem ismered a csövek lelkivilágát, pár perc alatt kinyírhatod őket. Először valami kis (és főleg igazából "értéktelen") erősítőt építs, a minőséget ezen is kontrolálhatod. Ha már mindent értessz, akkor jöhetnek a drága csövek, mint az EL34.
itt is probalkozhatsz (bar nem a legolcsóbb):http://www.radiovilag.hu/csovek.htm
Ja, fojtóval minden bizonnyal. Van 1 db 3300 mikrós 350V-os kondim. Az egyik csövibe - a megrendelő kérésére beletoltam a párját. Fojtó nélkül. Külön 2 fokozatú feltöltő áramkör dukált neki.
kösz a válaszokat.....még akkor utánna názek bőven mindennek.
Persze, itt van.
Nagyon helyes. Ezeken a kis lámpásokon megtanulhatja a működést. PCL 82-esem még nekem is van.
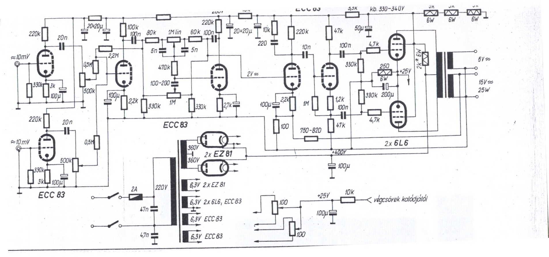
a 89 -es rt. évkönyv megvan nektek? mert abban találtam egypár kapcsolást a 186-197. oldalon...a tanárom javasolta őket. meg elvileg valamelyikhez tudna csövet is adni, csek még nem zézte meg milye van otthon. véleményetek van valami az alábbi kapcsolásokról?
Tranyós BEAG-okhoz minek cső, vagy több 89-es évkönyv is van?
Viszont jó kis hangsugárzók vannak 243.o. után
áh, hülye vagyok...nem egyről bezélünk a 69-es évjáratotakartam írni, bocs mindenki!
igen..érdekel. és már bele kezdtem délelött
szép lassan haladok
he he..kicsit sem
![]() na én ezt a kapcsolást gondoltam, hogy megpróbálokozom vele...hát ha, de ha tudtok róla valami infót/tapasztalatot akkor azt várom. igazából azért ezt választottam, mert ahogy nézem két bemenete van, és ha szterreó jelet szeretnék nem kell belőle két külön blokk, meg trafók stb....
na tehát lehet, hogy rosszul gondolkozom....van ugyebár 2 bementet, és az egyikre menne a jobb oldal pl. a másikra bal, és akkor ez így lenne szterreó. vagy ha ezt megcsinálom akkor lenne egy monoblokkom 2 bemenettel?
akkor esetleg van valakinek olyan rajza ami szterreó, és nem kell hozzá millió tekercs (trafó) ?
|
Bejelentkezés
Hirdetés |



Köszi!
ha valaki pár szót tudna mondani nagyon megksöszönném.







