Fórum témák
» Több friss téma |
Szia! Sztereóhoz két KIT-re lesz szükséged.
A toroid akkor megfelelő, ha két egyforma szekundere van, tehát 2x24V-os, valamint a szekunder ágak legalább 4A-rel terhelhetőek. (A hullámos egyenfeszültség simítását pufferelésnek nevezzük, a buffer bár hasonló jelentésű, amire használjuk az egy impedanciaátalakító.)
Értem, buffer pufer ezek szerint nem egy
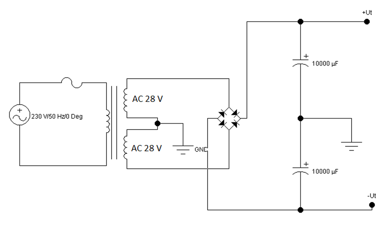
![]() Erre a trafora vetetem szemet: igaz ezt még szinkronizálni kell, remélem elég lesz neki.
Ez a transzformátor rossz választás lenne, az előbb nem véletlenül írtam a vele szemben támasztott követelményekről.
Na itt van az hogy tudatlan vagyok, keresgéltem kicsit.
Ilyet találtam: Trafo De ha ekkora kell és az ára is ennyi akkor nálam kicsapja a pénztárcám biztositékát. ![]() Most jön a buta kérdés: és ha az elözö trafoból kettö, külön-külön vinné a két végfokot? Sporolnák velle A hozzászólás módosítva: Nov 2, 2016
Az "első" trafó adatlapjának 5. sorában van egy barátságtalan kitétel: 2 perc/18 perc formában. Nem vagyok benne biztos, de jóséllyel azt jelenti, hogy 110 VA terhelés mellett 2 perc működés után 18 perc pihenőnek kell következnie, és ezután jöhet az újabb 2 perc üzemelés. Ez így kicsit sem szimpatikus.
A "második" trafó ára racionális. Ha ettől jelentősen olcsóbbat találsz, akkor gyanakodj. Az erősítők építésekor a trafó az egyik legdrágább alkatrész. Otthon építeni valamit, az szinte garantáltan többe kerül, mint megvásárolni ugyanazt készen.
A két szekunder tekercs nem azért kell, mert csatornánként van egy-egyre szükség, hanem a szimmetrikus tápegység kialakításához.
Van két darab TDA 7294es végerősítőm, két darab 4700 uFes kondenzátorom, egy KBP310G diódahidam és egy régi 16V váltóáramú trafóm.
Hogyan nézne ki ehhez az ideális áramellátás az elérhető cuccokból?
A trafó nem jó.
Szimmetrikus feszültség kell, amihez 2 szekunder kell a trafóra, vagy egy nagyobb értékű ha Reloop virtuális GND-re átgondolt kapcsolását építed meg.
Akkor ugyan úgy próbálkozzak, ahogy már lerajzolta, csak a nagyobb kondikkal és 1 ICvel?
Szia! Mekkora a transzformátorod terhelhetősége?
Ugyan arról a tápról van még szó, amit egy szünetmentesből szereztünk, tudod!
Azzal az a helyzet, hogy méltatlanul csekély kimenő teljesítmény érnél el és a kellemetlen melegedése miatt pláne semmi örömödet nem lelnéd benne.
Ez így volt a 2 1000uFes kondival, de reménykedtem benne hogy a 2x4700as kondival többet elérek.
Akkor ki se próbáljam?
Próbára faraghatsz egy feszültségkétszerezős tápot. Csekkold a poroltót és a lakásbiztosítást
Egy itthoni erősítőből ideiglenesen szereztem egy szimmetrikus 200wos 17V toroid trafót.
Egyenirányítás után kondikat raktam a + - kivezetésekre és a kondikból jövő áram csak 16 V körül van. Mit rontottam el? A hozzászólás módosítva: Nov 9, 2016
Rajzold le, mit hová kötöttél, és mit hol mértél.
A zöldel és pirossal jelölt helyeken mértem.
Ugye nagyon hülye vagyok hogy nem párhuzamosan kötöttem? :/ K.O.
Javaslom a kicsit lejjebb látható Bored fórumozó rajza alapján kipróbálni, majd a kimeneti GND-hez képest, mind a két polaritást megmérni.
Egyforma nagyságú és ellentétes polaritású feszültségre számítunk, aminek az értéke a trafó feszültségének az 1,41 szeresét fogja alulról közelíteni.
Erősítőre kötve +on 27Vról csökkenő feszültséget kapok, majd a némító funkció lekapcsol 16Vnál.
A - kivezetésen egyre növekvőt 27-ről 38ra ment el eddig.
Tökéletesen működik, csak megint hülye voltam... Köszönöm mindenkinek!
Viszont a feszültség nagy terhelés alatt leesik 20 Vra. Gyenge lehet hozzá a táp vagy túl sokat próbálok kihajtani belőle?
Sziasztok,szép estét! Már nagyon régen építgettem meg az első tda 7294 erősítőmet ami igazából kb 2 éve nagyjából napi sok órácskát megy
Szobában használom hifizésre egy egy 8 ohm impedanciás diffuval. Ez idáig nincs is probléma, viszont mostanra úgy vettem észre hogy az egyik csatorna hangereje picit kevesebb mint a megszokott és ez zavaró.Szóval halkabb az egyik panel ezt ellenőriztem úgy is hogy kivettem a panelok jelvezetékét egyenként és megérintve a jelvezetéket a búgás "ereje" sem volt egyforma.A becsatolókondenzátorokra rámérve igazából mindent rendben találtam és az ott lévő 22 µF rendben volt,valamint a vele soros 680 ohmos ellenállás is.Végezetül mivel pár alkatrészből áll így mindent egyenként lemértem kiszedtem a gyanús modult.Tápfeszültségeim rendben vannak mindkét oldalon +- 32 v dual monó kiépítés és hídkapcsolásról van szó aminek adatlapja itt letölthető.Ha valaki tudna valami infóval ellátni megköszönném.Betudható a lustaságomnak is hogy egyenként azért mindent nem mértem meg tüzetesen. Bootstrap utánhúzó elkóra is rámértem és nem találtam különösebb eltérést a műszer 18µF ot jelzett ami egy 22 µF elkónál még nem lehet kritikus mivel a másiknál is ugyanezt mértem.Előre is köszi a segítséget,és bocsánat a hosszú szövegért. Még annyit hozzátennék hogy egy sztereó potenciométer van a jelútban 2X100k B karakterisztikás aminek értéke mérve egyik oldal 86 K ohm másik oldalé talán 90 környéke de ezt kizártam mert idáig nem lehetett érezni annak a pár k ohmnak eltérés szemponti negatív hatását,meg akkor az érintéses vizsgálatnál amikor kiiktattam a potit miért nem egyforma hangosan zúgott? Most picit utánagondolván viszont a koppanásgátló ami benne van 2 reléből áll,esetleg a hiba hátterében állhat az hogy egyik relé pogácsájának úgymond megnőtt az átmeneti ellenállása? A hozzászólás módosítva: Nov 11, 2016
Na az meg eshet. Mérj rá mikkor behúz a relé. Ha nem 0ohm lesz akkor meg is. Van a gond
(Ne dioda vizsgálóval mérj ! Mert sok védelem bont a mérő áramra is )
Jelenleg így álok, meg volt az élesztetés utánin első komolyabb teszt. Nagyon meg vagyok vele elégedve, nagyon jól szól
Hétvégén végre lesz rá időm (ami általában nem nagyon van) úgyhogy csinálok neki egy dobozt.Csatolok pár kép az eddigiekről. Ja és köszönöm az eddigi segítséget!
Sziasztok. Megépült a 2.1 verzió. Hozzá ventilátor vezérlés és a Dinamic VU meter.
Következhet a dobozolás. Minden elsőre pöcre indult. Köszönet a tervezőknek "reloop, Alkotó, proli007" Bővebben: Link A hozzászólás módosítva: Nov 13, 2016
Az IC-k kengyeles felfogása jelentősen hozzájárul a hőátadáshoz. Én a "saját csavaros" felfogással nem tudtam a minimálisan elvárható kapcsolatot elérni a tokozás és a borda között. Épp ezért jött képbe a kengyel. Csak előnye van, javaslom a használatát mérlegelni.
Köszönöm, természetesen úgy lesz a végleges. Viszont egy kérdésem lenne, hogy az NTC-ben lévő védelmi relével miként kapcsoljam le a végfokot, ha már a "bolond fiam" felforralta? Gondolok itt arra, hogy mit szakítson meg a relé?
|
Bejelentkezés
Hirdetés |









Most picit utánagondolván viszont a koppanásgátló ami benne van 2 reléből áll,esetleg a hiba hátterében állhat az hogy egyik relé pogácsájának úgymond megnőtt az átmeneti ellenállása? 








