Fórum témák
» Több friss téma |
Csatolom a service manual-t!
Rendben, köszönöm (éppen indulóban voltam).
A helyzet eléggé egyszerűnek tűnik: Ebben a készülékben teljesen független csengető áramkör van, tehát ha semmiképpen nem sikerül megjavítani, akkor sem kell kétség esni. Van rajta egy kapcsoló: - Nem csöng, - Halkan csöng, - Hangosan csöng. Nem csöng állásban sípolni nem fog, viszont használhatsz "pót/külső csengőt". Leírásod szerint a sípolást az okozza, hogy a "Tone Ringer, IC3" alacsony frekvenciás része nem működik: - C3/R3 alkatrészek és maga az IC lehet ezért felelős (vagy környékük). - Talán még a kettes lábra menő R2 (bár az hogyan?). Ha mégis az IC lenne a felelős, akkor az nagyon népszerű és bevált darab, sok néven gyártják/forgalmazzák: Bővebben: Link Azt mondjuk nem kerestem meg, hogy ki forgalmazza az országban. Majd tájékoztass, hogy mire jutottál.
Köszönöm a gyors segítséget! C3mat vizsgálgattam én is először. van itthon egy 22µF 25V-os kondenzátorom. A kérdésem az hogy az beépíthető helyette, vagy fontos hogy 50V értékű legyen? Köszönöm!
C3-nak messze nem kell 50V.
De az nem 220nF?
A telefonban a C3nál pontosan ilyet látok, csak 50V-osba:
De holnap megnézem mégegyszer pontosabban. A hozzászólás módosítva: Dec 6, 2016
Elvileg elég oda a 25V is.
Az hogy hogyan lett az 50V0.22-ből 22µF azt nem értem. ![]() De ez az időállandó az úgyis csak a "csipogás jellegét" határozza meg.
Kis kiegészités:
Ez a jó adatlap (nincs sok különbség, mellesleg). Az elkó az meg tényleg 220 nf (0.22 uF). A rajzon lévő értékekkel a csengő hang 670 és 840 Hz között váltakozik, 12 Hz-es ütemben. Ami teljesen elfogadható csengőhang. És mivel az alacsony frekvenciás oszcillator nem működik, azért csak egy frekvenciát ad ki. 330 K ellenállás, 220 nF kondenzátor, vagy IC hiba lehet.
Én néztem el a kondenzátor értékét, valóban 0.22 µF a helyes érték, köszönöm, hogy felhívtad rá a figyelmem!
Sikerült megoldani a problémát: C3 volt a hiba, vásároltam egy új kondenzátort, kicseréltem és most gyönyörűen csörög a telefon! ![]() Köszönöm szépen a segítséged, nagyon sokat segítettél!
Sziasztok!
Tud valaki segíteni, hogy egy CB 76 típusú telefon 3 ágú fali csatlakozójából a két vonali csatlakozási pontot az RJ11-es csatlakozó hányas érintkezőire kössem? Sajnos nem találok hozzá rajzot. Szeretném a telefont ellátni egy ilyen csatlakozóval is, hogy univerzális legyen. Csak hobbi célra, nem fukarságból.
A két középsőre, 3-4
Ahogyan írták: Két középsőre (piros/zöld).
A másik kettőt pedig (fekete/sárga) "tőben" lecsípni! Viszont ha "olyan" az interneted (Home Gateway van), akkor nem fog működni, csak ha téged hívnak...
Ha a CB76- on még az eredeti zsinór van, akkor abban nincs piros- zöld vezeték. Az 3 eres, a pirosat és a kéket kell a csatlakozóba kötni, a feketét pedig levágni.
Köszi! Igen, eredeti zsinórja van, méghozzá nem a földelős változat, így a fekete nincs is bekötve a készülékoldalon sem.
Köszönöm a gyors válaszokat!
Vagy ha nem akarsz vacakolni vele, akkor használsz átalakítót.
Köszi, ez is jó ötlet.
Hali!
Valaki tudna segíteni, ennek a telefonnak a mi hálózatunkra való bekötésében,?
Piros/zöld a vonal, fehér lóg szabadon.
A "mi hálózatunk" még analóg rendszerű lenne? Bővebben: Link ...vagy már "digitális" ? Bővebben: Link
A hozzászólás módosítva: Jún 29, 2017
Elvileg mindegy is lenne, mert az előfizetői végződés lehetővé teszi analóg telefon alkalmazását (is). Csak az lehet kérdéses, hogy támogatja-e az impulzusos tárcsázást.
Igen, ezen miután kikapcsoltam a laptopot és is gondolkoztam. Hívást fogadni mindenképpen lehet vele.
Azon meg ne nyissunk vitát, hogy a mellékelt rajz és fénykép között "némi" ellentmondás látható
Értem a kérdést. Egy öreg szaki nyomta a kezembe, hogy rakjak neki rá olyan dugót, hogy be tudja dugni a fali csatlakozójába.
Én ezt úgy szoktam megoldani, hogy veszek egy RJ11 -es modul falicsatlakozót. Abban csavaros szorítóra ki van fejtve a 4P modul csatlakozó mindegyik ere. Ebbe bekötöm a telefon L1, és L2 vezetékeit (direkt nem írok színeket, mert változhat), és egy dugó dugó rövid kábellel össze tudod dugni az RJ11 fali csatlakozóval. A 4P modul csatlakozóban a két középső ér az L1, L2.
A hozzászólás módosítva: Jún 29, 2017
Én próbáltam az RJ11 -et közvetlenül "ráügyeskedni" a telefon zsínórjára. Akkor jöttem rá, hogy kétféle 4/4 modul csatlakozó létezik, egy a lapos kábelre, és egy a "gömbölyűre". A baj az, hogy a telefon kábele túl hajlékony, és nem tudtam rendesen betolni a kábel erét a csatlakozó érintkezőjének V kivágásába, és a gömbölyű kábel átmérője is túl nagy volt. Jónéhány csatlakozó elkrimpelése után feladtam, és áttértem a lengő üzemmódban használt négyszögletes falicsatlakozó használatára. Itt a csavarok alá kényelmesen bekötöttem az ereket, és a kábel kicsúszás elleni védelméről is egy csomó kötésével sikerült gondoskodni.
Köszönöm a segítséget, megoldottam, működik.
Sziasztok!
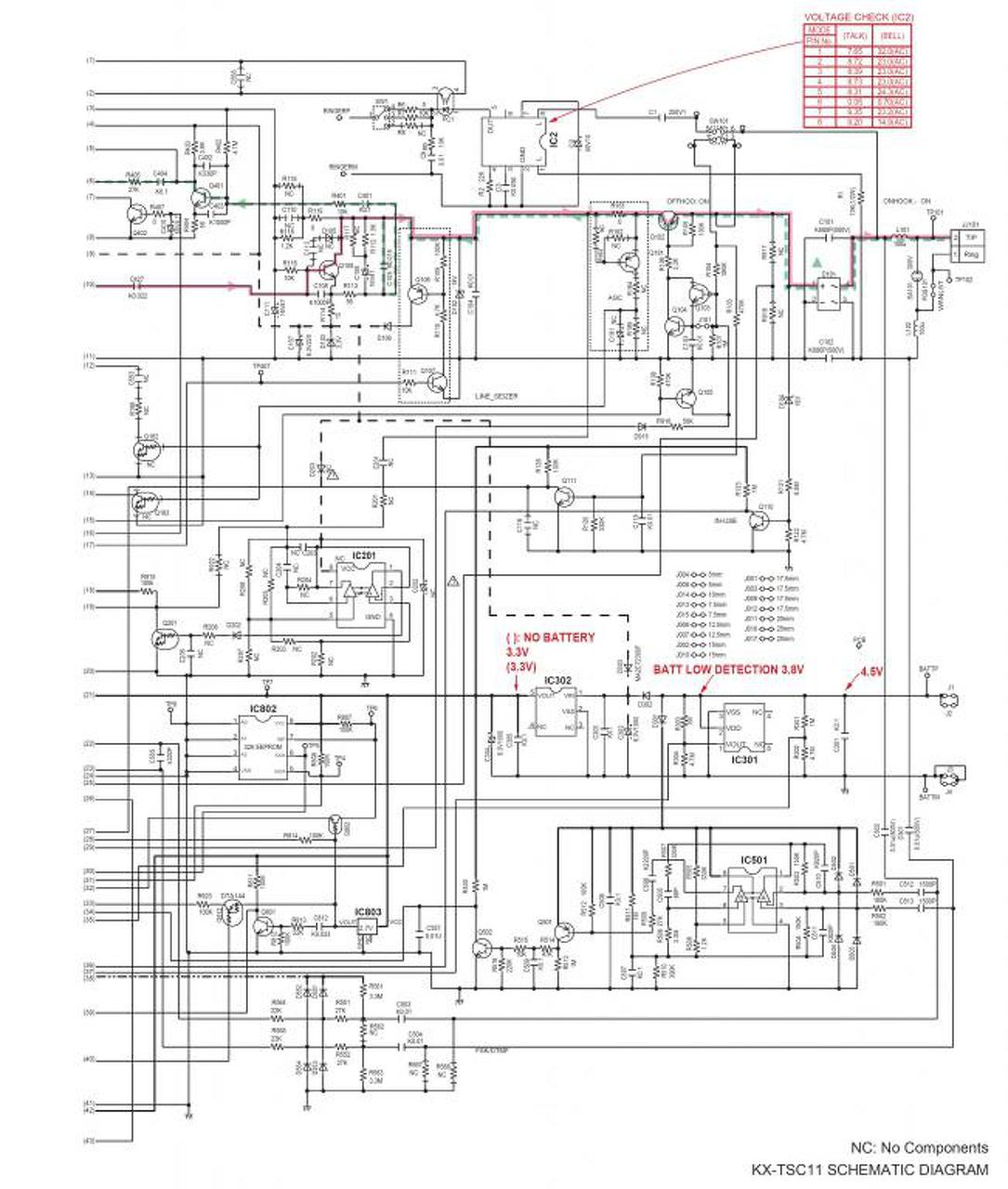
Telefonos(vezetékes) szakértőktől kérnék segítséget. Panasonic KX-TSC11 HGW telefon nem hív. A fenti telefonkészülékről hívást kezdeményezni nem lehet. Kiírja a hívott számot a kijelzőre, majd számlálja az eltelt időt,de ténylegesen nem hívja a számot. Minden más funkciója tökéletesen működik. (a telefon hívható kicsöng és beszélhető rajta) PIN kódos híváskorlátozás és billentyűzár nincs bekapcsolva. Factory resetet megcsináltam,de semmi változás. Valakinek valami ötlete? Üdv:
Hát nem tudom, de a dokumentáciotól erös hiányérzetem lett. Hol jut ki a hivás a LINE csatlakozokra? Onnan a rajz szerint elmegy a jel a RINGER nevü blokkra (csengetés), a kagylo jelellátására meg a mikrofonerösitöre, alul meg a CPU C-ID bemenetre ( caller ID - számkijelzö). Semmi mást nem látni, pedig a vonalra vagy impulzusoknak vagy DTMF jeleknek kellene menni. Egyikre sincs utalás a rajzon.
Ha meg van a SM, akkor a 25. oldal.
Sziasztok.
Letöltöttem a service manualt. 25 oldalon megtaláltam mik okozhatják ezt a problémát ,ahogy Inhouse átküldte. Tone üzemmódba átnéztem a jelzett alkatrészeket,de minden jónak tűnik. SMD kondikat is kimértem de itt se találtam problémát. Q481 tranyó nincs beépítve eme készülékbe(a rajzon is ez szerepel). De a hibát nem találom. |
Bejelentkezés
Hirdetés |





















