Fórum témák
» Több friss téma |
- Ez a felület kizárólag, az elektronikában kezdők kérdéseinek van fenntartva és nem elfelejtve, hogy hobbielektronika a fórumunk!
- Ami tehát azt jelenti, hogy a nagymama bevásárlását nem itt beszéljük meg, ill. ez nem üzenőfal! - Kerülendő az olyan kérdés, amit egy másik meglévő (több mint 17000 van), témában kellene kitárgyalni! - És végül büntetés terhe mellett kerülendő az MSN és egyéb szleng, a magyar helyesírás mellőzése, beleértve a mondateleji nagybetűket is!
Sziasztok!
Egy elég laikus kérdéssel fárasztanám a kedves fórumozókat, remélem érdembe valaki tud megfelelő választ adni. Adott egy elektromos cigaretta, ezen cigarettába 2db 18650es 2500mAh Li-ion akkumlátor helyezkedik el. Amennyiben ha az elektromos cigarettán keresztül micro usb vel és egy samsung s4 telefon gyári töltőjével (2.0 A) töltöm.. akkor normál üzem alatt 3-max 4 nap alatt merül le a készülék. A másik verzió: kiveszem a cigarettából a 2db akkumulátort és behelyezem egy Efest bio 2 ágyas töltőbe amin kiválasztom a 0.5A es töltést. ezzel lényegesen több ideig tölt az akkumulátor de és most lenne itt a lényeges változás…. teljes feltöltöttség esetén 7 napig bírja a készülék azonos üzem alatt!! Eddig 4 alkalommal teszteltem és minden esetben megállta a helyét az állításom.. Rengeteg elektromos cigarettás kinevetett, hogy ilyen nem létezik.. Mert nem emelkedik az amúgy is fix 2500mAh szám.. Mint szakfórum és elektronikához értők között szerettem volna feltenni a kérdésem mert rengeteg okos van mindenfelé az interneten.. Tehát a kérdésem.. lehetséges az, hogy egy Li-ion akkumulátort ha alacsonyabb amperszámon töltjük akkor élettartam és üzemidő emelkedést (ebben az esetben nem emelkedés hanem a teljes kihasználtságát értem) eredményez? Én eddig úgy tudtam, hogy élettartamot növelhet. Előre is köszönöm a válaszokat és még egyszer elnézést ha valami triviális kérdést tettem fel de én magam nem tudom a választ sajnos, de egyértelműen tapasztalom.. ami adódhat más magyarázat okán is. köszönettel: Csopszi A hozzászólás módosítva: Dec 15, 2016
Szia!
Inkább az a helyzet, hogy a Samsung töltővel kisebb feszültségre töltődik a készülék saját töltésvezérlőjén keresztül, mint a külön töltővel.
Köszönöm Szépen a válaszodat. tehát a szűk keresztmetszet az a saját elektronikáján keresztül való töltés lesz. Amit kihagytam esetleg és érdekes lehet az az , hogy a készülék képes arra , hogy telepenként kijelezze a feszültségeket.. mindkettő esetben teljes töltöttséget mutat 4,2V -ot..
Tehát az első felállásban valószínűsíthető , hogy fals eredményeket mutatna?
Nekem elég furcsa elektromos cigarettában 2 db. 18650 méretű akku. Egy is sok lenne, és akkor is már szivar lenne, nem cigaretta. 5000mAh akkuval meg menni kéne neki hetekig...
Zsugor csovet hajszaritoval össze lehet zsugoritani?
Neked is "Szia", Attila! Sajnos gyanús, hogy nem lesz elég a hajszárítóból kilépö levegö höfoka...
Sziasztok! Lenne egy kérdésem egy egyszerű áramkörrel kapcsolatban. Két bemenet van rajta (Line in és AUX, mindkettő 3,5mm jack) és egy kimenet (3,5mm-es jack). Ha csak az egyik audio van csatlakoztatva, akkor "jó" a hangerő, viszont ha rádugom az AUX-ot is, akkor lecsökken mindkettőnek a hangereje annyira, hogy a hangfalat maxra kell tekerni hogy hallható legyen. Ezt ki lehet küszöbölni erősítő nélkül? Ezt mi tudja vezérelni, hogy egy és két csatlakozásnál is ugyanakkora hangerő legyen?
Igen, de zsugorcsöve válogatja. A ragasztós, vastag falú változathoz már kérdéses, de inkább idő kérdése. Amikor leégett a hőlégfúvónk, mi is azt használtuk, de határozottan lassabb a művelet.
Sziasztok!
Valaki meg tudná mondani, esetleg mérte már, hogy egy ehhez hasonló 12V-os autóskompresszornak mekkora lehet az áramfelvétele? Megmérném magam is, de a multiméterem csak 5A-es és nem akarom tönkretenni, ha több lenne. Köszi
Soros mérőellenálláson feszültséget mérni?
Hmm, mondasz valamit
Bár, ahhoz kis ellenállású, kb. pár wattos ellenállás kellene nem? Ilyesmim pedig nincs itthon és mostanában a munkám miatt el sem jutnék venni.
Mérjél egy méteres hosszúságú 1,5 mm2-es huzalon. Annak még az ellenállását is ki lehet számolni (ha hinni lehet annak, hogy tényleg 1,5 mm2-es...). De nem kell számolgatni sem, ráraksz egy 15W-os izzót, annak meg tudod mérni az áramát, és meg tudod mérni, mekkora feszültség lesz a huzal egyik és másik vége között. Utána megnézed, hogy mekkora feszültség lesz a kompresszor esetén ugyanazon a huzalon, és némi aránypárból kiszámolod, hogy mennyi áramot vesz fel a motor.
De az izzós mérésből Ohm törvénnyel a vezeték ellenállását is kiszámolhatod, és akkor már van egy jól terhelhető "mérőellenállásod". A hozzászólás módosítva: Dec 15, 2016
Sziasztok!
Vettem egy Sony HCD ED1 típ használt micro hifit, aminek az aktív hangszóró csatlakozói le vannak vágva. Addig eljutottam, hogy vettem 2 db. 5 pólusú DIN dugót, de hogy a vezetékeket melyik érintkezőte hova forrasszam arról ötletem sincs. Tudnátok ebben segíteni? Megtaláltam a hifi és az aktív hangszóró Service Manualját is, de nem jutottam előbbre. Csatolok fotókat is, hogy lássátok miről van szó.
Szia!
Feliratoztam neked, de a mellékletekből sajnos nem derül ki, hogy a csatlakozót belülről vagy kívülről látjuk-e. Így két lehetséges variáció van. Szükséged lesz egy multiméterre. Kikapcsolt állapotban, szakadásvizsgálat állásban mérj rá az egyik variáció 4-es pontjára és a hifi valamelyik fém részére. Ha itt 0 ohm az ellenállás, akkor ez a helyes sorrend. Egyébként ismételd meg a mérést a másik sorrend 4-es pontjával. Ha itt van rövidzárlat, akkor ez a helyes sorrend. A 6-os és a 2-es pont mindkét esetben ugyanaz.
Sziasztok!
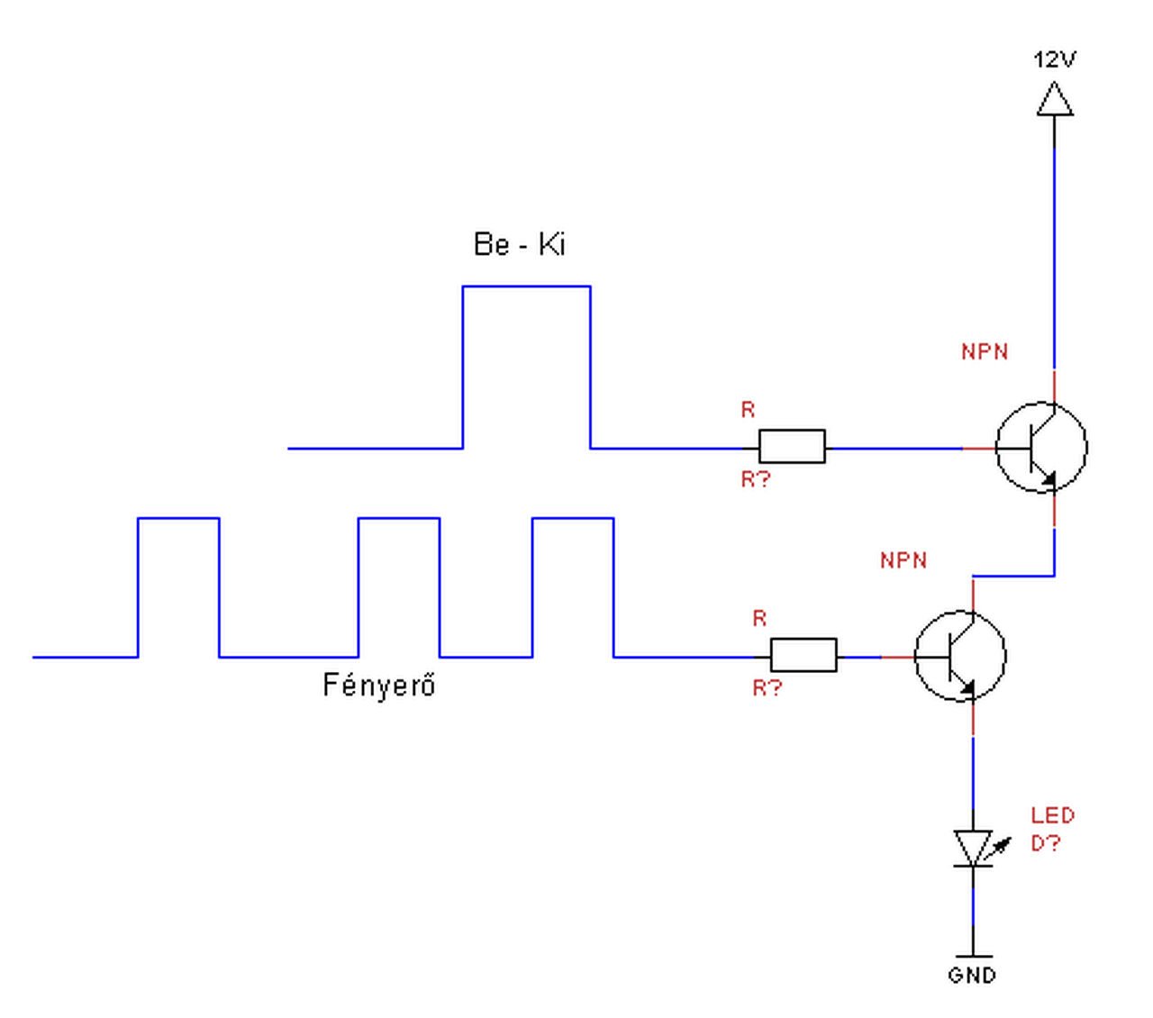
Nekem is volna egy kérdésem. Notebook CCFL csöve elöregedett. Led szalaggal helyettesíteném. Első nekifutásra rendeltem egy kit-et ebay-ről, amit szépen bele is tudtam tenni, be is kötöttem. Csak sajnos annyira melegedett, hogy még a kijelzőben lévő átlátszó plexi alját is megolvasztotta. Sajnos ezt csak későn vettem észre. Most van egy 12v-os led szalagom, amit szeretnék a legegyszerűbb módon vezérelni. A PWM jelek, amik a kijelzőhöz (régi inverter) mennek, adottak, azzal nem szeretnék variálni. Az egyik egyszerű, egy ki-be kapcsolás jele, a másik a fényerőé. A fényerő szabályzással vagyok gondban, az egy 50-100% kitöltésű jel (50% - minimum fényerő, 100% - maximum). Megoldható-e ez a vezérlés az általam kitalált módon? Kép mellékelve. A hozzászólás módosítva: Dec 16, 2016
Konkrétan nem tudom, hogy ez így áramkörileg helyes -e, de ha valamilyen logikai kapcsolatot akarsz alkalmazni a két bemeneti jelre, arra megvannak a jól bevált kapcsolások.
Pl egy RTL logikai AND (és) kapcsolat: Positive logic AND gate... Neked a Q kimenetre kellene tenni egy kapcsolótranzisztort, ami a LED sorodat a két bemenőjel fügvényében kapcsolgatná... Keresési szűrők: RTL AND gate, RTL xxx gate, DTL xxx gate, stb... A hozzászólás módosítva: Dec 16, 2016
Ha nem ragaszkodsz a LED-hez, létezik világító fólia is, ami nem melegszik, viszont nem olcsó...
Például itt, de biztosan van máshol kicsit kedvezőbb áron is.
Igen van ilyen az ebayen meg sok más oldalon is. Bár ott se sokkal olcsóbb.
Egy probléma van vele (bár ez nézőpont és alkalmazandó feladat kérdése), hogy nagyon gyenge fényt ad. Én műszer háttérvilágításnak akarok ilyet de még nem jutottam odáig az ára miatt. ![]() Ebbe a felhasználásba tökéletes lenne, viszont egy monitor háttérvilágításaként, ahol nappal is elég erős háttérvilágítás szükséges, szerintem kevés lenne... A hozzászólás módosítva: Dec 16, 2016
Szerintem ez így nem működne, de a vezérlőjelek jelszintjétől is függ.
Köszönöm, ennek utánanézek.
kendre256: köszönöm a tippet, a helyzet az, hogy külföldön tartózkodom, és korlátozottak a lehetőségeim. Plusz, ahogy írtam, a led szalag már meg van véve és pont bele is illik a cső helyére. Csak a vezérlést kellene megoldanom az eredeti vezérlőjelekhez illesztve és persze ugyanakkora méretben mint az eredeti inverter. Amihez itt jelenleg hozzáférek: forrasztóállomás, Attiny13 AVR + programozó, Conrad. A mikrokontrollert csak a legvégső esetben vinném bele, kicsit olyannak érzem, mint ágyúval verébre. Ami még probléma, az az időkeret, mert legkésőbb holnap estig kellene megvalósítanom a dolgot. Ha a fényerő állítás nem lesz benne nem gond, akkor csak 1 tranzisztort fogok használni, ami fel/le kapcsolja a háttérvilágítást. ktamas66: neked is köszi a hsz-t.
Miért kell, ehhez 2 kapcsoló ellem?
Lekapcsolt állapotban leállítod a PWM-et, és megvan oldva a kikapcsolás. Tranzisztor helyet inkább használj FET-et!
Lehet, nem írtam le teljesen jól. A PWM jelek adottak, és 2 külön szálon jönnek a kijelzőhöz. Ez a gyári felállás, ezt nem akarom variálni.
Köszi szépen mindent. Az ellenállás mindegy milyen teljesítményű? A gate töltése ugyebár elég kicsi, mivel csak arduino adja, tehát nem kell valami atom teljesítmény ellenállás igaz?
Esetleg megzaklathatlak még egy kérdéssel? Bővebben: Link Mekkora névleges Áramerősséget bír el? Jó lenne a Led szalagos 10V 10A-es projectemhez? Hestore ügyfélszolgálat nem tudott rá válaszolni... Köszi előre is. A hozzászólás módosítva: Dec 16, 2016
Elég a 0,25 W-os ellenállás is. Mekkora áramot? Ez jó kérdés. 1 mm széles nyák fólián kergettem már át folymaatosan 3 A-t, bírta, alig melegedett.
Szerintem egy ilyen próbapanelen, igazából nem a réz fogja vezetni az áramot, hanem az ón / drót, amivel épp összekötöd a PAD -eket...
Köszönöm a tanácsot. a piros javaslat jött be. Viszont az egyik hangszóró nem szól. A kondik körül fehér trutyi van de lehet nem az a baj, mert az van a működőben is, csatolom a fotót. A relé nem kattan a hibásban mikor bekapcsolom a hifit, nem serceg a hangszóró, teljesen néma.
Az a fehér valami, ragasztó, nem engedi a kondenzátorokat billegni.
Estét!
Nem is tudom ezt hova kellene írni, igazából egy új topikba, mert még nincs ilyen a kereső szerint, de lehet sose nézi meg senki, szóval egy gyors kérdés aztán majd kiderül mi lesz... Tudna nekem valaki valamilyen (lehetőleg magyar nyelvü) dokumentációt adni az SCPI -ről? (Standard Commands for Programmable Instruments) A barátommal egyelőre csak angol doksit találtam, de azt sajnos nem vágom valami magas szinten... A hozzászólás módosítva: Dec 16, 2016
Egy műszerhez (BEICH CH8710B Electronic DC load) kapott *.pdf ami egyelőre rendelkezésemre áll.
Elvileg Labview -el lehet hozzá készíteni virtuális kezelőfelületet PC -re. Az eszköz gyártójának már írtam e-mailt (még csak két napja), de még nem válaszolt. CH8710B... A letöltés menüben sem sok minden van... A hozzászólás módosítva: Dec 16, 2016
|
Bejelentkezés
Hirdetés |

















