Fórum témák
» Több friss téma |
Fórum » Csöves erősítő készítése
Ne feledd betartani a fórum viselkedési szabályait, és a topik megmaradásának feltételeit. [link]
A téma átmenetileg fagyasztva lett, hozzászólni nem tudsz!
Akkor ezt a tápkapcsolást egy az egyben használhatom az SRPP-hez is?
Szívesn , kíváncsi leszek az eredményre , mennyire nyeri el a tetszésed !
Hiogyan tudod belerakni az MM fejet , mert az szerintem lényegesen nehezebb , nagy lesz a tűnyomás és egyébb gondok is adódhatnak
Érdemes szétnézni a vaterán, 10k körüli árban egész jó állapotú AKAI, Pioneer, NAD stb lemezjátszókat kapni!
Én is inkább ezt az utat javasolnám Müszi-nek , láttam PU nélkül 3000Ft -ért AKAI-t .
http://www.vatera.hu/muszaki_cikk_elektronika_hifi_lemezjatszo_c2550.html
Azt hiszitek hohy nekem rengeteg manim van???
Tudom hogy lehetne venni másikat, miért nem értitek meg hogy semmire nincs pénzem. Nemúgy van ám hogy csak költekezek a nagyvilágba...
Lemértem súlyra a jelenlegi és a bekerülő MM hangszedő súly között nincs külömbség...
Gondoltam , hogy Te sem vagy tele ... , nem is akartalak megbántani , de ha kitartó vagy és keresgélsz talán az átalakítás árán vehetnél 1 jobban alakítható , használható lemezjátszót, pláne ha a meglévőt is értékesítenéd eredeti formájában .
Sokszor jobb megoldás ha nem variálunk és elsőre a járhatóbb utat választjuk , hosszú távon szerintem kifizetődőbb . Bocs ... nem akarlak sem lebeszéni sem kioktatni és elnézést , ha így jött volna le .
Ez biztos ?
Én nem úgy emlékszem ..., az UNITRA teljesen műanyag ,TESLA VM2202 robusztusabb , nehezebb példány . Persze nem tudom , hogy jól memorizáltam , már régen volt ilyen PU a kezemben ....
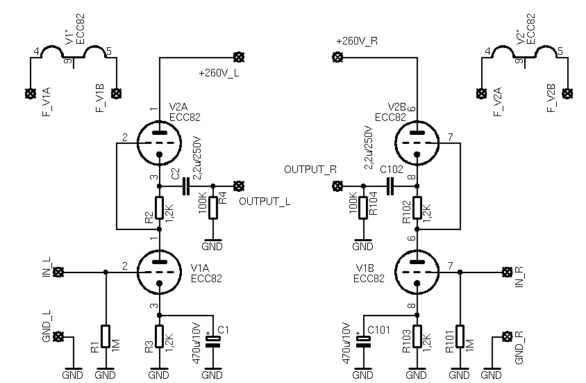
Van egy kis gond. össz-vissz 3db ECC83-asom van.
Ezeket a rajzokat gondoltam megépíteni, az elektroncső oldalról. - Úgy gondoltam, hogy az SRPP-be megy 2 ECC83-as - A RIAA-ba pedig triódaként bekötött EF80-ak lennének. - A táppba pedig EZ80 kerülne. Jó lenne ez így?
Sajnos nem tudjuk , melyik UNITA tipusról beszélünk ..
Ha a WG400-ról akkor ott semmi lehetőség sincs a tűnyomás korrigálására , esetleg 1 rugó.... Nekem azért a WG400 -ra aszociáltam , mert ez volt keramikus fejjjel szerelve , voltak UNTRA LP-ék pl. sensoros ami gyárilag MM PU-t kaptak és nagyon jók voltak ...
Bocs , de ezt teljesen nem értem ....
Itt semmi SRPP nincs , teljesen más kapcsolás mint tegnap ..
Szerintem ua. csak kicsit modernizáltak rajta ..
De ha van kép róla , jobban megítélhetnénk , mi is az ..
WG400 végfokkal egybeépített ( TBA810) lejátszó volt , kipattintható keramikus fejjel , rövid S kar , tűnyomás rugóval allítható , műanyag tányérral ...
Szerintem a Tiéd is hasonló ......, de lehet , hogy tévedek . Most vettem észre , hogy más kapcsolásban gondolkodsz , amit mutattál 1 passzív RIAA , tegnap nem erről baszéltünk , az SRPP fontosságát sem értem , miért akasz + SRPP-t 1 katódkövető kimenetű korrektor mögé (ez a tegnapi kapcsolásra vonatkozna )
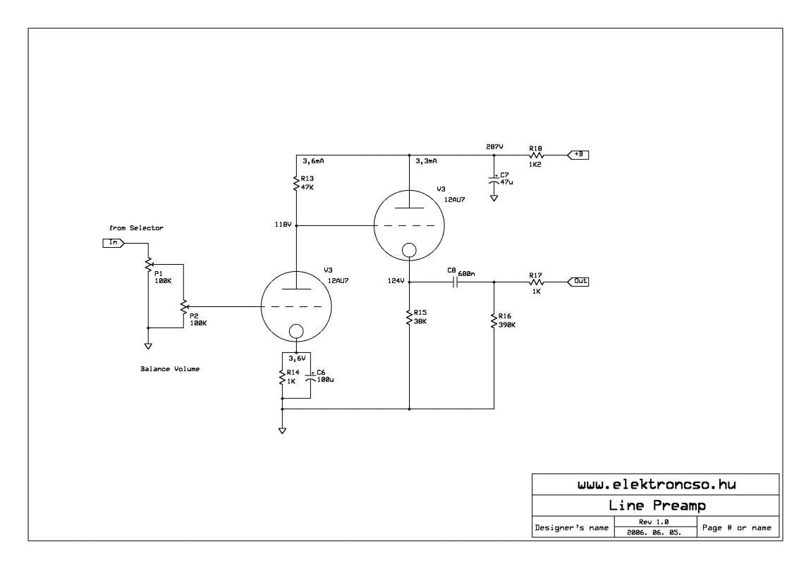
Nem látom az SRPP rajzát !!!
Hol van , amit mutattál az nem SRPP....
Igen az Unitra gyártott MM PU-val lemezjátszot G-1100 fs(Daniel). A gyári PU igen gyenge, de könnyü cserélni
Na erre gondoltam , ez használható lenne , tuningolva ,...
Sajnos most nem erről beszélünk , kösz a képet .
Tegnap késő este kitárgyaltuk , az a korrektor SRPP nélkül teljesen kihajtaná a végfokot , simán lehetne kb . 1V érzékenységű végfok elé is kötni , víszonylag kis kimenő impedanciáról jól kihajtana sok csöves végfokot , én nem bonyolítanám további fokozatokkal ...
Csak rontana a hangon ... jel/zaj stb.....
Értem, csak elö kellett halásszam
Csatoltam az SRPP rajzát.
Képet nemtudok a gépről mellékelni, mert a drágalátos HP fényképezőm megint leszívta az akkukat... Idézet: „WG400 végfokkal egybeépített ( TBA810) lejátszó volt , kipattintható keramikus fejjel , rövid S kar , tűnyomás rugóval allítható , műanyag tányérral ... Szerintem a Tiéd is hasonló ......, de lehet , hogy tévedek .” Nemtévedsz, teljesen egyezik, csak egy kül. van, hogy ilyen tekerős gombbal állítható a tűnyomóerő. Mivel nincs elég csövem, ezért megépítem egyszer RIAA-nak a HFM1-et (csatolva), addigis jó lesz nekem az IC-s korrektor. Az SRPP-t természetesen megépítem, bemenetválasztóval 2 ECC83-mal, rendes táppal, szép dobozolással. Üdv néktek: Müszi
Te nagyon sokat segítesz nekünk ..
Köszönjük , erre gondoltam . Így már biztosabban tudom , hogy nem szabad MM fejet beletenni , semmi értelme . Ha azt is figyelembe veszi Müszi , hogy tű nélkül kap 1PU-t amibe a tű 2-3000Ft , akkor pláne nem szabad költeni rá ... Csak az zavar , hogy nagyon offolunk !
Elbizonytalanodtam, hogy melyiket érdemes összeütni...
SRPP vagy RIAA. Szerk.: Eldöntöttem: RIAA-t fogok, csak az a kérdés hogy melyiket ajánljátok? Az elektroncső félét vagy amit CHZ adott?
Na már látok SRPP-t is , eddig nem láttam .
HFM1 az is nagyon jó , próbáltam , de a tegnapi rajz jobb , csövekkel . Én nem eröltetném az SRPP -t nem kell 1 jó végfok elé , ha a többi bemenet CD , PHONÓ , STB ...kis impedanciáról vezérli ki a végfokod , + erősítésnek nincs sok értelme . Inkább a PHONO-hoz használnám azokat a csöveket , többet hozna a hangban ... Idézet: Erröl szol ez a forum(szerintem).Igazad van elég sok OFF volt. „Te nagyon sokat segítesz nekünk” ON Ezt a kapcsolást épitete már meg valaki? |
Bejelentkezés
Hirdetés |















