Fórum témák

» Több friss téma
Fórum » Elektronikában kezdők kérdései
- Ez a felület kizárólag, az elektronikában kezdők kérdéseinek van fenntartva és nem elfelejtve, hogy hobbielektronika a fórumunk!
- Ami tehát azt jelenti, hogy a nagymama bevásárlását nem itt beszéljük meg, ill. ez nem üzenőfal!
- Kerülendő az olyan kérdés, amit egy másik meglévő (több mint 17000 van), témában kellene kitárgyalni!
- És végül büntetés terhe mellett kerülendő az MSN és egyéb szleng, a magyar helyesírás mellőzése, beleértve a mondateleji nagybetűket is!
Lapozás: OK   2902 / 4047
(#) orcika70 válasza robin112 hozzászólására (») Dec 18, 2016 /
 
Annyit megpróbálhatnál hogy a hangszórót csatlakoztatni a helyére, és kép alapján ideiglenes átkötéssel egy kicsi vezeték darabbal, mert így kikerülöd a relét, és kiderül hogy a TDA2050 végfokon kijön-e megfelelő hangzás a másikhoz képest viszonyítva.
(#) Gafly válasza jocka0012 hozzászólására (») Dec 18, 2016 /
 
Szia!
Ugyan nem értek hozzá, de szerintem ennek szemlátomást két része van:
- Felül sárgával aláterített színezéssel a világítás. "Masse" az a test, "Licht-Anker" az a világító tekercs. Ami a rajzon nincs, az a lendkerék mágnes és vele párhuzamosan az izzók. Alul a négy dióda egy egyenirányító hidat alkot, és ha a 6V8 zener által beállított "világítási" feszültséget meghaladja az eredmény, akkor nemes egyszerűséggel begyújt a tirisztor és rövidre zárja a tekercset izzóstól megóvva őket a kiégéstől
- Alul rózsaszínben pedig az akku töltésért felelős (teljesen független rész) található. A "Masse" még mindig a test. "Lade Anker" a "töltő" tekercs (nincs a rajzon). A 12V-os akkumulátor a "Masse" és az"+Akku" között van (ki gondolta volna ). Amikor a feszültség meghaladja a 14.4 V-ot (8V2 + 6V2), akkor a tirisztor nem tud begyújtani azaz megszűnik a töltés. Mert úgy egyébként az 1N4004 diódán és a a 680 Ohm-on keresztül lenne mindig gyújtása a tirisztornak..
A hozzászólás módosítva: Dec 18, 2016
(#) jocka0012 válasza Gafly hozzászólására (») Dec 18, 2016 /
 
Ha 12V-os izzok vannak a motorba , akkor 12Vos zenert rakjak a tranzisztorhoz?
(#) Gafly válasza jocka0012 hozzászólására (») Dec 18, 2016 /
 
Után szeretnéd építeni?
(#) jocka0012 válasza Gafly hozzászólására (») Dec 18, 2016 /
 
Igen.
(#) Gafly válasza jocka0012 hozzászólására (») Dec 18, 2016 /
 
Akkor ezzel megfogtál, mert nem tudom.

Ami biztos, hogy ezek "össze vannak hangolva" a lendkerékhez, mágneshez, stb...
Fordítsuk meg a dolgot: Pontosan mit is szeretnél?
(#) yohnsee válasza orcika70 hozzászólására (») Dec 18, 2016 /
 
Ha végigolvastad az előző oldalt, ott leírta a méréseket. A végfok kimenő lábán (4.) -18 voltot mért. Végfok hibára gyanakszom, de ilyen végfokot szerintem már nehéz beszerezni.
(#) jocka0012 válasza Gafly hozzászólására (») Dec 18, 2016 /
 
Egy feszultsegszabalyzot akarok csinalni egy yamaha dt 80-as motorhoz.
(#) gkari válasza jocka0012 hozzászólására (») Dec 18, 2016 /
 
Nem, oda a 6,8 V-os a jó 12V-os égőhöz. Ha van 2xcca.12V-váltót adó trafód, akkor lemodellezheted, hogy tényleg jól működik-e.
(#) jocka0012 válasza gkari hozzászólására (») Dec 18, 2016 /
 
Milyen az a 2xcca?
(#) pucuka válasza jocka0012 hozzászólására (») Dec 18, 2016 /
 
Körülbelül. Azért körülbelül, mert az eredeti tekercs feszültsége fordulatszám függő, nem egy konkrét érték. És azért kétszer, mert az egyik a világítás, a másik a töltő tekercset pótolja.
A hozzászólás módosítva: Dec 18, 2016
(#) Gafly válasza jocka0012 hozzászólására (») Dec 18, 2016 /
 
xcca -> nagyjából.
Szerintem ki kell próbálni, mert másként nem megy a dolog...
De nem értek hozzá.
(#) bebe159 hozzászólása Dec 18, 2016 /
 
Sziasztok!
Nem mertem új témát nyitni, nem tudom azt sem, hogy ez a legmegfelelőbb, de felteszem a kérdésem.
Van egy Kingston HyperX cooling fan accessory blue (KHX-FAN) ram hűtőm. 2 ventilátor van rajta, a 2 venti egy darab 3 pines venticsatlakozóba megy bele. Bedugtam, az egyik venti nem forgott és nem világított, a másik ment jól. Megnéztem közelebbről, a nem működő venti kábele ki volt szakadva a csatlakozóból. Szétszedtem a csatinál, összekötözgettem a kábeleket, kipróbáltam. Eredmény: az a venti ami eddig jó volt, most nem forog, de a ledek világítanak benne, amelyik nem ment eleinte, az forog és világít is. Megpróbáltam a csatlakozóra rákötni csak azt a ventit, ami (most már) csak világít, de így szólóban se működött, még mindig nem forog. Nem tudom, hogy mit ronthattam el, van valakinek ötlete hogyan tudnám forgásra bírni azt ami eddig működött?
(#) RoliNyh válasza bebe159 hozzászólására (») Dec 18, 2016 /
 
Mindenekelőtt készíts néhány képet, lássuk mi is miről van szó, mert így kb vak vezet világtalant...
(#) gkari válasza jocka0012 hozzászólására (») Dec 18, 2016 /
 
Pontosítok: kétszer (inkább min.) kb. 12V.
(#) bebe159 válasza RoliNyh hozzászólására (») Dec 18, 2016 /
 
Most így néz ki: Link A 3 kábel szorosan egymás mellett az egyik (alapból működő) venti 3 kábele. Gondolom a földelés, a 12V és az érzékelő. A másik külön lévő a 2. ventijé (gonhdolom a földelésük volt egy kábelen). Amikor összekötözgettem és kipróbáltam, akkor így nézett ki: Link (Eléggé barbár tudom)
Számomra rejtély, hogy miért nem forog a lapátja annak, aminek eddig ment. Kap áramot végülis a led világít.
(#) RoliNyh válasza bebe159 hozzászólására (») Dec 19, 2016 /
 
Most így szerinted 5 vezetékvégből fog tudni bárki is mondani valamit? Az egész egységet kellett volna lefényképezni, vagy hogy hogy is volt bekötve eredetileg.

Az én legegyszerűbb logikám szerint van egy közös test, két pozitív külön köülön a ventilátoroknak, és a LED -ek párhuzamosan vannak rákötve a ventillátorra, és van még két RPM visszajelző vezeték.

De mivel azt mondod a ventillátor forog, és a LED nem világít, elképzelhető olyan bekötés is, hogy van egy közös test, a két ventillátor párhuzamosan bekötve egy vezetékkel, a két LED párhuzamosan bekötve másik vezetékkel, valamint a két RPM visszajelző szál.

Ha külön tápot kapnak a LED -ek és a ventillátorok, a LED -eket ki tudod mérni egy DMM dióda vizsgáló funkciójával. De ha párhuzamosan van egy ventivel egy LED, és ebből a csoportból van kettő, akkor sajna ezt se tudod kimérni.

Ha nem férsz hozzá, nem tudod szétszedni, nem látszanak a vezetékek meg kell próbálni külön külön táplálni minden vezetéket először próba képp 5V -ról.

Ha megvan a test, ahoz képest egyesével mindegyik vezetékre adj 5V -ot egy kis ideig (0.5-1mp).
Ennyi általában elég ahhoz, hogy láss valamit.
Ha nincs semmi jelenség, próbáld ugyanígy 12V -al...

Egyébként a gyári csatlakozót te vágtad le vagy nem volt már rajta?
A hozzászólás módosítva: Dec 19, 2016
(#) hobitibi hozzászólása Dec 19, 2016 /
 
Sziasztok,van 1 LDN-12F típusú relém ,hogyan kell bekötni ahhoz,hogy működjön.
(#) RoliNyh válasza hobitibi hozzászólására (») Dec 19, 2016 /
 
Próbáltad már úgy, hogy 12V -ot adsz a tekercsnek?

Relé...

86-85 -ös csatlakozók...
(#) hobitibi válasza RoliNyh hozzászólására (») Dec 19, 2016 /
 
Köszi,megpróbálom,van ennek a relének aljzata,a piros-fekete nem ide van bekötve(85-86).
(#) bebe159 válasza RoliNyh hozzászólására (») Dec 19, 2016 /
 
Nos, kiderült, hogy csak rosszul kötögettem össze a kábeleket, a 2 szélsőt felcseréltem, már megy mind a 2 venti és világítanak is, boldogság van. Forrasztok aztán beszerelem a gépbe.
(#) tsab hozzászólása Dec 19, 2016 /
 
Sziasztok!

Előre is elnézést a kérdésért, de most inkább megkérdezem.

Konkrétan most egy fém dobozba szeretném belerakni az áramkört, amit csináltam és elbizonytalanodtam. A cucc egy dugasztápról megy, így eleve nincs föld, de gondoltam rárakom a - pólust, de érzésem szerint ez egy nem jó ötlet.

Ezután felvetődött bennem mi van ha még föld (230V föld kábel) is lenne. Pl pc-s tápok. Ott rá van kötve a föld a dobozra, hogy ne üsse agyon az embert.

Mikor lehet és mikor nem szabad összekötni a földet és a negatív pólusát az áramkörnek?
Mi a szakszerű?

Szívesen olvasok link is jöhet.

Üdv.
(#) kadarist válasza tsab hozzászólására (») Dec 19, 2016 /
 
Szia!
A dugasztáp kettős szigetelésű készülék, így a rákötött áramköröket nem kell és nem is szabad földelni.
(#) hobitibi válasza RoliNyh hozzászólására (») Dec 19, 2016 /
 
Sikerült bekötni,működik,kösz a segítséget.
(#) exabit hozzászólása Dec 19, 2016 /
 
12V-os (földeletlen) dugasztápról működő eszköz fémháza ráz. Multiméterrel 90V váltófeszültséget mérek a készülék háza és a védőföld között. Mi ennek az oka? Más dugasztáppal kipróbálva is ez helyzet.
(#) yohnsee válasza exabit hozzászólására (») Dec 19, 2016 /
 
Szia!
Mi más van még bedugva az eszközbe? Koax antenna, stb?
(#) bugyi680 hozzászólása Dec 19, 2016 /
 
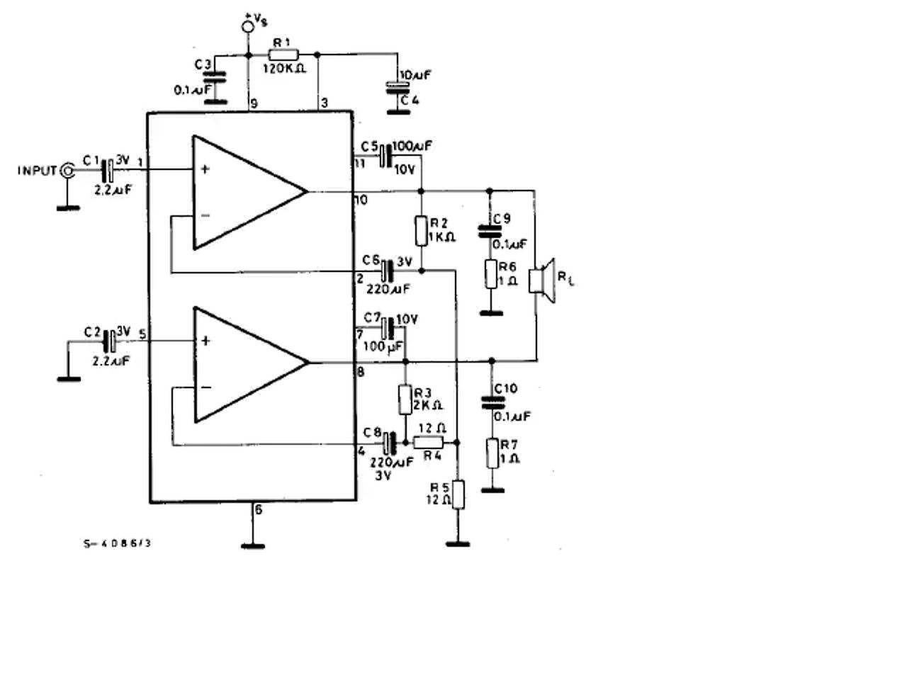
Szeretném ha valami hozzáértő leellenőrizné ezt a kapcsolást hogy működő-e.Ez egy erősítő TDA2005 R típuusú IC-ből.A kapcsolást a netről szedtem.A bemenetnél jól van-e bekötve a potméter?A válaszokat előre köszönöm.

image.jpeg
    
(#) exabit válasza yohnsee hozzászólására (») Dec 19, 2016 /
 
Az eszközbe nincs más bedugva. Igazából nem is az eszköz a kérdés hanem a dugasztáp maga: miért mérek 90VAC-t a kimenete és a védőföld között. Néztem két másik dugasztáppal de azzal is ez van. Ugyan nem csíp, de azért érzem.
(#) yohnsee válasza exabit hozzászólására (») Dec 19, 2016 /
 
Ha nem titok, mi ez az eszköz pontosan? Abból tudnánk következtetni a belső felépítésére és lehet, hogy pontosabb választ tudnánk adni, mint itt tippelgetni, hogy miért mérsz rajta 90VAC-t és miért bizserget. Tovább megyek, ez lehet meghibásodás előjele is.
(#) Melphi válasza bugyi680 hozzászólására (») Dec 19, 2016 / 1
 
Szerintem nagyon úgy néz ki hogy működő, mivel a gyártó által kiadott kapcsolási rajzot láthatjuk valaki másolatába, mégpedig hidalva ahol a kimenő teljesítmény 1x20W. Nyugodtan fogj bele!

Névtelen.png
    
Következő: »»   2902 / 4047
Bejelentkezés

Belépés

Hirdetés
XDT.hu
Az oldalon sütiket használunk a helyes működéshez. Bővebb információt az adatvédelmi szabályzatban olvashatsz. Megértettem