Fórum témák
» Több friss téma |
- Ez a felület kizárólag, az elektronikában kezdők kérdéseinek van fenntartva és nem elfelejtve, hogy hobbielektronika a fórumunk!
- Ami tehát azt jelenti, hogy a nagymama bevásárlását nem itt beszéljük meg, ill. ez nem üzenőfal! - Kerülendő az olyan kérdés, amit egy másik meglévő (több mint 17000 van), témában kellene kitárgyalni! - És végül büntetés terhe mellett kerülendő az MSN és egyéb szleng, a magyar helyesírás mellőzése, beleértve a mondateleji nagybetűket is!
Hello! Minden hálózatra kötött eszköznem van parazita kapacitása a hálózat és a ki-bemenetei között. Ha ezt a tényleges földeléshez képest mérjük egy 10Mohm bementi ellenállású multiméterrel, akkor biztos hogy "komoly" feszültségeket fogunk mérni. De az még nem jelenti azt, hogy ez életvédelmi szempontból gondot is jelent. Néha rontja a helyzetet, hogy a hálózat és kimenet közé még szándékosan kötnek be kis kapacitású kondenzátort is.
Áramot kell mérni a kimenet és a földpont között, akkor kiderül, mennyire is van gond ott.
Egy USB-hub, aminek van egy külső tápja hogy az USB 3.0 energiaigényét biztosítsa. De mondom, magán a dugasztáp kimenetén is érzem ha nincs bedugva az eszközbe.
A munka oroszlánrészét elvégezted, én csak annyit tennék hozzá, hogy a potmétert így kötném be:
1. láb: audio kimenet 2. láb: audio bemenet 3. láb: közös GND (feltételezve, hogy a potméter fix végei az 1-3 pontok és a 2-es a csúszka)
Szia! Jól rajzolták azt a hangerőszabályzót Bővebben: Link-
És az 50k megfelelő érték a hangerőszabályzó potira?Mi alapján szokták kiválasztani?
Azt a legkisebb értéket célszerű választani ami nem terheli túlzott mértékben a jelforrást. Az alacsony érték előnye, hogy jobban elnyomja a külső zavarokat.
Ha javasolhatok, legyen 10k logaritmikus.
140 uA. Nem vészes tényleg csak meglepett.
Igen. Adatlap szerinti ajánlás:
Bővebben: TDA2005.pdf Figure 1. A hozzászólás módosítva: Dec 20, 2016
Sziasztok!
Nem vagyok teljesen kezdő, de kicsit belezavarodtam a végtelen fajta tranzisztorba. Van egy kínai lcd modulom, raspberry pi-ra van kötve, ennek szeretném a fényerejét szabályozni. 555 alapú egyszerű áramkör adja a pwm jelet egy tranzisztorra ami a háttérvilágítást kapcsolgatja. Pwm freki kb. 5KHz, feszültség 5V, 4 led van kb. 100mA-t esznek max fényerőn. Akkumulátorról megy az egész, így keresem azt a tranzisztort ami a legkevésbé energiapazarló. Elsőre egy IRF830-as MOSFET ugrott be, de ilyen kis áramokra lehet jobban járnék egy mezei NPN BJT-vel? Vagy egy kisebb MOSFET-tel?
Szia!
Én mindenképp MOSFETet ajánlanék. Nem tudom hol szoktál vásárolni, de a legtöbb webes alkatrészbolt oldalán lehet szűrőket beállítani a kívánt paraméterekre. A leszűrt tételekből kiválasztod a számodra legjobbat (ár, egyéb paraméterek alapján). Példaképp a HESTORE oldalán leszűrtem a furatszerelt N csatornás FETeket . Ár szerint rendeztem őket, elsőnek a BS170-et adta be, ami 60V/500mA-es viszont az RDS(on) 5 Ohm, a következő az IRFD110 ami drágább, cserébe 0,5 Ohm csak az ellenállása bekapcsolt állapotban. 555-öt használni miközben ott a PI? A hozzászólás módosítva: Dec 20, 2016
A jó link:
Bővebben: TDA2005.pdf
Köszi a segítséget. Igen, kénytelen vagyok 555-öt használni, mert pi zero az alany és a két pwm képes kimenet analóg hangkimenetként van használva.
Sziasztok!
Hogyan tudom az 5V-os stab kimeneti feszültségét 5V fölé megemelni ? 8V-ra szeretném beállítani.
Az adatlapjában benne van az ajánlott megoldás.
A kimenetre egy akkora ellenállást kötsz, hogy 5V-nál a minimális terhelő áram follyon rajta. A stabiizátor GND lába, és a tényleges föld közé egy akkora ellenállás kell, hogy a minimális terhelő áramnál 3V feszültség essen rajta.
Még egy kérdés, ha ezt a IRFD110 -t kapcsolgatom 5kHz-el nem lesz tele nagyfeszültségű tüskével?
LEDeket akarsz vele kapcsolgatni nem induktivitást, nem lesz semmi gond.
Sziasztok! Segítséget szeretnék kérni.
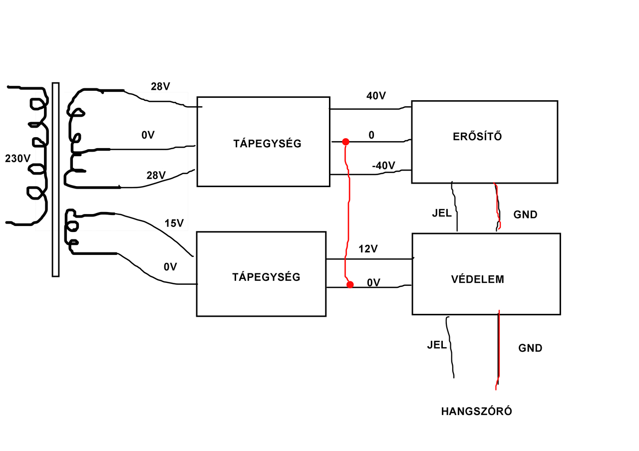
Van egy erősítőm. És úgy nézz ki a transzformátora ,hogy két külön kör van. És nekem a védelem miatt bajba vagyok. Más földön van mint ami az erősítő így nem tudom bekötni csak a relébe, baj esetén meg ugye nem kapcsol le így. A képen pirossal jelöltem amit összeszeretnék kötni ,hogy tudjam működtetni a védelmet. (Lehet értelmesebben rajzoltam mint ahogy írtam le amit akarok). Vagy milyen módszerrel tudnám összekapcsolni? Köszi a választ előre is!
Szia! Adj valami információt arról a védelemről, de ne ide tedd, hanem a témájába!
A pirossal berajzolt összeköttetés nélkül is működnie kéne.
Üdv mindenkinek!Szeretném kérdezni milyen trafó ez a képen és hogyan kell bekötni , kezdő vagyok nem tudom melyik a hálózati rész és egy TDA2040 es erősítőt elkészítettem ahhoz szeretném bekötni. de hogy letudjam mérni a voltokat tudnom kellene a trafó melyik része a 220 és lehetséges ,hogy közép osztás van.
A hozzászólás módosítva: Dec 21, 2016
Ha hálózati transzformátorról van szó, a vékonyabb huzalátmérőjű lesz a primer tekercs.
Ha nem férsz hozzá, hogy ellenőrizd a huzalátmérőt, akkor a legnagyobb ellenállású tekercs lesz az... A hozzászólás módosítva: Dec 21, 2016
Egy ceruzaelemre (tölthető 1.2V-os) kötött kis modellmotort (nem a nagyon kicsi ami a szervóban van, hanem egy kicsit nagyobb) szeretnék vezérelni. Van kb 3V logikai kimenetem (AVR-ről) és kapcsolgatni szeretném vele a lehető legkevesebb alkatrésszel mivel kevés a hely.
Van itthon: BD680, BD681, BD682, C327, C547B
Akármilyen kisfeszültségű trafóra (pl. dugasztáp trafója, vagy váltakozóáramú kimenete) kösd rá az egyik tekercs végeit, a másik tekercsvégeken mért feszültség megadja a választ.
Mérd meg a motor áramfelvételét. Ha biztosra akarsz menni, az indulóáram ennek tízszerese is lehet, ezt kell elvisei a tranzisztornak. A tranzisztor bázisáramát korlátozni kell, hogy ne tegye tönkre a mikrokontroller kimenetét.
Ez a trafó egy nagy magnos rádióban volt
Lemértem de mindenhol egyformát mutatott.
A két kék vezetékre tettem a hálózatot de ott zárlat volt automata le.
Most sikerült kibogozni! a piros és a fekete 220 v a barna fekete 110 v. és a két kék a szekunder. Azért csapta le az automatát.
Most már csak az a kérdés hogyan tudnék GND kimenetet . mert a z erősítőnek kellene.
|
Bejelentkezés
Hirdetés |











