Fórum témák

» Több friss téma
Fórum » Időzítő
 
Témaindító: Mekkmester, idő: Dec 25, 2005
Témakörök:
Lapozás: OK   56 / 77
(#) djadji válasza Gafly hozzászólására (») Júl 11, 2016 /
 
Ezt nem pontosan ertem. Pont azt mondtam, hogy a pic nem jo megoldas, mert nem tudom megoldani a tapot. De beferni beferne, nem kellene vesni semmit egy pic aramkoron, annyi hely lenne a kapcslo mogott. Azert koszonom a tamogatast.
A konnektoros idozito nem jo, nem kothetek egy mennyezeti ventilatort egy konnektorba! Ahogy a csillart se kothetem konnektorhoz, es itt a ketto ugyanaz, egyben van.
Ez a kesleletett mukodesu dolog viszont szimpatikusnak tunik. Koszonom szepen, jo otlet, utana jarok, hogy mi is ez!!! Koszonom.
A hozzászólás módosítva: Júl 11, 2016
(#) kaqkk válasza granpa hozzászólására (») Júl 12, 2016 /
 
Amit "kakukk" javasolt az beépíthető a villanyóra szekrénybe ha a csillár saját áramkörre van kötve , maximum kell még egy vezetéket behúzni a kapcsolóig. Vésés nélkül láthatatlanul szerelhető.
A hozzászólás módosítva: Júl 12, 2016
(#) granpa válasza kaqkk hozzászólására (») Júl 12, 2016 /
 
Ismerem. K.E.
(#) pont válasza djadji hozzászólására (») Júl 12, 2016 /
 
Azért minden nem világos, mert egy kapcsolóban normál esetben nincs nulla, tehát tápot sem nagyon lehet készíteni, noha az sem lenne sokkal nagyobb mint egy ventilátorhoz való relét ellátó elemes megoldás. Miért nem lehet a mennyezetre szerelni, akár a függeszték csatlakozás búrája alá, tápegységet, vezérlőt mindent, és távirányítással kapcsolgatni. A trigger jelet akár még egy lézer pointerrel is lehetne adni.
(#) proli007 válasza attika hozzászólására (») Szept 14, 2016 /
 
Hello! Akkor tedd fel a kérésedet a Parsic-os topikban é sa gyerekek 10 perc alatt "lerajzolják neked a programot". (Úgy is ritkán írnak bele..)
(#) attika válasza proli007 hozzászólására (») Szept 14, 2016 /
 
Köszi , akkor innen törlöm is ha még tudom .
Melyik topicra gondoltál mert nem találom meg?
A hozzászólás módosítva: Szept 14, 2016
(#) kaqkk válasza proli007 hozzászólására (») Szept 14, 2016 / 1
 
Kész a program ahogy ígérted ...
(#) proli007 válasza kaqkk hozzászólására (») Szept 14, 2016 /
 
Ígérni még tudok, főleg ha máséval vágják a csalánt..
(#) simsons51 hozzászólása Okt 31, 2016 / 1
 
Sziasztok!
Hogy tudom kiszámolni hogy 5 sec legyen az időzítés?
(#) proli007 válasza simsons51 hozzászólására (») Okt 31, 2016 /
 
Helo! Az oszcillátor ütemidejét az 1-es lábra kötött ellenállás és a 2-es lábra kötött kondi időállandója adja. T=R*C Mivel az ez követő bináris számlánc 16 tagú, az osztásaránya a kettő tizenhatodik hatványa. Vagy is az idő közelítő értéke R*C*65536. Azért közelítő, mert az oszcillátor ideje nem teljesen tápfesz független, így van egy konstans szorzó is, ami 12V mellett 1,08. Természetesen Ohm-ban Farádban kell számolni, és az idő szekundumban jön ki..
(#) simsons51 válasza proli007 hozzászólására (») Okt 31, 2016 /
 
Nem világos ez nekem.
T=22000 ohm x 0,000047 F x 65536=67764,224s=1129,4min
Hogy lehet akkor hogy 10min van a rajzon megadva, nekem meg százszoros érték jön ki.
(#) proli007 válasza simsons51 hozzászólására (») Okt 31, 2016 /
 
Én nem tudom mit számolsz. Ha jól látom, akkor ez 22kohm és 47nF azzal 67,7 másodpercre jön ki az idő. Csak Te 47µF-ot írtál be.
A hozzászólás módosítva: Okt 31, 2016
(#) Bakman válasza simsons51 hozzászólására (») Okt 31, 2016 /
 
47 nF = 0,000 000 047 nem pedig 0,000 047.
(#) simsons51 válasza Bakman hozzászólására (») Okt 31, 2016 /
 
Nem jó nem 47 nF hanem 470 nF van a rajzon és azzal 677s jön ki.
A hozzászólás módosítva: Okt 31, 2016
(#) Bakman válasza simsons51 hozzászólására (») Okt 31, 2016 /
 
A rajzot nem néztem, csak a számításod. Azt hittem, abban tévedtél három nullát. Legalább nyugodtan fekszem le, hogy működik a dolog.
(#) simsons51 válasza Bakman hozzászólására (») Nov 1, 2016 /
 
Köszönöm a segítséget
(#) jolinet válasza Gafly hozzászólására (») Dec 19, 2016 /
 
Vidd feljebb a feszültséget 13 voltra !
(#) jolinet válasza simsons51 hozzászólására (») Dec 19, 2016 /
 
Tegyél kisebb kondit a 100mf hejében ,csak 10mf -os tegyél vagy 47mf .
(#) Gafly válasza jolinet hozzászólására (») Dec 19, 2016 /
 
Én? Hol és miért?
(#) Bakman válasza jolinet hozzászólására (») Dec 19, 2016 /
 
A rajzon nincs 100 mF-os kondenzátor. Ha a C1-re gondolsz, az egyrészt 100 µF (SI-prefixumok), másrészt tápszűrő, semmi köze az időzítéshez.
(#) Bakman válasza Gafly hozzászólására (») Dec 19, 2016 / 1
 
Ne vitatkozz, csináld!
(#) 444Tibi hozzászólása Dec 22, 2016 /
 
Keresnek olyan idozitot, ami pozitiv es negativ triggerre is produkalja az 5-6 sec tartast.
Azaz a bemenet felmegy a + tapfeszre, es 6 masodpercig kapcsolja a kimenetet,
es ugyanezt tudna amikor a + vezerlojelet elveszem.
(#) proli007 válasza 444Tibi hozzászólására (») Dec 22, 2016 / 1
 
Hello! Megrajzoltam..
(#) 444Tibi válasza proli007 hozzászólására (») Dec 24, 2016 /
 
Koszontem,
megepites utan tesztelem.
(#) gordonfreemN hozzászólása Jan 1, 2017 /
 
Sziasztok.
Először is:
Boldog uj évet minden kedves tagnak!
Digit magas jel (3,3) kikapcsolását szeretném késleletni. Mindössze 1s kellene eltolni. Egy DAC ha nincs a bemenetén jel, a zero pinje magasra vált a mute pinje magasra némit. Ennek a némitásnak a kikapcsolását szeretném késleltetni a lehető legegyszerűbb módon.
A hozzászólás módosítva: Jan 1, 2017
(#) gordonfreemN válasza gordonfreemN hozzászólására (») Jan 1, 2017 /
 
Elfelejtettem irni, hogy a bekapcsolást viszont nem kellene hogy késleltesse.
A legjobban annak örülnék, ha egy-két alkatrészből is megoldható lenne, de ha kell egy 555 esetleg, hát nincs mit tenni.
A hozzászólás módosítva: Jan 1, 2017
(#) gordonfreemN válasza gordonfreemN hozzászólására (») Jan 1, 2017 /
 
Nem sierült már módositanom.
Fontos lehet.
10uA bemeneti áram és 2V-tól vagyunk magas szinten.
(#) proli007 válasza gordonfreemN hozzászólására (») Jan 1, 2017 /
 
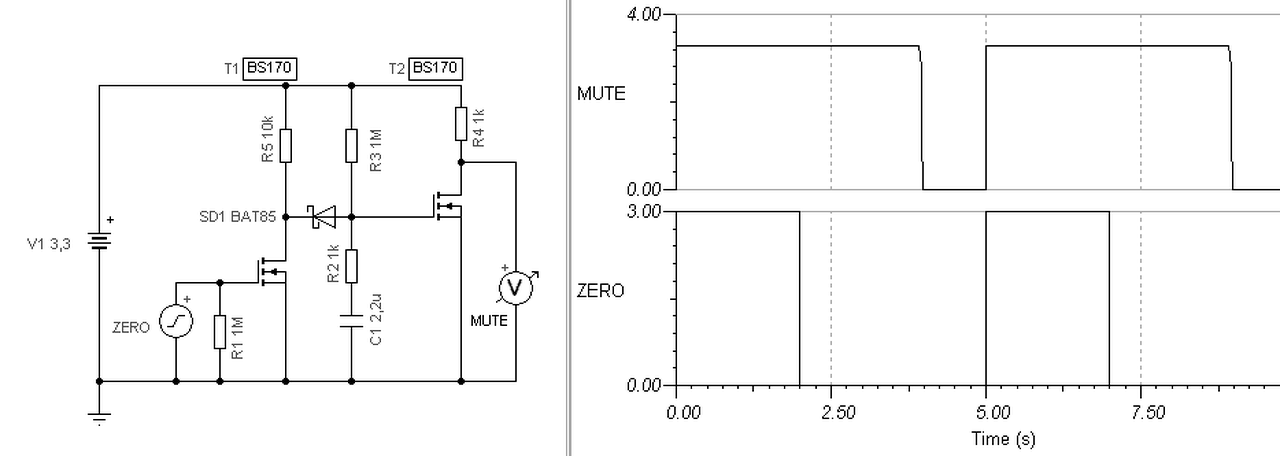
Hello! Esetleg ilyen egyszerű megoldással.. (A C1 értékét ki kel kísérletezni, mert az idő változik a Fet GS küszöbfeszültségével.)

DAC-MUTE.png
    
(#) gordonfreemN válasza proli007 hozzászólására (») Jan 1, 2017 /
 
Szia Gábor!

Először is köszönöm a válaszod!
Viszont lehet félreértettél, nem a mute bekapcsolását szeretném késleltetni, hanem a kikapcsolását.
Tehát nincs jel a DAC bemenetén, a ZERO kimenet logikai 1-re vált, ez adná a logikai 1-et a MUTE bemenetnek ami ekkor némit. Ez a folyamat elég gyorsan lezajlik, de szükség is van rá (nincs bemenő jelem és például a receiver IC stand-by-ba lép (vagy receiver-t váltok koax-ról USB-re), keletkezhetnek ilyenkor tranziensek amik pattanásként jelentkeznek). Majd újra kapok jelet, a receiver feléled, az éledés során ekkor is keletkezhetnek tranziensek. Itt viszont a ZERO már 0, emiatt a MUTE is 0 lenne és behallatszódna. Ha a MUTE-t 1sec-ig logikai 1-en tudnám még tartani, akkor kiküszöbölhető lenne ez a zavar.
Vagy én értelmezem félre az idődiagrammot?
(#) proli007 válasza gordonfreemN hozzászólására (») Jan 1, 2017 / 1
 
Ezek szerint erre gondoltál.. (Szerintem az T5 és a dióda nem kell, a T1 Draint egyből be lehet kötni a T2 Gate-re. A SPICE modulban nincs BS170 és ami van benne, ott a Drain szivárgási árama magas. Így a kondi nem tud feltöltődni. De szerintem a valóságban nincs ennyi.)

DAC-MUTE2.png
    
Következő: »»   56 / 77
Bejelentkezés

Belépés

Hirdetés
XDT.hu
Az oldalon sütiket használunk a helyes működéshez. Bővebb információt az adatvédelmi szabályzatban olvashatsz. Megértettem