Fórum témák
» Több friss téma |
Fórum » Erősítőhöz való hangsugárzó védelem (koppanásgátló)
Témaindító: Thom, idő: Márc 14, 2006
Témakörök:
Szia! A koppanásgátló tápja egy dióda segítségével kerülje meg az 50mF puffert, és csak akkora kondenzátorral simítsd a tápot ami a relé behúzásához éppen elegendő.
Köszönöm.
Nagyjából én is így gondoltam, csak az okos előbb kérdez... --a nálánál sokkal okosabbaktól!!!
Ezt csak számolgatni lehet, mert az IC-t nem érdekli a relé ellenállása, csak a rajta folyó áram. Ha jól emlékszem, akkor maximum 80 mA lehet ez az áram, így pl. egy DC24V-os tekercset feltételezve, 24/0,08=300 ohm. Azért persze itt sem árt némi tartalék, ezért ha ekkora a feszültség, akkor legyen a tekercsellenállás ettől nagyobb, mondjuk a duplája körüli érték.
Értem. 2db Finder 40,52-es relét szeretnék használni, elméletileg ugyan olyan mind a kettő, viszont a tekercsek ellenállása különböző. Az egyiknek 560Ohm, a másiknak 530Ohm. Igy az álltaluk felvett áram sem lehet egyforma.
Egyébként +-23V-os tápfeszről üzemel ez az IC?
Hány voltos a relé?
Az IC nem szimmetrikus feszültségről megy.
24V-osak a relék, párhuzamosan kötném őket. Pontosítok, 23V-ról elmegy-e az IC?
Megnéztem a 4052 adatlapját. Ezen különböző kialakítások vannak, de a tekercsellenállás sokkal nagyobb mindegyiknél a DC24V-os sávban. Ezért felmerült bennem a gyanú, hátha nem is egyenáramú a reléd. Nincs rajta AC jelzés?
Az IC-nek jó a 23 V. De inkább itt az a kérdés, hogy ebből a 23-ból mondjuk esik az IC-n 1 V, akkor a maradék 22 milyen stabilan tudja meghúzni a relét. Szintén az adatlap szerint, a működtető feszültség a névleges érték 0,73-1,5 szöröse lehet, tehát 17,5-36 V tartományban működhet.
DC24V jelölés van a relék tetején feltüntetve. Elővettem másik 2 darab relét, megmértem a tekercs ellenállását, az egyiknél 833Ohm, a másiknál 870Ohm. A relék lehetnek hibásak?
Mellékeltem az adatlap egy részét. Az alapváltozatnál 900 R a névleges érték, az érzékeny változatnál 1200 R.
A 800R fölötti érték már elég jól közelít az elvárhatóhoz.
6 ilyen relém van itthon 4db-nak közelít az ellenállása a 900Ohm-hoz, azokat megtartom.
A jelenlegi védelemnél is 2 ilyen relét használok, ugyan ezzel a tápfeszültséggel, ott minden probléma nélkül meghúz a relé. Így arra következtetek, hogy az uPC-s védelem is működhet.
Én is ezt gondolom, működni fog.
Az IC körül be kell még állítani egyéb ellenállásokat is.
Igen, tudom.
A leírásban benne van a szükséges ellenállások kiszámításának táblázata, de a 23V-os tápfeszültségem már nem esik bele a táblázat álltal feltüntetett tartományba.
A 25-60V-os tartomány az adatlapi ajánlásra támaszkodik. De kicsit lehet a határokat feszegetni.
A táblázat lezárása nincs jelszóhoz kötve, tehát feloldható, és kellő körültekintéssel szabadon módosítható. A relét a tápfesz alá álítottam egy kicsivel, de ez alig számít valamit. A hozzászólás módosítva: Jan 3, 2017
Halkan hozzá tenném. Nekem müködik az UPC-s védelem egész 80v ig .23v on nem próbáltamég. De 35v működött egy gyári. Ami fogalmam nincs milyen feszre volt beállotva. Bekötöttem és ment ,megy azóta is.
A Tiéd tökéletesen megfelel, csak több erősítöhöz is szeretném majd ezt a védelmet használni más és más tápfesz értékekkel.
Éppen erre van a kitölthető táblázat.
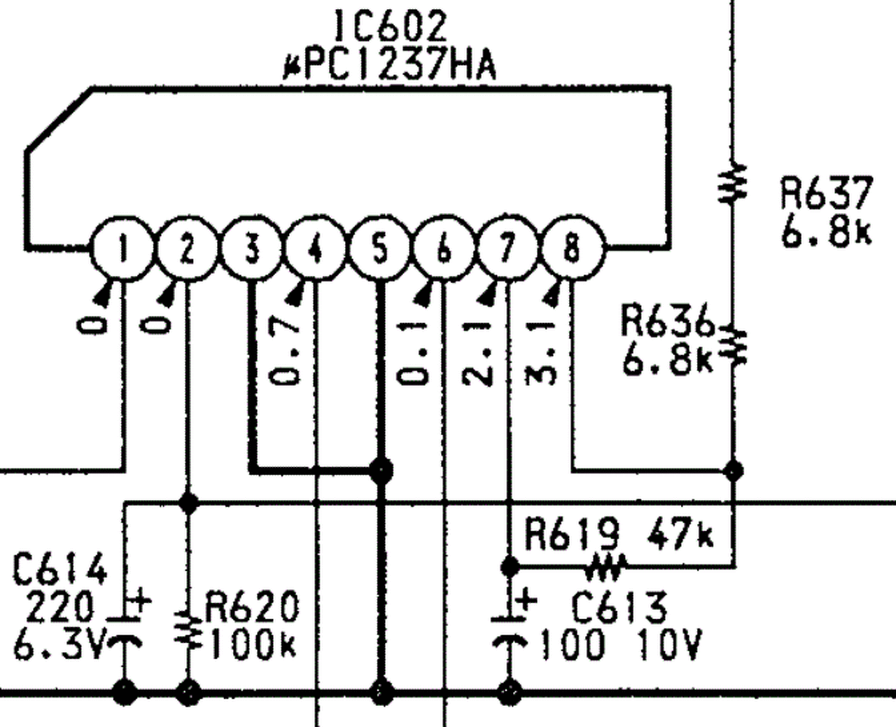
Sziasztok. kis segítséget szeretnék nyújtani . Átrajzoltam Layoutba az UPC1237 fájlt. Így szabadon alakítható. Megosztom az eredeti pdf fájlt. Ellenállás értékek szándékosan vannak kihagyva!
Szia! A jószándék dicséretes! Azért valljuk be kicsit össze lett ez csapva, tudsz Te ettől szebben is tervezni
Átugorva az esztétikai és a műszaki értékelést, illik pozíciószámot adni az alkatrészeknek és feltétlen jelöljük melyik IC lábat gondoljuk 1-esnek.
Pozíciók és ,alkatrész értékek is pótolva.
Szépen alakul
Még egy pillanatra ugorjunk vissza az elejére! Hogyan esett a választásod erre a kapcsolási rajzra? Mellékelem egy találomra kiválasztott gyári készülék rajzának ide vágó részletet. Mint látható (és az adatlapból kiolvasható) nem indokolt a 2-es bemeneten a polaritásfüggetlen elkó-pár. Külön felhívnám a figyelmet az elkók feszültségtűrésére, 16-25V bőven elegendő. Ez sokkal barátságosabb panelméretet eredményez. A mellékelt rajzon R620 pozíciószámú osztó ellenállás is hasznos része a kapcsolásnak, érdemes rátervezned. A kivitelezéshez csak két gondolatot fűznék: A T1, T2 és a relé nagyon szoros elrendezésű, az ellenállások pedig nem arányosak a watt-számukkal. Az R8-nak nem csak nagyobb méretet adhatsz meg, hanem lehetőséget is biztosíthatsz soros/párhuzamos elrendezéshez, hogy 0,6W-os ellenállásból is kialakítható legyen, lásd szintén a mellékletben. A magam részéről nem ragaszkodom ahhoz, hogy glédában álljanak az alkatrészek, de egy olyan 2-5mm-es távolságban lerakva kellemesebb látványt nyújt.
Sziasztok! Ez a a kapcsolás van olyan gyors, hogy egy esetleges rövidzár ellen is megvédje a tranzisztorokat?
Személyes tapasztalataim. Hogy a védelem meg e védi rővidzárnál az erősítőt. A NEM!
még a gyári végfokoknál is általában előbb csattan el mind hogy oldana a védelem. Nem igazán hallottam még teljesen sikeres védelemről. (Bár a több millio hufos digit végfokok már biztossan müködnik rövidzár .)
Szia! Az áramfigyelő feszültségfüggő-tételével FET-hez máris alkalmas, ha maga az erősítő megfelelő méretezésű. Bipoláris végtranzisztoroknál visszahajló karakterisztikájú áramkorlátozót is kell építeni. Ez a védelem akkor aktiválódjon, ha az áramkorlátozónak sorozatosan kell beavatkoznia.
Sziasztok! Tanácsot kérnék a Majki féle koppanásgátló megépítéséhez. A táp feszem + - 50V és kapcsi rajznál max 40V van jelezve. Melyik ellenállások értéket kellene megváltoztatni és mennyire, hogy 50V ról tudjam használni. Segítségeteket előre is köszönöm! elektrik
Szia! Mekkora a reléd névleges feszültsége és tekercsellenállása? Vizsgáld meg a beültetésre szánt LED-ek áramigényét! Az R5 és az R17 rajzon jelölt értéke szokatlanul nagy áramot eredményez
![]() Ez valami régi Reflex erősítőből származó kapcsolás, nem volna kedved valami korszerűbbet keresni? Az aszimmetrikus DC érzékelés és a T1 határozatlan telítésbe vezérlése nem túl biztató.
Köszönöm a segítségedet, valószínű maradok a Szkori féle védelemnél, mert ott pontos táblázat van mindenféle feszre és beállításra. Még nem próbáltam a te típusú clip jelződet, de valószínű megépítem. elektrik
|
Bejelentkezés
Hirdetés |





A leírásban benne van a szükséges ellenállások kiszámításának táblázata, de a 23V-os tápfeszültségem már nem esik bele a táblázat álltal feltüntetett tartományba. 




még a gyári végfokoknál is általában előbb csattan el mind hogy oldana a védelem. Nem igazán hallottam még teljesen sikeres védelemről. (Bár a több millio hufos digit végfokok már biztossan müködnik rövidzár .) 





