Fórum témák

» Több friss téma
Fórum » Labortáp javítás
 
Témaindító: very, idő: Ápr 30, 2007
Témakörök:
Lapozás: OK   25 / 38
(#) Near válasza proli007 hozzászólására (») Júl 10, 2016 /
 
A trimmerek voltak túl magasra véve. Lejebb vettem, hogy alapon 0-12v átkapcsolva 12-24v legyen így tökéletesen stabil meghajtja az erősítőt is.
Túl volt vezérelve. :S Lehet, hogy azért is gerjedt de a szűrést inkább nem veszem ki.
(#) scooby_ válasza Near hozzászólására (») Júl 10, 2016 /
 
Ezt a tápot 0..25V-ra tervezték. Van ennek továbbfejlesztett változata, ami akár az 50V-ot is tudja, de ahhoz megint sokat kéne vele vacakolni, ha arra át akarod alakítani. Véleményem szerint felesleges is. Főleg, hogy azt a tápot megkapod ebayen 2000Ft-ért panellel, alkatrészekkel együtt. Csak össze kell rakni.
(#) Near válasza proli007 hozzászólására (») Júl 10, 2016 /
 
Na szóval. Végszó szerintem. Csoda, hogy első alkalommal eljutottam eddig.
Mind a két kimeneten fix egyenáram van nincs zaj, nincs sípolás.
A kimenetek túlvezérlését megoldottam, a kimeneti csúcsfeszültséget 24v ban korlátoztam.
A bal oldali csatornán a tilt led világít a tervezési hibából eredően valószínűleg mivel a 13 as lábnál se egészen úgy van ahogy kéne, a bal csatornán terhelésre abba hagyja, egyelőre ignorálom csak nem lesz belőle gond. (Ha igen akkor így jártam de mivel nem is max feszültségen jár csak nem fog gondot okozni. ("Mondta a laikus és pukk :'O")).
Egy off kérdés:Tudsz ajánlani ezekkel kapcsolatban valami jó szakirodalmat? Szívesen tanulok meg új dolgokat és érdekel is a téma.
(#) proli007 válasza Near hozzászólására (») Júl 10, 2016 /
 
Azt a néhány mérést azért elvégezhetted volna. Nem szabad "lustának lenni", főleg ha mások veszik a fáradságot, hogy segítsenek. Én irodalmat nem tudok ajánlani, de minden irodalomnál jobb, ha az alapvető eszközök működését megérted és ez alapján egyszerű, majd komplikáltabb gyári rajzokat elemzed, megérted. Az EMG annyiféle tápot gyártott (túl sokat is), hogy szinte minden kapcsolási típus megtalálható köztük.
Ebben a könyvben, sok példa van, és némi működési magyarázat is..
(#) Near válasza proli007 hozzászólására (») Júl 11, 2016 /
 
Köszönöm a könyvet!
El fogom végezni a méréseket viszont a multiméterem ezt máshogy gondolja.
Amikor mértem a kimeneteket még jó volt. Kikapcsoltam. Majd miután bekapcsoltam azt vettem észre, hogy mindegy milyen mérés/méréshatárt állítok be a tizedes jegyek nem tűnnek el a kijelzőről.
Amit megpróbáltam: szétszedtem kipucoltam az érintkezőket, a kijelző érintkezőit, elemet, cserélte de semmi.
Szóval vennem kell valószínűleg egy másikat (Nem kár érte egy kis gagyi pár ezer forintosról van szó csoda, hogy két évet kibírt.)
Szóval csak utána tudom ezt megtenni. Amint meg lesz az új elvégzem és jelentkezek az eredménnyel, de csak a hét vége felé fogom tudni megvenni az újat.
(#) Leadtek hozzászólása Aug 11, 2016 /
 
Sziasztok! Adott egy Zhaoxin RXN-305D típusú labortáp ( 30V / 5A ). Újonnan se volt atom pontos az előlapon található kijelző de az évek alatt eléggé elkalibrálódott. A működésével nincs probléma tehát csak a kalibrálásában szeretnék segítséget kérni. Az itt látható tápegység szinte ugyanaz kívül belül (5 helyett 3 Amperes) ezért nem töltök fel külön fotót csak ha kértek esetleg. Kapcsolási rajzot kerestem de nem jártam sikerrel, ha lenne már valószínűleg megoldott lett volna a probléma.
(#) Sebi válasza Leadtek hozzászólására (») Aug 11, 2016 /
 
A kijelző meghajtása 7107, van neki topic itt.

A bemenetét Neked kell megkeresni a panelen és az osztót beállítani.
(#) Leadtek válasza Sebi hozzászólására (») Aug 14, 2016 /
 
Köszönöm, utánanézek.
(#) Gabó hozzászólása Szept 14, 2016 /
 
Megakadtam egy TR 9158as táp javításánál. Ez még a régebbi fajta, ahol nem potméteres a szabályzás.
Az első indításnál a táp jól viselkedik, de amint a DC OFF kapcsolót lekapcsolom, a pufferkondenzátor felmegy 92V-ig. A DC OFF kapcsolót megpucoltam, a yaxley kapcsolók kipucolva, tranzisztorok megmérve, diódák megmérve, elkók cserélve, ic-k cserélve, forrasztások átnézve. Ha a fő puffer újra teljesen kisül, megint jó első ilyen dc on-off kapcsolásig. Meg ameddig jó, és lejeb tekerem a beállított feszt, az lassan csökken. Merre lehet még a hiba?
A hozzászólás módosítva: Szept 14, 2016
(#) amex hozzászólása Szept 15, 2016 /
 
Sziasztok. Segitseget, tanacsot szeretnek kerni.
Adott egy 0-120v/0-3A ig valtoztathato kapcsolo uzemu dc labortap.(kinai).(Egyetlen biztositek sincs benne)
Es adott egy amolyan dc feszultseg tobbszorozo( dc step-up converter) szinten kinai.
Ez a konverter 8-60v bemeno es 80-120v kimeno feszultseggel 0-5A rel es max 900w tudassal rendelkezik.
Na marmost a labortaprol akartam meghajtani 10v on.
De sajna ugy elkuldte mint a huzat. Durrant egyet es vege a vadi uj 20.000 ft-os tapnak. Asszem az egyik puffer kondit lotte szet. A kerdesem az lenne hogyan lehetseges ez? A konverter tul nagy terheles volt a tapnak?
Milyen esetekben tud elszallni a puffer kondi?
Holnap toltok fel fotokat is a ket vacakrol.
Kerlek benneteket adjatok tanacsot. Kicserelhetem nagyobbra a puffer kondikat? Hova erdemes biztositekokat bekotni hogy megvedjek a labortapot? Mar ha sikerul megjavitani?! Ha van otletetek lecci irjatok. Koszi.
(#) scooby_ válasza amex hozzászólására (») Szept 15, 2016 /
 
Két esetben tud elszállni a puffer:
-Ha fordított polarítással kötöd be,
-Ha a megengedettnél nagyobb -jóval nagyobb- feszültséget kapcsolsz rá.
-Harmadik eset, tuti tipp: Ha a kettőt egyszerre teszed! Az iskolában erőszeretettel alkalmaztuk, a tanárok nagyon díjazták!

Nálad sejtéseim szerint a második pontban foglalt dolog történhetett, valószínűleg valami nagyfrekvenciás zavart küldött visszafelé a step-up, vagy összegerjedt a két táp, az impulzusszerű lökéseket nem nagyon szeretik a kondenzátorok, erre külön paramétert is adtak meg régen, ma már sajnos nem.
(#) amex válasza scooby_ hozzászólására (») Szept 20, 2016 /
 
Szio. Koszi kozben kicsereltem azt a puffer kondit es most mar tokeletes a ketyere.
Azt esetleg nemtudod veletlenul, lehetseges e valahogy a teljesitmenyenek a novelese?
Mert 0-120v/0-3A-t tud de csak mindossze 50wattos a draga.
Es hat ez kicsit keveske.
(#) Dzsino3 hozzászólása Jan 8, 2017 /
 
Sziasztok.
Volna egy olyan problémám, hogy kiskoromban még édesapámtól kaptam egy Orosz 0-50 Volt 2A os terhelhetőségű, zárlatvédett labortápegységet. Ezen jó kis tápegységet kb 20 éve használom, már de a jómultkor sajnos megadta magát. A kimeneti csatlakozóin, pl az 5 voltos egyen feszültség helyett 100 Volt körüli egyen feszt ad ki, ami ugyebár teljesen rendellenes dolog. Ha ráteszek egy terhelést, pl 12 Volt 60W os égőt, letilt a zárlatvédelme, leveszi a feszültséget a kimenetről. Az előlepi panelen, amin a szabályzó potméter, kapcsoló, főkapcsolója is található, a sok alkatrész közül van, egy kicsi, ami meg is égett már, és 2 nagy elenálás is, ami eléggé melegszik (Lásd utolsó fotón bekarikázva) , tehát valamilyen alkatrész meghalt benne, ami ezt okozza, és a rendellenes kimeneti tápfeszültésget is, de sajnos nem tudom melyik, és hogyan tudnám kimérni, mi lehet a problémás hibás alkatrész.
Kérem ha tudtok segítsetek kicsit hogy tudnám kiszűrni a hibát.

Előre is köszönöm segítségeteket.
Üdv.: Csizmár Zsolt
(#) scooby_ válasza Dzsino3 hozzászólására (») Jan 8, 2017 /
 
Idézet:
„...pl az 5 voltos egyen feszültség helyett 100 Volt körüli egyen feszt ad ki...”


Ugye az az 5Volt az 50Volt akart lenni? Folyamatosan 100V van kint, bárhová tekered a potikat? Ebben az esetben nagy valószínűséggel az áteresztőfokozatod hibásodott meg, áteresztő tranzisztorokat, meghajtó tranzisztort érdemes megnézni. Ezen felül, nekem ez a 100V elég irreálisnak tűnik, ha 50V a max. kimenő feszültség, ennyi tartalékra miért van szükség? Csak fölöslegesen fűt a táp... Nincsen ebben előszabályzás is véletlenül? Lehet az is rossz, ez így megmagyarázná, ha tényleg az áteresztőfokozat a hibás.
(#) Sebi válasza scooby_ hozzászólására (») Jan 8, 2017 /
 
Biztosan van, látom a KD tirisztorokat a képen...
(#) scooby_ válasza Sebi hozzászólására (») Jan 8, 2017 /
 
Tényleg, igazad van! Így akkor lehetséges a 100V, viszont akkor azt feltételezve, hogy a kimeneti feszültséget figyeli, akkor tényleg totál zárlatosak a tranyói, és még csak nem is a végekre tippelnék, sokkal inkább a meghajtásra, ha az mondjuk valami emitterkövető. Ez megmagyarázná, hogy leesik a feszültség mikor leterheli.
A hozzászólás módosítva: Jan 8, 2017
(#) Sebi válasza Dzsino3 hozzászólására (») Jan 9, 2017 /
 
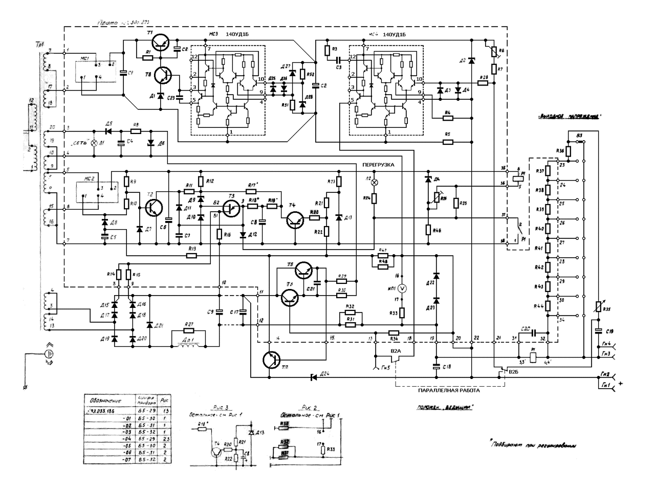
Az orosz nyelvű keresés eredményt hozott.
Dolgoztam a rajzon - átláthatóbb lett - most nincs több időm rá, kiindulásnak jó lesz.
(#) Sebi válasza Sebi hozzászólására (») Jan 11, 2017 /
 
Ugyan semmi reakció, de pihenésképp átrajzoltam, hogy az IC-k belső kapcsolásának ismeretében könnyebb legyen a működés megértése.

tmp3.GIF
    
(#) Dzsino3 válasza scooby_ hozzászólására (») Jan 28, 2017 /
 
Sziasztok.

Nem, úgy értettem, szó szerint ahogyan megírtam, ha pl letekerem 5 Voltra, és úgy mérek rá, akkor is 100 V os feszültség volt rajta.
(#) Dzsino3 válasza Dzsino3 hozzászólására (») Jan 28, 2017 /
 
Sziasztok, tiszteltem mindenkinek.!

Kapcsolási rajzot, nagyonszépen köszönöm, Sebi Úrnak, és mindannyiótoknak, így már sokkal, könnyebb lessz megjavítani. (Nekem sajnos nem sikerült megtalálnom a neten, kapcs rajzot, pedig én is keresgéltem.)

További szép sikeres napot kívánok, mindannyiótoknak.
(#) Dzsino3 hozzászólása Jan 28, 2017 /
 
Nekiestem a tápnak ott tartok, hogy találtam egy orosz diódát aminek az egyik végét elengedte a forrasztás, megforrasztottam, az egész panelt, átforrasztottam, átnéztem. Mostmár a kimeneti feszültsége minimális állaásban, 34-35 volt és finom szabályzóval, kb 37 voltig tudom szabályozni, de sajnos ha terhelést rakok rá azonnal levágja ismét a zárlatvédelme...
(#) slogan hozzászólása Feb 2, 2017 /
 
Sziasztok !

Van nekem egy Zhaoxin RXN-305D-II tápom. 4-5 éves darab. Annyi a bajom vele ,hogy nem tudok áramkorlátot állítani, hiába tekerem bárhova, maxon van. Mind a két oldal ezt csinálja. Nem tudom mitől ,de egyszer csak ilyen lett. Ez típus hiba lenne ? Ha valaki tudja mitől, vagy látott már ilyet ,kérem segítsen, mert jó lenne ,ha megint állítható lenne.

Köszönet !
(#) Sebi válasza slogan hozzászólására (») Feb 3, 2017 /
 
Találtam valamit, nézd meg hasonlít.e....
(#) slogan válasza Sebi hozzászólására (») Feb 3, 2017 /
 
Az a baj , ez így nem sokat mond
(#) Joe_001 válasza slogan hozzászólására (») Feb 4, 2017 /
 
Szia!
Matrix néven volt a kezemben. Az elv RTék 2002 számában van Magyarul, ez OP műveleti erősítőkkel van. Bogarászós játék lesz, rajzot nem találtam én sem találtam hozzá, az elv hasonlít. (A szekunder kapcsoló relék szeretnek huzamosabb nagy áramú használat esetén beégni).
A hozzászólás módosítva: Feb 4, 2017
(#) slogan válasza Joe_001 hozzászólására (») Feb 4, 2017 /
 
Köszi a velem való foglalkozást ! Szedjem szét ? Tudom láma kérdés, de csak akkor szedném szét, ha látszik a megoldás az alagút végén, amúgy napi használatban van
(#) demcar hozzászólása Feb 5, 2017 /
 
Üdv. mindenkinek.
Én már régebben kb 2éve épitettem meg az Alkotó által kéazitett labortápegységet.
És lett mostanra vele a problémám hogy nem tudom szabályozni az áramkorlátot. Szétszedtem és észrevetetm hogy a három tranzisztor közül kettő ki volt égve, rendesen látni lehetett rajta szemmel hogy fekete. Viszont TIP3055 tranzisztorok vannak benne nem 2N3055. Az lehet a probléma hogy kevésbé birja az intenzivebb terheléseket "srapát". Vagy a kapcsoláson belül is hibásodott valami?
A segitséget előre is köszönöm.
Bővebben: Link
(#) feccus hozzászólása Feb 6, 2017 /
 
Sziasztok!

Van egy házilagos labortápom, egyenirányító dióda lett benne cserélve aztán az egyik oldal elkezdett vacakolni,majd a benne lévő ua723pce típusú ic elfüstölt. Ma vettem bele 723-as ic-t de a kimeneten csak 4,5Vdc-t mérek és gyorsan melegszik az ic. Mi lehet a probléma szerintetek?
(#) havranarpi hozzászólása Márc 23, 2017 /
 
Szép napot mindenkinek!
Adott egy Voltcraft TNG35 típusú labortáp nem régi kb 5-6 éve vásároltam újonnan. Sajna a kapcsolási rajzát csak a régi modellnek találtam. Szétszedtem a készüléket és egy LM431 tipusú alkatrész füstölt el. Kicseréltem de továbbra is ugyan úgy elfüstöl azonnal az alkatrész. Merre kellene keresni a hibát ha ez az alkatrész romlik el?
Bekapcsolásnál a feszültség felugrik maximumra majd jön a füstjelenség.
(#) proli007 válasza havranarpi hozzászólására (») Márc 23, 2017 /
 
Hello! A TL431, csak akkor tud elpusztulni, ha nincs áramkorlátozása, vagy túlfeszültséget kap. Azt kellene megnézni, hogy a katódra megy-e ellenállás, és annak mekkora az értéke és rajta a feszültség. Esetleg valami visszatáplálja a referenciát. Tehát ahova megy a feszültsége, pld. poti, onnan nem kap-e valamiit vissza. Mert ugye ez csak a referencia feszültség lenne. Ő az utolsó, aki megpusztulhatna.
Még az elképzelhető lenne, hogy felette ellenállás helyett egy áramgenerátor van, amiben a tranyó megpusztult. De akkor azon is látni kellene a változást. Persze csak tippelgetek rajz nélkül.
A hozzászólás módosítva: Márc 23, 2017
Következő: »»   25 / 38
Bejelentkezés

Belépés

Hirdetés
XDT.hu
Az oldalon sütiket használunk a helyes működéshez. Bővebb információt az adatvédelmi szabályzatban olvashatsz. Megértettem