Fórum témák
» Több friss téma |
Fórum » Autóelektronika
Témaindító: sufni-tunning, idő: Ápr 19, 2008
Témakörök:
A 6-ost nem ismerem, de általában egy index relé van minden autóban. Kapcsold be és ahol kattog ott találod. Régebbi autókban a biztosíték táblán volt, de például az Audi TT-ben a vészvillogó kapcsolójával egybe építve található.
Szerintem azokba már sehol
![]() Nem menyi, hanem mennyi. Szerintem ezekbe az autókba már a komfortelektronikába van minden integrálva.
Sajnos ma már a "relék" gyakran nem kattognak, ami hangot hallasz, az meg egy zajkeltő szerkezet, visszajelzés gyanánt. Bolond világ ez.
Igen én is úgy tudtam h a veszvillogoba van de mégse
Akkor lenne egy másik kérdésem az index re folyó áramot konkrétan a hátsó lampába hogyan tudnám folyamatos feszültséget csinálni h ne villogjon (remélem valaki érti)
Gondolom Te érted, de rajtad kívül nem sokan. Az egésznek mi értelme lenne?
Na akkor még 1x : relé az égőre szaggatot feszültséget ad! Ezert a feszultseg valtozik amitol villog az égő!(remélem ez egyértelmű?) Nekem az kellene hogy az az égő ne villogjon hanem folyamatosan égjen
Ha jól értem amit akarsz, akkor a kanyarkövető elektronika témában keresgélj, ott van egy pár ilyen kapcsolás.
Egy linket küldj kérlek hátha igazad lessz
Gondolod, hogy 45 éves szakmai múlttal ezt nem tudom? Én azt nem tudom miért kell az, hogy
Idézet: . „az égő ne villogjon hanem folyamatosan égjen”
Hello! Érdekes a hozzá állásod. Látom, nem sok bizalmad van a válaszadókban. De hogy elárulnád mi is lenne a cél, mit is táplálnál meg, azt elárulni óvakodsz. Így hogy vársz segítséget?
De "segéd tápfeszültség" (+12V) nélkül nem tudod megvalósítani. Mert mitől várnád, hogy energiával lássa el a fogyasztót, mikor az irányjelző lámpa sötét? De itt egy link..
Sziasztok!
A 170 CDI Merci-vel kapcsolatban lenne kérdésem; gyújtás ráadása után pár másodpercig az óracsoport mögül zúgó hang hallatszik, aztán elcsendesül. Ez mi lehet? Az autó tökéletesen működik, csak érdekel mi lehet ez? A másik, szintén ebben az autóban, merre található az a kábelköteg, ahonnan tudom vezérelni a központi zárat nyit/zár, illetve az esetleges komfortzárást, ablak fel/tükör be? Köszi
Ha évjáratot is irsz, esetleg tudok segiteni egy analog távvez bekötésében..,de szerintem ez már rég CAN-es..,ez esetben gyakorlatilag minden jel rajt van a CAN-buszon..,én., egy 170CDI re előre programozott Can-es riasztót vennék ...,vannak univerzálisak is amiket az autótipus kiválasztás után., Te is feltudsz autótipusra programozni USB-én keresztül, gyakorlatilag plusz és minusz .,és a két CAN jelvezeték rákötése elég, az elöbbiek miatt..,analog kivitelben összenem hasonlitható szerelési idővel és nyügdölödésekkel kell számolnod..,régóta nem szerelek .,ezért nem emlékszem konkrétan.., de ez a kategóriáju Merci központi vezérlése nem egy szimpla történet volt.., ugy rémlik legalábbis .,amig meg nem jelentek a CAN-buszos risztók-távvezérlők..,
Szia! 2001-es a jószág. A búgó hangra van valami tipped?
Mercis tudós kollégám sajnos elérhetetlen...,a müszerfal körüli rejtélyes bugó hangokról tudna biztosan valamit ..,ha találkozom vele , rákérdezek ...
Csak ennyit találtam az A osztályról..,inkább riasztóbeszerelési cuccok... üdv
A 6os Golf hátsó lámpa nem CAN buszos? Mintha valami olyasmi rémlene.
Sziasztok! Lehet hogy van itt megoldas, de nem tudtam mindent végig olvasni. Az érdekelne, hogy canbusos az autó és úgye ha a LEDet beleteszem akkor folyamatosan jelzi. mekkora ellenálást kell rá tenni, hogy ne jelezze ki?
Üdv Mindekinek!
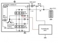
Természetesen én is mint sokan mások tanácsot szeretnék kérni a profiktol Van 1 Mtz traktorom arra szeretnék egy elektromos fordulatszámmérőt .Már meg van az óra csak jelet kell szereznem a generátorrol.Sajnos nincs rajta fordulatszámmérő kimeneti csatlakozás de úgy tudom így is rá lehet kötni. 12v rendszer a képen balrol jobra haladva 3 kötés van / + /gerjesztés/nem tudom. Minden véleményt meghalgatok Köszönöm a tanácsokat.
Szia, Csak azt nem írtad, milyen az az óra, amit hozzá akarsz illeszteni..
Elég érdekes lesz a generátorról levenni egy fordulatszámmérő órának jelet.
Szia!
Szerintem valamelyik fázistekercset kell megcsapolni. Ehhez szét kell szedni a generátort. De ahhoz hogy működjön olyan fordulatszámmérő óra kell ami eredetileg is a generátorról vette a jelet. Lényegében a fázistekercs frekvenciáját méri. Nem biztos hogy pontos lesz, mert nem biztos hogy egyeznek az ékszíjtárcsa átmérők, és generátor pólusok száma azzal a generátoréval ami eredetileg hajtotta az órát.
Nagyon köszönöm a választ.
Az óra egy univerzális motyó direkt erre találták ki.csat kép. Az óra hátoldalán va egy pótméter amivel tudom szabályozni a kijelzet fordulatott. Kell neki plusz minusz és van egy kábel amit a generátorhoz megy. Az összehangolást még nem tudom hogy oldom meg. Vannak fordulatszám ellenörzők amik ilyen kis matricával működnek és lézerfénnyel.stb.. Sok kábel közül kell majd választanom ha szétszedem? Vagy egyszerű?
Üdv! Nem nagyon lehet elrontani. Az állórész tekercsekről jön három vezeték, ezek mennek a diódák felé. A három közül valamelyikre kösd, mindegy melyikre. A te generátorodban valószínű nincsenek segéddiódák, mint furko képén, csak a 6db nagy dióda, hisz itt azt hiszem nincs töltésjelző lámpa sem, csak ampermérő, amin látod a töltést/kisütést. Az áramtalanító kapcsoló bekapcsolásával teljes gerjesztőáram folyik a gerjesztőtekercsen. (de nem biztos, lehet ez már újabb kiadású mtz?)
Szia
Nincs lámpa csak töltésjelző óra. A generátoron csak egy feszabályzó van szerintem. De berakok egy képet. Köszi.
Ez már gerjesztődiódás generátor, de ettől függetlenül ugyanaz a megoldás, amit előttem írtak.
A képen is látható egy csavar feje, négyzet alakú műanyag szigetelővel körülvéve, ebből van még kettő. Ezek valamelyikét kell kivezetni.
Üdvözlök minden segitőkész Forumtagot!
Fiat 500C tipusu autóba kellene egy "mezei" Központi távvezérlőt (univerzális,6 vezetékes, relézett) beszerelnem..,tudna valaki egy korrekt útmutató irni a Távvezérlő helyi bekötéséhez? Nyitó-Záró vezeték szine., rákötése helyileg hol a legegyszerübb, milyen tipusú központivezérlésfajtát kell alkalmazni. Hálásan köszönök minden választ! üdv Lezli
Szia, Miután abban még nincsen ajtónyitó-záro mágnes, azt is be kell szerelned...
|
Bejelentkezés
Hirdetés |

















