Fórum témák

» Több friss téma
Fórum » LED rákötése 230V-ra
 
Témaindító: Laci4, idő: Nov 30, 2005
Témakörök:
Lapozás: OK   9 / 84
(#) finsoft hozzászólása Márc 13, 2008 /
 
Végigfutva a topic-ot, sok jó, jobb megoldást láttam, ezek egy részén túl vagyok (kondi-greatz-simító elko megoldás jött be legjobban)!
Egy továbbfejlesztést szeretnék felvetni!
A LED árammal nem igazán lehet 20 mA fölé menni, a ledek számát is korlátozza a véges pénztárca, viszont sokszor kellene sokkal nagyobb fényerő!
Amire gondoltam: valami ~1:10 kitöltési tényezővel a folyamatos 10-15 mA töltőárammal ellátott kondit sütögetni a ledekre (ezek inpulzusban akár 100 mA áramot is bírnak, a maradék 9 időegységben pihenjék ki magukat. Ha elég élénk a kapcsolási frekvencia, a szem ezt folyamatos (és elég erős fénynek látja), igy 5W tejesítménnyel "komoly2 megvilágítás érhető el!
- valami hasonló elven működnek a LED-es kerékpár lámpák is-
A kérdés: a lehető legegyszerűbb, bombabiztos (főleg: otthon kivitelezhető) áramkör, amit a zsebünk is elbír!
Én már dolgozom rajta, már lett néhány halott alkatrészem
Mindenkinek üdvözlet:
F.
(#) Fidel hozzászólása Márc 14, 2008 /
 
Üdv

Nem teljesen ide tartozik, de azt hogyan tudom megoldani gazdaságosan, hogy 3db led 3x3,45v sorbakötve egy 12Vos aksiról menjen? Ez ugye csak 10,45V fesz esés, a fennmaradót csak elfűteni lehet, vagy van valami okosabb megoldás is?
(#) Sebi válasza Fidel hozzászólására (») Márc 14, 2008 /
 
Hát, igen... Legegyszeűb egy áramgenerátorral elfűteni, ha sorosan kapcsolod őket.
Gazdaságosabb egy kis kapcsolóüzemű "buck regulator", ekkor párhuzamosan kell őket kapcsolni - a lehető legkisebb egyenkénti soros ellenállással, ami kiegyenlíti a nyitófeszek közti különbséget - és a tápfesszel beállítani a kívánt áramot. (a kapcsolóüzemű megoldás a soros kapcsolás esetében - mivel kicsi a be és kimeneti feszkülönbség - nem ad jó hatásfokot)
(#) Fidel válasza Sebi hozzászólására (») Márc 14, 2008 /
 
Szia

Erről a buck regulator -ról hol lehet valami magyarnyelvű infót találni?
Az adatlapon van egy tipikus kapcsolási rajz fix kimenetre, de az 5V, de én nem tudom, hogy hogyan kell átalakítani, hogy 3,5 körül legyen??
Tud valaki segíteni, hogy mitől függ a kimeneti feszültség?
(#) Fidel válasza Fidel hozzászólására (») Márc 14, 2008 /
 
Közben rájöttem, hogy megint előbb kérdeztem!
Ott a lapon, hogy fix kimenetek vannak különböző feszültségértékekre!
(#) Sebi válasza Fidel hozzászólására (») Márc 14, 2008 /
 
Nemcsak fix kimenetűek vannak, hanem -ADJ (azaz adjustable, állítható). Mivel a belső referenciájuk általában 1,2V, már másfél voltos kimenetet is be lehet állítani. Egyébként a fix kimenetűek - mivel a feedback láb elérhető - az ezzel sorbakötött ellenállással magasabb feszre szintén beállíthatóak.
(#) Fidel válasza Sebi hozzászólására (») Márc 15, 2008 /
 
Tehát, ha jól értem, akkor ha veszek egy 10V-osat, akkor azt egy potméter segítségével 10,45-re rá tudom bírni?
A jó hatásfok érdekében az a jó, ha minél nagyobb a táp és a fogyasztó közt a különbség?
Tehát legyen 3,45 a fogyasztó és 12V a tápegyseég és ne kössem sorba őket, hogy minél közelebb essen a táphoz az értékük?
(#) Sebi válasza Fidel hozzászólására (») Márc 15, 2008 /
 
Így van. Tehát vehetsz 3,3V-os fixet, vagy beállíthatót (ez a gyakoribb) Beállítod mondjuk 3,5V-ra a kimenőfeszt és minden LED saját kis értékű soros ellenállást kap, mert a nyitófeszek sosem egyformák.
(#) Fidel válasza Sebi hozzászólására (») Márc 16, 2008 /
 
Köszönöm a segítséget!
(#) proba válasza finsoft hozzászólására (») Márc 19, 2008 /
 
Ugy érzem a ledeknél az eldisszipált teljesítmény a fontos korlát tehát mindegy ,hogy 1*20mA vagy az idő 1/10 ben 200 (nem biztos hogy, többnek fogjuk látni a fényt.Szerintem a szemünk is ugyan így átlagol.A kerékpár lámpák ott nyernek hogy van jelszünet is./gondolom én/)
(#) Zollie hozzászólása Márc 27, 2008 /
 
Annyiféle megoldást olvastam ebben a topicban, hogy már teljsen elbizonytalanodtam.
Én teljesen kezdő vagyok, és ezért kérdezném azt, hogy melyik a legegyszerűbb, biztonságos, és melegedés nélkül tartósan(!) üzemeltethető kapcsolás az eddig elhangzottak közül? A mmelékelt kapcsolás jó lesz nekem?
Köszönöm előre is! :worship:
(#) _JANI_ válasza Zollie hozzászólására (») Márc 27, 2008 /
 
Ha csak egy LED-re kell, akkor :yes:

Idézet:
„Annyiféle megoldást olvastam ebben a topicban, hogy már teljsen elbizonytalanodtam.”

Hál istennek, ezekszerint sikerült teljesen körükjárni a témát. S mivel nem csak egy feladatra koncentráltunk, (Egyszerü, olcsó, kisfogyaszású, és vagy nagyfényerejú
Idézet:
„LED-lámpák”
) ezért egy kicsit talán nehezen emészthető-k. De szerintem mindenki megtalálhatja a neki tetsző megoldást - kapcsolást. S ha mégsem, akkor vannak képletek és gyakorlati, tapasztalati értékekkel elkészült kapcsolások is...

S, a véleményem szerint a kapcsoláshoz legalább 0.5W os ellenállást használj!
(De lehet, hogy a 0.25W-os "FÉMRÉTEGELLENÁLLÁS" is elég lesz.)

Sok sikert és biztonságos munkát!

[off] A kiválasztott kapcsolás, nem szereti a bizonytalan, laza, kontakthibás kötéseket!!!
Könyen a LED halálával végződhet a próba! :felkialtas:
S egy 1Mohm-os kisütőellenállást is célszerü a konbenzátorral párhuzamosan kapcsolni!
Azon a "3" - 5Ft-n nem érdemes spórolni! Megéri beépíteni! :yes: :yes: :yes:
(#) Zollie válasza _JANI_ hozzászólására (») Márc 31, 2008 /
 
Köszönöm Jani!
(#) Tápos Lajos válasza _JANI_ hozzászólására (») Márc 31, 2008 /
 
Egy LED-es panelom van(4x4cm trapéz) dögivel...ha kell vkinek:ai9@freemail.hu
(#) _JANI_ válasza Tápos Lajos hozzászólására (») Márc 31, 2008 /
 
Egyész kis ügyes panelok! Az Apróhirdetések ť közé is érdemes lenne kitenned! :yes:
(#) boy23w válasza Tápos Lajos hozzászólására (») Márc 31, 2008 /
 
Nekem ez tetszik a legjobban!
- Az áramkör fázist javít
- Nem termel sok hőt
-A pozitív és negatív félhullám is a LED(ek) ledet világítatja
- nem vibrál az ELKO miatt, és nem is kell belőle nagy feszültségű.
Ráadásul szép a kivitelezése is...
(#) szab hozzászólása Jún 16, 2008 /
 
Sziasztok!

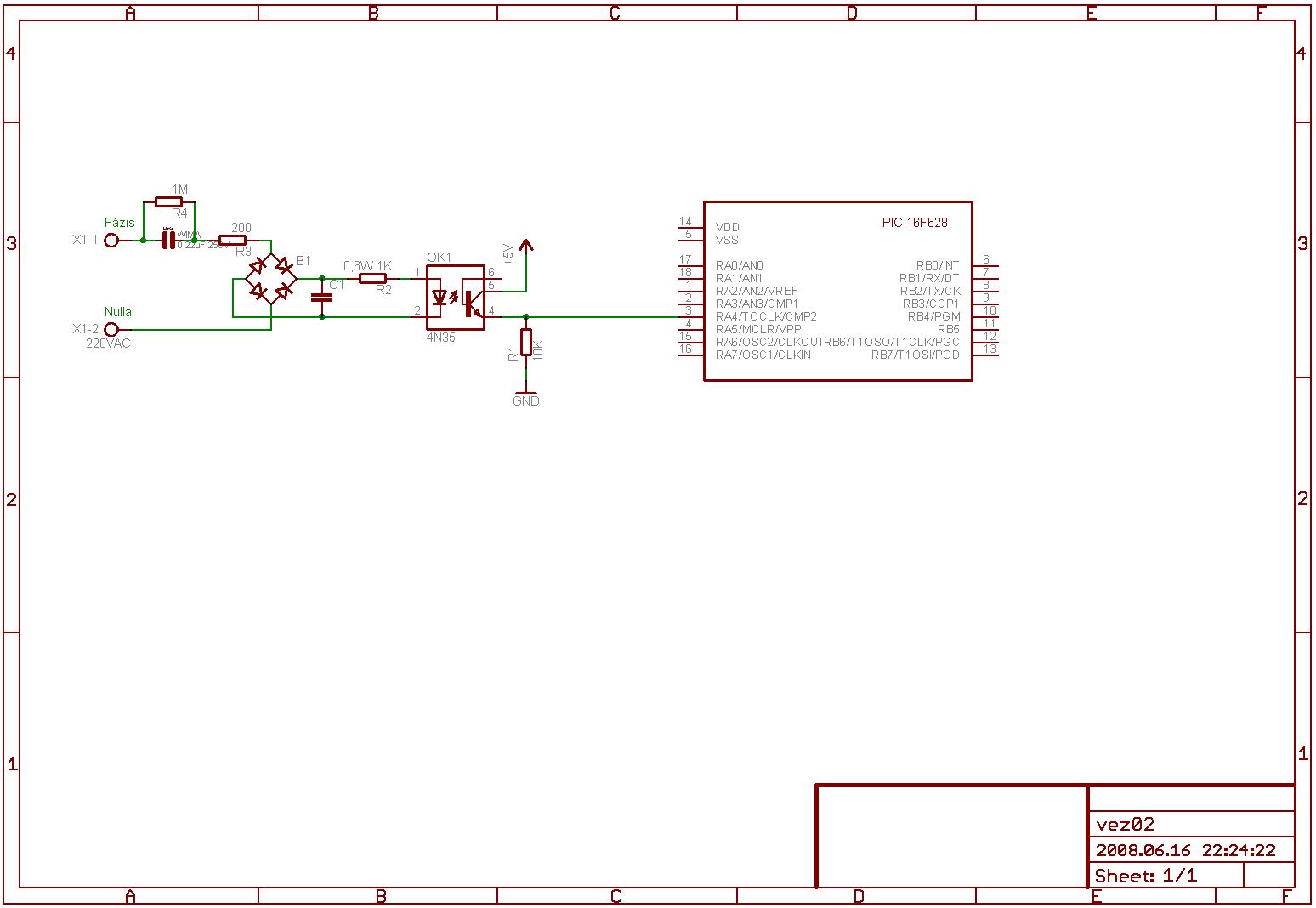
Nna, szóval... én nem is ledet akarok 230V-ról működtetni, hanem egy optocsatolót... de szerintem ez majdnem ugyan olyan... a lényeg: kb fél éve foglalkozom hobbi szinten az elektronikával, meg a pic programozással és kitaláltam magamnak egy jó kis projektet (ez a fél év, meg a hobbi szint a lényeg... Tök hülye vagyok na... de azért már 1-2 alapdolgot már tudok) A projekt lényege, hogy 220VAC kapcsolását érzékeljem a pic-el. Szerintem nem nagy dolog, de azért kérném a segítségeteket! Mellékelek egy kapcsolási rajzot, amin el tudunk indulni...

Segítségeteket előre is köszönöm!

vez02.JPG
    
(#) potyo válasza szab hozzászólására (») Jún 16, 2008 /
 
PIC felé jó a bekötés. A 230V felé meg az optocsatoló ledjét a témában előforduló kapcsolásokban a sima led helyére kötöd.
(#) szab válasza potyo hozzászólására (») Jún 16, 2008 /
 
Ok, köszi!

Elvileg akkor ez így jó lesz nekem?

vez02b.JPG
    
(#) _JANI_ válasza szab hozzászólására (») Jún 16, 2008 /
 
Szerintem jó lesz a kapcsolás. :yes:
Bár lehet hogy az az 1K-s ellenállás kicsit melegedni fog, de ez a próba során kiderül. Opto helyett egy sima használt piros leddel teszteld a kapcsolást. Ha a kondival gondvan akkor inább azT űsse ki... Valamint egy kontrol LED-et is beépíthetnél, az opto LED-jével sorosan. Úgy látod h mikor kap delejt a 230V-os áramkör, vagamint nem változtat az áramkör, eredeti paraméterén...

S a 230V Az rázis! :felkialtas:
(#) szab válasza _JANI_ hozzászólására (») Jún 16, 2008 /
 
Ajjaj, nem jó előjelek ... Ha melegszik, akkor mi a teendőm? cserélni kell valami más alkatrészre? Elvileg ennek a kapcsolásnak működni kéne akár 24 órán át is... Ja és 5 ilyen bemenetet szánnék a PIC-nek
(#) cszotyi válasza szab hozzászólására (») Jún 16, 2008 /
 
Helló !
Én az utolsó projectemben a csatolt rajz alapján oldottam meg a 220v-os bemenetet, eddig szépen működik.
(#) kefealo hozzászólása Jún 16, 2008 /
 
Sziasztok!!!
Egy nem mindannapi kérdésem lenne hozátok.
Egy egyedi tervezésü ytongbol kialakitott,üvegmozaikal kirakott ( mozaik még várat magára) fürdökádba szeretné elhejezni ,elszortan kék szinü ledeket,kb 100-120 db-ot.A problémám az,hogy tudom ugy megoldani ezt,hogy vizmentes legyen,és véletlen szerüen müködjenek,és kis rongálásal cserélni is tudjam ha erre sor kerülne.Válaszaitokat és segítségeteket elöre is köszönöm.
(#) _JANI_ válasza szab hozzászólására (») Jún 16, 2008 /
 
Most néztem, hogy elég kicsi a soros kapacitás! Szerintem nyugodtan megépítheted....
:yes:
(#) szab válasza _JANI_ hozzászólására (») Jún 16, 2008 /
 
Ok, köszi a segítséget!

Csak most az a bajom, hogy 2 hozzászólással feljebb csszotyi belinkelt egy másik kapcsolást... ott talán kisebb helyet foglalnának az alkatrészek a nyákon Most mi legyen? Elsődlegesen az a fontos, hogy sokáig kell menjen egyfolytába
(#) _JANI_ válasza szab hozzászólására (») Jún 17, 2008 /
 
Deszkamodellel építsd meg mindkét áramkört és teszteld őket! S úgy könyeb lesz a választás! Mind a két áramkörnek van előnye és hátránya. Ebben neked kell dönteni. (Ha jólvan méretezve a kondenzátoros táp, akkor egyáltalán nencs benne melegedő alkatrész. Bár kicsit testesebb mint egy ellemállás. De legtöbbször van elég hely ( .. ) ) Az a lényeg, hogy a te célodnak melyik felel meg a legjobban.
(#) Pikkelel hozzászólása Júl 24, 2008 /
 
Hát itt is megkérdezem..:
Vettem egy, az adatlapja szerint 1W-os LED-es éjszakai fényt. Szétszedtem, megnéztem a belsejét. Kondenzátorosan + Graetz híddal van megoldva a LED-ek (3 db) áramellátása közvetlenül a 230V-ról.
A problémám a fogyasztással a következő: megmértem a hálózatból felvett áramot: 24mA (!!!).
Az alapképlet szerint a teljesítmény: U*I*gyök(2). Azaz: 230V*24mA*1,41=7.78W
(!!). Akkor hogy is van ez?! Mi 1 W? Amikor működik a lámpa a villanyórát majdnem 8 W tekeri? Teljesen elbizonytalanodtam magamban….
(#) zsoltee0001 válasza Pikkelel hozzászólására (») Júl 24, 2008 /
 
Hali
ezt a 24mA-t hol mérted? a graetz után, vagy közvetlen a 230V-os részen?
üdv
(#) Pikkelel válasza zsoltee0001 hozzászólására (») Júl 24, 2008 /
 
Közvetlen a 230V-as részen.
(#) _JANI_ válasza Pikkelel hozzászólására (») Júl 24, 2008 /
 
Talán ha közvetlen a ledeken mérnél feszültséget és úgy számolnád ki...
Kevésbé lenne irreális a végeredmény. ( A kondi becsap! )

Számoljunk 3DB fehér leddel, 5V-os nyitófesszel.

P=U*I; (3*5V) =15V * 0.024A = 0.36Watt S ez valamivel jobban hangzik!

Ez az eltérés a kondenzátor reaktanciálából (látszólagos ellenállás) adódik.
Mivel a kondi a kapcsolás "áramkorlátozó" eleme...
Valahol rajta lesz a dobozon a tényleges fogyasztása a kis készüléknek.

Viszont az is elképzelhető hogy az 1W az nem a villamos teljesítményt,
hanem egy fénytani meghatározás. Azt is a
Idézet:
„W”
jelőli!
Amit gyakran összetévesztünk a teljesítmény
Idézet:
„W”
jelölésével.
De a kettő teljesen más!
Következő: »»   9 / 84
Bejelentkezés

Belépés

Hirdetés
XDT.hu
Az oldalon sütiket használunk a helyes működéshez. Bővebb információt az adatvédelmi szabályzatban olvashatsz. Megértettem