Fórum témák
» Több friss téma |
A szkopnál ez nem nagyon müködne, mert két 100 MHz-es még mindig nem lesz egy 200 MHz-es.
![]() Az meg már üzleti politika, hogy hogyan kezelik (mennyiért adják) az upgradet.....
Mióta van meg? Szeretnék még egy szkópot, ami ezt kiegészíti, és olyannak a véleménye nagyon jól jönne, aki ilyet használ, de nálam jobban képben van.
Idézet: Az nekem is eszembe jutott. „lecserélték a szkópban a linuxot és videót néztek rajta”
Más termékeknél is az SW-s butítás működik, általában! (vagy pedig kisebb BOM modosítás, de általában az alap PCB is)
Ezt én is tudom igazolni. 2002 óta panelgyártásban dolgozok...
Az a jumper azert van benne, mert ugyanazt a memoria kartyat teszik egy csomo tipusba. Annyira, hogy amikor atkotottem, akkor egesz mas tipust irt ki magarol a muszer. Ez nem eloralatas, hanem uzlet.
A savszelessegrol: a bemeneti fokozat analog savszelessege es a mintaveteli frekvencia az ket kulon dolgog.
Minden üzlet, de azért vannak fizikai határok is, hiába tud az elöfok nagy sávszélességet, ha az ADC-t (mintavételezést) lenyomoritják.
Ez igaz, de akkor sem ezt szoktak csinalni. Pl. a Hameg HMO3000 sorozat is 300, 400 vagy 500MHz bemeneti savszelesseggel kerheto, de a mintavetelezes mindig 2GSa/s max. Es a savszelesseg novelest utolag is lehet kerni, csak egy sw opcio. Itt az idezet a Hameg oldalrol: All models in the HMO3000 series with 300 MHz or 400 MHz can be extended via software upgrades to 500 MHz bandwidth whenever required.
Az a sw pedig nem csinal mast, mint kikapcsol egy savhatarolot a HW-ben. Nyugodj bele, hogy a HW sokszor tobbet tud, mint, amit ki tudsz belole hozni. De itt jon az uzleti megfontolas. Annakidejen en sem vettem volna meg a LeCroy-t 900.000Ft-tal dragabban csak azert, hogy 250k memoria legyen csatornankent. Ha nem lett volna az olcsobb tipus 50k memoriaval, akkor egyaltalan nem veszem meg, mert annyi penzem nem lett volna ra. De a belsejeben ott van a csatornankenti 500k memoria, csak nem hasznalja semmire. A 64db 32k-s RAM chip ara osszesen kb. 10e Ft-t, marpedig kozel 1 milllival kertek volna erte tobbet. Inkabb eladjak kisebb haszonnal ugyanazt az elektronikat, minthogy ne adjak el. Ja, es a belso felepitese miatt nem lehetne kevesebb RAM chip-pel megoldani (kell a szeles adatbusz), legfeljebb kisebb kapacitasuakkal. Az viszont elhanyagolhato arkulonbseg lenne. Meg nem is nagyon volt mar akkoriban sem 32k-snal kisebb gyors SRAM.
Miből gondolod hogy a többi más? Azoknál is vannak hasonló gondok, meg másmilyenek is, pl: Bővebben: Link
Minden ilyen hardwareben (a mieink 1,2GHz-ig mennek 2000-80000 Euro árban, ugyanaz a HW). Minden kapcsolo vagy szürö megfizethetetlen ( egy ilyen szélessávu csillapito, müszer minöségben többe kerül, mint maga a müszer). Amit a Hameg meg a többiek kapcsolgatnak az a FW, ami a bemenö jelet kiértékeli, esetleg a HW más pontjárol veszik le a jelet, de biztos, hogy nem kapcsolnak semilyen szüröt a bemeneti fokozatokban.
És gyakorlatilag te is engem igazolsz, hiszen benne volt a több memoria ( több HW) csak le volt tiltva. 5-10 évvel ezelött még az volt a divat, hogy ilyen átalakitásért el kellett menni a szervizbe ( nem olcso) akik tudták, hogy mit kell átalakitani és a müszert kalibrálták is ( utovégre müszer és nem egy intelligens tégla). Sajnos azota nagyon változott a világ - szerviz drága igy egyre kevesebb van, igy nem igen van hova vinni. Nem tudom a LeCroy-nak hány müködö szervize van, de a többségnek már egy tucat sincs egész Europában. Ráadásul a kalibrálo állomások is nagyon megdrágultak - igy egyre kevesebben engedhetik meg maguknak. ( a kalibrácio ma már nem azt jelenti, hogy megmérnek egy két jelet és hitelesitik, hanem az állomás automatikusan beavatkozik a HW beállitásaiba és azt ismét pontosra állitja. Ebböl is az jön ki, hogy egyre kevesebb legyen a HW változat, hogy ne kelljen minden müszerhez más bemérö állomás, legfeljebb más protokol. Csak a müszer digitális részében szoktak kapcsolokat használni a mintavételezésre, idöalapra, megjelenitésre stb. Ott lehet, annak nincs semilyen extra hatása a minöségre.
Te modntad az elobb, hogy a HW-t mindig maximumon jaratjak. Most meg pont az ellenkezojet allitod. Akkor most hogy is van?
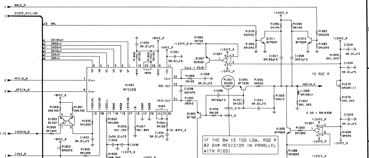
A kapcsolhato savszuro pedig a csatolt kepen lathato. Ket limiter is van benne, egy kozponti, ami minden csatornara ki-/bekapcsolhato es egy csatornankenti is. A rajz jobb felso sarkaban talalhato a 27pF kondenzator es egy tranzisztor. Ez a limiter. A masik meg a 180pF es a tranzisztor. Ha ez nem gyoz meg, akkor tenyleg felesleges ezzel tovabb offolni a topikot. De talan masok latni fogjak, hogy hogyan van a dolog megoldva. Reszemrol befejeztem a vitat.
A baj hogy a te müszered meg a mai valoság között már vagy 16 év telt el. Ilyet ma már senki sem épit az elmondottak miatt. Mit keres egy müszer bemenetén egy limiter. Legfeljebb arra lenne jo, hogy kiirja , hogy overload vagy valami hasonlo, de a mért jelbe nem szabad beavatkozni.
Amugy nem tudom hol irtam, hogy nem a maximumra járatják a HW-t , de ha ezt olvastad ki az irásombol akkor elnézést. A hozzászólás módosítva: Aug 14, 2014
Köszi, hogy linkelted ezt a videót. Ez az, amit mondani akarok én is itt (másoknak). Ez a négyszögjel gyalázatos. Mégsem ilyen egyszerű, hogy pár ellenállást cserélünk, és 70-ből 200Mhz jó szkóp lesz. Nem véletlen, hogy a komolyabb márkáknál -már 60MHz szkópnál is- a bemenő fokozatok külön egységként kerámia panelon, árnyékolt dobozban vannak.
Jaj ne már!
Ez egy kirívó eset, nagy ritkán rosszul kapcsol magában és akkor tud ilyen történni. Tekerek egyet rajta fel-le és magához tér. Nem az egész szkóp ilyen.Hozzám intézett kérdésedre válaszolva: nem ugyanilyet keresek, mert akkor nem keresném.
De itt a videón az egyik négyszögjel sem jó, csak egyik jobb mint a másik.
Mert a rossz gombot tekergeti. Én se tudom, miért akad be néha (honnan is tudnám), de gondolom azért, mert egy kínai sz**, aminek nem a Tek-ék írják a szoftverjét. Van még egy ilyen hiba 2 képernyős módban, ha nagyon kis időosztásra tekered, akkor le is fagy. Ezeket leszámítva egy fullos, olcsó szkóp, 75 ezer forintért a mai világban ezt lehet kapni.
Idézet: „Amugy nem tudom hol irtam, hogy nem a maximumra járatják a HW-t” itt: Idézet: „És gyakorlatilag te is engem igazolsz, hiszen benne volt a több memoria ( több HW) csak le volt tiltva” Es hogy ne legyen felreertes, ez nem software-esen volt letiltva, mert a RAM chipek 4 felso cimvezeteke volt jumperrel valthato, hogy fixen GND vagy elmegy a megfelelo IC-be. Gyakorlatilag minden jumperrel felezni lehetett a teljes memoria kapacitasat.
16 éve még jumper vokt a divat, ma már ilyen nincs - de ezt már kiveséztük.
Sziasztok. Kis problémám akadt a frissen megérkezett hantek 6022be digit szkópommal. Ez egy USB-s kis cucc. Lényegében jól működik egy dolgot nem értek. A pc amiről megy nincs földelve. Adott egy kapcsoló üzemü táp, aminek a szekuderét szerettem volna megmérni, ez földelt primerrel rendelkezik. Namost amikor a táp szekunderének földpontját csatlakoztatom a pc szkóp föld pontjához, a program kifagy és azonnal újraindul a pc. Ez miért lehet? Próbálkoztam leválasztó transzformátorról mérni a kapcsi táp szekunderét, de amint összekötöm a testeket ujraindul a pc. Majd próbálkoztam egy szintén kapcsi üzemü telefon töltővel, ott nem volt semmi probléma, üzemszerüen müködött a pc szkóp. Mi lehet a baj a kapcsi táppal? Földelt analóg szkóppal is rámértem, azzal nem volt semmi gond.
Egy párszor már leírtam, hogy kapcsolóüzemre csöves szkópot kell használni. A PC szkóp még rosszabb mint a DSO, ha tudsz vele mérni, akkor sem biztos hogy jól... Egy 100 megás Owon más kategória, de az sem volt jó ilyesmire.
Ok, de én DC-re kötöttem. A kimeneti zajt szerettem volna megmérni. Ez nemhogy összevisszaságot, de semmit nem mutatott, mert amikor a föld pontokat összekötöttem (táp szekunder és pc) akkor újraindult a pc. Próbáltam a pc-t leföldelni, de ugyanez volt a hiba. Nem értem. Másik kapcsi tápot mérve ez a hiba nem áll fenn. Ennek a miértje érdekel, nem jelalak probléma van.
A földel kapcsolatban igazad volt. A PC ház és a hálózati föld között 100V potenciál különbséget mértem. Amikor a pc házat földeltem, cseppet szikrázott.
A hozzászólás módosítva: Szept 25, 2014
Sziasztok,
Van egy digitális szkópom aminek a kijelzőjén időnként csíkok (a képen nyíllal jelölt) jelennek meg majd tünnek el. A kijelző csatlakozóját már többször ki-be mozgattam, arra nem reagált semmit. Mit lenne érdemes megnézni/javítani, hogy ez a bosszantó hiba eltünjön? (a szkóp egy fluke 192-es) Minden konstruktív ötletet előre is köszönök.
Emlékeim szerint ennek ismert hibája, hogy az LCD panel flexi csatlakozása elenged. Ez eredetileg meleggel van odaragasztva. Meg lehet próbálni újramelegíteni és rányomni. Vagy sikerül, vagy nem.
Ez a cég: http://scopemeterrepair.com pl. erre a hibára van tulajdonképpen szakosodva.
Kössz a linket, talán megpróbálom elöször ezt a melegítés-dolgot.
kuglimap-on rákeresve a címre nem valami biztatóan néz ki a cím.
Sziasztok! Van egy Voltcraft/Hantek DSO-2090 szkópom. Néhány éve véletlenül átszaladt rajta a 230V úgy, hogy az usb-n keresztül leverte a számítógépet az pedig a villanyórát. A PC és a szkóp is halott lett. Most ha rádugom egy pc-re akkor leáll a gép. Szétszedtem és a panelon szemmel látható nagy égésnyomokat nem látok. Érdemes foglalkozni a hibakereséssel, javítással? Kb 40-50 ezer forint körül árulják újonnan. Beszerezhetőek az alkatrészei ezeknek vagy nem érdemes foglalkozni vele?
Találtam egy jó leírást a neten róla: https://fabiobaltieri.com/2013/07/10/inside-a-hantek-dso-2090-usb-o...scope/ Üdv: András
Szinte biztos, hogy az alkatrészei nem könnyen szerezhetőek be. A leírásod alapján masszívan zárlatos a szerkezet, az előélete alapján pedig nagyon kicsi a valószínűsége, hogy érdemes vele foglalkozni.
Sziasztok!
Keresek olyan társakat, akik a fent nevezett szkópot használják és van tapasztalatuk a buleflash firmware-el! Konkrétan a szkóp beállítása érdekelne, mert a firmware telepítése után a hardware menüpontban megjelennek olyan lehetőségek, amelyek addig nem voltak ott pl. ADC kiválasztása listából. Köszi!
Elnézést de a fent nevezett eltűnt
!Szóval a szkóp egy welec 2014 szkóp.
Sziasztok!
Az lenne a kérdésem, hogy a mellékletben látható Hung Chang DSO2100-at hogyan lehetne használni Win7 (64bit) alatt? Mivel már nem mai darab nincs szoftveres támogatása, a hozzá való program pedig csak XP-n hajlandó működni. Ezért kidobni sajnálnám. Köszönöm!
Esetleg virtuális XP futtatásával?
Már próbáltam, nem működött.
|
Bejelentkezés
Hirdetés |






Ez egy kirívó eset, nagy ritkán rosszul kapcsol magában és akkor tud ilyen történni. Tekerek egyet rajta fel-le és magához tér. Nem az egész szkóp ilyen.





