Fórum témák
» Több friss téma |
Fórum » Kapunyitás gombnyomásra olcsón! - avagy automata kapu házilag
Témaindító: szabi83, idő: Feb 2, 2006
De viszont bárhol nullázható, nézd meg az adatlapját
PIC-el sajnos felejtős. Az nekem már magas, meg túl bonyolítaná a dolgot. Csak egy "bolondbiztos" kapunyitót akarok.
Nézd meg a 4017 adatlapját , az ott lévő kapcsolási rajz alapján meg tudod csinálni amit szeretnél.
Hello! Esetleg egy kis segítségként..
Figyeljetek oda a hajtòmű olajra! Nekem a nagy hidegbe -5 alatt alig volt ereje a motornak. Leszedtem, s mint a méz olyan olaj volt benne. Megmelegìtettem majd benzinnel kimosva ma reggel -10fokkal is gyorsan nyitott.
Mar bocsi, de pont, hogy csigahajtés nem szereti ha vékonyan kenik, nekem a grafitoszsír jött a legjobban be, halk üzemelés szempontjából esetleg egy kis hajtóműolaj, ha a tömítés rendszer engedi.
Ha ilyen gond van akkor inkébb a kondenzátor körmére kéne ránézni. Üdv
Kondival kezdtem s olajcserével megjavult...
Sziasztok! egy kis segítségre lenne szükségem!
Pár hónapja fölszereltünk egy haverommal egy motort a kapumra. Ez egy egyszárnyú 3m széles és 1.7m magas lemezelt kapu, nincs 100kg. A motor egy came A300 egy twister elektronikával. Az a gond vele hogy erős szélben lassan kinyílik. Ahogy lökdösi a szél lassan megy befelé. Ha távirányítóval vissza csukom akkor ráfeszít és tartja magát, de lassan megint ki nyílik. Erre tud valaki valami megoldást? Az elektronika tudja az automata csukást, de nincs be kapcsolva, meg az is kérdés hogy az 5-10 cm-es nyitást érzékeli-e és vissza csukja-e?
Nincs kikopva vagy kiakadva a mechanikus zár része? Elvileg nem szabadna hibátlan mechanika esetén elmozdulnia.
Köszi megnézzük!
Szia
Nem A3000 akar lenni? Nem írtad, hogy a motor új vagy használt. Ennek a motornak bolygóműves áttételezése van, a mi a csigahajtással szembe jobb hatásfokú, viszont visszafelé is hajtható, ezért ezt a problémát úgy oldották meg hogy a motor tengelyének végére egy elektromágneses féket szereltek és egy féktárcsa fékezi be a motor forgórészét ha nem kap áramot, a gáz az, ha ez a fékbetét Bővebben: Link elkopik, nem hogy nem fékezi be rendesen a forgórészt, de a mágnes még nehezebben is húzza be a fém ellendarab tárcsát mivel a kopás miatt távolabb kerül. Én ezt nézném meg először, meg persze kondenzátor, bolygómű, hogy könnyen forog-e, bronzanya orsó meg ven-e kenve stb.... Üdv
Bocsi le maradt egy 0! A motor használt (nagyon jó áron jutottam hozzá) de le lett tesztelve meg átnézve bezsírozva! De nagyon szépem köszönöm mindenképpen meg nézem ezt a féket rajta. Az ára nem vészes, ezt lehet mindenképpen kicserélem, cseréltetem!
Az a lényeg, hogy amikor elindul, akkor hallatszódnia kell egy kattanásnak (ilyenkor húz be a mágnes és old ki a fék) ha ez nincs akkor ilyen félig fékezett állapotba hajt a motor marha nehezen.
Nem nagy művészet szétszedni, imbuszcsavarok fogják össze a két alu öntvényt, a motor végén van a fék ilyen hengeres vas 3 csavar fogja, ha gondolod megmérhetem, hogy egy új fékbetét milyen vastag és összehasonlíthatjuk, hogy ne vásárolj fölöslegesen. Üdv
Kattanás hallatszik mielőtt el kezd nyitni. Azt nem tudom hogy számit-e de mikor becsukom nem lehet kézzel benyomni csak a vas szerkezet hajlik. De a szél nem folyamatosan nyomja, hanem csak lökdösi.
Ha kézzel ugyanúgy csak lökdösöd mint a szél, akkor is lazulni fog.
Biztos, hogy a mechanikai rögzítés elégtelensége okozza. Elektromosan biztos nem hibás mivel a rögzítés független a vezérléstől.
Az a jó ha ráfeszít, és ennek úgy is kell maradnia. Ha szél benyomja az élből gáz, most gondolj bele, ennek betörésbiztosnak kell lennie, ha jó a fék akkor nem lehet benyomni.
Azt viszont nem értem, ha te kézzel nem tudod benyomni, akkor a szél hogy tudja? Nagy erőknek kell ellenállnia, most ezt így nem tudom megállapítani innen, hogy jó-e.
Nagyon szépen köszönöm a tanácsokat! Minden képen a fékkel kezdem, mert ez tűnik legkézenfekvőbbnek.
Sziasztok!
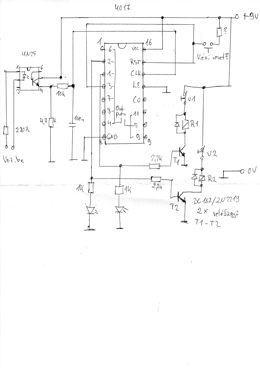
A hétvégét rászánva, végig olvastam az összes hozzászólást. Sok hasznos ötletet találtam. Az én esetem nem kapu mozgatás, de a lényege ugyan az. Adott egy indító jel, amire az ablaktörlő motor elindul egyik irányba, míg a végállás meg nem állítja. ( 90 fokos fordulatot kell tennie, ami kb 2 másodperc). Ugyan azon a bemeneten a következő indító jelre a motor visszafelé indul, míg a másik végállás le nem állítja. És a folyamat folytatódik tovább. Próba panelon elkészítettem a mellékelt rajzon szereplő kapcsolást. Ez működik is. Olyan gondom van, hogy bekacsoláskor, ( 12V-os akku) nem mindig az alap helyzetbe kapcsol (T1). Gondolom ez valamilyen zavartól lehet. Ezért gondoltam egy kézi resetre. Ezt jó helyre tettem? A bemenetre raktam zavarszűrő RC tagot, nem tudom ez elég-e? Az üres be és kimenetekkel mit kell csinálni, gondolom nem lóghatnak. Ezt a kapcsolást fogom vezérelni egy vezeték nélküli csengővel, mivel annak csak egy indítása van. Ezért a rádiós dugalj és kapuvezérlők nem jöhetnek szóba. Előre is köszönöm a segítséget!
Az még lemaradt, hogy ennél a motorkapcsolásnál, ha véletlen valamilyen zavar folytán mind a két relé behúzna, nem lesz rövidzárlat. Sőt, hatásos motorfékként működik. A mások állapotra is igaz, ha valamelyik relé kikapcsol, azonnal testre kerül a motor két pólusa és már le is bökött mint a cövek.
Szia!
Nem néztem utána adatlapon, de ha a 4017 kimenetei váltják a polaritást, akkor a reset gomb teljesen hatástalan lesz. Más! A mechanika nem akadhat meg? Vagy nem terhelődhet túl? Mert ez az áramkör semilyen védelmet nem nyújt ez ellen.
Hello! Egy CMOS bement nem lóghat a levegőbe. Egy 100kohm kell a 4-es s a 15-ös láb közé, és egy 100nF a 15 és tápfesz közé. ekkor nem kell a kézi Reset.
Hi!
A vezérlő készülék egy CED 7000, szituációs lövészeten használt timer. A forgató készülék bekapcsolásakor alapban "A" helyzetben van.( Ezt is jeleztem az előző hozzászólásomban, hogy nem mindig kapcsol alapba a forgató bekapcsolásakor, de alább már kaptam tanácsot "proli007-től). Ha megnyomom a start gombot a készülék egy csatlakozón ad ki egy 5V-os 1s-os jelet. Ez van rávezetve az optóra. A 4017 "A" kimenete átvált "B""-re. Motor elindul jobbra, lőlapot befordította 90fokban eléd, majd a végállással megáll. A vezérlő készüléken beállított idő leteltével (ennyi ideig adhatók le a lövések) megint kiad egy 5V-os jelet. "B" kimenet átvált "A"-ra, a motor elindul balra, majd a végállásra megáll. Ez a folyamat ismétlődig mindaddig, amíg a vezérlővel tetszés szerint indítom újra. (Ezt én indítom, nem automatikusan ismétlődik).A motor egy 2 helyen csapágyazott függőleges tengelyt hajt, erre kerül egy keret aminek nincs nagy terhelése. A motor Suzuki hátsó ablaktörlőé. Gondolkodtam, hogy a befordításhoz 12V-os motoros központi zárat használok. Ezzel max. 18mm hosszan tudom meghúzni a tengelyen lévő tárcsát, de az átmérőjét eléggé pontosan ki kell számolni, hogy 90fokban fordítson. Ebben az esetben is kellenek a végállás kapcsolók, valamint lehet hogy 2db lenne szükségem az erő miatt. Addig viszont a vezérlésnek kell stabilan működnie. )
Szia!
A tanácsod alapján berajzoltam a módosításokat. Így gondoltad? A 12. láb maradhat szabadon? Ma délután összedobom próbapanelen és letesztelem alaposan. Idézet: „Gondolkodtam, hogy a befordításhoz 12V-os motoros központi zárat használok.” Ezt felejtsd el! A központi zárak impulzus üzemben dolgoznak. Attól van bennük kellő erő, hogy a bennük lévő motor mindössze 3V-os. A 12V-tól 16-szor nagyobb erő leadására képes. De csak 1-2 tized másodpercig. Utána leég! Ezt a fajta lövészetet mi még (35 éve) párbaj lövészetnek hívtuk. Az ablaktörlő motor nem rossz megoldás, viszont a mindössze 90°-os tengelyes elfordulás helyett használd inkább az eredeti ablaktörlő mechanika felépítését. Az is csak 90°-ot fog a táblán fordítani, viszont a hajtómű ezalatt 180°-ot fordul. Ez több szempontból is előnyös. Egyrészt az egyik végállásnak használhatod a motorba épített kapcsolót, nem kell forgásirányt váltani, a start egy darab váltóérintkezős relével megoldható, és egyáltalán nem kell hozzá elektronika. Ráadásul több az erő is amivel a motor forgat. Nanyobb az indításkori nyomaték, kisebb a fékezéskori rántás. A hozzászólás módosítva: Jan 23, 2017
Igen, így gondoltam. A 12-s kimenti láb, s mint ilyen, maradhat szabadon.
Hoppá! Az indító relé pozitív ágát rossz helyre rajzoltam. Az nem az alaphelyzeti végállásra, hanem a tápra megy!
Szia!
Fiatal koromban így működtek a gyorstüzelő befordító mechanikák. Volt amelyik hidraulikus, másik levegős rendszerrel működött. A lőtéren még megvannak valamelyik szegletben, gazzal benőve, de már nem működőképesek. Köszi a tippeket. Először én is a teljes fordulatos megoldással próbálkoztam, de úgy igen lassú a befordulás. A tengelyessel kb 1-1,5mp a befordulási idő. Nos, a központizáras megoldás nem ördögtől való. Létező megoldás is van, de csak a mechanikát volt alkalmam megnézni. Ez egy légfegyveres beforgató. Végállások nincsenek, viszont egy komoly vezérlő egysége van, ami szerintem Plc-s lehet. Több tucat lövészeti módot tud. Ez adhat ki pár secundumos időt a központizárnak, ami mint a villám vált. A két végállásban egy rugó segít ott maradni. Ha tudnák olyan számlálót építeni, amelyik csak impulzust ad a kimenetén, máris meglenne a megoldás. A 4017-nek csak állandó kimenete van.Próbapanelon összedobtam egy állítható időzítőt 555-el, ebből értelem szerűen két darab kellene. Sajnos erre nem találtam kapcsolást. A képen a mechanika egy részlete látható. Az elmúlt két napban nem volt időm a témára, de holnap folytatom. ) |
Bejelentkezés
Hirdetés |








) 






