Fórum témák
» Több friss téma |
Mielőtt kérdezel, a következő két dolgot ellenőrizd!
I. A helyes tápfeszültségek megléte.
II. A kimeneten van-e egyenfeszültség.
Élesztés.
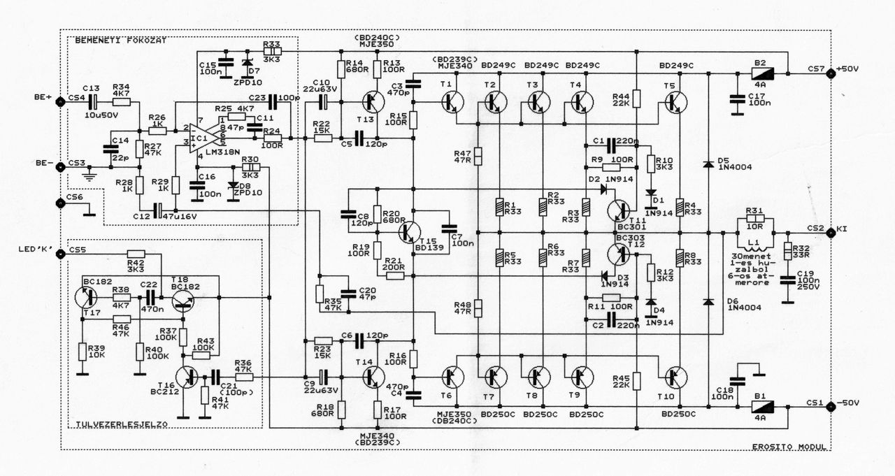
Mellékeltem amit találtam. A végfok még ma is megvan, amit most nem kapcsoltam be, de szinte biztos hogy működik. Ez egy gyári erősítő panel visszarajzolása, ami nálam volt javításon. Ha jól emlékszem REFLEX felirat volt rajta, és saját mérésem alapján 200 W-ot tudott 8 ohmon. A mérés adatait felírtam a papír sarkára: Ube 1250 mV; Uki=42,7 V; Iki=4,83 A (a műterhelésen kicsit nagyobb mint 8 ohm).
A kapcsolás még egy DOS-os Orcad nevű programmal készült -hú de régen-, ahol a panelről visszarajzolt skiccet próbáltam tisztázni. A panelterv pedig szó a beültetett panel lerajzolásával készült. Nagy munka volt, becsüld meg.
Egyetértek a kengyeles megoldással. Egyszer kipróbáltam hogy kevés pasztát kenve végig préselődik-e a teljes felületen. A legjobb ha geometriai középen vagy teljes felületen szorítani. Autóerősítőkben láttam sokszor kengyeles megoldást. Ez adaptálható máshova is.
Amit feltettél Reflex kapcsolást az a PPA400-asé?
A kengyel jó, csak ajánlani tudom.
A Reflexről nem tudok semmi mást, régen volt már. Csak a hosszadalmas kézi rajzolgatás emléke maradt meg (akkor még nem is volt PC-m). Évek múlva kerültem egy 286-os gép közelébe, amin még fekete alapon zöld betűk voltak, és ezen futott az Orcad. Egy kisméretű flopin volt az alkatrészbázis.
Minden elismerésem! Az Orcad volt ami elvette a kedvem a PC-s rajzolgatástól évekre, egér nélkül egy astabil multivibrátor rajzát több mint egy órán át erőltettük gyakorlásként szakkörön a gépbe. Inkább készítettem műanyag fóliából "alkatrész sablont", azzal kézzel is gyorsabb volt, igaz, nem lett szép...
Nagyon szépen köszönöm a rajzokat,már le is mentettem,+ még ment neked egy like.
Van nekem két ilyen modul,még Balu50 kollégától kaptam,megy mindkettő,csak már kicsit meg viselt a fóliás oldala,és újat szeretnék csinálni.
Remélem nem akadok el sehol,az újra építésnél,de ha mégis,akkor kereslek. Még egyszer köszönöm!
Koppanásgátlóból milyet érdemes megépíteni? Milyen adatok kellenek hozzá, vagy lehet univerzálisat építeni?
Sziasztok!
Van egy trafóm (toroid) és szeretném felhasználni, egy erősítőt megépíteni. Próbálkoztam az STK4050-el ami meg is valósult de végül nem jött össze. Egy kapcsolási rajzra lenne szükségem amit meg lehet építeni és jól is megy. (pár 100 W). Előre is köszönöm!.
Van egy motorom(benzines) , szeretnék egy járművet építeni, menjen gyorsan... Kicsit kevés a konkrétum.
A hozzászólás módosítva: Jan 19, 2017
Oké
) elnézést, igaz )A trafó, meg a buffer kondik megvannak(az STK-hoz voltak építve) és kb +-87V. Persze ezt tudom csökkenti.
Üdv!Van egy kicker kx100-as erősítőm , ami hibás.Az a baja , hogy ég a protect led.A táp fet-eket megnéztem meg a végfok tranzisztorokat , azok jóknak tűnnek.Egy tl494-es ic van a táp részébe.Ennek a 15,16-os lábán(Error Amplifier 2) 5,6V-ot mértem.Lehetséges , hogy emiatt nem indul el az erősítő tápja?Ha igen ,akkor , hogy kéne folytatni a vizsgálódást?
Remélem nem rossz helyen tettem fel ezt a kérdést.Köszönöm a segítséget előre is!
A kapcsolóüzemü tápegység topikban talán jobban tudnak segíteni.
Az IC 8, as 11 -es kimeneti lábain kéne mérni szkóppal megvannak e a sok kHz-es négyszögjelek, amik a Fet-eket vezérlik. Igen ennek a hibája okozhatja, hogy nem megy a táp, de be is tilthat az IC nem biztos hogy rossz.
Sziasztok. Lenne egy kérdésem. Valaki találkozott már warwick profet 5.2 basszer erősítővel? Az lenne a kérdésem hogy merre induljak el ha a végfokozata jó az önmagában szól is de az eq/előerősítő része nem reagál semmire sem. Köszi.
A hőkapcsolóját is meglehet nézni nem szakadt-e.
Tudom már kérdeztem, de még mindig dilemma...
Nézegettem a HTA-30 erősítőt és az OTTALA-t de valaki szerint a quadok csak zajonganak, nincs szép hangjuk. Esetleg még mi az amire esküdne az ember? FET-es végfok ami szépen szól? FET-hibrid akár...
Én majdnem teljesen át tértem.fetre . Szép a hangja dinamikus
Mit építetteél? Erre lennék kíváncsi, hogy mit lenne érdemes még nézegetni. FET-es végfok, csöves előfok, vagy full félvezetős, de a vége FET-es?
Milyen bevált kapcsolás van itt a HE-n?
Kinek mi... Nem akarok ebbe belemenni. Adnak majd itt tanácsokat
Nekem megvan a tapasutalatom,az enyémel Nekem bevált
Publikus?
Amúgy nem kell nagy teljesítmény, 20-30W max.. (mármint amit keresek)
De , akkor azért nem vezérli a fet-eket az ic , mert a két lábon mérhető 5V az letiltja gyakorlatilag ugye?
Dracula FET-se végfokot valaki meghallgatta? Milyen a hangzása?
Már írtam neked privátban, de nem tágítasz. Hidd el nekem, nincs "szép", meg "jó", meg "tökéletes", és stb. Csak olyan van, ami a saját rendszereddel, a saját zenéddel, a saját akusztikai körülményeid között, a saját ízlésed alapján vagy tetszik neked, vagy nem tetszik.
A felsorolt erősítők szinte biztosan nem a gyenge láncszemek lennének a rendszeredben (sőt).
Szia, tudom hogy beszéltünk. Csak még tapogatózok ez ügyben. Eddig a HTA-30 ami a favorit. De Te sem egyet építettél, én meg csak nézegetek egyenlőre.
Sziasztok! A mellékelt képen lévő kapcsolásban az R31 "Cilp"-el jelölt lábára ha tennék egy ledet trimmer potméteren keresztül a testre csatlakozva, akkor be tudnék állítani egy értéket aminél felvillan a led és jelezné hogy ki van vezérelve az erősítő? Nem zavarná a működést?
Szia! Mikor az erősítő kimeneti jele határolódik, vagy mondjuk úgy négyszögesedik, a Clip kimeneten ugrásszerűen megnő a feszültség. Mint az erősítőhöz tartozó leírás utal is rá, egy komparátor áramkörrel kell ezt a változást kiértékelni és azzal lehet a LED-et kapcsolni. Sajnos kész áramkört nem találtam hozzá.
Bővebben: Link Én ezt építettem meg .Mind a mai napig működik szépen
A hozzászólás módosítva: Jan 20, 2017
Ez engem is érdekelne.
Valakinek tapasztalat? Érdemes utánépíteni? Jobb mint egy ic-s?
Szerintem a VF2-6 bármelyike könnyebben utána építhető, jobb hangzása van.
|
Bejelentkezés
Hirdetés |








) elnézést, igaz






