Fórum témák
» Több friss téma |
Fórum » Csöves erősítő készítése
Ne feledd betartani a fórum viselkedési szabályait, és a topik megmaradásának feltételeit. [link]
A téma átmenetileg fagyasztva lett, hozzászólni nem tudsz!
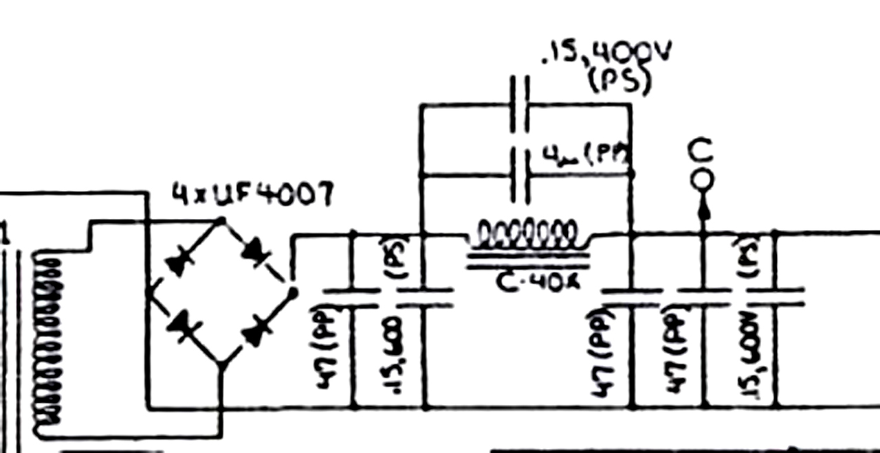
Neked a 43mA hogy jött ki? P=43mAX230V (a fénycsőre kevesebb jut) = 9,89 W
Ez van ráírva a fojtóra (0.43 A), nem számolgattam. Viszont ezek szerint elírtam egy 0-val. És áramra elég lenne a táphoz amúgy (nem csúcsra). Elnézést.
A hozzászólás módosítva: Jan 24, 2017
Ezt ki fogom próbálni feltétlenül. Egy spéci fojtóval. Mármint a hangra gyakorolt hatását. Ha igaz akkor mindenképpen visszajelzek. Ez ugyanis számomra is fontos szempont.
Fojtó hangolható is, 100Hz re kihangolva még hatásosabb. Érdemes meghallgatni kondival és nélküle is.
Meghajtó csövek nélkül is brummos, ezt írtad, a végcsövek fűtés bekötését is érdemes ellenőrizned.
Rajz alapján érdemes kipróbálnod kihangolva is.
A válaszod csak részben szólt nekem azt hiszem, mert az én erősítőm nem brummos, csak fénycső fojtó van benne. De most, (észrevételedre) beszerzek egy komoly fojtót, és kipróbálom. A rajzot köszönöm. Gondolom a 470 nF os kondi értékének változtatásával hangolható?
Elnézésed kérem, valóban a második mondatom, nem neked szólt..
Kondi értékét a fojtó induktivitása határozza meg, 100Hz rezonanciára kell kihangolni.
A fojtó 10 H lesz ahhoz milyen kondi passzol. Gondolom szkóppal kellene kimérni de az nekem nincs.
10Hy hez kb 270n.
A hozzászólás módosítva: Jan 24, 2017
Köszönöm, majd valakivel beméretem. Ahogy elnézem nem kell nagyfeszültségű kondi, hiszen a fojtón nem sok feszültség esik.
Mindig sejtettem, hogy a megfelelő táp kiépítésével foglalkozni kell, és bár rengeteg csöves kapcsolási rajz kering a neten a tápok kiépítésével, főleg sztereó berendezés esetén kevés foglalkozik. Pedig az "ördög" mindig a részletekben lakozik. És a jól megépített táp az alapja a jó erősítőnek szerintem.
Valóban nem sok DC esik a fojtón, AC impulzusok már jelentősebbek, érdemes nagyobb feszültségűt használnod. Ha meg lesz a fojtód, leírod a paramétereit, segítek.
SE esetén még nagyobb jelentőséget kap a tápegység kialakítása.
Renden ha meglesz kereslek.
Erről a fojtó hangolásról még nem is hallottam. Már érdemes volt beszélgetni. Lehet a fénycső fojtó csak egy RC tagnak felel meg. A szűrést biztosítja ugyan, de nem azon a minőségi szinten ami elvárható. És az egyenirányító csőre is visszahatással lehet ez esetben. És bár a hangminőséggel most sem vagyok elégedetlen, de ha javítani lehet rajta akkor tegyük meg.
Véleményen szerint induktivitása jelentősen csökken, DC áram hatására.
Szűrésben DC R ellenállása hatásosabb mint a megmaradt induktivitása.
Erre gondoltam én is csak pontatlanabbul fogalmaztam meg. De mivel brummot nem tapasztaltam (legalábbis jelentős mértékben) úgy gondoltam megfelelő. Bár utána olvasva többen is írják a jó fojtó jelentőségét. Csak erre nem akartam plusz költséget áldozni gondolván ha ez is megfelel akkor minek? Sok esetben sztereó rendszernél már itt kettéválasztják a tápot és ezzel a dual mono megtáplálást valósítják meg. Lehet ez még spécibb megoldás. De akkor máris két fojtó kell
. És kondikból is dupla mennyiség. Lehet ezt fokozni.
Két kisebb fojtó előnyösebb valóban. Így szétválasztható tápegység felől is a két oldal.
Kondiból csak egy plusz kell. A hozzászólás módosítva: Jan 24, 2017
Én is szétválasztottam, de csak a meghajtó csöveknél. RC taggal. De a kezdeteknél valószínűleg jobb lenne, hiszen így a végcsövek sem hatnának egymásra. Lehet a sztereó tér jobban érvényesülne? Nem tudom. Egyenlőre egy fojtó lesz.
Lenne egy másik témám, bár nem tudom mennyire kapcsolódik a csöves erősítők témakörbe de mi a véleményetek a különböző hálózati szűrőkről, van e ezeknek bármilyen jelentősége a hangra nézve. Pl a hálózati felharmonikusok kiszűrése ilyesmikre gondolok.
Példa hangolt fojtóról egy neves gyártótól - Conrad-Johnson végfok.
Nem használnak a tápban elkót!
Sziasztok,
Pl500-as csőnek 300V anódfeszültségnél mennyi az illesztő ellenállása?
"Limiting values" szerint ellenjavallt ekkora anódfeszültség.
Gondolom PP üzemre gondolsz, mert SE-ben nem az igazi a PL500. PP üzemben 2,5k körül
De itt nem impulzus üzemben dolgozik, még PP -ben sem.
A PL 500/504 400V-os anódfeszültséggel minden további nélkül működik.
300V-os Ut, és 150V-os Ug2-re a katalógus 3,5 - 5,2k Ohm -ot ír. A hozzászólás módosítva: Jan 26, 2017
Ezt nem találtam meg, pedig mikor volt néhány ilyenem, megnéztem.
Sziasztok!
Tudna nekem valaki segíteni? Szeretném elkészíteni a képen látható erősítőt. De nem tudom az (Rk) értékét. Meg tudná nekem mondani valaki milyen értékű ellenállást rakjak oda? Előre is köszönöm!
Szerintem tegyél oda egy 4,7 k potit, keresd meg a legjobb beállítást, és a beállított értékű ellenállást tegyed bele véglegesnek.
Ezzel a negatív visszacsatolást állítod a poti tekergetésével, A kisebb érték felé nő a visszacsatolás, csökken az érzékenység, de csökken a torzítás is. Hanggenerátorral, szkóppal (vagy megfelelő terheléssel, ellenállás+ füles) jól optimalizálhatod vele az erősítőt. |
Bejelentkezés
Hirdetés |



. És kondikból is dupla mennyiség. Lehet ezt fokozni. 


