Fórum témák

» Több friss téma
Fórum » Időzítő
 
Témaindító: Mekkmester, idő: Dec 25, 2005
Témakörök:
Lapozás: OK   57 / 77
(#) gordonfreemN válasza proli007 hozzászólására (») Jan 1, 2017 /
 
BSP318 a helyére még elmegy? A T5 pedig R5 lenne, ha minden igaz. Köszönöm!!!
(#) proli007 válasza gordonfreemN hozzászólására (») Jan 1, 2017 /
 
Mind kettőre igen a válasz..
(#) gordonfreemN válasza proli007 hozzászólására (») Jan 1, 2017 /
 
Szuper, ahoogy mondtad, működik. A szeteró DAC topikban jött fel ez a probléma egy fórumtársnak, de engem is érdekelt a megoldás mert nálam is fut hasonló projekt. Belinkelem nekik a rajzot.
A hozzászólás módosítva: Jan 1, 2017
(#) proli007 válasza gordonfreemN hozzászólására (») Jan 1, 2017 / 1
 
Így azért elég érdekes, mert a T1 rövidrezárja a tápot. A Drain-nek a T2 Gate-re kellene hogy menjen!
(#) gordonfreemN válasza proli007 hozzászólására (») Jan 1, 2017 /
 
Hopp javitom, bocsesz
1 sec késleltetés.

zero mute.jpg
    
(#) bodnar00 hozzászólása Jan 7, 2017 /
 
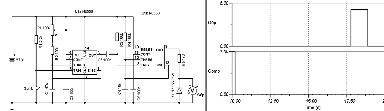
Sziasztok! Fényképezőhöz szeretnék csinálni egy önkioldót. Ami egy gomb megnyomása után 5-10mp eltettével küld egy kb 1mp-es 5V-os jelet a fókuszáláshoz, majd a jel végén a gép exponál. Valaki csinált már ilyet, esetleg van rajza hozzá?
(#) proli007 válasza bodnar00 hozzászólására (») Jan 7, 2017 / 1
 
Hello! Ha így megfelel..
(#) bodnar00 válasza proli007 hozzászólására (») Jan 7, 2017 /
 
Igen! Köszönöm!
(#) proli007 válasza bodnar00 hozzászólására (») Jan 8, 2017 / 1
 
Azért rajzoltam egy komfortosabb kapcsolást is..
(#) proli007 válasza proli007 hozzászólására (») Jan 8, 2017 / 2
 
Elkészítettem hozzá a nyákrajzot is, hátha hamarabb kedvet kapsz hozzá.
Az időzítés alatt villog a Led. Célszerű fehéret használni, mert annak fogyasztása kicsi, fényereje nagy. A késleltetés leállása után, szinte alig van fogyasztása, néhány uA lehet. Tehát "készenlétben" szinte nem meríti az elemet.
Az időzítést az R2-vel lehetne változtatni, de feleslegesnek találtam. Kb. 10 sec jelenleg. Az 1sec időt az R3*c4 határozza meg.
(#) bodnar00 válasza proli007 hozzászólására (») Jan 15, 2017 /
 
Megépítettem, tökéletesen működik. Köszi még egyszer! Canon géphez kellett CHDK-hoz, leírom hátha valaki keres még ilyet. Mire nem jó egy gumi javító készlet doboza.
(#) proli007 válasza bodnar00 hozzászólására (») Jan 16, 2017 /
 
Örülök, hogy jól működik. Látom a második változatot építetted meg. Külön dicséretes, hogy saját nyákot készítettél hozzá. Használd egészséggel!
A hozzászólás módosítva: Jan 16, 2017
(#) jackooh hozzászólása Jan 20, 2017 /
 
Sziasztok!
A következő dolgot szeretném megoldani, valamilyen formában:
WC automatikus világítás fel/lekapcsolás valamint szagelszívó időzített bekapcsolása, de csak egy adott idő után, egyébként törölje a jelzést.

Konkrét példa: ha belépek a wc-be a villany kapcsoljon fel, ha kimegyek kapcsoljon le. A szagelszívó viszont csak 2perc után induljon el, egyébként ne.

Kezdésnek egy ILYENNEL gondoltam megvalósítani a dolgot, van is benn időzítő, de az a bajom, hogy ha 2 perc alatt végzek, akkor is elindul a szagelszívó (késleltetve), ezt a jelet kéne törölni valahogy, vagy más módon kellene megoldani a problémát.

Kinek, milyen ötlete lenne erre a dologra?
(#) Bakman válasza jackooh hozzászólására (») Jan 20, 2017 /
 
Csak mint masszív panziólátogató: Idegesítő, amikor automatikusan kapcsol be a ventilátor. Egy egyszerű csillárkapcsolóval megoldható a dolog. Az egyik a lámpát, a másik a ventilátort kapcsolja.
(#) kaqkk válasza jackooh hozzászólására (») Jan 20, 2017 /
 
Nem értem miért csak két perc után akarsz ventilátort ?Ha egy perc alatt "megszülöm a gonoszt" nem örülne a következő látogató ha a ventilátor döntené el mikor akar dolgozni ! Ha szeretsz csöndben elmélkedni , inkább úgy kellene megcsinálni hogy akkor kapcsoljon be mondjuk 3 percre amikor kilépsz .
A hozzászólás módosítva: Jan 20, 2017
(#) kaqkk válasza jackooh hozzászólására (») Jan 20, 2017 /
 
Ajánlom figyelmedbe Ezen már nem sokat kéne alakítani hogy azt tudja amit kitaláltál , és lehet hogy Zoli bácsi partner lesz ebben ...
A hozzászólás módosítva: Jan 20, 2017
(#) proli007 válasza jackooh hozzászólására (») Jan 20, 2017 /
 
Hello! A meglévő mozgásérzékelőt kiegészíted egy ilyen áramkörrel. Amikor a világítás felkapcsolódik, látja a fényt és indul a késleltető időzítés. Ez után elindul a venti a beállított időre. Ha a késleltetés ideje alatt a világítás lekapcsolódik, akkor törli az időzítést. (Ez ugyan 12V-os ventilátorhoz készült, de a venti helyére egy relét kapcsolva kapcsolhatja a 230V-os ventit is.)
A hozzászólás módosítva: Jan 20, 2017
(#) jackooh hozzászólása Jan 23, 2017 /
 
Köszönöm szépen, megpróbálok vmit összegyúrni amit adtatok!
(#) Mazsola35 hozzászólása Jan 31, 2017 /
 
Ganz DYM meg>< húzás késleltetésű relével tudna segíteni valaki? Meg>< kapja az áramot a beállitot(t) idő után be is huz de abba a pillanatba ell is enged még az ál(l)apot>< jelzö led se villan fel. Ezt addig ismétli még le nem kapcsolom az áramot. Ötlet mi mehettet(t) ki benne? Lehet nem jó helyre írok elnézést érte.
A hozzászólás módosítva: Feb 1, 2017
(#) proli007 válasza Mazsola35 hozzászólására (») Jan 31, 2017 /
 
Helllo! Nem ismerem ezt a relét, de lehet a tápfeszültség omlik össze a relé meghúzásakor a lecsökkent pufferkondi kapacitása miatt..
(#) Tomi111 válasza Mazsola35 hozzászólására (») Jan 31, 2017 /
 
Vagy itt is a soros X2-es kondi hibája. Szedd szét és csinálj képet a nyák(ok)ról. Többet tudunk mondani, hogy mit cserélj!
(#) Mazsola35 válasza Tomi111 hozzászólására (») Jan 31, 2017 /
 
Szia. Rendben meg ><probálom mielöbb szét>< szedni._anyit elöre kb: 2x3 cm s két nyák közé van be>< zsufolva minden.
Plusz mellette a relé(.) amint tudok csinálok képeket.
A hozzászólás módosítva: Feb 1, 2017
(#) mtomihun válasza Mazsola35 hozzászólására (») Jan 31, 2017 / 1
 
Hello! Egész jó a helyesírásod!
(#) Mazsola35 válasza mtomihun hozzászólására (») Feb 1, 2017 /
 
Nem nagyon értem rá írni, gyorsan kellett le írnom amitt akartam.
(#) Mazsola35 válasza Mazsola35 hozzászólására (») Feb 1, 2017 /
 
Csináltam néhány képet az időzitöröl.
(#) Mazsola35 válasza Mazsola35 hozzászólására (») Feb 1, 2017 /
 
De jo be ..... A mobilom. Elnézést. A következö alkatrészek nem nagyon látszanak.:
Tr. RE 7059
Ic. CD 4541BE
Kondi. 47u/35v
Zéner. ZPD 15
(#) Mazsola35 válasza proli007 hozzászólására (») Feb 1, 2017 /
 
De jo be ..... A mobilom. Elnézést. A következö alkatrészek nem nagyon látszanak.:
Tr. RE 7059
Ic. CD 4541BE
Kondi. 47u/35v
Zéner. ZPD 15
(#) proli007 válasza Mazsola35 hozzászólására (») Feb 1, 2017 /
 
Hello! Sajnos nem igazán látható a képekből hogyan van előállítva a tápfesz. De meg kell nézni a 47µF/35V-os kondit (gondolom a zöld tantál lesz) hogy ne kapacitás vesztes-e. De azt is ellenőrizni kell, nincs-e rosszul bekötve a késleltető (esetleg bontja saját tápfeszét) , és azért kattog a relé.
(#) Tomi111 válasza Mazsola35 hozzászólására (») Feb 1, 2017 /
 
Hát így látva ilyet már javítottam, de jó régen volt. Nem volt a kedvencem. A relére van építve az egész kapcsolás. A táp megoldására nem emlékszem, lehet csak ellenállás, de akár a relé tekercse is lehet sorosan. Már nem tudom. Az viszont rémlik, hogy meghúzás után a relé öntartó, az egyik záróérintkezőjén keresztül. Utána az elektronikának már nincs szerepe.
(#) Mazsola35 válasza proli007 hozzászólására (») Feb 1, 2017 /
 
Szia. Igen az tantál kondi meg probálok turni valahol egy cserét. Forasztásogbol itélve még gyári de ott is hibázhatnak. Át nézem a kötéseket,
Következő: »»   57 / 77
Bejelentkezés

Belépés

Hirdetés
XDT.hu
Az oldalon sütiket használunk a helyes működéshez. Bővebb információt az adatvédelmi szabályzatban olvashatsz. Megértettem