Fórum témák
» Több friss téma |
Készítettem egy gyors tervet, hogyan szeretném a ház ujrakábelozását.
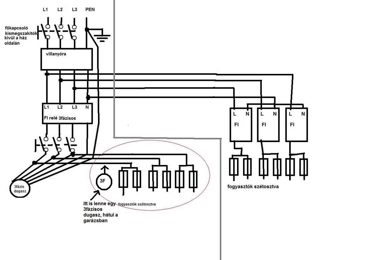
Mindenesetre az egészet két részre osztanám. Tehát szolgáltatótol jövő kábelek, bele egy kinti főkapcsolóba. A földelést a nullásal összekötvi a villanyóra előtt, vagy után? A villanyóra után rögtön egy FI relé lenne. Felesleges többet használni? Elég lenne 3 különálló, rögtön a villanyóra után? A bal részben az FI relé után lenne egy 3fázisos kismegszakító, a 380 dugasz miatt. Egy dugasz lenne a ház elején a pincébe (mert most is van, és kell is oda), és a másik párhuzamosan kötve hozzá, hátul a garázsba, ha kellesz valamikor betonkeverő, mert másra nemigen. A 3fázisos FI relé után lennének kötve még a kismegszakítók, amire lennének már kötve a fogyasztók. Ezek a kismegszakitók, és a garáusban lévő 3fázisos dugasz, már a garázsban lenne, egy biztositékszekrényben. Ez azért kell, mert a konyha, és környékére sok áramkör megy, és így rövidebb távon kell húzni a vezetékeket, mint onnan a folyosórol. Tehát a vi.jpg képen pirossal bekarikázott rész, lenne a haaa.jpg részen a piros rész. A vi.jpg jobb oldalán lévő külön FIvel elválasztott részekről meg a haaa.jpg kék szobái lennének ellátva. Vélemények?
Nem veszem arrogánsnak, ha tudsz neki jobbat ajánlani, akkor tessék. Nekem is jöhet.
Az elosztó táblát a lakás elektromos terhelési súlypontjában, vagyis a mérőhely és a nagyfogyasztók között belső térben ( pl : folyosó, előszoba ) kell elhelyezni, hogy a nagyobb keresztmetszetű vezetékek minél rövidebbek legyenek.
A mérőórával az elosztó tábla egy légtérben nem lehet. A FI-relét a mérőhöz legközelebb eső elosztó táblába kell tenni, így tudja a teljes hálózatot védni. Természetesen lehet 2 elosztó tábla is, de ezeket a szempontokat is figyelembe kell venni.
A teljesség igénye nélkül néhány :
Remélem sokan ráismernek, milyen könyvből valók a képek. A hozzászólás módosítva: Feb 7, 2017
Csak befért a kombi Fi AVK a Victrixnek.Nem volt túl drága,14.5 ről > 4450+áfa.
Gyuszo.Szó se róla lehetett volna nagyobb elosztó,legalább min.egy 18 modulos.Arrébb tudnám vésni a helyet neki,régit kivenni és újra kötni mindent.A dupla.24-es csak 5 E lenne.De azt mondták ne romboljak.Még érintés védelmet húztam be,gázcső-falikazán-vízcső-gázóracső áthidalás.
Sziasztok!
Lenne egy olyan kérdésem, hogy létezik e olyan relé ami az impulzus relé fordított elvén működik? Azaz ha kap egy állapot változást akkor kiad egy adott hosszúságú impulzust, amit állíthatok mondjuk 1ms-re is ami épp nekem kell. Töltöttem fel rajzot is a működési karakterisztikáról hogy érthetőbb legyek.
Hello! Olyan relé nincs, ami 1ms-os jelet adna. Maximum áramkör. De az sem lenne villanyszerelési téma.. Pld.
Értem, köszönöm a választ! Pedig lenne értelme jelzések leadásokhoz, lakás villanyszereléshez, stb.
Ennyire analfabétának nézek ki?
(Nem neked csak általánosságban, sokan ha érdemben nem tudnak hozzászólni valamihez akkor kötözködnek...) Tudom erre jön a válasz hogy én veszem annak Elnézést a "kirohanásért" !
Pl az ELKO EP-nek vannak speciális időzítői, lehet, hogy ilyen is van közöttük. Mindjárt előkeresem a katalógomat, ha megtalálom megnézem pontosan.
Arra akartam rámutatni, hogy 1ms az egy ezred másodperc! Az 50Hz félperiódusa is 10ms hosszú. Mire lehet menni villamos hálózat mellett, egy ilyen rövid jellel? Kb. semmire. A tranziens zavarok is hosszabbak ennél..
A hozzászólás módosítva: Feb 7, 2017
Ilyen rövid impulzusra biztos nem talál időzítőt. Ennyi idő alatt nincs az a mágneskapcsoló például ami meghúzna.
A legjobb lett volna, ha leírja, hogy mihez kell ez neki. A hozzászólás módosítva: Feb 7, 2017
Az ilyen rövid idővel , nem tudjuk mire szeretnéd használni ,, flip flop áramkörrel , billenőkörök háza táján kapsz választ .Bővebben: Link
Bővebben: Link A hozzászólás módosítva: Feb 8, 2017
Időrelét, de nagyobb időzítéssel itt is találsz :Bővebben: Link
Idézet: „Szó se róla lehetett volna nagyobb elosztó,legalább min.egy 18 modulos.Arrébb tudnám vésni a helyet neki,régit kivenni és újra kötni mindent.A dupla.24-es csak 5 E lenne.De azt mondták ne rombolja” Szerinted helyes, hogy 3 fázisod van, de csak 2 fázist védi a FI-relé ?
Nem csak egy fázis van,és két külön kört véd Fí relével?(Nem olvastam az előzményeket...)
A hozzászólás módosítva: Feb 8, 2017
Egy védőcsőbe illetve egy vezeték csatornába hány különböző áramkört lehet behúzni? Én megmondom őszintén úgy tudtam , elméleten úgy tanultuk, csak egyet lehet. De villanyszelő gyakorlaton egy csőbe behúztuk a 2,5 mm2 és az 1,5 mm2 vezetéket is.
Bocs, nem értem, mi a baj az OKJ-s könyvvel, ha egyszer pont a régi magyar műszaki előírásokból táplálkozik (egy 1978-as és egy 1981-es műre hivatkozik hátul).
Illetve értem én, hogy mi a baj, a baj az, hogy ma egyetlen szabvány foglalkozik ezekkel a dolgokkal, az MSZ IEC 60617 SN:2014 - az abban nem szereplő jelek értelmezése csak megállapodás kérdése lehet. Az érvényes szabvány műszaki tartalma azonos a már visszavont MSZ EN 60617 lapjaival, amelyek immár 23 és fél éve voltak először alkalmazandóak, azóta folyamatosan ez kéne használni.
Ez csak a régi magyar szabványok idejében volt korlátozás, az alapmondat ez volt:
egy védőcsőben elhelyezett különböző vezetékeket általában csak azonos biztosított leágazás vezetőiként szabad felhasználni. És persze akkor is volt könnyítés, erőátviteli és vezérlő vezeték ugyanahhoz a készülékhez, stb.
Pedig minden hozzászólásnál érdemes elolvasni az előzményeket. Csak úgy lehet megérteni, érdemben hozzászólni.
Ez volt az eredeti kiinduló Bővebben: Link De utána volt több kép és hozzászólás is. De a lényeg a 3 fázis és ( 3 fázisra megfelelő FI-relé ) szerintem kicsi az elosztószekrény . A hozzászólás módosítva: Feb 8, 2017
Ez azért megkönnyíti a kivitelezést.
![]() Egy másik eseten pedig a következőn gondolkoztam. Ha pl. én egy 2,5 mm2 -es vezetéket fázisként, egy másik 1,5 mm2-es vezetéket szintén fázisként szeretném elvezetni egy fogyasztóhoz ugyanabban a csatornában, akkor ebben az esetben lehet olyat tenni, hogy az 1,5 mm -es vezetékhez tartozó 1,5 mm2-es N -et és PE-et nem vezetem be külön, hanem leágaztatom a 2,5 mm -es vezetékkel a 2,5 mm2 -es vezetékről? Vagy ez így teljesen szabálytalan?
Minden áramkörnek külön fázis, és null vezetője kell, hogy legyen. Vagyis szabálytalan.
Maximálisan igazad van az elolvasással kapcsolatban. Így tényleg érdekes az elosztótábla kialakítása. De a kivitelező biztosan meg fogja tudni indokolni a miértet.
István
Ha az egy gáztűzhely ( és nincs benne szikragyújtó ) minek annak vezeték. Ha van és a világítás csak egy 10 W-os LED, mindkettőnek elég egy 1,5 mm2 vezeték , leágazással.
Ha viszont az egyik fogyasztó egy villanytűzhely, a másik egy vízmelegítő, az egyik áramkörön folyik 16 A, a másikon 10 A, a N vezetőn már 26 A megy keresztül. Hát ez a magyarázata, hogy így nem szabályos.
Heló!
Bocsi azt elírtam másodpercet akartam írni , de az elko-s listában se találtam ilyen relét.
Röviden : nem.
A kismegszakító után a védendő ( vezetéknek ) hálózatnak teljes hosszában azonos keresztmetszetűnek kell lennie.
Szia! Elméleti kérdés: ha több fázis fogyasztóinak nullája egy csillagpontba kapcsolódik, akkor a csillagponttól a nulla sínig kisebb áram fog folyni a legjobban terhelt fázis áramánál?
Jó példa erre a 3fázisú villanymotor, melynél a szimmetrikus tekercsáramok következtében nincsen szükség a nulla bekötésére. Ezek alapján hogyan tud 26A folyni a nullán? |
Bejelentkezés
Hirdetés |














