Fórum témák
» Több friss téma |
Szia !
A villanymotor az elvileg egyformán terheli a 3 fázist, de pl. egy lehetőség: bedugok 2 db 2 kW-os hősugárzót a szobámba ( ami valószínűleg egy fázison van !), akkor már elég jelentős áram folyik a 0-n ! A hozzászólás módosítva: Feb 8, 2017
Szia!
A kérdésem sany fórumtárs képéhez szólt. Feltételeztem a 1,5 és 2,5mm2 fázis vezetékeket 10 és 13 (16)A-es kismegszakító védi, így egyik ágon sem lehet a megengedettnél nagyobb terhelés. Elméletileg ezesetben sem folyhat a közös pont és a nulla sín kőzött 16A-nél nagyobb áram. A hozzászólás módosítva: Feb 8, 2017
Fogalmazzunk inkább úgy, hogy ha az áramkör elején elhelyezett túlterhelés- és zárlatvédelem védi a végéig az áramkört, akkor a keresztmetszetváltozás helyén nem kell védelem.
És vannak más engedmények is, de azok speciálisabbak.
Sziasztok, szeretném megkérdezni, hogy a műanyag és/vagy fém gége csőbe mit szabad behúzni? Gondolok itt arra hogy csak MT mehet benne vagy mehetnek benne különálló vezetékek is ?
Valamint mehet a gégecső falon kívül? Amerikában sokat látom, hogy nagyon sok vezeték falon kívül megy, és ilyen egyszerű gégecsőbe van behúzva, és adott pontokon felrögzítve. Nálunk ez szabályos ? Előre is köszi. B
C16 kismegszakító, 2,5 mm2-es vezeték. Valahol lecsökkentem a keresztmetszetet 1,5 mm2-re. Annak már sok a C16-os biztosítás.
Ha már gégecsövet rögzítesz a falra, egyszerűbb duplán szigetelt kábellel dolgozni, pl. MBCU, gégecső nélkül. Természetesen használhatsz gégecsövet vagy normát csövet is, de abba csak duplán szigetelt kábel/vezeték mehet. Tudommal az egyszeres szigetelésű vezetékeket (MCU) csak teljes hozzában rögzített (bevésett), műanyag csőbe szabad húzni.
Ha viszont 10A-ral biztositod le, és elviszel egy gerincet a feszültségesés miatt 20-30 méterre, és 1,5re váltasz az első dobozban akkor jó lehet.
Üdv!
A Crouzet MUR-3 típusú időzítő reléje Bw üzemmódra állítva tudja a keresett kapcsolási funkciót.
A kis hobbiműhelyem (volt lakóház) esetén ezt a megoldást alkalmaztam. Minden áramkörnél (helyiségnél) 2,5mm2 gerinc, 1,5mm2 leágazásokkal, B13A biztosítással. Kivétel a világítások (külön külső és belső), az végig 1,5mm2, B6A biztosítással.
A mellékelt (mostanra régi) képen a bal oldalon árválkodó kismegszakítók a varisztorok helyét "szemléltetik" amik a felettük lévő elosztókapcsokra csatlakoznak. Az ott látható Fi relé csak a "kommunális" hálózatot védi. Mára ugyanezen elosztókacsokról megy feszültség a műhelyben több különböző felhasználásra, helyileg ellátva Fi relével és a csak éppen szükséges nagyságú túláram védelemmel.
Értem én, hogy meddő áramok is lehetnek, de egy 5 eres kabellel megépített pl: felvonulási szekrény sem áll különböző keresztmetszetű erekből. Pl.:3 x 2.5mm2 16A esetén nem láttam még olyat, hogy a kábelben a nulla és a PE 4mm2 lenne.
Én se.
Inkább fogalmazzunk úgy, hogy erre átlag körülmények között nem fordítunk sok figyelmet, de a viselkedésünket igazolja az, hogy igen kevés esetben égett le nullavezető.De lehetnének felharmonikus áramok is, stb.
Azért mert ha a három fázisú rendszert asszimetrikusan terheled akkor is a nullán visszafolyó áram mindig kisebb mint a három fázisáram bármelyike. A munka nullán akkor folyik a legnagyobb áram, ha csak egy fázist terhelsz. Ha mind a hármat szimmetrikusan terheled a munkanullán nem folyik áram.
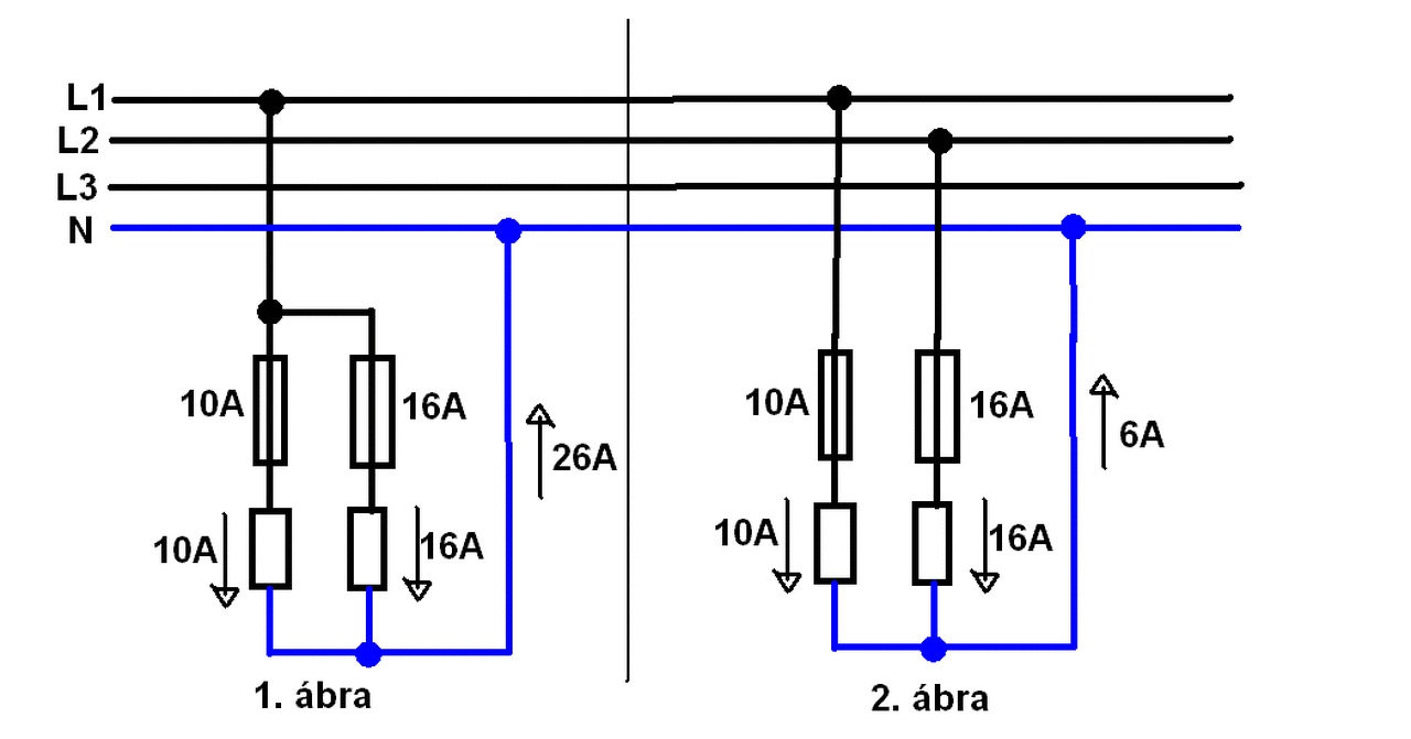
Idézet: „Feltételeztem a 1,5 és 2,5mm2 fázis vezetékeket 10 és 13 (16)A-es kismegszakító védi, így egyik ágon sem lehet a megengedettnél nagyobb terhelés. Elméletileg ezesetben sem folyhat a közös pont és a nulla sín kőzött 16A-nél nagyobb áram.” Nem teljesen igaz amit itt írtál. Két lehetséges megoldás van: 1. Ha a 1,5mm2-es 10A-re biztosított és a 2,5mm2 16A-re biztosított fázisvezető ugyan az a fázis (pl. L1) csak kétfelé van szétosztva akkor a nullán 26A folyik vissza (1.ábra)! 2. Ha a 1,5mm2-es 10A-re biztosított és a 2,5mm2 16A-re biztosított fázisvezető nem ugyan az a fázis (pl. a 16A-es az L1 a 10A-es a L2) akkor a nullán visszafolyó áram mindig kisebb lesz mint a fázisokon folyó áram (2.ábra). De ez az elmélet! Az áramokat itt egyszerűen grafikus számítással lehet összeadni vektorábrán.
Teljesen egyet értünk. A valaszomat sany hozzászólására írtam, amiben a képen "fázis1" és "fázis2" szerepel.
Így az 1. lehetőséget alapból kizártam.
Idézet: „Két lehetséges megoldás van:” Ez így igaz, hiszen ha a képen jelölt fázis1 és fázis2 vezeték azonos L1 fázishoz tartozik. ![]() Ezt sem lehet kizárni, de a másikat sem..
Az ábrában hibát vétettem! A 2. ábrán a nullán visszafolyó áram nem 6A! Akkor volna 6A ha a fázisok között 180o fáziseltolás volna.
A munka nullán visszafolyó áram mindig a legnagyobb és a legkisebb fázisáram között van! U.i.: Ha pl. L1 I=8,2A L2 I=3A L3 I=0A akkor a nullán 7,4A folyik vissza. Elnézést kérek! A hozzászólás módosítva: Feb 11, 2017
Idézet: „...ha a három fázisú rendszert asszimetrikusan terheled akkor is a nullán visszafolyó áram mindig kisebb mint a három fázisáram bármelyike....” Piszkált ez a mondat, hogy vajon tényleg mindíg így van-e. Aztán találtam kivételt! Ha az egyik fázis terhelése tisztán ohmos, egy másiké meg induktív vagy kapacitív, akkor akár az áramok összegét is megközelítheti a nullán folyó áram. Tehát a legnagyobb fázisáramnál is folyhat nagyobb áram a nullán. Pl. hegesztőtrafó + hősugárzó okozhat csúnya meglepetést.... Csatolok TINA modellt. A hozzászólás módosítva: Feb 11, 2017
Közben találtam más hibát is, egy hozzászólással feljebb már kifejtettem.
Most elvégeztem egy kísérletet: IL1=8,2A (ohmikus terhelés) IL2=2,2A (erősen induktív terhelés cosFI=0,55) IL3=3A (ohmikus terhelés) A nullán 5,4A folyt vissza az analóg lakatfogós árammérővel mérve.
Piszkált ez a mondat, hogy vajon tényleg mindig így van-e.
Én ezt már Szo, 15:18 időbélyeges hozzászólásomban mondtam, hogy hogyan nincs így. ![]() De az sem helyes, hogy egyforma (és egyforma jellegű) terhelések esetén nullán visszafolyó áram mindig kisebb mint a három fázisáram bármelyike mert ha 2 fázis van terhelve, akkor is pont akkora a nullán visszafolyó, mint bármelyik. Ami vektorábrából is belátható, meg abból az egyszerű gondolatmenetből is, hogy ha három egyforma, akkor a nullán nem folyik, tehát ha egy hiányzik, akkor pont akkora megy még, amit eggyel ki lehet ütni. A hozzászólás módosítva: Feb 13, 2017
Arra (is) próbáltam célozni, hogy az összes ilyen gondolatmenet (az is amit leírtál) akkor igaz ha ohmos jellegűek a terhelések. Induktív/kapacitív és ohmos terhelések szerencsétlen kombinációjakor, akár a fázisáramok összegét is megközelítheti a nullán folyó áram. Erre tettem is be egy példát, amit TINA áramkör szimulátorban készítettem.
Lenne egy érdekes kérdésem a föld-nulla összekötéssel kapcsolatban. Szolgáltató emberei a helyszínen tanakodnak, hogy kössék-e vagy sem. Köztük helybéliek is voltak, így talán eléggé ismerik a hálózatot, a földelőszondát is ők ütötték le, ez sem lehet kérdéses számukra. A kérdés: miért kell ezen vakarózni?
Összekötötték. Más kérdés a leütött szonda "milyensége". A plombált rész alól 3x2,5mm2-es, bontott, feketedő MTK-t vittek az elosztótáblához.
Manapság terjednek a nagyteljesítményű kapcsoló üzemű táppal rendelkező berendezések, amik a hálózai fázisfeszültség maximuma körül vesznek fel teljesítményt. Ezek az áramimpulzusok nem az alapharmonikus ferkvenciáján kérnek nagy áramot, hanem a felharmónikusokon (3., 5.). A következmény, hogy háromfázisú rendszer a nullvezetőjén folyó áram effektív értéke jelentősen nagyobb lehet, mint a fázis vezetőn folyó.
Főleg irodaházakban, ipari létesítményekben ajánlott a fázisvezető keresztmetszetének másfélszeresét, kétszeresét használni nullvezető keresztmetszetként. Bővebben: Link A hozzászólás módosítva: Feb 15, 2017
Én már láttam olyat
Koreából érkező gépekben a nulla vezető majd kétszerese a fázisvezetőnek.
Eleve az érintésvédelmi földelő csak a PEN és PE vezetőre köthető, N vezetőre soha! Valamint a már egyszer szétválasztott PE és N nem egyesíthető újra. A szolgáltató a közcélú hálózatról PEN-t hoz, amit szétválasztanak. Valószínűleg nem tudták, hogy mit csinálnak. Ha ez így van, az elég nagy baj.
Ez számomra, mint "szakmán kívüli" számára is tiszta. Légvezetéket, tetőtartót mérőszekrényt, földelőszondát és annak vezetékét is cserélték. Mondhatni a komplett méretlen oldalt. Amikor a légvezeték szekrényben lévő végét az elosztókapocsba kötötték, akkor ment a tanakodás. Mivel ott szakemberek is nehezen tudtak dönteni, ezért is kérdezek "hobbistákat"
Mert ugye adott típusú hálózatnál a szabvány elvileg előírja, nem tanakodás kérdése lenne (a fentiek alapján feltételeinek megteremtése 100%-ban a kezükben volt)...
Ha ezen tanakdtak, illetve tényleg 2,5mm2 vezetéket hoztak ki a mérő alol akkor ők NEM szakemberek voltak az tuti.
Aki a nevét ( plombáját ) adta ehhez a munkához, nem lennék a helyébe.
De gondolom a védőföldeléshez sem 16 mm2 vezetéket tehettek be.
Földeléshez nem is 16 hanem inkább 25mm2, viszont kb. 1,5 méter mélyre leütött horganyzottnak kinéző, kb 8mm-es vaspálcára kötötték. Ha az egy alap vasalattól feljövő vaspálca lenne még jó is lehetne (de nem az). Messziről ránézve még jónak is tűnhetne. Az ingatlan azóta sincs használatban, meg szerintem nem is lesz (akkor még lakni akarták, azóta változott a helyzet), így (jelenleg) nem veszélyeztet senkit.
A hozzászólás módosítva: Feb 15, 2017
Láttam már néhány "installációt" a környékünkön, de pl. EPH elosztót eddig csak villamossági bolt kirakatában és webshopban. Amely házban jelenleg lakok, azt nem tudtam még elérni, hogy a földelőszondához vezető 2,5mm2-es piros alu vezetéket kicseréljék. A probléma, hogy plombált rész alatt végződik, így magam nem tudom kicserélni. Az elmúlt években mind a nappali, mind a vezérelt kismegszakítónk szétégett (mindkettő a csavaros kötésnél), ill voltak órát is cserélni, minden alkalommal ott lóbáltam a kezemben a 16-os zöld-sárágt, de odáig nem voltak hajlandóak bontani (plusz 2 plombát levágni), hogy kicseréljék.
Ezt a topikot elég régóta követem amolyan "read only" módban. Amikor biztonság bármilyen formában szóba kerül, mindig a szolgáltatónk hozzáállása jut eszembe. A telken lévő, hobbiműhelynek befogott kicsi lakóháznál pl. 2db. 2,5mm2-es fekete alu vezeték jön ki a plombált rész alól, időnként ott is cseréltek mérőórát, eddig ez a szolgáltatót nem zavarta. Pedig azt elég "meredek" 16A-ra biztosítani. Legalább ott utólag meg tudtam oldani a földelést. No meg ott ha tetszik, ha nem tetszik a szolgáltatónak, a bejövő nulla összekötődött a földeléssel (szigeteletlen nulla a fém tetőtartóra - én meg mint tetőről kiálló fémet egy 25-össel földeltem). Idézet: „Legalább ott utólag meg tudtam oldani a földelést. No meg ott ha tetszik, ha nem tetszik a szolgáltatónak, a bejövő nulla összekötődött a földeléssel (szigeteletlen nulla a fém tetőtartóra - én meg mint tetőről kiálló fémet egy 25-össel földeltem).” Ez jó |
Bejelentkezés
Hirdetés |






Inkább fogalmazzunk úgy, hogy erre átlag körülmények között nem fordítunk sok figyelmet, de a viselkedésünket igazolja az, hogy igen kevés esetben égett le nullavezető.





