Fórum témák
» Több friss téma |
Fórum » Csöves erősítő készítése
Ne feledd betartani a fórum viselkedési szabályait, és a topik megmaradásának feltételeit. [link]
A téma átmenetileg fagyasztva lett, hozzászólni nem tudsz!
Valószínűleg félreértetted a hozzászólásomat. Lehet, hogy rosszul tagoltam. Ugyanazt beszéljük.
Egyébként ha valami nagyon lineárisat kellene előhúznom a fiókból meghajtásnak, akkor a 6Ж49П-Д lenne az. Az elérhető dokumentáció szerint roppant ígéretes, triódaként és pentódaként is.
Be is zsákoltam orosz barátainktól pár darabot, n+10. projektként vár a sorára.
Nekem más a favoritom, más kategóriában. 4P1L..
6E5P, 6E6P, E280F is jól teljesítene GU előtt.
A hozzászólás módosítva: Ápr 15, 2017
E180F-ről mi a véleményed? Akad belőle pár darab.
Nagyon jó tapasztalataim van ezzel a csővel, hibridben is jól teljesített.
Feszültségerősítése viszonylag magas, jól terhelhető, triódába bekötve is. Idézet: „De csak ez a szempont jelen esetben nem sokat számít, 220k terhelésnél tökmindegy hogy 0,5-10-20 vagy 30kΩ a Zout.” Ezzel azt mondod, hogy semmit nem számít? Más tapasztalatom van, szerintem nem mindegy. GU kisebb rácsáramos meghajtást jól visel, hangzásban inkább hoz, mint ártana. Persze ez is nagyon szubjektív. Régebben készítettem GU50PSE végfokot, izmos meghajtással, UL beállításban 18W. A hozzászólás módosítva: Ápr 15, 2017
Üdv
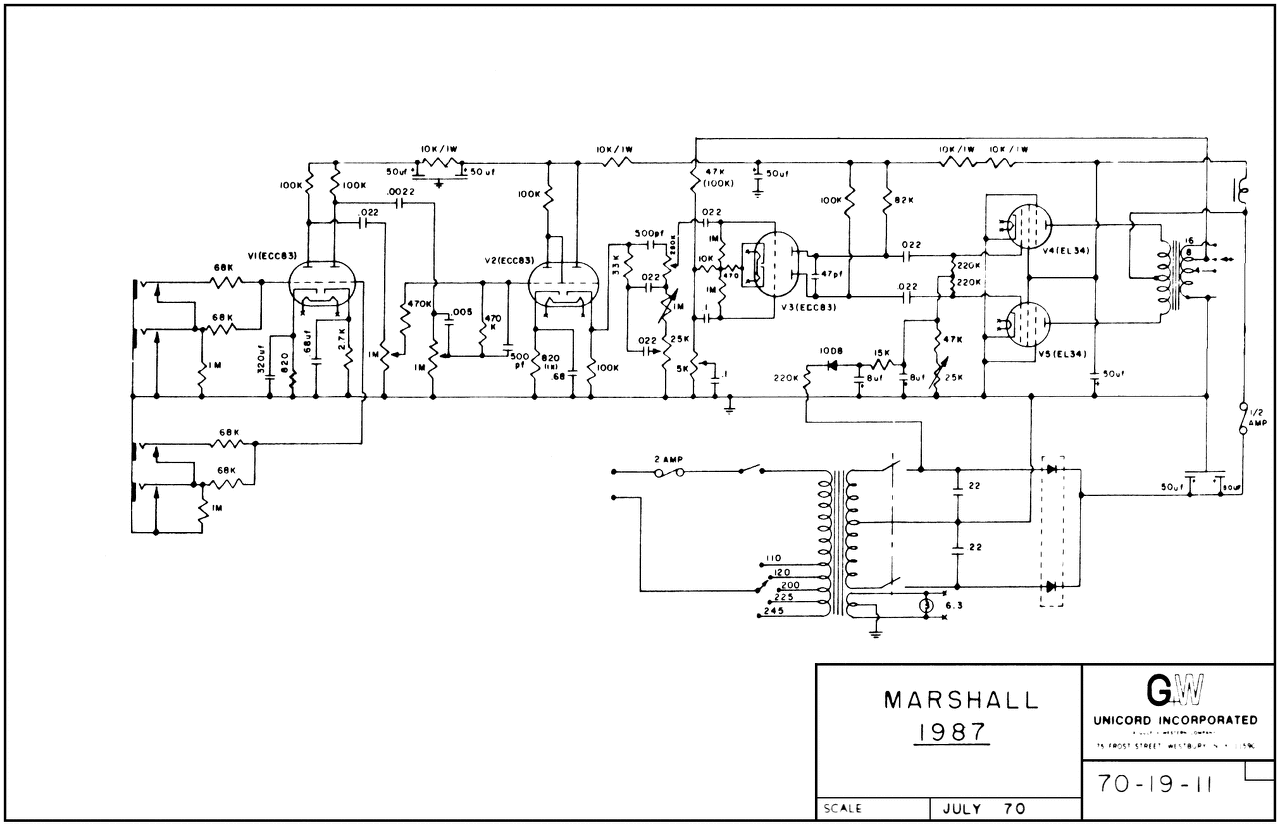
Először is bocs a sok amatőr kérdésemért: Egy Marshall plexi típusú gitárerősítőt tervezek építeni, jelenleg a hálótrafót tekercselem. Az erősítő 3xECC83, 2xEL34 csövekkel működik eredetileg. Nekem nincs szükségem 50 Wattra, elég 15 is, ezért én 2xEL84-es végfokot szeretnék. Van egy kis elméleti hiányosságom. Minden rajzon az EL34-esekkel negatív előfeszültséges biast látok. Minden EL84-es kapcsolásnál pedig katódellenállást. Ennek mi a háttere? Ha katódellenállásom van, akkor mindenképp párba válogatott csövek kellenének? Ha van negatív előfesz, akkor lehetnek akármilyenek a csövek, egy trimmerrel állítható? Miért nem látok EL84-nél negatív előfeszültséges kapcsolást sehol? Mennyiben befolyásolja egy gitárerősítő hangját, ha egyátalán nem összepasszoló végcsöveket használok? Eddig egy EL84 SE erősítőt kergettem, de most szeretnék feljebb lépni és ismeretlen területre érkeztem A hozzászólás módosítva: Ápr 15, 2017
Semmi akadálya nincs az EL 84 fix előfeszültségű beállításához. Ezt a csövet használták előszeretettel pl. rádiókban. Oda megfelelő volt az egyszerű, katódellenállásos munkapont beállítás. Ez összefügg azzal, hogy alacsonyabb teljesítményű cső, szemben az EL 34-el. Ez nem jelenti azt, hogy egy EL 34-el működő erősítőnél ne lehetne katódellenállást használni. Csak célszerűbb a fix feszültségű beállítás.
Ugyan azt írod, hogy gitárerősítőt építesz, de érdemes tartalékot hagyni. Különben csak erőlködni fog. Viszont 50W már elegendő. Ha mindenáron EL 84-es erősítőt akarsz, fix munkapontos beállítás javasolt(trimmerekkel finomítható legyen). A csöveket ettől még párba kell válogatni.
Igazából van nekem itthon egy Beag AEX maradék, szóval lenne EL34-hez cuccom, tápom, kimenőm, foglalatom, de feleslegesnek tartom. Ez az EL84SE is elegendő hangerőben, de szeretnék egy olyan erősítőt csinálni, amit nem akarok majd megint 1 év múlva átépíteni.
Akkor EL84PP, és minél érzékenyebb hangszóró.
Szerintem azért nem használnak EL84 hez negatív előfeszültséget mert mindössze 9V ot kell ejteni a katódon a helyes munkaponthoz, a kisebb meredekségű csőfajtákhoz amihez kell vagy 20-50V negatív rácsfeszütség a katódhoz képest ott már nem érné meg katódellenállással elfűteni ezt a sok feszültséget.
Köszönöm.
Erre én is gondoltam, de a csövek adatlapjai nem győztek meg. Közben a trafóra felment az első szekunder. 275V jön le róla. Megfertőzött a Graetz híd tudománya és akkor máris nem kellene a másodikat feltekerni Még meglátom, mi sül ki ebből.
12"-es 100 dB-es hangszóró már megvan, szóval nincs baj a Wattokkal, elég a fele is, mint ami rá van írva
Ha komolyabb meghajtófesz. igény mellett is alacsony torzítású fokozatot akarsz (egy bizonyos ponton túl nem kellene erőltetni!), akkor használj "jó hangú" áramgenerátort vagy fojtót egy a célnak megfelelően kiválasztott pentóda anódjába. Ezek a pentódákat a pontos geometriával legyártott német vagy amerikai típusok között fogod megtalálni. Ezt a műszaki szintet a ruszki tömeggyártás soha nem érte el...
A mellékelt ábra értelmezéséhez: 10V kimeneti feszültség mellett 0.1% második + 0.03% harmadik harmonikus, a többi pedig gyakorlatilag elveszik a zajban. Speciel ennél a típusnál nagyon nem mindegy, melyik gyártó, melyik változata - a minden valószínűség szerint fontosabb magasabb rendű komponensekben van jelentős eltérés.
6e5p/6e6p kvázi-triódaként, fix(!) előfeszültséggel nem rossz erre a szintre.
Idézet: „"1. minden cső változó meredekségű. Nincsenek nagyságrendi eltérések"” Azért egyszer majd nézd meg spektrumanalizátoron, mit jelent egy meghajtó fokozat esetében ez a változóbb meredekség (mennyi az annyi). Végül is oda se neki, használjunk nyugodt lélekkel kevésbé lineáris erősítőelemeket, majd jól ellencsatoljuk helyileg és átfogóan is. Tkp. a csőhöz sem muszáj ragaszkodni... meglepően lineáris FET-ek is vannak már... )> A hozzászólás módosítva: Ápr 16, 2017
Idézet: „ameddig nem folyik a végcsőnél rácsáram, addig a bemeneti impedancia nagyjából a fokozat rácslevezető ellenállásával egyezik meg (a kapacitív összetevőktől nagyvonalúan eltekintve).” Amíg nem kell rácsáramos üzemmódban dolgoztatni a végcsövet, addig nem számít. Viszont eddig szó sem volt arról, hogy ilyen meghajtásra lenne szüksége a kérdezőnek. Jelenleg ott hagytuk abba, hogy a ványatag táptrafó betérdel egy szem GU-50-töl, a finomságok ráérnek utána.
Így van. Csak a meghajtás nehéz, a fetek bemeneti kapacitása nem igen akar csökkenni..
Szerintem ez nem az a fórum, ahol spektrumanalizátorral támasztják alá a tutit. Ami érdekes az egészben, a csúcskategóriás Higenben sem
. Pedig ott aztán vannak árak. Ha valaki jól méretez, utána jól hangolja a készüléket, egész jó hangú cuccot lehet építeni.Kedvencem visszatérő olvasmányom pl. az ECC85 leszólása. "Változó meredekségű cső", "nagyfrekis cső, "rideg a hangja", stb. mantrázott ostobaságok. Tud jól szólni, csak tudni kell hogyan. (Nincsenek ECC85 készleteim , és én személy szerint nem is használom, egyszer hallgattam meg csupán) A hozzászólás módosítva: Ápr 16, 2017
Én olyat ia láttam, hogy rádiós hobbisták angol nyelvű fórumokon meg szidják a hifistákat, hogy miért használnak ECC85-öt, mert nekik amikor rádióba kell cserének nem találnak
A hozzászólás módosítva: Ápr 17, 2017
Idézet: „Amíg nem kell rácsáramos üzemmódban dolgoztatni a végcsövet, addig nem számít.” Tapasztalatom szerint kapott hangminőségét jelentősen befolyásolja (rácsáram nélkül is) a meghajtás kimeneti impedanciája. Idézet: „a kapacitív összetevőktől nagyvonalúan eltekintve” Idézett mondatod szerintem magyarázat, ezt sem hagyhatjuk ki, ez is lényeges szempont. A hozzászólás módosítva: Ápr 17, 2017
Azért egy kb. 60 MHz -ig használható adócsőnek nem olyan nagyok a kapacitásai, hogy a hangfrekvenciás sávban problémákat okozzanak.
Az ECC85 -höz. Nem az a baj vele, hogy nagyfrekvenciás, hanem az, hogy kisjelű cső. Az eredeti helyén igen kis jelekkel dolgozik, még az oszcillátor jele is 1 V -nál kisebb. Nagy kivezérlésnél jelentős a torzítása, ezért van "hideg hangja", a jelentős szintű páratlan harmonikusok miatt. Talán E80CC -t kéne használni. Az eléggé lineáris a nagy jelekre nézve is, bár eléggé ritka. A hozzászólás módosítva: Ápr 17, 2017
Igazad van, általánosan értettem, már nem ECC85-re kihegyezve.
GU50, fentebb említett csövekkel jól meghajtható, feszültségerősítés, kimeneti impedancia szempontjából is.
Valóban kisjelű cső az ECC85. Mint az ECC83... Természetesen nem minden alkalmazásban jó.
E80CC beszerezhetőséget tudsz? A hozzászólás módosítva: Ápr 17, 2017
Sajnos nem, nekem volt pár darab, de már rég elajándékoztam. Annak idején sem volt gyakori cső, műszerekben, távközlési dolgokban volt használatos.
Szia!
Szeretném megkérdezni, hogy a GU50 SE II. erősítőd fa részét, milyen lakkal (festékkel) és hogyan festetted, készítetted el ? Ezen az oldalon tettél fel képet róla. Tetszik a kivitelezése, külleme, színe. Köszönettel:
Szia!
Már régen, kb 10 éve készült, de azóta is vízbázisú lazúrt használok. Színezését követően, vízbázisú lakkot kapott.
Véletlenül van néhány...
|
Bejelentkezés
Hirdetés |







