Fórum témák
» Több friss téma |
Fórum » Erősítő hídba kötése
Témaindító: Thomas10100, idő: Jan 19, 2006
Témakörök:
Továbbá ennyit találtam a bekötésről kép
Ezt úgy értelmezném, hogy az a végfokozat ami nincs invertálva + kapcsa megy a hangszóró pozitívjára, a - kapcsa a végfoknak pedig összekötődik az invertált végfokozat + kapcsával, a hangszóró negatív kapcsa pedig az invertált végfokozat - kapcsára megy. A sok autóhifis téma miatt nem találok érdemlegeset. Lassan már a Csendes-óceánt is áthidalják... Valahol olvastam olyat is hogy a két végfokozat + + kapcsa megy a hangszóróra, a - - -okat kötik össze, elég zavaros.
Nehogy összekösd a kimenetek bármelyikét is. A végfokod (-) pontiai egyben testpontok is. Eleve össze vannak kötve. Hídkapcsolással tudsz teljesítmény növekedést elérni, de nem lesz a duplája. A fázis fordítónak 1:1, de ellentétesnek kell lennie. Mindkét általad linkelt fordító megfelel. A kimenet a (+)ok lesznek és azokból az eredeti, nem fázisfordított jel lesz a tényleges (+). A fázisfordított a (-).
A hozzászólás módosítva: Szept 17, 2016
Szia! A téma képei közül ez a vázlat mutatja a bekötést.
Idézet: „Valaki gondolkodna kicsit velem?” Attól eltekintve, hogy nem értem a dolog értelmét (és amit már előttem elmondtak), még annyit tennék hozzá: A végfokok kimenetén van kicsatoló elektrolit kondenzátor. Ha hídba kötöd, akkor: - Nem kapnak előfeszítést és előbb-utóbb hiányában tönkre mennek; - Mivel sorba kapcsolódnak, mély hangokból számottevően kevesebb lesz majd...
Kedves Fórumozók
van egy SONY hifi végfokom (SONY lbt-v925ne). Négy hangfalcsatlakozás van rajta (elöl egy kapcsoló: OFF/A/B/A-B). A kérdésem: Hídba köthetem-e? Honnan lehet tudni, hogy hidalható? vagy minden ilyen eszköz hídba köthető, ez alapkérdés? Köszönöm
Vagy lehet, hogy ez nem is 4 csatorna? Hanem csak simán egy kapcsoló a 4 hangfalhoz, és 2 csatornás?
Alapbol nem. Az csak 2 erösitö, csak a hangszorok kimeneteit kapcsolgatják.
A válasz nem. Elég nagy mértékű átalakítással járna fázisfordító, ráadásul amit nyernél vele elmaradna a várt eredménytől.
-A hangváltókban nagyon sokszor vannak elektrolit kondenzátorok. Előfeszítés nélkül elmennek évtizedeket.
-Nem fog a mély hangok átvitele sérülni: Az elkók sorbakötésével együtt a terhelőimpedancia is duplázódik. Idézet: „A hangváltókban nagyon sokszor vannak elektrolit kondenzátorok.” Valóban vannak, de az egészen más körülmény. Azokon nincs egyenfeszültség, mert az erősítő kimeneti kondenzátora már leválasztotta. Ha pedig nincs kimeneti kondenzátor, (stzimmetrikus táp) akkor is csak a végfokozat kis nyugalmi hibafeszültsége van. Idézet: „Az elkók sorbakötésével együtt a terhelőimpedancia is duplázódik.” A terhelő impedancia ugyanaz marad, viszont a kimeneti elkók fordított feszültséget is kaphatnak, az pedig kétséges, hogy meddíg viselik el. A terhelő impedanciára viszont a hídkapcsolásban dupla feszültség jut, ezért a rá eső teljesítmény négyszeres lesz. P=U2/R, illetve (Z) ha már impedanciáról van szó. Viszont szimmetrikus tápfeszültségű erősítőben nincs kimeneti kondenzátor.
Illetve a hangváltókban bipoláris elkók vannak, vagy 2db mezei szembefordítva.
A bipoláris elkó is gyakorlatilag két szembefordított elkó: alu-oxid-trutymák-oxid-alu.
De a hangváltóban már nincs egyenfeszültség. Ha lenne, a hangszóró jajgatna. A hozzászólás módosítva: Máj 10, 2017
Sziasztok!Tervezek kettő erősítőt hídba kötni.Az előző hozzászólásban be van linkelve ic-s fázisfordító, ami jó lenne nekem , ha három-négyszeres erősítése lenne.Tudom utána kéne néznem de nem tudom hol keressem az olyan rajzot ami fázist is fordít meg erősít is.Előre is köszönöm!
Szia! Van egy bevált panelem, pont azt tudja amit leírtál. Ez kétcsatornás, de gondolom elvenni nem kunszt belőle. A dual műveleti erősítő egyik fele végezheti a jelerősítést, a másik pedig fázist fordít. Bővebben: Link
Nem ártana azonos szintű jelet adni a két bemenetre, ha a fázisfordítósat erősíted, akkor a másikat is kell. Célszerű lenne egy sztereó 4-szeres előerősítő, majd a fázisfordító.
Tudja valaki hogyan tudok egy Grundig city line cl-v6 erősítőt hidba kötni?
Egyszerűen sehogy!
Átalakítást igényel.
Esetleg valami rajzot tudnál küldeni?
Rajz erről nem igen létezik ,miért is létezne.
Elsődlegesen azt kellene megnézni mit takar a.doboz mi van bent ? Az erősitő felépitményéből estleg ki lehetne indulni ,hidalni ,kicsit összetettebb faladat . Kérdés meg érné e az a pár decibel a rengeteg kinlódást?
Minden nem hidalt erősítő pár hídba köthető, csak:
- az egyik oldal bemenetén a fázist fordítani kell - a hangszórót a két végfok közé kell kötni - a hangszóró impedancia dupla kell legyen (ha eddig 4ohm-ra volt, akkor 8ohm-os kell) Szobai erősítők nem szoktak hidalhatóak lenni. A hidalás nem egy csodaszer.
Nem küldök rajzot!
Ez 1 sztereo erő, buknád az egyik csatornát a hidalás miatt, tehát csak mono erő lenne. Meg ahogy a kollégák említik a helyzet koránt sem egyszerű... Szétgányolni a készüléket meg végképp nem kell, így még ér valamit, ha kevés eladod!
Csak azért gondoltam mivel 4 tranzisztoros
4 kimenettel akkor lehet sztereóra hidalni. És egy kérdés még:Ha megnézitek jól van a bemeneteknél egy hidalás gyárilag input átvan hidalva az outputtal ami kiszedhető az miért van ott?
A 4 tranzisztoros részt nem értem... jóval több tranzisztor van a végfokjában.
Technikailag lehetne hidalni, csak nem érdemes. Miért akarod ezt? Az az átkötés egy külső előerősítő fokozat közbeiktatására ad lehetőséget, persze ha így vesszük, itt lehetne fázisfordítást is csinálni a hidaláshoz. De minek? A 4 kimenet valójában 2, csak válthatsz az A és B hangsugárzó között, nem kell dugdosni. A hozzászólás módosítva: Feb 7, 2020
Még véletlen sem 4 csatornás, az csak egy kapcsoló amivel hangfalat választhatsz!
Átkötésre pedig általában külön egységként kapható soksávos EQ köthető.
Nincs meg véletlenül a használati utasítás? Érdemes lenne átnézni...
Ha nagyon kell, fenn van az interneten a SM-ja. De csak óvatosan, nagy a lendület, kevés a fék...
Szisztok!
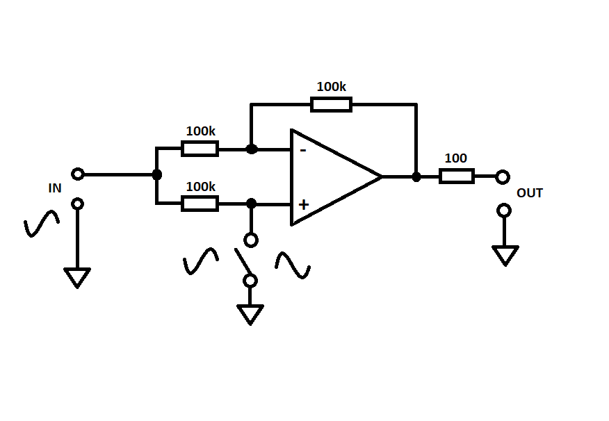
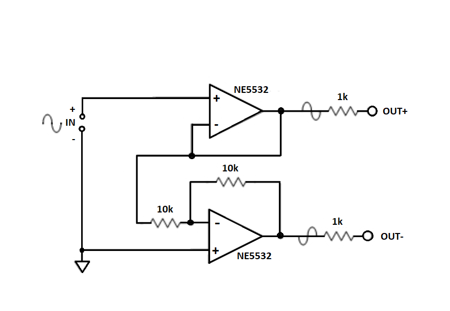
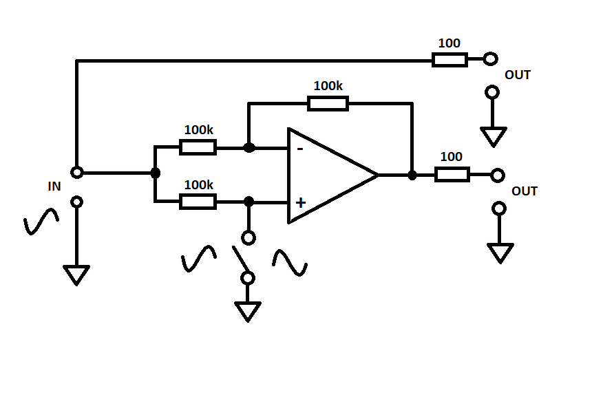
Érdekelne, hogy az alábbi kapcsolások közül melyik az, amit édemes megépíteni? Van olyan amelyik valamiért kifogásolható?
Gondolom hidalt erősitőt épitenél. Akkor az utolsó eleve kiesett, mert a kelleténél egyel kevesebb kimenete van...
Kérdés ugye, hogy a kimenetre mi csatlakozik, mert akkor kellhet kondenzátor, tápellátás sem mindegy (kezdve onnan, hogy egy, vagy kettő), mert be és kikapcsoláskor durranhat nagyot. Jó, a bemeneti oldalon sem mindegy, hogy mi van.
Szia! Ha válaszolnál ezen hozzászólás első bekezdésére, könnyebb volna tanácsot adnunk.
Elnézést, az utsó így nézne ki természetesen.
|
Bejelentkezés
Hirdetés |











