Fórum témák
» Több friss téma |
Jó döntés! Jelen esetben a csepegtető részen talán hatékonyabb is a vezetékes víz.
Ha füvesítek előtte kell gyomírtani? Lecserélem a ház vezetékeit + földelést csináltatom még meg lehetséges úgy hogy ne véssék szét a falat csak kössék le a régi vezetékeket és kábel csatornát használjanak vésés helyett?A csap elbírná még a szórófejeket?
A hozzászólás módosítva: Ápr 21, 2015
Nem azért írtam, hogy így old meg, evvel kicsit túl komplikálod a dolgot,... szerintem. De ha az UPS akuját nap elem tölti akkor rendben is van a dolog. Megéri ez? UPS ami elbírja a pumpát, elég nagy akku is kell, napelem.
Mindegy te tudod.
Szerintem is, hálózatra kötömrá csak nem tudom hogy elbírja és mikk kellenek hozzá?
Ha füvesítek előtte kell gyomírtani? Lecserélem a ház vezetékeit + földelést csináltatom még meg lehetséges úgy hogy ne véssék szét a falat csak kössék le a régi vezetékeket és kábel csatornát használjanak vésés helyett
A csepegtető rendszerhez mitt kell vennem?
Megoldható hogy a csepegtetőcső mellé tenni még 1-2-3 szórófejet?
Mellé, biztos nem. Két külön körnek kellene legyen a csepegtetés, és a szórófejezés. Egyidejúleg akkor tud csak működni, ha a vízforrás eléggé terhelhető.
Akartam még mondani, hogy megérné "víztoronyban" gondolkodni, valamilyen magssabb helyen, az öntözendő terület felett kb. 4-5 m re egy lehetőleg jó nagy tartály, (esetleg több hordóból) amit a kútvízzel töltögetsz. Ezt lehet vezérelni akár egy WC tartály szeleppel, kis beavatkozással. Amúgy sem szeretik a növények a hideg vizet, nem árt ha áll egy kicsit. A szórófejekhez sem ártana egy puffertartály, de a nagy vízfogyasztás miatt igen nagy tartály kéne. De az öntözendő terület nagyságának ismerete nélkül, nehéz használható tanácsokat adni.
Az a baj hogy teljesen nincs lemérve a terület csak pár része, akkor csak hálózatra csepegtetőt kössek és majd kútra kötöm a szórófejeket. Fordítva nem lenne jobb hogy a szórófejeket hálózatra és a csepegtetőt kútra?
A csepegtető rendszerhez mitt kell vennem? 50M
A konyhai csapra kötném rá
Szia nedudgi, tudsz segíteni hogy csepegtető cső vagy szalag? A konyhai csapról működne a csepegetés? Mien csövet vegyek hozzá?
Bővebben: Link találtam itt leírást azt írja hogy ne haladjuk meg a 0,8 bart ha hálózatról megy nem fogja meghaladni vagy nlétezik valamilyen csökkentő
Létezik külön nyomáscsökkentő. Ahol megveszed a csövet, szalagot, ott tudnak hozzá adni megfelelő kiegészítőket is.
Cső, vagy szalag? Kinek a papné, kinek a lánya. A szalagot, ha nincs rögzítve, üzemen kívül elfújhatja a szél.
Szalagot veszek, nyomáscsökkentőt (azt hogy kell telepíteni) arra a konyhai csapra kötöm majd megmérem a vízhozamot és rákötöm a szórófejeket is és külön inditom el a csepegtetés majd később a szórófejeket 4-5 szórófej van milyen kpe csőt vegyek
Helló
Öntözőrendszer tervezését tervezem, egy ESP8266 wifi modul irányítaná az egészet amit webes felületről tudnék felügyelni. Energiaforrásnak egy napelem + Lipoly akksit tervezek beszerezni valami ilyesmit. A kérdésem az lenne, hogy ismer-e valaki olyan olyan szelepet, vízcsapot amit elektromosan tudnék vezérelni (pl. 12V-ról, 1/2" vagy 1/4" méretben) és csak a kinyitáshoz és elzáráshoz lenne szüksége elektromos áramra. Mert amiket eddig találtam az mind olyan volt, hogy egy elektrogmágnes behúzott egy szelepet és amíg áram alatt volt a szerkezet addig ki volt nyitva a csap (vagy épp fordítva, akkor zárt el). Így nem kéne túlságosan törődnöm az akkumulátor méretezésével és a borús napokkal (bár akkor úgyse kell annyit öntözni ). Reméllem létezik ilyen szelep amit akarok, talán valami szervóval vagy hasonló dologgal megoldva, legjobb lenne az ebayről. Köszi! A hozzászólás módosítva: Jún 24, 2015
A Hunter PGV szelep létezik DC9V tekerccsel. Ennek csak állapotváltáskor van szüksége áramra.
Átgondoltad az az 1/4", 1/2" szelepet? Egy sziklakerthez elég lehet, de másra nem igen. Mekkora területet szeretnél öntözni, mekkora nyomással? A hozzászólás módosítva: Jún 24, 2015
Motoros szelep néven keress. Ezeknél csak a mozgatáshoz kell áram.
Hello!
Olyan kérdéssel fordulok hozzátok, hogy szeretnék csinálni egy virág öntözőt vagyis már megvan, szépen öntözi is csak egy a bibi ,hogy kapcsolós, és én szeretném úgy megcsinálni hogy valami távirányítóval lehessen bekapcsolni nézegettem interneten nem igazán van csak 1et találtam, ha lehet akkor úgy kéne működnie hogy egyik oldalon 12V-be és ha jelet kap akkor tovább engedje. ez lenne az De esetleg valaki nem tud egy egyszerűbbet , azért mert hát nyomtatott áramkört nem igazán tudok kreálni, és ha manuálisan meglehetne oldani az jobb lenne. hát maga a motor vagyis egy VW Golf ablakmosó szivattyú nem tudom kb olyan 6-8Ampert vehet fel. Köszönöm előre is a segítséget és az építő jellegű kritikákat is! A hozzászólás módosítva: Aug 26, 2015
Üdv!
Rajzot hirtelen nem tudok, de pár évvel ezelőtt riasztósoknál( Pl. ez) találkoztam több csatornás távvezérlő szettel, 12V relé rá, csak össze kell kábelezni. (De lehet a relé benne van.) A hozzászólás módosítva: Aug 27, 2015
Sziasztok!
Milyen tapasztalataitok vannak az egyszerű talajnedvességmérőkkel kapcsolatban? Palántákhoz szeretnék majd egy kis vezérlést, de ott a palántadőlés elkerülése miatt ráadásul csak alulról célszerű öntözni és ennek a vezérlését szeretném a talajnedv.mérő alapján megoldani. Ráadásul itt az erősen növő növényeknek egyre nagyobb a vízigénye, ezért is lenne jobb a szenzoros vezérlés pl. az időalapú helyett.
Hello! Nekem ugyan semmilyen tapasztalatom nincs, de egyáltalán Pld. ezek közül, melyik "egyszerű"-re gondoltál? Mert én nem igazán ismerek olyan módszert, mai házilag egyszerűen kivitelezhető lenne és az egy megbízható dolog lenne..
Első körben evvel próbálkoznék egy pices-vagy avr-es ellenállás (vagy vezető képesség) mérésen alapuló vezérléssel
A hozzászólás módosítva: Jan 9, 2016
Én az ilyesmi villás kivitelű érzékelőkre gondoltam.
Lehet, hogy nem akartam eléggé, de nekem nem sikerült megbízhatót csinálnom. Bővebben: Link
Értem, köszönöm! Végülis erre voltam kíváncsi, hogy ez használható-e.
Mi lenne, ha a földbe inkább szivacsot raknál. Ha a szivacs kiszáradt, akkor kell öntözni. A gyári érzékelők is így működnek. Ha esik az eső, nedves lesz a szivacs. Tiltja az egész időzítőt, addíg még a szivacs ki nem száradt - esetedben az alattuk lévő tálcára.
A hozzászólás módosítva: Jan 10, 2016
Szervusztok! Egy 220 Voltos Szoleoniddal és órakapcsolóval oldottam meg a locsolást. Minden rendben működik de létezik 220 Voltos esőérzékelő mert ugye ha nem vagyunk ottho esőben is locsol.Köszi a választ János.
Én úgy olvasom ki a sorok közül,hogy létezik-e 230Vos esőérzékelő?.Ezzel egy a baj,vagyis kettő. Kint van,és vizes lesz.Inkább csinálnék neki egy 12V-os ágat,ami adddig aktív,míg az időkapcsoló engedi,így a fogyasztás sem nő meg,egy kistrafó(mibiltöltő),és egy kis relé.
A hozzászólás vége már pimpkokának szól. Üdv!István
Sziasztok!
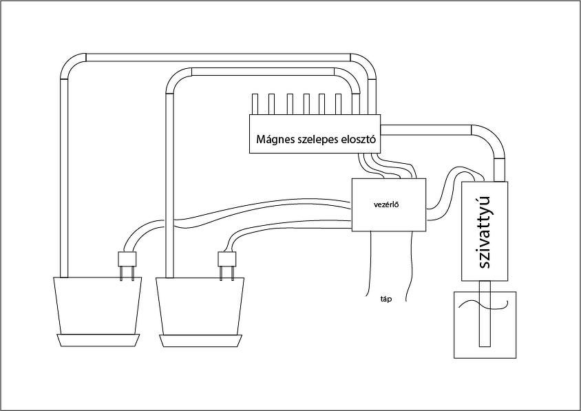
Szeretnék építeni szintén egy automata öntöző rendszert. A helyzet az, hogy nem csaptelepről menne az öntözés hanem egy esővíz gyűjtőből amibe telepítettem egy 12V os szivattyút. Az az elképzelés, mivel több növényről van szó eltérő víz igénnyel (hogy érdekesebb legyen) hogy a szivattyú nem közvetlenül lenne bekötve a növényekhez, hanem egy egyedileg épített mágnes szelepes víz elosztóba. Ha a növényekhez telepített szenzor úgy érzékeli, hogy az adott növényhez beállított nedvesség a meghatározott érték alá csökken kinyitja a szelepet és bekapcsolja a szivattyút. Készítettem egy ábrát a történethez, hogy érthető is legyen amit leírtam. Sajnos a PIC ekhez és programozásukhoz nem igazán értek szóval ezeket hanyagolnám. Ami kellene: - Kapcsolás a szenzorhoz amin van egy pot méter az értékek beállításához. - Egy relés kapcsolás a motorhoz. - Meg egy olyan valami ami a szelep kinyitásával bekapcsolja a motort. VAGY EGY EGYSZERŰBB BEJÁRATOTT KAPCSOLÁS A PROBLÉMÁHOZ.
Sziasztok! Volt egy kesz ontozom, aminek a szivattyujahoz egy szilardtest relet hasznaltam. Ez most megadta magat, es megdobbenve nezem higy egy szivattyu indito rele 30.000 ft. Nem ertem, mi kerul ebben ilyen sokba? Nincs valami egyszerubb, olcsobb megoldas? Eddig egy kinai szilardtest remet hasznaltam, a vezerlobol jovo 24v valtoaramot egyeniranyitottam es feszultsegosztoval engedtem a relere. De hogy egy 24v valtoaromos rele 30k legyen.. ez rablas. Vagy en nem tudok valamit ami miatt ennyibe kerul?
|
Bejelentkezés
Hirdetés |




). Reméllem létezik ilyen szelep amit akarok, talán valami szervóval vagy hasonló dologgal megoldva, legjobb lenne az ebayről. Köszi! 

