Fórum témák
» Több friss téma |
A mosás-fugálás nagyon szépen lement, majd utána aztán még egy. És kivételesen egyszer sem verte le a biztit.
Szó ami szó - mindez számomra bizony nagyon érdekes .... akkor a 20 amperes villanyórát tegnap mi verte le?
Na persze!
Aztán utána állandóan anyázzon a fél falu, ha megy a mosógép, és véle valaki a TV adásokat vagy éppen a rádióját, mobiltelóját percegteti ... A zavarszűrő kondi nem igazán nehezéknek van benne! Inkább kicserélném ...
Arra hondoltam hogy cserélje ki de ha simán csak nincs benne az sem gond ugyanis ebben a gépben aszinkron motor van az meg nem nagyon befolyáso.Ha kefés mocija lenne akkor persze kell.
Mindez igaz lehet. Valóban nincs olyasmi a motorban, ami szikrázzon, így zavarszűrésre okot adjon! De ha már egyszer gyárilag beletették, gondolom - az nem azért történt, hogy ebből a konditipusból elfogyjon a raktárkészletük?
Minden esetre kicserélem ... És én már egy nagymotort is készenlétbe helyeztem, mert hátha az volt okozója annak, hogy simán letolta a biztit. (elég egy kis menetzárlat ...) Meg talán még átnézem (a palástot levéve) - nem jött-e le valahol az egyik csatlakozó saru, amin kivételesen épp fázis van, s a fugálás-kori rázkódáskor persze egyből hozzáért a külső fémházhoz! Azért egy 20 A-es automata biztosítékot a legnagyobb jóindulattal - és még a teljes üzemében - sem szabadna levernie! (Ha jól tudom - max. 10 A az áramfelvétele, de szerintem annál inkább kissé kevesebb) Mindenesetre mérni fogok rá teljesítmény és áramfelvételt egyik teljes programja keretében. A hozzászólás módosítva: Júl 11, 2017
Hogyha valami testzárlat/rövidzárlat van teljesen mindegy hogy egy 20 vagy egy 32 amperos bizti van fent.Multkor javítottam itthon egy siemens mosógépet semmi elektronika nem volt benne egy közel 25 éves gép volt.Aztán hirtelen nem volt villany.Lenyomta a 16 os biztit meg az előtte lévő 32A est! Egy sima ajtózár hiba volt.
"ha valami testzárlat/rövidzárlat van teljesen mindegy hogy egy 20 vagy egy 32 amperos bizti van"
Bizony ezt már nagyon tudom. Jó néhányszor már lenyomtam itthon elektromos automatát, és párszor azért engem is jól megcsapott. De mindezektől én már annyira áram-álló vagyok. .... A multkoriban is - bekötöttem egy nagyméretű higanygőz-lámpás foglalatot, de amikor blankoltam a vezetéket - annak annyira "érdekes" volt a fogása. Oszt amikor utána ki akarom próbálni a cuccot, akkor veszem ám észre, hogy jééé - hát éppenséggel be volt kapcsolva .... Hoppá!
Szeretnék segítséget kérni van egy Indesit mosógépem IWD 71482 motrom kiszeretném próbálni hogy működik -e ,melyik csatlakozóra kössem az 5 közül a nullát és melyikre a fázist és melyikre a földelést ? az 1-es képen? 2-es képen melyik vezeték mi ? van 2db vékony piros vezeték az megy a motor végéhez , vastagabb van 1 piros 1 fehér 1 szürke ezek meg mennek a motor tekercséhez .
Vannak számok is a csatlakozón :3szürke 4fehér 5piros 6 vékony piros 7 vékony piros .Gondolom a földelés PE a csatlakozó mellet ami van bal oldalt 1-es képen .Előre is köszönöm a segítséget ! válasz légyszí a : lackopetra@t-online.hu -ra !!!!
Ezzel csak az a gond hogy egy 3 fázisú motor!Ezt csak frekiváltóval tudod meghajtani!
Máig nem tudom, mi csapta le akkor a 20 amperes biztosítékot.
Az asszony most 2 napig - egy csomó mosást lezavart a gépen, és persze minden rendben zajlott. Én meg már hűű de készültem - lesz kondicsere, komplett főmotorcsere, áramfelvétel mérés, stb. Oszt egyből elmaradt, mert MINEK?
Egy ellenőrzött tesztre bekötheted sima segédfázisos motorként is ( villanymotor bekötése topik, képek keresése ), a piros-fehér-szürke kábelekkel.
A két piros egymás mellett pedig a tacho. Esetleg sorbakötsz vele egy nagyobb hősugárzót "előtétként" is addig az ideig, utána ráérsz gondolkozni, mire lenne jó.
Ki tudja melyik a fázis /L/ és melyik a nulla /N/ a mosógép motoron kettő piros van ami a motor végébe megy és három ami a tekercsekhez megy piros ,fehér ,szürke ! Köszi ide küldjetek választ : lackopetra@t-online.hu
ez egy fázisú az biztos. én vettem ki a mosógépből, és úgy tudom a mosógép motorba nincs három fázisú!
A mondataidat kérlek kezd a megfelelő módon nagybetűvel. Köszönöm! A hozzászólás módosítva: Aug 20, 2017
Hello! Biztosan rosszul tudod! Az, hogy a mosógépet nem kell bedugni a 3 fázisú 400V-os "konnektorba, nem jelenti azt, hogy nem lehet benne ún. inverteres 3 fázisú motor.
A Three phase tudod mit jelent magyarul, vagy leírjuk? A mosógépvezérlőn (ha megvan), van egy nagyobbacska hűtőborda, az alatta lapuló IC típusának nézz utána... A két vékony vezeték pedig a motor végén elhelyezett "tachogenerátor" tekercsének a kivezetései. Ezeken a motor fordulatszámával arányos feszültség generálódik. A motor tápfeszültsége akár alacsonyabb is lehet, mint 230V... Bővebben: Link A hozzászólás módosítva: Aug 20, 2017
A motorod ilyen:
típus szerint..
Szerintem meg mindegyikük 3 fázisú motor, de egy 16 µF-os segédfázis kondenzátorral már 220V-ra van kötve. A fordulatszám szabályozós hajtás viszont elég spéci triac vezérléssel, de mindenképpen az.
Azért is van a motornak annyi kivezetése - legalább 4! A három fázis - és a nulla! Hogy aztán a 220V-nál az egyik fázist kondenzátoros "eltolással" kapja meg, az általában a teljesítménye (és ereje) rovására történik csupán meg. A hozzászólás módosítva: Aug 20, 2017
Bocsi de ezt nem értem hogy tudom bekötni hogy kipróbáljam? Köszi
Nézz körül itt a képekben:
Villanymotor bekötése Már 2x megírtam. segédfázisos bekötések. A hozzászólás módosítva: Aug 21, 2017
Úgy látom mindenféle szedett-vedett hozzászólásokra reagálsz, de a valós tényekre nem figyelsz.
Hasztalan írtam le, hogy ez egy 3 fázisú inverter által meghajtott motor, 3 kivezetéssel + tacho (2 pin)...!!! Olvasgass egy kicsit: Bővebben: Link A hozzászólás módosítva: Aug 21, 2017
Szerintem ez a hozzászólásom sem "szedett-vedett" és konkrétan a kipróbálásra tettem javaslatot.
Javaslat Kikérem magamnak a másik 2 válaszoló nevében is. Légy oly szíves és tartózkodjál az ilyen beírásoktól...
Ahogyan előttem már leírták az hogy a gép nem 3 fázisú az nem jelenti azt hogy a motorja nem lehet az. Írtak előttem már javaslatokat a kipróbálásra.én a frekiváltót javaslom,bár a hsz-odból kiindulva inkább ne játszadozz vele...
Ezt fájó volt elolvasni....nee
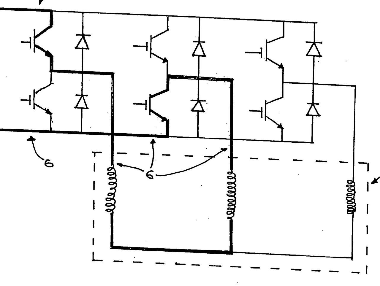
Ez egy 3 fázisú aszinkron motor 2 vékony piros a tacho a maradék 3 pedig a 3 fázis, csillagpont pedig a mociba megkötve.....
Ha a csillagpont tényleg a "mociba megkötve" van, akkor gyakorlatban a motortesten is rajta van? Másként hogyan lehetne pl. 3 fázisú hálózatra tenni.
Oda 4 szál huzal kell - a nulla vezeték és mellé a 3 fázis. A tachométer 2 szálát most ne vegyük figyelembe, az más tészta ....
A motortesten szerintem nincs rajta de tuti hogy a mociba van megkötve.De ha nem hiszed el előkaparhatom valamelyik inverteres gép rajzát.
Mosógépmotorban nem vagyok otthon, de a normál háromfázisú motoroknak nem kell nulla. (ha deltába kötöd, hova tennéd?) Nincs is a négypólusú csatlakozón hely neki. a védőföldet és a 3 fázist kötöd be. (pl. körfúrész, betonkeverő) 5 pólusú csatlakozót olyan masináknál használnak, ahol a motoron kívül valami 220-as cucc is van a gépben. (vezérlés, világítás, stb.)
Szia! Ne sértődj meg, de szerintem keress egy szakembert, aki érti, amit a többiek a tanácsaikban írtak! Ne kísérletezz, ekkora feszültséggel már nem érdemes "játszani", csak akkor, ha tudod, mit miért csinálsz. A kérdéseid alapján azt hiszem, Neked nem kellene!
Szia! Ellenőrizd az általad "tanultakat"! A három fázis éppen azért három fázis, mert nem köthető hozzá a nulla! 400V-os bekötés esetén bármelyik tekercsvéget nézed, egy-egy fázis van rákötve! Szerintem, ami Téged megtéveszt, az az, hogy van olyan három fázisú dugalj és dugvilla, amiben egy nulla és egy földelés is van.
Akkor ezek szerint én figyeltem annó az órán....
Üdvözlök mindenkit!
Van egy mosógép motorom. Ha jól tudom energomat mosógépből. Nincs meg a csatlakozója de a vezetékek fel vannak címkézve még gyárilag úgy nézem. A lassú mosó fokozatra szeretném bekötni de nem működik. 6 kivezetése van a motornak. W1-re ment a fázis V1-re a nulla vagy fordítva és U1-re kötöttem kondenzátor eggyik felét másikat próbáltam a W1 és a V2-re de nem megy, csak búg. Mind fekete vezeték egyedül az U2 kék. Mi lehet a hiba mit kötök rosszul? Előre is köszönöm a segítséget! |
Bejelentkezés
Hirdetés |















