Fórum témák
» Több friss téma |
Ha szkóp-képet teszel fel, legyen látható a kezelőszervek beállítása, vagy add meg a beállításokat!
Azt kéne kideríteni, hogy a A8TI trafó 5-ös lábán a földhöz képest hány volt van. Ebből már meg lehet állapítani, hogy hány fokozatú sokszorozó kellhet ahhoz, hogy a 10,8kV-ot előállítja. Nagyfeszültségű mérőszondával le elehetne mérni, de ennek hiányában lutri, mert kb. 2,5-3kV lehet ott. Már csak abból kiindulva, hogy a 6-os lában van nagyjából 1,2-1,5kV.
Sejtettem hogy elég nagy fesz lehet ott, ezért nem is méricskéltem. Sajna nincsen nagyfeszültségű méréshez szondám!
A multit meg nem kockáztatom...Majd megpróbálok szerezni egy szondát és írok. Köszi a válaszokat!
Ha szondát veszel, figyelj oda, hogy a multiméteredhez passzoljon! Máskülönben fals eredményeket fog mutatni. Itt elsősorban a mérőműszered belső ellenállása számít az adott méréshatárban.
U.i.: A szkóp gépkönyvében nem szerepel ez az adat? Esetleg valahol máshol? A hozzászólás módosítva: Szept 9, 2017
Annyira nem volt időm belemélyedni, de átnézem majd ha lesz egy kis időm!
Szia !
Az általad mellékelt rajzon " X 3 " jelzés van a sokszorozón ! Háromszorozót kell építened, 3 db TV 18 as diódát és 3 db 2,2 nF 10 KV kondit használj !
Hogy erre nem gondoltam!
Köszi!
Örülök, hogy segíthettem! Ha elakadsz az alkatrés beszerzésben, akkor szívesen segítek ! Vannak ilyen alkatrészeim 3 diódát és három kondit adok neked ingyen !
Íme a rajz !
Utánépítésnél ügyelj a légrésekre, megfelelő távolságok betartására alkatrészeknél. Fizikailag is olyasmi legyen az alkatrészek elhelyezkedése, mint a rajzon (Zsolt 73 rajza). Én légszereléssel csinálnám.
Monokróm monitor sorvégtrafója gyengébben meghajtva leadja neked azt a 10,8 kV-ot. Benne van műgyantába öntve a szükséges feszültségsokszorozó. Ha nem jutsz hozzá ilyen muzeális ereklyéhez, jó a színes monitoroké is, még "gyengébben" meghajtva.
Ha közel laksz, adok egy hátizsákkal.
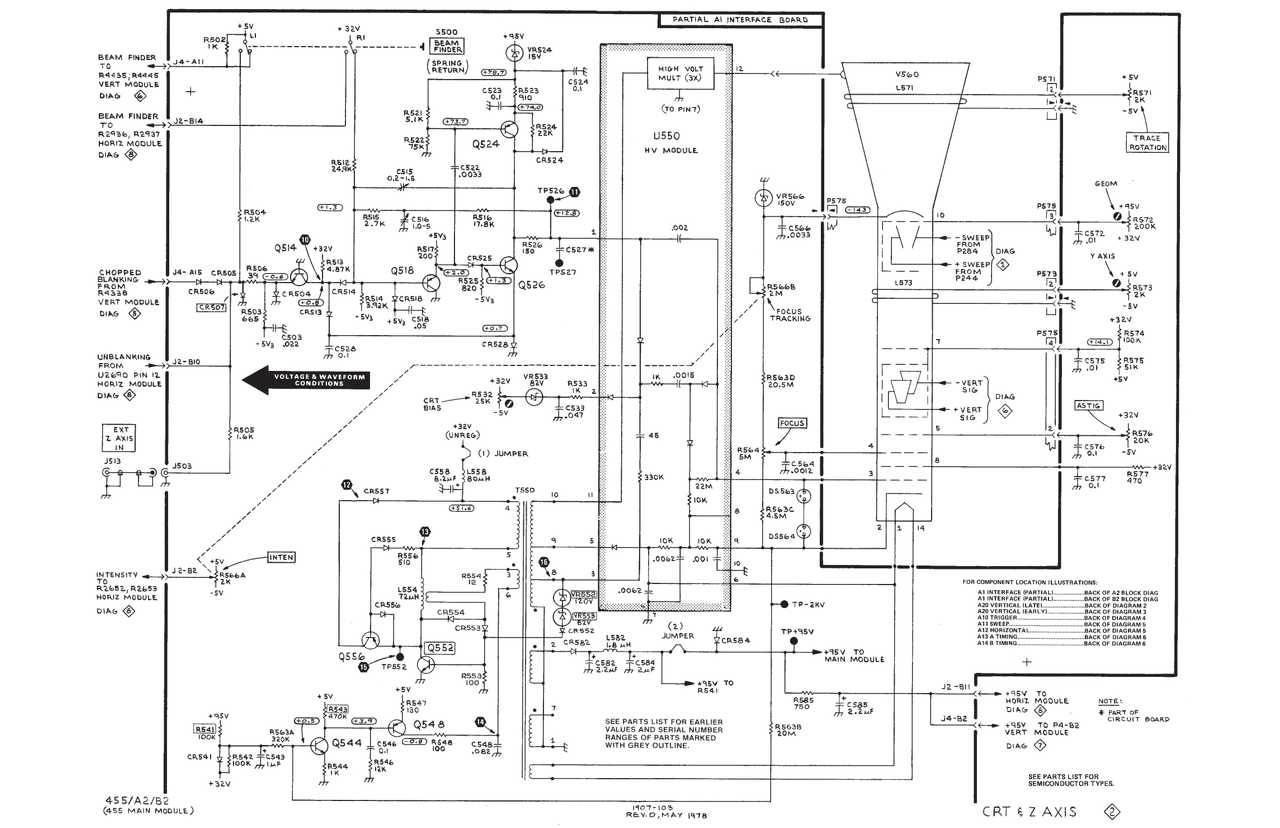
Sziasztok.Kerem aki tud segitsen a kovetkezo problemaban.A kapcsolasi rajzon a Q556-os tranzisztor zarlatos lett (E-C).Miutan csereltem, nagyon forrosodik 3-4 perc utan.Egy Tektronix 455-os szkoprol van szo.Koszonom.
Eredeti amelyik zarlatos lett D43C8.Helyetesitve D45H11-el
A CRT-nek van fénye ?
Van.Megvan minden feszultseg.Hogyha hagyom hogy menjen ,5-6 perc mulva ujbol elfustol.
Ha lekötöd a sokszorozót akkor megszűnik a melegedés ?
Lekottem es ugyis melegszik.
Zarlatos lehet a trafo 4-5-os tekercse?
A trafó környezetében lévő diódákat, kondikat mérted ?
Igen.A tekercseken kivul.
A hozzászólás módosítva: Szept 11, 2017
Q548 , Q552 ?
A kapcsolóüzemű fokozat nem kap nagyobb tápfeszt a kelleténél ?
Jo mind a ketto.
Sziasztok!
Most ismerkedem egy EMG RFT EO 213 szkóppal. Az lenne a kérdésem/problémám, hogy a kalibráló jelgenerátort megjelenítem akkor a két csatornán eltérő jelet látok. Mindkét csatornán ugyanazok a beállítások vannak használva. A finom beállítók jobbra teljesen kitérítve ahogy a gépkönyv írja. Az amplitúdót be tudtam állítani a CAL potikkal. Ami a gondom, hogy a két jel időben nem egyforma. Az A csatornán több kis osztásból áll a jel mint a B csatornán. Lehet ezen állítani valahogy? Mellékelek képet is.
tapfesz jo.
Ha zarlatos a trafo tekercse(4-5) Akkor tehettem a szkopot a szekrenybe.Mas trafot nincs honnet szerezzek,vegyek.A tekercset nincs mivel ellenorizni.
Nincs több ötletem.
Koszonom hogy megprobaltal segiteni.
|
Bejelentkezés
Hirdetés |




A multit meg nem kockáztatom...




