Fórum témák
» Több friss téma |
Én kérek elnézést mester, hogy mertem kérdezi!!
Szerintem kezd egy PNP tranzisztorral. Utána meg egy tranzisztor/fet 12V-os szalaghoz.
Bár ahogy elnézem talán a 3. rajzod ilyen, csak kifordítva. A hozzászólás módosítva: Nov 7, 2016
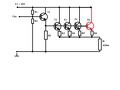
Sziasztok!
Megépítettem a rajzon látható kapcsolást, nem bonyolult, de okosságokat lehet vele művelni. Én ezt a kapcsolást úgy nevezem, hogy jelfordító, de a neten sehol nem találtam ilyet, ezért felmerült bennem a kérdés hogy nem károsítom ezzel az áramkört, tranzisztort vagy akármit? Lényege hogy ha lenyomom a kapcsolót(pontosabban a nyomógombot) nem nyitom, ha elengedem zárom az áramkört. Egy NPN tranzisztornak a bázisára negatív feszültséget viszek, így lezár.
Az az 1k-s ellenállás tul kicsi. Amugy ilyet nem a neten kellene keresgélni hanem néhány percre elmerülni a tranzisztor elméletben. ( mi és hogyan müködik).
A tranzisztorról már majdnem könyvet tudnák írni
, csak az nem tudtam, hogy nem jelent-e problémát ha az NPN középső rétege is negatív lesz. Miért kicsi az 1k, úgyis negatív bázis kap arról.? Vagy a rövidzár miatt gondoltad? Az 1k-s ellenállást maximum 2k-ig tudom feltornázni, onnan már nem zár le teljesen a tranzisztor. (Bár lehet hogy a 43k-val is kellene játszanom...).
Talán szebb lenne, ha a rajzodon felcserélnéd a kollektort és az emittert, hogy mégis az npn tranyó táphelyesen lenne bekötve - aztán ha zárod a nyomógombot, az Ube fesz az osztás miatt olyan kicsi lesz, hogy lezár a tranyó.
Hupsz, tényleg, a könyvírásos dolgot vissza is vonom. De működik az áramkör, csak rosszul rajzoltam be.
Hurrá... akkor ezentúl nem kell kétféle tranyó. Azért én maradok a véleményemnél...
![]() Próbáld ki cseppet nagyobb terhelésekkel, nagyobb tranyókkal is, mit fogsz tapasztalni. A hozzászólás módosítva: Máj 10, 2017
Idézet: „A tranzisztorról már majdnem könyvet tudnák írni” Háppersze ![]() Inkább olvasgass, mert ahogy látom, az alapok sem mennek ![]() Gyakorlatilag egy primkó rajz sem sikerült.... Ezt nézd át:NPN tranzisztor alapok
Bármilyen fájdalmas dolog is, egy kezdőnek ez pont semmit nem mond a tranzisztorról (szerintem).
Mi is tanultuk a suliban, de az első gőzőlgő tranzisztor többet mond, persze utána már az elméletet is jobban értettem. Csatlakozom fercihez, nem árt az elmélet mellé egy kis kísérletezgetés. Ha kapcsolónak akarja használni, erősen ajánlott különféle terheléseken különféle tranzisztorokkal, különféle ellenállásokkal megépíteni azt az egyszerű kapcsolást, és értelmet nyer a béta, maximális terhelhetőség, maximális kapcsolható áram, maradékfeszültség, mekkora hűtés kell....Sokkal beszédesebb, maradandóbb élmény egy égető tranzisztor, mint a szimulátor által kiszámolt 2W.
Serintem kell az elmélet és a füstölgő tranzisztor is, nem elég kísérletezgetni mert az illető nem tudja, hogy mi miért történik. Nem mondom, én is tettem már tönkre tranzisztort (is), de elmélet nélkül azért többe került volna a dolog. Elve nem is a tranzisztorral kellene kezdeni, hanem a félvezetőknél, szennyezéseknél, P-N átmeneteknél stb.
A hozzászólás módosítva: Máj 10, 2017
Én a helyedben legalább 5 évre elhalasztanám a könyvirást. Eddig nyugodtan kisérletezgess, s ha marad idöd akkor olvass - de ne a neten, mert ott könnyen átvernek...
A tranzisztorok tudnak ám működni un. inverz aktív tartományban is, csak az áramerősítési tényezőjük lesz kicsi. Újabb fejezet lehet abban a könyvben.
Reverse active mode A hozzászólás módosítva: Máj 11, 2017
Ez így igaz, ahogy írtad. Csupán a topik címe "tranzisztor, mint kapcsoló" és nem az, hogy egy tranzisztort hányféleképpen lehet használni és milyen célokra... merthogy van pl. relaxációs oszci, zenerként is lehet használni bizonyos bekötésben.
A kapcsoló üzemmódban pedig maradjunk a normál tápfeszes beállításban. Egyébként a kérdező talán rosszul is rajzolta le a kísérletét ( C-E fordítva), mintha később azt írta volna be.. ( 20:18 ). Akkor pedig semmi gond.
Sziasztok!
Egy akku túltöltését és túlmerítését szeretném elkerülni a töltés és a terhelés lekapcsolásával. Mellékeltem egy rajzot, hogy képzelem el. A három FET-el ez így működhetne? Az AVR folyamatosan az akkun lenne alvó módban, így csak pár-tíz uA-t fogyasztana. A reset láb fel lesz húzva és lesz feszültségmérés is, de ez most nem lényeg.
Hello! Működhet, de a P-FET DS lábai fel van cserélve.
Sziasztok! Szükségem lenne egy kis segítségre. Hogyan és mi alapján kell illeszteni a meghajtó tranzisztort a teljesítmény tranzisztorhoz? A feszültség az persze tiszta ügy,hisz a tranzisztor bázis-emitter feszültségét megadják az adatlapjukon,de mekkora teljesítménnyel kell számolni ilyen esetben?Honnan lehet tudni hogy mennyi teljesítmény tranzisztorral terhelhető egy meghajtó?
(bipoláris tranzisztorokról van szó) A hozzászólás módosítva: Szept 19, 2017
A tranzisztorok legfőbb paramétere az erősítés. Ez azt mutatja meg, mekkora kollektoráramhoz mekkora bázisáram tartozik. Pl ha az erősítés 10 akkor 1A kollektoráramhoz 0,1 A bázisáram tartozik. Ez alapján ha a végső terhelésed 10A és a tranzisztornak 10 erősítése (h21, béta..néven szerepel a katalógusban -esetleg kollektoráram a bázisáram függvényében grafikon) akkor a bázisárama 1A ebből következik a meghajtó tranzisztornak a kollektoráramának 1A-nak kell lenni. Ehez a meghajtó tranzisztornak 10-es erősítése esetén 100mA bázisáram kell.
A teljesítmény tranzisztoroknál 10-es erősítéssel nem tévedsz sokat, kisebbeknél 30-100 ig erősítéssel számolhatsz.
Köszönöm szépen,ez érthető és kielégítő magyarázat volt! Tehát ha tízszeres az erősítés,akkor
az esetleges teljesítmény tranzisztor sokszorozása esetén is a rajtuk átfolyó maximális áramok összegét tízzel osztva megkapjuk a szükséges meghajtó kollektoráramot.Itt ugye pont tízszeres az erősítés ha nem tévedek: Link
Az utolsó hozzászólásom kicsit kacifántos lett,ezért szeretném egy picit leegyszerűsíteni. Tehát adott egy kapcsolás ami fix feszültségről üzemel,és egy fix ellenállású fogyasztót szabályoz.Ezek az értékek 60V és 4Ohm. Ebből adódóan a maximális áram ami folyhat az áramkörben az 15A,persze a veszteségek miatt nem lesz annyi.... A teljesítmény tranzisztorok erősítése tízszeres,ebből adódóan a meghajtó tranzisztor maximálisan elvárt kollektorárama 1.5A ha jól értem. A kérdésem az lenne,hogy ha növeljük a teljesítménytranzisztorok számát,de a feszültség és a terhelés változatlan,a meghajtó maximális árama nem fog változni? Ez mindig a legnagyobb kimeneti árammal arányos?
A meghajtó áramot nem kell változtatnod, mert az áramelosztás miatt még kedvezőbb is lesz a nagyjelű béta, pl. nem 10, hanem 12 vagy több is lehet.
Ebben a kapcsolásban viszont a 60 volt nem fog kijutni a fogyasztódra, arra figyelj. Legalább 3-4 voltot számolj rá a tápfeszre. Ha a meghajtó tranyó vezérlése megengedi, célszerűbb lenne pnp-s típussal kiváltani, úgy jóval kevesebb teljesítmény esne rajta. A hozzászólás módosítva: Szept 20, 2017
Idézet: „célszerűbb lenne pnp-s típussal kiváltani, úgy jóval kevesebb teljesítmény esne rajta.” Akkor a szabályozhatóság pwm kellene legyen, ami egy potinál azért bonyolultabb. A hozzászólás módosítva: Szept 20, 2017
Ha jól olvastam, itt kapcsolni kell a fogyasztót és nem szabályozni.
A különbség annyi, hogy ha pnp lenne a meghajtó, akkor gnd felé kéne lehúzni a bázisát megfelelő ellenálláson keresztül. A jelen kapcsolásban ugye minimum + tápfesz kell neki. Ha szabályozni kell, oda mindenképpen pwm kell viszont, ha egyáltalán arról lenne szó ( célszerű legalábbis ).. A hozzászólás módosítva: Szept 20, 2017
A tranzisztorok maximális értékeiből nem lehet megállapítani az erősítést?Ezt úgy értem hogy a teljesítmény tranzisztornál amit linkeltem a maximális Ib:1.5A és ehhez Ic:15A tartozik.A meghajtónál amit nézek pedig a maximális Ib:1A és ehhez Ic:2A tartozik,viszont a hfe adatai egészen mások (60min.). Bővebben: Link A fenti kapcsolást szabályozni kell,akár több fokozaton keresztül. A feladvány számomra az volt hogy ha növelem a teljesítmény tranzisztorok számát,az milyen hatással van a kapcsolásra.
A hozzászólás módosítva: Szept 20, 2017
Neked az a lényeg, hogy a kapcsolt terhelés árama alatta legyen bőven az ICmax-nak, ill. több végtranyónál elosztva.
Az Ibmax annyira érdekes neki(k), hogy teljesen leültesse a meghajtó Icmax áramának a 70-80 %-a. Az adatlapon megadott max értékekkel ne számolj soha. Nálad a végtranyó Ib max-ba kb. belefér a meghajtó Icmax árama, tehát nincs ebből gond. Visszafelé kell számolnod. A bétánál pedig a nagyjelűt vedd alapul, ami viszont méréssel állapítható meg, nem 100 % az adatlapé. Nézd majd át a szaturáció fogalmát, ahol meglátod azt is, mikor nyit ki teljesen egy tranyó, aminél már nem is szabad növelni tovább a bázisáramot, főleg, ha gyorsan akarsz kapcsolgatni ( könnyebb visszahozni nyitott állapotból zártba). A hozzászólás módosítva: Szept 20, 2017
Értem,viszont a teljesítmény tranzisztor adataiban is tévedtem akkor,annak az erősítése hfe:40-140.Viszont ez ha jól értem még kedvezőbben hathat a meghajtóra,hiszen még kisebbre osztja a bázisáramot ha nem tévedek. Bővebben: Link
Azt nem látom, honnan szedted a 40-140-et.. ez nem a meghajtódé?
( Amit ott láttál, az egy más munkapont és tól-ig..) De ott se a nagyjelű béta, az biztos. Nálad és most az az érdekes, hogy a 15 amperhez a bázisáram mekkora kell, hogy legyen. Ezt viszont méréssel tudod pontosan megállapítani: mikor lesz a max feszültség a terhelésen. Ezt a mérést pedig minél gyorsabban ( és hűtéssel ) kell kivitelezni, annál kevésbbé melegednek addig is. Amikor kb. eléred 56 voltot, az az irányadó. Ehhez kell egy 2R2... 3R3 a bázisuk és a 60 volt közé. Akkor mérd meg Ic-t, Ib-t és osztás. Utána jön majd a meghajtó. A hozzászólás módosítva: Szept 20, 2017
Itt van a tranzisztor hfe értéke,legalsó táblázat:
|
Bejelentkezés
Hirdetés |










