Fórum témák
» Több friss téma |
De az egyes láb nálad a másik szélén van, tehát a Te adatlapodon 3-as van ott, ahol nálam 1-es. De bal oldalon van minkét esetben a katód.
Hát jó, akkor bocsánat én voltam a balf..., hogy tükröztem.
Indokolatlan a minősítésed. Tükrözted, amit nem kellett volna, de ezzel együtt így is létrehoztad a teljes értékű működő áramkört. Ez az igazi eredmény, gratulálok hozzá!
Annyiban volt szerencséd, hogy éppen egy olyan tervet találtál, amiben egyedül a tirisztor volt irányérzékeny, az összes többi alkatrész átfordítható volt. Kevés olyan amatőr van, aki még nem nézett el semmit. Engem még eddig elkerült az ilyen jellegű hiba, de láttam már sok olyan panelt, amibe alulról volt beforrasztva az IC.
Ez így igaz! És köszönöm neked a paneltervet! Igazából elkerültem volna ha nem csak nekiestem volna forrasztani befelé az alkatrészeket, hanem lekövettem volna a rajz szerint az útvonalat, de az idő nagy úr na de majd legközelebb jobban odafigyelek. Még egy kérdésem lenne az 1200VA-es toroid trafó rákapcsolható gond nélkül ugye?
Erre csak tippelni tudok. A bekapcsolással nem lesz gond. A kikapcsolás viszont minden induktív fogyasztónál kényes kérdés az ívhúzás miatt. A kikapcsolási ívvel az a baj, hogy idő előtt elfogyasztja a relé érintkező pogácsáit.
Ehhez már nem értek, de azt tételezem fel, hogy a relé érintkezőivel párhuzamos NTC-k hatékonyan csillapítja ezt az ívet, tehát nem csak bekapcsoláskor hasznosak, hanem kikapcsoláskor is. Nekem több 630 VA-es trafónál is ilyen lágyindító van, és semmilyen bontási ívet nem lehet látni, pedig kimondottan figyeltem ezt. De ha már szóba hoztam, kérdezem az iskolázott fórumozókat: A rajz szerinti lágyindító esetében, jól gondolom hogy az NTC-k hatékonyak a kikapcsolási ívoltás szempontjából?
Kikapcsoláskor nem a relé áramkörét szakítod meg, hanem a főkapcsolóval kapcsolod ki. Annak az érintkezője fogy. A relé érintkezője már árammentes állapotban nyit.
Teljesen logikus, magam is felismerhettem volna ezt. Pontos magyarázat a megfigyelésem okára (nincs semmilyen szikra bontáskor).
És tenyleg.
Akkor nyugodt szívvel használom.
Sziasztok!
A segítségeteket szeretném kérni egy kapcsolás elkészítésében. Adott egy DC 24v motor 350w teljesítménnyel, én 12v DC (akkumlátor)ról szeretném használni de úgy hogy kellene elé egy lágyindítás ami 6-8 sec alatt éri el a 12v tápfeszültséget. Persze ezt még én bonyolítanám tovább, de azt már remélhetőleg megoldom. Tehát a lágyindítás volna a lényeg. ![]() Előre is köszönöm a sagítségetek.
Hello!
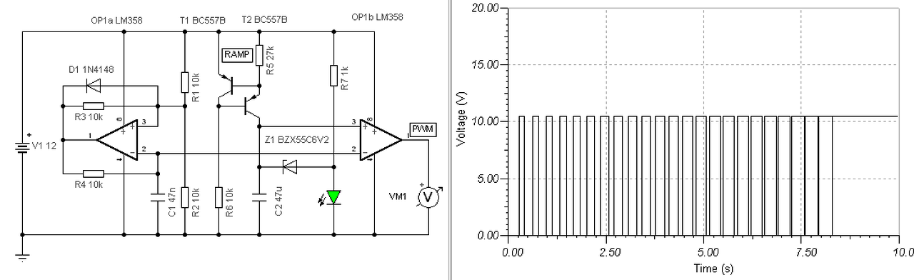
A megoldás a motor PWM vezérlése lehet. Ez az áramkör, persze csak a PWM előállítása. Még ki kell egészíteni egy bika Fet-el (esetleg a Fet meghajtó áramkörrel), és motorra védődiódával. Lehet a tápfeszt is stabilizálni kell. stb. De.. A PWM-hez az IC1a állítja elő a fűrészjelet. Ennek csúcsai kb. 0,6..8V-on lesznek. A RAMP vezérlőjelnek ezt a tartományt kell befutnia a 8 sec alatt. A megoldása, hogy egy tranzisztoros áramgenerátorral töltünk egy kondit. A RAMP és fűrészjelet hasonlítja össze az IC1b komparátor. Kimenetén megjelenik a PWM jel. A PWM frekvenciáját, a C1-e lehet megválasztani (ami a motornak legszimpatikusabb). A RAMP idejét az R5 változtathatja. HA a C2-őt rövidre zárod, akkor leáll a motor. Ha a rövidzárat bontod, akkor lassan felpörög. Lehet tovább bonyolítani.. (Az ábrán a PWM freki durván lassítva van, hogy láthat legyen a PWM és a két idő összemérhető legyen. A C1 helyett, 10µF lett ideiglenesen betéve.) A hozzászólás módosítva: Ápr 18, 2017
Hűha
![]() No, akkor leírom hogy mit is kellene ennek a motornak csinálni, mert már picit elvesztettem a fonalat ![]() Szóval, lágy felfutással el kellene indulnia a motornak(30s ig), eléri a maximális (beállított)sebességet, az időzítő elejt, természetesen még forog a motor, de már nem kap áramot és forgásirányt kell váltani és itt megint életbe lép a lágy felfutás,tehát a még forgó motorra én ellentétesen kapcsolnám rá a polaritást hogy fékezze le a motort, kb a mérések alapján 3,5V tól már elég jól fékezi a még forgásban lévő motort. Tehát tudnom kell állítani meddig forogjon egyik irányban (a másik irányba is annyit kell forogni) és tudnom kell állítani a motor fordulatszámát is. Az egészet úgy kellene összehozni hogy elindul egyik irányba utána másik irányba és megáll tehát nem egyszerű a történet kb 4 napja töröm a fejem hogy hogyan kellene ezt kivitelezni hogy ne keljen PIC et programozni.
"Persze ezt még én bonyolítanám tovább, de azt már remélhetőleg megoldom.
Tehát a lágyindítás volna a lényeg." Lehet tovább törni a fejet..
Hello!
Én szívesen megrajzolom analóg módon mi szükséges, de két dologtól "félek". Egyik, hogy nem is ezt szeretnéd és itt a kész áramkör módosítása, körülményesebb mint egy program esetében. (Mert a működési leírásodban némi bizonytalanságot látok.) A másik, hogy nem fogod megépíteni, mert bonyolultnak látod. (Mert ha már az első rajzon "elvesztél", akkor nehezen fogod megérteni a többit. Egyébként mikrokontrollerhez is kell hardver a teljesítmény és táp részhez, azt nem lehet megúszni.) De ha nem titok, elárulhatnád mi lesz ebből készülékből. Viszont át is kellene menni másik topikba, mert itt az "áramlökés" csak érintőleges feladat lenen. Van nagy teljesítményű DC motorokhoz külön topik.
Írtam neked a "DC motor (lámpa) PWM szabályzása" topikba, remélem oda gondoltad.
Egyszerű triakos lágy indító tervet tudna valaki ajánlani 2 kw ig?
Hello! Itt találsz egy gyárit, ha a motorod soros főáramkörű. (Alias "univerzális motor".)
Jajj de bolond vagyok sorry,nekem toroid transzformátorhoz kellene.De ha alkalmas rá akor máris köszöntem!
Itt visszalapozol és megtalálod Alkotó által készített cuccot. Van nyák terv is meg minden.
Köszönöm,ma este végigolvasom ezt a topikot is.
Sziasztok!Ebben a kapcsolásban ha 10 ohm 5w helyett 10 ohm 2w os ellenállásokat teszek be nem probléma?Link
Az attól függ mit tekintesz problémának. Ameddig a relé nyitva van, addig ezeken folyik a trafó árama. Az kérdés, mennyire melegszik meg ezalatt a pár másodperc alatt. Ha a relé meghúzott, akkor már mindegy mi van ott.
Célszerűbb lehet ide célzottabb alkatrészt választani, mint pl. NTC-t. Találsz itt is ilyen rajzot Attila86-tól. (Az enyém ilyen.)
Igazából ez függ attól is mekkora trafót teszek rá és az milyen tranziensekkel indul (mekkorát ránt,mert úgy néztem 0.6 kw-tól 1kw ig általános volt rég a soros 10-20 ohm 5-10w. Namármost a te rajzod nekem jobban tetszik,és fekszik is,igazából a működőképesség a cél.A problémát abban látom ha a későbbiekben netalán nagyobb trafót teszek oda akkor ne kezdjen el izzani vörösen az a pár ellenállás mert már most elkövettem azt a bakit hogy kisebb teljesítményűeket tettem be...Volt ilyenre példa de ott még relé sem volt..Nos csupán ennyi volt a kétség ami nem is annyira kétség inkább részletkérdés.Köszönöm a linket és a rajzot is.
Maradt még egy kis panelom,gondolkoztam ezen a tirisztoros lágy indítón,tetszik az ötlet.
Egyetlen egy kérdésem lenne ebben mekkora ntc t és triakot kell alkalmazzak egy 1.6kw os toroid transzformátor biztonságos indításához? Vagy ebben a formában akár alkalmazható is?Köszönöm a választ előre is.
Ha az alkalmazott reléd elbírja a trafó üzemi áramát, akkor jó eséllyel így jó ahogy van.
Bátran ajánlom az Alkotó féle lágyindítást nagyon szuper és elsőre indul
Sziasztok meg épitettem egy saját tervezésű lágy indítót. NTC-vel, 2kw ig lenne a cél . Kérdesem a következő lenne. Milyen Méretű típus NTC-t javasoltok alkalmazni.??
Jó eséllyel az eredeti 2db 4,7R-os is elég, de ha kétséged van, akkor tegyél 3-at sorosan. Általában erősítők trafóiról van szó, ahol a koppanásgátló még nem engedi a terhelést a végfokokra, tehát induláskor szinte csak a trafóval kell számolni. A relé meghúzás után meg már mindegy mekkora a terhelés (legalábbis az NTC szempontjából).
5 ohmos 5A est bontottam pc tápból. Jelenleg az van bent
Sziasztok!
Kisfiamnak vettünk egy elektromos kisautót, szülői kontrollos távvezérlős. 12v 10Ah-as akksi van benn, 2 db 12v 35 wattos motor hajtja meg. Nincs benne lágyindítás, ha a távon, vagy a gázpedálon elindításra készteted, marhanagyot ránt a gyereken, amit persze ő nem igazán díjaz. Találtam kapcsolási rajzot, mellyel tudnám a lágyindítást elősegíteni, de azon + - irány kötött. Az elektronikája egy zárt elég picire sikeredett nyáklap, amiből a motorokhoz jön a kábel egy sebesség kapcsolón keresztül. Így a + - változik ezeken a szálakon, amit egy kis relé kapcsolgat ebben a zárt egységben. Van valami ötletetek, hogyan tudnám ezt a hirtelen indulást némileg javítani? Köszönöm előre is! Balázs |
Bejelentkezés
Hirdetés |






Akkor nyugodt szívvel használom. 



