Fórum témák
» Több friss téma |
Hello! Kicsivel precízebb kapcsolást érdemes építeni, mint ahol egy zéner könyökgörbéje határozza meg azt. Pld..
De olyan áramkört nem szabad építeni, ami egy ponton kapcsol ki-be. Mert bekapcsolás után a feszültség cseppet leesik, és már kapcsol is ki. Tehát be és kikapcsolás közötti feszültség különbség, vagy is hiszterézis szükséges.
És mit építettél meg..?
Az enyém 14.7V-on húz meg és 14.6V-on enged el.. Idézet: „nem működik megfelelően” Ha te magad sem tudod mit építettél (csak összedobáltad az alkatrészeket) akkor NE csodálkozz.. ![]()
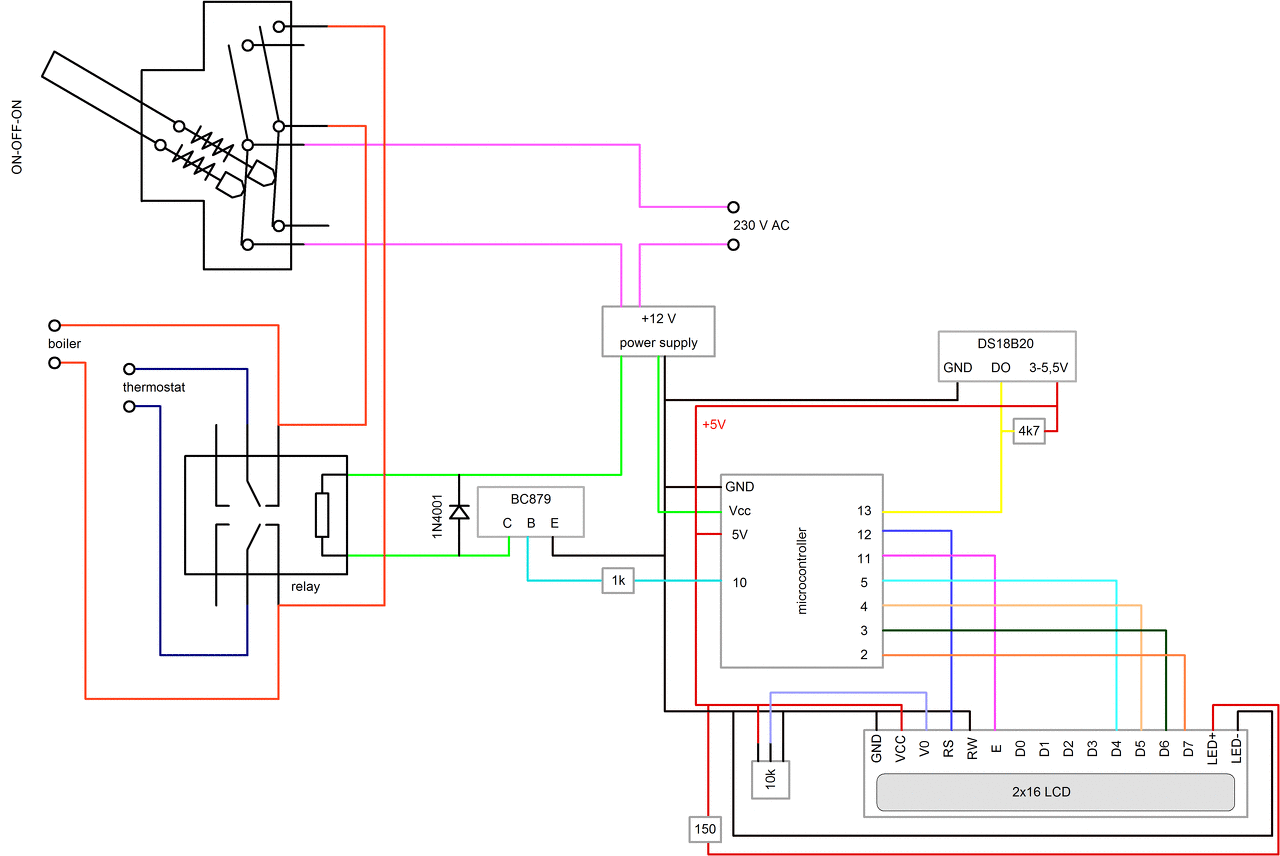
Van egy ilyen nagyméretű finder relém (66.82.9.012.0000, lásd adatlap). A kapcsolásom is csatoltam. A problémám az hogy időnként a relé miatt megbolondul az LCD és fura karaktereket kezd el kiírni. Azt olvastam hogy egy R-C tagot érdemes lenne még betenni a reléhez. Mi legyen az R és a C értéke? A relé durván 20 cm hosszú vezetékkel kapcsolódik a panelhoz. A dióda jelenleg a panelon helyezkedik el (eredetileg ez sem volt benne, de miután beraktam sem oldotta meg a problémát). Az RC tagot is a panelra kellene tenni vagy közvetlenül a relé lábaira kellene inkább?
Van még ferrit gyűrűm amit vezetékekre szoktak tenni; rakjak még ilyet a reléhez menő vezetékre? A hozzászólás módosítva: Nov 4, 2017
Miből gondolod, hogy a relé miatt bolondul (gondolom kiesik a szinkronból) meg a lcd?
Nincs más ötletem hogy mitől lehet.
Viszont most olvasom hogy a kijelző időnkénti újrainicalizálása megoldhatja a gondot, bár ez kevésbé elegáns megoldás mint a probléma okát megszüntetni. A hozzászólás módosítva: Nov 4, 2017
Ez elvi hibás kapcsolás, és észre sem vették, nem érdemes foglalkozni vele.
(0.6/4k7=0.1mA --> nincs megfelelő munkapontban a zener)
A kontroller és a kijelző táplábaihoz a lehető legközelebb 100 nF-os és azok közelébe egy-egy 4,7 µF -os kondit. Ha kültérben van a szerkezet, akkor a 4,7 µF-os kondik tantál alapúak legyenek.
Mielőtt bármilyen zavarszűrésen gondolkodnék a kontroller és az LCD környékén, járatnám az áramkört a relé érintkezőinek terhelése nélkül. Gyakran az érintkezők terhelés alatti működése (különösen a színuszhullám csúcsainál történő terhelés megszakításakor) akkora zavarteret hoz létre, ami a kijelzőt - különösen a 4 bites módban - képes megzavarni.
Saját - hálózati feszültséget nem kapcsoló - elektronikám plexi dobozfedél mögül figyelő LCD-je a fedél törlésére öt karakterhellyel jobbra shiftelte a tartalmát.. A hozzászólás módosítva: Nov 5, 2017
Sziasztok.
A segítségeteket szeretném kérni. Az alábbi képen lévő relé bekötéséről nem találtam semmit a neten. Tudna valaki segíteni? A multimeterem meghalt és csak tippem van hogy a két különálló a + - vagy fordítva. A másik oldalon levő nagyobbak a kapcsolólábak. Mi a szerepe a két kicsinek?
Szia!
Biztos az a működtető tekercs 2 kivezetése. Ha nincs műszered, köss sorba egy 5 mm-es ledet és egy 330 ohmos ellenállást, valamint ezt a 2 lábat és adj neki 12 voltot. A tekercs ellenállása 100-220 ohm nagyságrendű és elképzelhető, hogy kis ketyegést is hallassz a feszültség rákalpcsolásakor, ahogy húzni szeretne a relé. A kontroll idejére ne féltsd a ledet, kibírja. Ha bátrabb vagy, direktben is rákötheted a 12 volt dc-t és akkor határozottan kapcsol a relé..
Minimál életet tudtam lehelni a műszerbe.
A tekercs kivezetésein kéne szakadásvizsgálónál sípolást hallani meg a kapsoló oldal egyik felén. Az megvan. A két kis lábon viszont semmi sincs.
A műszer szakadás vizsgálattal nem is fog sípolni a tekercsre. Annak az ellenállása több száz ohm is lehet. Ellenállás mérésre kapcsold.
Szerintem visszajelzés az elektronikának. Egy kisáramú záróérintkező.
Pedig sípol.
Viszont ha rákapcsolom egy gyengébb akksira(ez van kéznél) és a mérőt ráteszem a másik oldalra nem vált át. Lehet hogy 12V alatt nem kapcsol? Vagy nagyobb amper kell neki?
12 V-os autórelék elég nagy árammal működnek. 9-10 V-nál már behúznak, de pl. egy dugasztáp kevés lehet neki. Akkuról próbáld!
Boltban vásároltam. Ebből a tipusból volt két db.
Az eladó sem tudott semmit a kapcsolásról.
Ne akksival próbálj rá, hanem ahogy leírtam, led+ellenállásos módszerrel. Rögtön kiderül, hogy erbe szerinti visszajelzésre való-e vagy a tekercs. Természetesen előtte az nélkül próbáld ki a led+ellenállást, jó-e a polaritásod a dc táppal vagy akkuval...
![]() Ha pedig semmiféle műszered nincs, akkor pedig fogj egy 12 volt 10 wattos izzót és a soros akkut, úgy már nyugodtan és zárlatmenetsen vizsgálhatod, melyik a tekercs ( ketyegne, ha húz ), ill. van-e, melyik az alapban zárt érintkezőpár. Ha megtaláltad, melyik a tekercs, már könnyebb helyzetben leszel a további vizsgálattal.
Szabvány 12 voltos Siemens (autós) relé koppintás, csak ez be van tokozva, nem látni rajta semmit, az eredeti egy nyitott tömör réz "nyami"
![]()
Talán jobban átlátható lesz; egy Siemens helyettesítő, itt meg a Zettler informatívabb adatlapja.
A hozzászólás módosítva: Jan 2, 2018
Sziasztok!
Van 24 Stilo STI309 impulzus relém. Hogyan lehetne ezt 5V-al kapcsolni? Természetesen lehet beiktatni valamit. A konkrét kérdés az az, hogy lehet-e opto triac-al vezérelni esetleg ssr-el, vagy csak kis méretű relével. A lényeg az lenne, hogy minél kisebb helyen elférjen. Válaszaitokat előre is köszönöm! Üdv.: Kokozo
Félreértetted. A tekercsnél nem fog sípolni, így azt nem tudod így kimérni. A műszerek csak 10-30 ohm alatti ellenállás esetén sípolnak, a tekercs pedig ennél nagyobb ellenállású. Egyébként amit Inhouse adott linkeket, az jó ehhez a reléhez.
Sziasztok nem tud vki 1 olyan egyszerübb kapcsolást linkelni vagy öszedobni az lenne a problémám hogy 1 12 v os relét akarok vezérelni autoban utastér világitásról.
csak az a bajom hogy az utastérvilágtás fokozatosan indul meg világitani emg fokozatosan alszi kki. És eddig a pár másodpercig mig a feszültség 12 el nem éri vagy le nem esik 0 ra a relé rezeg oda visza ezt akarná elkerülni. MOD: Légyszíves, figyelj az írásod módjára és minőségére, mert ez a hozzászólás inkább kódfejtést igényel, mint olvasást a többi fórumtársadtól. Tiszteld meg őket azzal, hogy ha segítséget kérsz, akkor érthetően és helyesen írsz. Köszönjük. A hozzászólás módosítva: Jan 6, 2018
Moderátor által szerkesztve
Azt a szálat keresd meg, ami közvetlenül a kapcsolóról jön...
1 komfort modul vezérli ezt a világitást ha simán az ajtoban levö erintkezöre kötöm azzal az a baj hogy
1 addig világit mig nyitva az ajto mig a komfortvilágitás kialszik kb 10 mp mulva 2 nekem már távirányitoval valo nyitásra is bekapcsol a világitás ugy meg nem kapcsolna be ha az ajto kis kapcsolora kötném és nekem igazábol ez lenne a lényeg. 3 meg az ajtoban levö kis kapcsolo testet szakit akkor kellene bekötnöm még 1 relét amivel vezérlem a másik relét ![]()
Valahol akkor is van egy szál, ami a fokozatos fényerőt szabályozza, de ha ne akarod keresgélni, akkor lehet ezt úgy is, hogy egy tranzisztoros kapcsolás nem a reléd billenési feszültségén kapcsol. Tehát vagy előtte, vagy utána ráadja a 12v-ot a relédre. Pl. ha a reléd 6v-10v ig billeg, akkor ráadhatja már 3v-nál is a teljes feszt, vagy csak ha megvan már a 12v, figyelembe véve, hogy egy relé magasabb feszültségen húz meg mint enged el. Ha PWM jelet ad a vezérlő, akkor kondenzátorral lehet simítani, vagy késleltetni a kikapcsolást, pár tized másodpercig.
|
Bejelentkezés
Hirdetés |