Fórum témák
» Több friss téma |
Fórum » FOK-GYEM TR9178 tápegység
Kiméregettem őket és jók, de köszönöm a tippet!
Újból átmértem mindent a rossz oldalon.
Ezek a mérések különböznek a jó oldaltól: IC 3-as lába -1,2V IC 6-os láb 0V IC 5-ös láb 0V
Sziasztok!
Úgy néz ki, hogy tárgytalan, a jövő héten el is viszik a tápot így hibásan. Majd a következő gazdája ír, ha ő sem boldogul vele. ![]() Néha igen drága eszközökkel kell fejlesztenem, én már nem merem ezeket rákötni erre a tápra, ha hirtelen kiugrik a 65V akkor mindent visz. Inkább veszek egy új labortápot.
A labortápegységem csak 3 voltot ad ki. Lassan emelkedik a feszültség és kisütéskor ujra leugrik 3 voltra. Ez a tápegység egy fok gyem tápegység. Lövésem sincs mi lehet a probléma.
Szia!
A kisütést hogy kell érteni? Az egyenirányító kimenetén meg van a rendes bemeneti feszültség?
Sajnos mérned kell, ahogyan Kadarist is írta.
A kimeneti darlington tranzisztorait is mérd meg. Ha mondasz egy típust, akkor jobb tippeket is tudunk adni.
fok-gyem táp jav nagy feladat!
sokat csináltam! mc1466l és lm324-es vezérlésüket is! de nincs jobb labtáp, mint egy jó fok-gyem gyártmány!
Sziasztok!
Lenne egy beárazással kapcsolatos kérdésem ami kicsit off, de mennyi a reális ára egy működő TR9178-nak, állapota jó, teljesen hiánytalan
Hibásan 10, nem hibásan (olyan meg nincs
) kicsit több.Dupláját még akkor se adjál érte, ha sok pénzed van... De nem értek hozzá
Köszi!
Sziasztok. Hozzájutottam egy ilyen tápegységhez és az volna a kérdésem hogy a feszültség és áram beállítását végző kapcsolókat ki lehetne-e cserélni helikális potméterre, csak ott kezdődik a probléma hogy nem tudom hogy ezeken mekkora teljesítmény folyik át, hogy megéri-e potméterre cserélni. A válaszokat előre is köszönöm.
NEM! Tök jó a gyári. Amúgy huzalpotik vannak benne.
Hello! Elviekben lehetséges, de a gyakorlatban nem érdemes. Az áramszabályzó ellenállása 1kohm lenne, de a feszültségszabályzóé már 40kohm. Mert az MC1466 belső áramgenerátora 1mA áramot ad a szabályzóra és hogy azon 0..40V feszültségesés legyen, 0..40 kohm értékben kell változnia. 40 kohm-os helipoti, pedig nem minden bokorban található. Az áramgenerátor árama pedig csak korlátozott tartományban állítható. Egyébként a poti teljesítménye nem lenne akadálya, mert az ekkor csak maximum 40mW.
De ha erre a tápra perverz módon aksit kötsz, és a szabályzót nullára tekered, megpusztul a poti. Akkor már inkább egy ellenállást legyen szükséges cserélni, mint egy drága potit. Mellesleg az MC is belepusztul ebbe a kísérletbe. De sajnos.. "Akinek van egy új kalapácsa, az mindent szögnek néz.."
Sziasztok!
Van egy ugyanilyen tápegységem. Ma aktív műterheltük a kimeneteket. A bal csatorna hibátlanul működik, viszont a jobb oldal nem tökéletes. Ha működés közben állítom az áramkorlátot, az hatással van a kimenő feszültségre. Ha nyúltam az áramkorláthoz, akkor a kimenő feszültség stabil volt. A bal oldalon nincs ez a jelenség. Van valami ötletetek, hogy mi lehet a probléma?
Sziasztok!
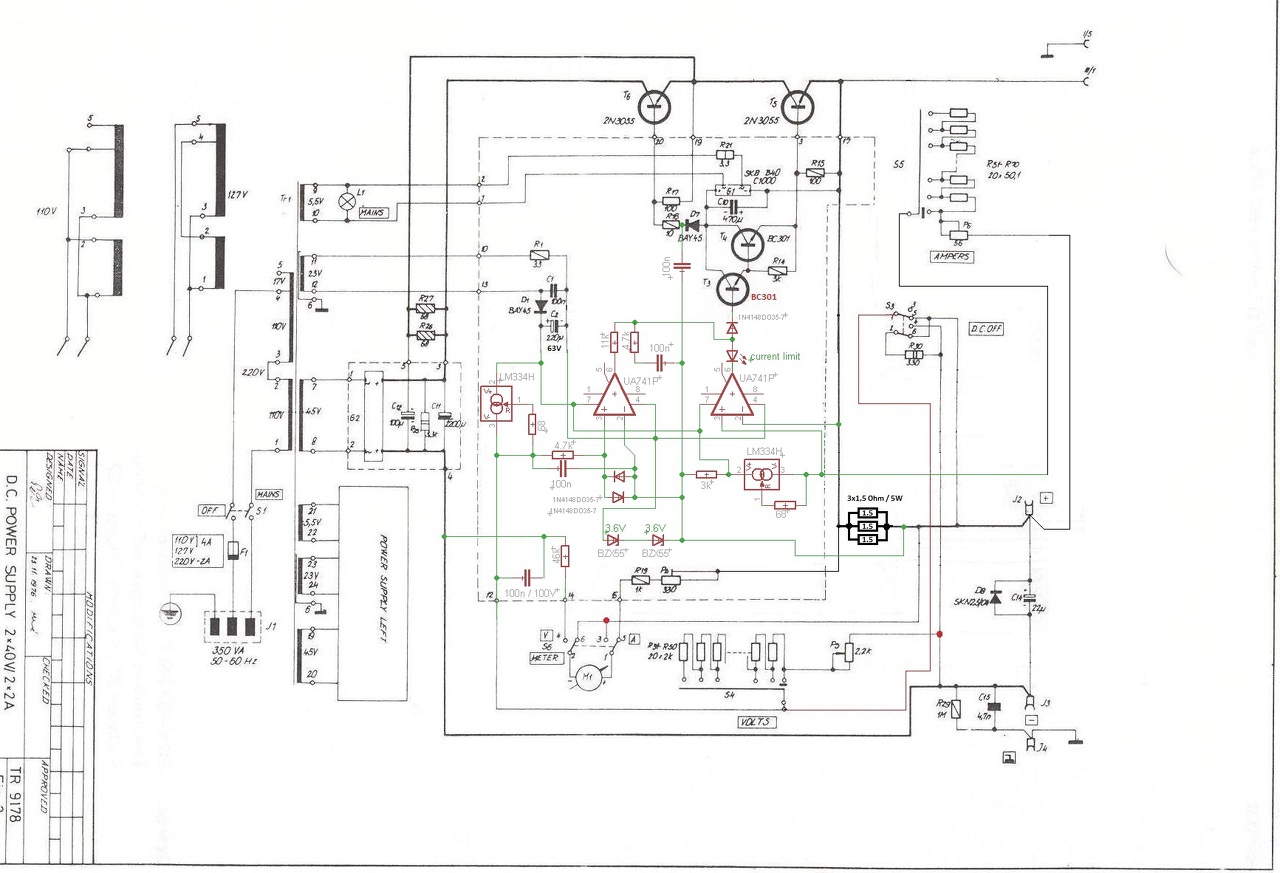
Van egy TR-9178 típusú tápegységem, évek óta nem volt használva. Kihasználatlanság miatt szeretném eladni, ezért teszteltem. Aktív műterheléssel próbáltam a kimeneteket. A bal csatorna hibátlanul működik, viszont a jobb oldal nem jó. Ha működés közben állítom az áramkorlátot, az hatással van a kimenő feszültségre, továbbá terhelés hatására is változik a kimeneti feszültség, tehát nem stabil a tápegység jobb oldala. A bal oldalon nincs ez a jelenség. Érdekesség, hogy a kimenő feszültség a terhelés növekedésével egyre növekszik. Névleges 24V-ra beállítva tápot, 200mA terheléskor 22V-ot ad le a táp, 500mA-nél megzuhan 18,8V-ra, innen a folyamatosan terhelés hatására a kimenőfeszültség folyamatosan emelkedik, míg 2A-es, teljes terhelésnél a tényleges kimenőfeszültség 24,05V. Multimérerrel mérve is ennyi. A kimenet a soros áteresztők PN átmenetek veszteségeit leszámítva szépen követi a MC1466-os IC kimenetének (5-ös láb) változásait, ezért szerintem a soros áteresztők szerintem jók. Ellenőriztem: IC tápfesz: OK, kimeneti terhelésre nem változik. D5,D6, T2: OK D10-et valaki már cserélte, de az is OK. Az áramkorlátos körre gyanakodtam, ezért P6 lábáról (II/3. pont) vezetéket eltávolítottam. A tápot 2A fölé lehetett terhelni, a kimenő feszültség így is a fent leírt módon változott. E-bay-en be lehet szerezni az MC1466L IC-t. Érdemes most beszereznem, vagy más lehet a probléma, mert több hét, míg megjön? Köszönöm, ha tudtok ötleteket, vagy megoldást adni a problémámra.
Szia!
A bal csatorna hibátlanul működik, akkor annak az alkatrészei jók, tehát azt referenciának tudod használni a jobb csatorna javításához, feltéve, hogy a két csatorna egyforma felépítésű. A jól működő csatornából át tudod pakolni a jó alkatrészeket a rosszba, egészen addig amíg a hibás alkatrészt meg nem találod. De egyszerre csak egy alkatrészt tegyél át, mert akkor nem fogod tudni, hogy melyik a hibás. Jelen esetben, ha az MC1466L IC-re gyanakszol, akkor a jó csatornából finoman vedd ki az IC-t, tegyél be alá foglalatot, hogy kíméld a panelt is meg az IC-t is a forrasztgatástól, és tedd át a rosszba. Ha megjavul a működése az IC cserétől, akkor megvan a hiba, megrendelheted az IC-t. De a csere előtt összehasonlító mérésekkel nézd meg az összes alkatrészt, hogy hátha megtalálod úgy is a hibát. Pl. megnyúlt egy ellenállás, átvezet/kiszáradt egy kondi stb. Így meg fogod tudni javítani a tápot. Hajrá! A hozzászólás módosítva: Feb 25, 2018
MC1466 utánrendelés kissé necces, de nem értek hozzá.
Akiben van elég nagy elszántság, az utánépítheti diszkrét elemekből. Bővebben: Link
Vagy így:
Szia!
Köszönöm, hogy hosszan válaszoltál. Pénteken már két órát foglalkoztam a javítással, arra jutottam, amit fent leírtam. Valamilyen alkatrész öregedésből eredő hibára gyanakszom, ezért is kérdeztem, hogy érdemes-e az IC-t cserélni, hátha mégis rossz helyen kutakodom. Elsőre az áramkorlátozó áramkörre gondoltam, azt kikötve ugyanúgy fennáll a hiba. Jövő héten tovább próbálkozom. Ha van valamilyen fejlemény, megírom.
Nagyon szívesen, kíváncsian várom a fejleményeket.
Ezzel a módszerrel amit leírtam Neked, meg fogod találni a hibát. Az ilyen összehasonlító mérésekkel nagyon sok készülék megjavítható, ha van egy jó készülék amihez hasonlítani tudod. Csak akkor érdemes cserélni az IC-t, ha egyértelműen kiderül, hogy az a hibás. De ha a jó IC-vel is ugyanaz lesz a hibajelenséged, akkor az IC rendben van, és kizárható a hibásnak vélt alkatrészek közül. Csak vigyázz rá, finoman forraszd ki a panelból, mert kicsit nehézkes az IC beszerzése, mint ahogy azt a többiek is írják.
Sikerült megtalálni a hibát! Nem fogjátok elhinni, csak az IC volt a rossz, semmi más! Pont mentünk alkatrész boltba vásárolni, a munkatárs megkérdezte, hogy hátha van IC, hát volt! Eredeti Motorola! Még van 16 db az üzletben. Ha valakinek szüksége van IC-re, akkor itt be lehet szerezni. Elekrofok a bolt neve, Nagytétényben vannak, nem messze a Camponától. Mindenkinek nagyon köszönöm a segítséget. Mellékelem a fotót.
Sajnos ki... Túl sok mássalhangzó van egymás után.
Helyesen: Elektrofokhttp://www.elektrofok.hu/ A hozzászólás módosítva: Feb 26, 2018
Sziasztok!
Szeretném megkérdezni hozzáértőktől, akik jól ismerik az MC1466L "lelki világát", hogy a kapcsolási rajzon szereplő R4 ,R6 (15M, 30M) ellenállásoknak mi a szerepük a működésben? Az én tápomban az egyik fél tartalmazza, a másik nem - és mindkettő kiválóan működik! Ráadásul a beforrasztott példányok erősen megnyúltak, ~24M ill. ~39M az értékük. A válaszokat előre is köszönöm! Üdv.: Nándi
Hello! Ha jól értelmezem a rajzot, akkor az R6 az IC offset hibafeszültségét mozdítja el olyan irányba, hogy nullára tekert feszültség szabályzók finombeállító potméterének "holtjátékát" csökkentse. Vagy is hogy eltekerésével azonnal induljon a feszültség felfelé.
Az R4 a sönt felől valósít meg egy visszacsatolást, hogy a CC/CV üzemmód átváltása határozottabb legyen. Szerintem, egyik ellenállás értékének változásnak sincs olyan drasztikus hatása, ami észrevehető lenne a használat során. |
Bejelentkezés
Hirdetés |














